Fórum témák
» Több friss téma |
Fórum » Labortápegység készítése
Köszi szépen, hogy lerajzoltad, de sajnos akkor ezzel a táppal nem lehet megoldani a szimmetrikus tápot középmegcsapolásos trafóval.
Esetleg Attila első tápját meg lehetne szerinted oldani? Ennél csak a pozitív tápágban vannak alkatrészek. Az igazán szuper lenne, ha a negatív tápág szabályzására is ugyanazt a referenciát és potmétereket lehetne használni, mint a pozitív ágban, tehát egyszerre lehetne szabályozni a két ágat ezen a módon. Válaszodat előre is köszönöm, Üdv!
A lebegőtápos megoldásban a GND ág van megszakítva az áteresztő fokozattal. Ha szimmetrikus labortápot akarunk, akkor a két tápegységnek az egyik főtáp-vezetőjének ugyebár közösnek kell lennie. Így viszont két GND kell, az egyik a kimeneti nulla fölött, a másik pedig alatta... Ez elég érdekesen nézne ki és a szimmetrikus szabályozást is nehéz lenne megoldani.
Minden esetre elgondolkodtató egy ilyen felépítésű szimmetrikus labortápegység...
Szia!
Érdekesen fogalmazod meg a problémát. Eddig ezt még csak úgy olvastam, hogy a GND-ből 1 darab van, és az egyik táp a pozitív ágban szabályoz, a másik meg a negatív ágban. Két különböző felépítésű tépegység kell ehhez. De a gyakorlatban annyira nincs ennek jelentősége, hogy ezért nem is foglalkozik senki ilyesmivel. (az most nem lehet értelmes szempont, hogy valakinek csak ilyen trafója van). De mint megoldandó probléma, tényleg érdekes. Alkotó
Helló!
Hát az egész táp úgy indult, hogy egy fetes erősítőnek lesz a tápja. Ámde mivel félhidas felépítésű, így nagy a kimeneti zaja, mely a végfok kimenetébe is jelentősen belehallatszik. Emiatt gondoltam, hogy tökéletes lenne labortáp tápjának feszültség és terhelhetőség szempontjából, a végfok számára pedig készítenék egy rezonánsat. De mivel sajna nem olyan egyszerű megoldani a labortápot erre a tápra, lehet, hogy elteszem szebb időkre, hátha máskor jól jön, vagy szétszedem, aztán ami alkatrészt lehet hasznosítani, azt felhasználom a rezonánshoz. Még azon gondolkodtam, hogy a szekunder fojtó menetszámának a növelésével lehetséges lenne-e a kimeneti zajt csökkenteni? Üdv!
Ezt a "rezonáns" tápot nem tudom hová tenni, de erősítő tápot már láttam (méghozzá jó sokat). Nagyon nehezen tudom azt elképzelni, hogy szoros kapcsolat legyen egy erősítőhöz ideális felépítésű szímetrikus tápegység, és egy akármilyen labortáp között. Alapvetően különböző követelményeknek kell megfelelni a két esetben.
A tápegység oldaláról szinte mindegy, hogy az erősítő fetes, vagy tranyós, vagy csöves, vagy akármilyen... Az erősítőnek kell valamilyen feszültség, vagy feszültségek, amikhez tartoznak várhatóan fellépő terhelőáramok. Ha ezeket tudjuk, akkor már gyerekjáték rajzolni egy oda megfelelő tápot. Nagyon fontos, hogy a végfokoknak nem kell sem stabilizált feszültség, sem áramkorlát, mindösszesen egy jól terhelhető, kellően szűrt, és eléggé kis belső ellenállású alaptápegység. Alkotó
Hát mivel a végfokhoz nem felelt meg ez a kapcsoló üzemű táp, mivel nagy a kimeneti zaja, ezért gondoltam, hogy még esetleg jó lenne ez labortáphoz, a végfoknak pedig építenék egy másikat, mely nem félhidas, hanem rezonáns topológiára épül. Így a mostani kapcsoló üzemű tápot is fel lehetett volna használni egy értelmes célra, de valószínűleg csak egy asszimetrikus labortápot fogok rá építeni, mert úgy látszik, hogy a szimmetrikus felépítésűt erre a tápra nehéz kivitelezni.
Most már kezdünk offolni kicsit. Ha nem muszáj, azt javaslom ne használj kapcsolóüzemű tápot végfoghoz. Sokkal inkább beválik a trafó (kellően nagy) + dióda hiadak + pufferek egy kis ráadás hidegítéssel "recept". Ezt a "tápminőséget" csak nagyon összetett kapcsolóüzeművel tudnád megközelíteni, viszont akkor már sokkal magasabb az ár, több a hibalehetőség, sok a zavar és a zaj, tehát csak hátránya van (no jó, nagy trafó az nem kell bele).
Alkotó
Az a baj, hogy a nehezebb utat akarod. Sokkal nehezebb áttervezni minden nyűgjével együtt a tápot, mint kivenni a kapcsitápod trafóját és áttekerni. majd készíteni egy másik egyenirányítást neki pufferekkel. Vagy szerezni egy trafót.
Hát igen, igazad van.
No majd eldőlik, hogy mi lesz végül.
Hali!
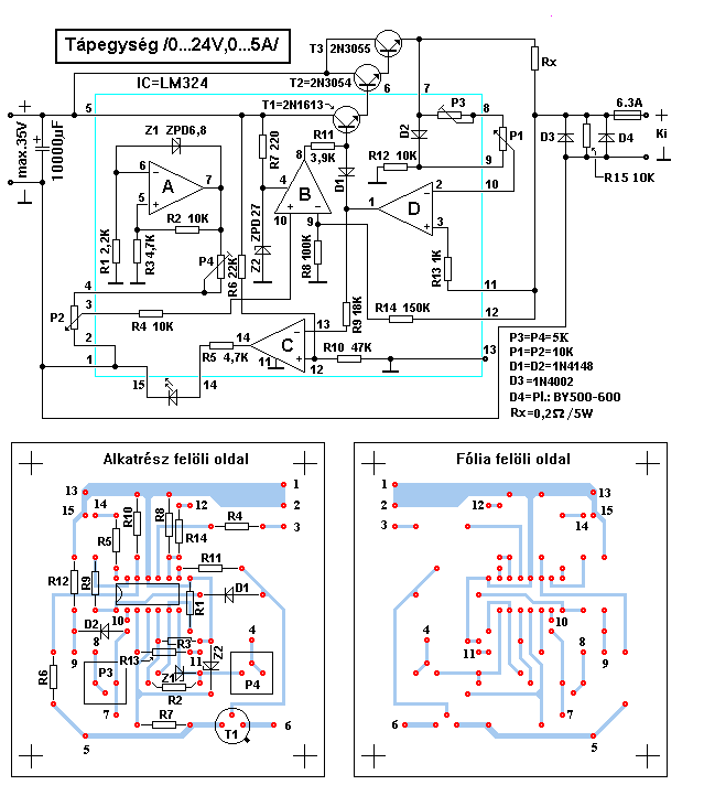
Építettem egy tápot ami 24V/ 5A-t tud elvileg.... . Működött is meg minden, de tegnap túlterheltem véletlenűl és a 3as darlington utolsó végtranyója megint meghalt. Bc140 a meghajtó és utánna van 2db 2n3055. Nekem azt mondták még, hogy egymás után nem szabad tenni 2ugyanolyan tranyót hanem mindig erősebet., hogy stabilabb legyen. Néztem kettő fajta tranyót, de nem tudom hogy melyiket vegyem meg. BD 317 v. BD249 -- egyáltalán jók lesznek, vagy vissza még egy 2n3055??? köszi a válaszokat!
Tegyél bele TIP35C-t.
De meg kell mondjam, ennek az áteresztőnek a kialakítását én nem így csinálnám meg. Párhuzamosan tenném őket az emiterkörben pár tized ohm ellenállással, hogy az áramok kiegyenlítődjenek. Szerintem el van rajzolva.
A 249-et a 3055 helyett semmiképp ne tedd be, mert a 3055 sokkal erősebb félvezető, a másik, hogy szerintem az első 3055-ös csak meghajtja az utolsó áteresztő 3055-öt, azon teljes terhelésnél (pl rövidzár) kb-120W fog jelentkezni, egy eredeti 3055-ös 115W-ot tud elfűteni, persze csak ha eredeti, ha hamisítvány, akkor ennek a 70-80% át. Én azt csinálnám, hogy BD140-2N3055-MJL21194, na ezt nem fogja ellőni, vagy egy darab 3055 helyett betennék két 3055-öt áteresztőnek egy egy emitter ellenállással, így megoszlik a terhelés, és biztosan képes lesz elfűteni.
Húúú, ezt nem mondanád picit konyha nyelven?
A 2 végtranyót tennéd párhuzamosan??
Igen. Bázist-bázissal, collectort-collectorral összekötném, de az emitterekkel sorba kötnék egy pártized ohm-os ellenállást és úgy kötném össze őket.
5A-nél pl. az említett TIP35C nagyobb "B"-vel rendelkezik, mint 10, tehát max. 500mA bázisáramot igényel. Ezt a meghajtó tranzisztornak 2N1613 kellene szolgáltatni, ám ez ehhez karcsú. Valószínűleg ezért volt ez a kapcsolástechnikai megoldás. Ha kicseréled pl BD139-re, akkor meg is oldottad ezt a problémát is. A TIP35C adatlapja... -szerintem- Idézet: „-szerintem-” szerintem is jó ötlet.
Lapozz vissza pár oldalt, és sokat olvashatsz erről a tápról. Pontosabban erről csak annyit, hogy távolról sem egy jól működő szerkezet, viszont Pioneer átalakította "egy kicsit", és úgy már egészen használható lett (még nyákot is terveztem hozzá, ami ki is van próbálva).
A neked válaszolók valamit félrertenek. Itt 1 db 3055-ös áteresztőtranyó van, amit meghajt egy 3054 (nem 3055) és azt meg meghajtja egy további kisebb tranyó. Ennyi. Nincs mit közösíteni. Az más kérdés, hogy 5A-hez édes kevés az 1 db 2N3055, legalább 4 kellene belőle. Alkotó
A neki válaszoló, (gondolom rám gondoltál) pontosan tudja, hogy az utolsó 3055 az áteresztő, és neki kell disszipálnia. Azt is tudom hogy a kapcsolásban 3054 szerepel, viszont ő azt írta hogy nála kettő darab 3055-van, és az egyik hajtja a másikat. Amit megjegyzem feleslegesnek tartok.
Idézet: „A 249-et a 3055 helyett semmiképp ne tedd be, mert a 3055 sokkal erősebb félvezető, a másik, hogy szerintem az első 3055-ös csak meghajtja az utolsó áteresztő 3055-öt, azon teljes terhelésnél (pl rövidzár) kb-120W fog jelentkezni, egy eredeti 3055-ös 115W-ot tud elfűteni, persze csak ha eredeti, ha hamisítvány, akkor ennek a 70-80% át. Én azt csinálnám, hogy BD140-2N3055-MJL21194, na ezt nem fogja ellőni, vagy egy darab 3055 helyett betennék két 3055-öt áteresztőnek egy egy emitter ellenállással, így megoszlik a terhelés, és biztosan képes lesz elfűteni.” Ezt nem tudom olvastad e figyelmesen. Idézet: ezt meg ő írta.„Bc140 a meghajtó és utánna van 2db 2n3055.” Idézet: „Az más kérdés, hogy 5A-hez édes kevés az 1 db 2N3055, legalább 4 kellene belőle.” Hát azért 4 darab biztos nem kell 5A-hez.
Hát azért 4 darab biztos nem kell 5A-hez.
Javaslom, próbáld ki. Nem akarnék most belebonyolódni a "számtanba", ezért inkább csak hidd el. Alkotó
24V-os táp, 5A, azt mondod ehhez kell 4db 115W-os 2N3055? Biztos,hogy nem. De győzz meg, mutasd a számítást.
Egyet értek veled!
Pláne, hogy javasoltam egy picit izmosabb áteresztőt és a táp egyéb paraméterei/stabilitása nem voltak a kérdés részei.
Így van, én is javasoltam egy combosabb áteresztőt, vagy azt mondom, legyen két 3055-ös áteresztőnek, az bőven elviszi. Nekem amit legutóbb építettem Spafi tápot, abban kettő darab 3055-volt, 40V 4A. Tökéletesen elfűtötte a rövidzárat is és az impulzus szerű rövidre zárogatást is elviselte. Az más kérdés hogy kisebb borda miatt csak kb 4-5 percig hagytam rajta de a 2db 3055-ös elég volt oda. Ide pláne elég a kettő.
Bonyolódjunk....
Nézzük a disszipáció-hőmérséklet grafikont: 100Celsiusnál 60W-os a disszipáció a maximum. ( A táp 125W-ot fűt ha maximális áramnál rövidrezárod a kapcsait ) Nézzük a Vce-Ic diagramot: 25V ->2.5A benne van a SOA -ban. Ha nem is bőven, de 2 darab elég hozzá, ha rendesen hűtöd. Nézd meg ezeket a javasolt TIP35C esetében is! Üdv.
na idő közben visszatértem a géphez és érdekesek az írások.
köszi srácok! Azért van 2db 3055 mert az egyik oldalon a srác a fórumba azt írta, hogy teljesen jól működik így is. Am tényleg nem lehet kapni 3054-et. Ja volt itthon 8db 3055-öm . Tegnap kipróbáltam egy 12V 65W-os halogén izzóval, amit nem kellet volna. kb 6másodpercig világított ezerrel és vége lett mire kikapcsolhattam volna Utánna számoltam és 5,5A jött ki az izzóra.... Azthiszem akkor megyek a boltba majd és akkor alkatrész cserék lesznek és remélem jobb lesz. tehát: BD139 a meghajtó és utánna a 2 végtranyó párhuzamosan ellenállásal? Nincs nagy bordám, csak 2 tranyó fér bele... még kicsit kezdő vagyok, de próbálok jobban érteni hozzá! köszi
Hűtés nélkül, mindegy milyen tranzisztort raksz be, el fognak szállni!
azt tudom, szereztem egy 24V-os ventit amit a borda elé teszek majd
Sziasztok.
Kérdésem lenne. Nekem fent van a Multisim9 és a 10-es verzó is mivel a 9-ben van 3D alkatrészek a 10-esbe meg nem találom. Viszont ide mindenki az újabb progiba készíti a rajzot. Nekem a 10-es 30 napos verziós. Valakinek nincs ehhez okossága?
Most készülök elvégezni a módosításokat a labortápon, de bajban vagyok, mert fogalmam sincs, hogy most a zenereket hova kell kötni. A rajzon GND van, de ez most akkor mit is jelent? + ág elvileg a GND, de sztem ezt a segédtáp GND-éjére kell kötni.
itt a javítás Ekőre is köszi.
AValamit nem értek. 2 zéner egymással semben áll. Tehát akkor itt csak az egyiknek van értelme a másik csak 1 diódányi nyitófeszültséget ejt ha jól tudom.
Nemcsoda hogy elpukkant hűtés nélkül. Egyéb iránt nem csak az 5,5A számít, ez a tranzisztor kibír 15A-t is, persze ekkor a feszültséget kell csökkenteni, az a lényeg hogy a feszültség és áram szorzata ne haladja meg a 115W-ot, pl 60V 1,9A, persze érdemes a névleges maximum terhelhetőség alatt maradni 10-20% al, ez a biztonsági tartalék, mivel nem biztos hogy eredeti a tranzisztorod, vagy kap egy lökést ekkor megint ott a baj, szóval mindenképp érdemes a biztonságra is odafigyelni.
Én a helyedben beszerezném a kapcsolásban leírt tranzisztorokat, a 3055-öt pedig megdupláznám, úgy tuti lenne.
Tapasztalat szerint normál müködéskor hűtőborda hőmérséklete 50-90 fok közötti. Persze ha nem használunk ventillátoros hűtést. De akkor is 100 fok fölé ne kerüljön. Nem egészséges
115W al ne számoljunk. Nekem a 2N3055 kb 20W-ot tudott disszipálni 10X10cm bordán és 70 fokon. Tehát 3 darabot is "párhuzamosan" köthetsz ha nem akarod hogy rezsóként üzemeljen |
Bejelentkezés
Hirdetés |





. Tegnap kipróbáltam egy 12V 65W-os halogén izzóval, amit nem kellet volna. kb 6másodpercig világított ezerrel és vége lett mire kikapcsolhattam volna Utánna számoltam és 5,5A jött ki az izzóra....
115W al ne számoljunk. Nekem a 



