Fórum témák
» Több friss téma |
Mielőtt kérdezel, a következő két dolgot ellenőrizd!
I. A helyes tápfeszültségek megléte.
II. A kimeneten van-e egyenfeszültség.
Élesztés.
Szia
Alacsony frekvenciára melyik a jobb? Action2K ma megküldtem nekik De még mérnem kell
Szerintem a minőség javítására alkalmasabb a 2200µF megtripázása "HELYI puffer" pont az alacsony frekin erősít és nemutolsó sorban a torzítási tényezőn is javít. Persze ettől még kell a tápot rendesen szűrni. És 220n helyett 330n ez állítólag tényleges javulást hoz. A kerámia kondik azért nem olyan rossz minőségűek egy ilyen minőségű "TDA1558Q" végfoknál ez nem tényező, a 3/4 terhelésen már THD = 10% torzítással dolgozik míg fél hangerőn THD = 0.5% szándékosan használtam a "THD" tehát drasztikus minőség romlással számolhatunk. És ami még ront a helyzeten hogy 15Khz felett már nem érdemes mérni mert annyira leromlik az átvitel, viszont a hangereje az nagy.
![]() De ez az én tapasztalatom, TDA-nál helyi puffer had szóljon és 330n, és nagyméretű gyors hűtőbordával hűteni.
Idézet: „nagyméretű gyors hűtőbordával” A nagyméretűt értem, de milyen az a gyors? Más. Ha már a meglévő clip-jelző áramkör LED-jét használjuk itt akkor is működik? Továbbá mekkora értékű fényellenállást kell használni? Nem írják a leírásban. Köszönöm
Hell mindenkinek .Segitségeteket szeretném kérni ,egy subwofer végfokot szeretnék épiteni,ere a kapcsolásra gondoltam volna 100w-os tranyós végfok valaki megépitette már?Véleményeteket váromBővebben: Link
Gyors alatt a gyors hőleadóképességet értette. Tehát minél nagyobb felületen érintkezzen a levegővel, illetve az anyaga mettől jobb hővezető képességgel rendelkezzen. (pl. Cu)
Valaki valami okosat
Működik, szól, jó a nyák terv hozzá, és a kapcsolási rajzon lévő 470 ohmos /2W igazából 56 ohmos.
Szia!
72V-ra még a 4 FET is majdnem kevés bele, főleg 4 ohm-ra.
Szia!
Működik, de nincs benne rövidzár védelem, ezt nem árt tudni.
A nagy méret természetesen a felületére vonatkozik, a gyors hűtőbordákat általában minőségi erősítőkben találhatsz nem a tömegével hűt hanem a leadó felületével a mag rész sem túl vastag, vége felé elvékonyodó lamellákkal, van itthon lefotózom ha még nem láttál ilyet.
Az elve az hogy a felvett hőt hamarabb leadja mint a vastag zömök kialakítású tehetetlenebb tömeg. A képen látható BTX CPU hűtő is ezen az elven működik nekem is van ilyen itthon és a méretéhez és súlyához képest tényleg hatékonyabb min. 5-6celsiussal a hasonló méretű tömörebb kivitelű alumíníum bordákhoz képest.
Jaaa értem szóval ezek a sűrű procihűtők. Láttam ilyet sokat, csak a "gyors" jelzővel még nem találkoztam.
Erre még mindig senki? Bővebben: LinkKöszi.
Persze, hogy működik! Sőt nekem azt mondták az áramkör teljesen felesleges is hozzá.
Az tuti
De mekkora értékű fotoellenálllást használjak, hány Kohm-ost?
Szerintem 50 biztos kell hogy legyen mert ugye ez a bemenetét húzza a föld felé az erősítőnek. És ha túl kicsi akkor kicsi lesz a bemenetnél az impedancia. De hátha más többet tud. Én kiszedtem egy ilyen udvari éjjel is világító csodalámpából. A napelemre volt ráfogatva
Nem sürgős annyira a dolog. Majd hétfőn megyek pestre, akkor bevásárolok mindenből.
Kedden remélem kész is lesz, TDA7375 diag LED-je fogja világítani... Amúgy a működése hallható? Vagyis hiába tekerem feljebb a hangerő potit, a zene nem hangosodik tovább, vagy el-el halkul, mikor villan a LED? Úgy értem, hogy mekkora "késése" van az áramkörnek? Biztos nem lehet nagy.Köszi
Fényképeztem itthon, ami a kezembe akadt gyors hűtőborda, van ezeknél jobb is! :yes:
És megragadnám az alkalmat, van ezen végfokom, azon kívűl hogy "SANYO és Class H+ mínőségű és 6CH AUDIO POWER MODULE" a képen látható arany szűrőkkel és nagyteljesítményű dióda híddal ellátott végfok, táp gyárilag 200W-os. PANASONIC házimozi végfok, a gondja csak az hogy széttörve kaptam és kár lenne nem használni a sértetlen tápot és végfokozatott. Ha valaki találkozott ilyennel vagy tud módszert a kapcsolási rajz megszerzésére azt nagyon megköszönném.
Hali!
Ez a "gyors hűtő" miért gyors? Nekem is van egy ilyen kinézetű bordám.. Üdv!
Amit előrébb is leírtam a "vaskosabb" nagy tömegű hűtő tömegénél és kialakításánál fogva lassabban hűl le.
A gyors hűtők könyebbek, azonos méretű lomha hűtőhöz képest és több hőt képesek eldiscipálni. Ezek a kialakítások általában + lassú fordulatú halk ventillátort is tartalmaznak. ------------------------------------------------------------------- Még az előző hozzászólásomhoz, az ok ami miat nem szeretmém fiókba dobni a végfokot. H+ osztály (Class H+) Egy átlagos erősítő nem mindig képes megbirkózni a különösen nagy dinamikatartományú felvételekkel, például a mozifilmek hangsávjában gyakran előforduló robbanások hangjával. A H+ osztályú erősítőt úgy fejlesztették ki, hogy extra tartalékokkal rendelkezzen, így kiküszöbölje a nagy hangerőnél előforduló torzítást. A konstrukció hatékonyságának bizonyítéka az is, hogy az ilyen erősítő jóval kevesebb hőt termel. --------------------------------------------------------------------- HIGH-END-AUDIO arany kondenzátor Rendkívűl kiegyenlített sima táphoz használatos, az átlagos kondenzátorokhoz képest többszörös teljesítménybeli különbség "akár elem helyett is alkalmazzák"..........
hell
köszi az eddigi segitséget mindenkinek! Azt a végfokot szeretném utánépiteni valamiféle sub. filterel ami hangolható, készitettem egyet de mély helyett cs ak bugás jött rajta egy bevált rajzot kérnék tőletek kösssszi
Hali!
Ezt építetted meg? Bővebben: Link Mert ha igen, akkor nem a kpacsolás szerint hanem a beültetési rajz szerint kell összerakni. Itt egy láthatóbb rajz: Bővebben: Link
Igen ezt a kapcsolást épitettem meg, de teljes kudarc .Akkor ha a beültetési rajzot követem jó lesz?KÖszi a segitséget!
teljesitményben hol áll a qwad-hoz?
Itt egy zenész ismerős által használt bővíthető Aktív SUB-BASSZUS elektronika.
Én megépítettem kapcsolás szerint majd módosítottam. Most a beültetés szerint van megcsinálva. Ki még nem próbáltam.
Ha működik +-8voltról is, akkor holnap meghallgatom, hogy jó-e...
Üdv
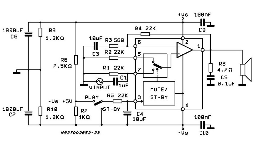
Szeretnék érdeklődni egy hibajelenség ügyében. TDA2052-ről lenne szó. Eddig azt hittem,hogy az alaplapi hangkarim zakkant meg. Amikor jel van küldve az erősítőnek,akkor arra a tartamra egy halk rádiófrekvencia szerű zörej (kissé sistergéses) zaj jelenik meg. Ezt leginkább kis hangerőnél lehet észrevenni,főleg nagyon kis hangerőnél. De nagyobbnál sem tűnik el,csak ahhoz kevés zene van,amin meghallani,de halk rész egy csomó zenében van és ott nagyon zavaró. Pláne filmeknél. De ha megállítom a zenét,akkor síri csend. Most pl egy mp3-as lejátszóról hallgatom és ott is ugyanaz.Csak ebben jóval nagyobb a kraft,mint a hangkarimban és így nem is zavarna,legalábbis,amíg nagyinál vagyok nem fog De ha hazajövök,akkor meg kéne oldani ![]() ha valami ötletetek,akkor szívesen fogadom. ui.: minőségi kábelezést használok ebben,úgy szint a bemenetnél is.A táp már kívülre lett szerelve,ezzel a búgás szűnt meg(ez már régebben,de megemlítettem) Köszönöm!
A nyákja nagy lesz,szerintem a méretarányok sem lesznek jók!
J-O-E! Rátaláltál kedvenc KIT-es oldalamra! Onnan szedtem le egy riaa korrektort is,már le is másoltam lay-outba,mert batár nagy volt! Kicsit feljebb lévő képeidnél,szép végfok ![]() Látom STK IC
Kicsit át kell tervezni, én is kaptam, de van hozzá +expander panel, lehet negyedelni a méretét SMD-vel.
Egy kicsit át kell dolgozni egybeépíteni a kettőt ha lesz ídőm megcsinálom, messze a legjobb kapcsolás ami fellelhető a témában!
Ennek a végfoknak jó a THD-je, melyik kapcsolással hajtod meg?
Ez nagyfrekis gerjedés, ha a tápoddal minden rendben, a panel kialakításánál lehet a kisördög. Van nekem is ugyan ilyen hibát produkáló minőségi gyári aktív hangszoróm, még a hangszoró kábelek is árnyékoltak és mégis produkálja, MP3 lejátszónál de ahogy a bemeneti szintet változtatom néha megszűnik. A bemeneti illesztés megváltoztatásával és a panel kialakítással tudod megszüntetni.
SZia.
Azt hiszem az alap kapcsolást. Innen vácról a baji elektronikából vettem vagy 5-6 éve. Én is tippeltem a bemeneti illesztésre,mert az új hangkártyám nem hajlandó elfogadni. És szerintem ennek a túl kicsi bemeneti impedancia lehet az oka. Rendben ez jó kiindulópont,amint lesz alkatrészem és lehetőségem megcsinálom,és jelentek ![]() Köszönöm!
Gyári bemeneti illesztő tda2052: 1µF az 1000µF oszciláció-csökkentő nem csak táp szűrő, +ez melett 100n van a nagyfrekis gerjedés elkerülésére, nézd meg nem egyszerűsíteték-e le róla. Mellékeltem képeket a javasoltat használd. De látni kéne a panelt az többet segít.
|
Bejelentkezés
Hirdetés |




De még mérnem kell







köszi az eddigi segitséget mindenkinek! Azt a végfokot szeretném utánépiteni valamiféle sub. filterel ami hangolható, készitettem egyet de mély helyett cs ak bugás jött rajta
egy bevált rajzot kérnék tőletek kösssszi 


Ha működik +-8voltról is, akkor holnap meghallgatom, hogy jó-e...







