Fórum témák
» Több friss téma |
Fórum » Ki mit épített?
Ez a téma ha úgy tetszik a mi "kiállítótermünk", nem pedig a ki mit csinált volna másképpen, mások helyett, és legfőképpen nem javítós téma.
Minden készüléknek van saját témája, ott kell kitárgyalni a részleteket!
FONTOS! A kapcsolási rajzok keresésére is van saját téma, ott keressetek rajzokat!
Szia!
Proli007, egy feszültségosztónak, vagy egy invertáló műveleti erősítőnek az alkatrészeinek tűréséből eredő hiba ne mondd hogy nem számítható ki! Ez nem optimizmus, hanem matematika. Üdv.!
A parazita dolgok ellen milyen intézkedéseket tettél?
Nyákfóliázat közti átvezetések kizárása, esetleges változó értékű külső eredetű zavarjel hatástalanitása (vagy ezt már tartalmazza a kapcsolástechnika?).
Nem tudom milyen kapacitásokat használsz, de érdemes az elkókat formázni, "öregbiteni" a hosszú idejű stabilitás végett. Proli mester csak annyit akart mondani ( szerintem), hogy hiába van egzakt számolási módszer az eredő pontosság ezt nem mindig igazolja. Másképp fogalmazva: "látott Ő már karón varnyút", valamint itt is érvényes a Murphy törvények közül az idevágó passzus. Vagyis minden tűrés rossz irányba adódik össze. Üdv Idézet: „Vagyis minden tűrés rossz irányba adódik össze.” Természetesen a számítás során mindig a végeredmény szempontjából legrosszabb irányú eltérésekkel és értékekkel számolok. Idézet: „Nyákfóliázat közti átvezetések kizárása, esetleges változó értékű külső eredetű zavarjel hatástalanitása” A nyák teljesen kétoldalas, agyon van árnyékolva rajta az analóg rész amennyire csak lehetséges. Mivel ez a műszer áramot mér, azért a mérendő (hasznos) jel kis impedanciás, emiatt nem annyira zavarérzékeny. Idézet: „Nem tudom milyen kapacitásokat használsz, de érdemes az elkókat formázni, "öregbiteni" a hosszú idejű stabilitás végett.” Jó minőségű fóliakondi van csak benne az analóg részeknél. Elkó csak a tápjánál van puffernak. Üdv.!
Urak!
Bár a téma tényleg izgalmas, nem lehetne folytatni a tápegységes topicban, mert itt elég OFF?
Sziasztok!
Készítettem egy NI-mh ceruza töltőt ezt szeretném megosztani veletek. Bővebben: Link Tettem képet is
Hello!
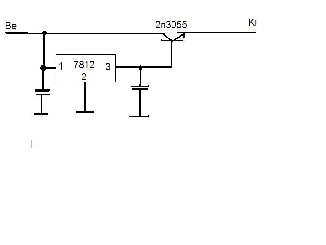
Felújítottam egy régi tápegységet mert rossz volt a szabályzója így 16V-jött ki belőle.
Szép kis antik darab. Milyen kapcsolás lett beleépítve szabályozónak ?
Egy 7812 egy tip3055-s tranzisztorral kiegészítve. Ha érdekel a konkrét kapcsolás akkor lerajzolom csak szólj. Ez a tápom volt itthon nem akartam még 20000ft-ért tápot venni a töltőhöz.
Nincs egy kicsit túlméretezve a trafó, egyenirányítás a 12V-hoz
?
Szeretem a ha a dolgok jól meg vannak méretezve. Szóval viccet félretéve ez volt benne nem én tettem bele.Én csak a szabályzó részt építettem bele.
Üdv ez a rajz ennyire egyszerű táp kapcs..???
Hány volt mehet be és gondolom a 7812-ből hogy 12-v jön ki és milyen terhelhetősége van több mint 1 A??
Hello ez ennyire egyszerű. be mehet 20V-25V is csak akkor a 7812 nagyon fűt jelenleg ez 15A-es tranzisztor de ha több tranyót teszel vagy nagyobbat akkor nogyobb terhelhetőség is elérhető vele. Ha a 7812 helyett más stab IC-t teszel be akkor olyan fesz fog kijönni amilyen stab IC van benne. A bemenő fesz min 2-3V-al legyen nagyobb a kijövőnél.Ha a stab IC helyére LM 317-et teszel be akkor szabályozjható is lesz a kimenő fesz.
Összedobtam ma egy kis tápegységet lm317-tel. Jól jön kisebb dolgokat feléleszteni.
Elég minire sikeredett, de nekem tetszik ![]() uli
Elég jó lett, nekem is tetszenek ezek a 'mini' dolgok. Régebben nekem ilyen kis tápok voltak a gyakorlóáramköreim. Többek között ilyen tápegységnek csináltam az első vasalt nyákomat is!
Én régen teljesítménynövelés céljából tranyót is raktam bele!
Szia! Régebben én is összehoztam egy hasonlót, bár én lm350-et használtam.
Pár kép róla:
Nagyon szép és igényes szerelés!
Köszönöm!
Én 2éve csináltam... Ezzel kezdődött az elektromos "pályafutásom"
Azóta szubminiatűr paneleket gyártasz már?
A dobozolással mindig is gondjaim voltak, és lesznek is. Azt valahogy sosem tudom esztétikusan megcsinálni. De most megpróbálom. Kössz
![]() aderka: Ez tök jól néz ki! DE mi az a kis IC a panelon? A V/A mérő miatt van rajta? Esetleg publikus a rajz? banyaiakos: Nafene, ez még kisebb mint az enyém... Mindkettőtök alkotása szép lett. (amúgy van egy rendes tápegységem is, LM 324essle épített, feszültséget és áramot is szabályoz. Azért nem azt használom, mert probléma akadt a bedobozolásnál, bepipultam, és elcsomagoltam inkább az egészet. Talán majd egyszer előveszem, és megcsinálom rendesen) uli
Az a kis IC szerintem az áramkorlát miatt van bent.
Az a része az áramkörnek, egy szimetrizáló rész.. A Rákapcsolt feszültséget felezi, és létrehoz egy GND pontot amihez képest tudod mérni (+)-ban ill.( - ) ban a feszültséget. EGyszerű müv erősítő és egy komplementer tranzisztor pár. Nálam ezek BD 441-442-esek.
üdv: Dávid
Helló! Látom a táppal egy akkut töltesz.Hol lehet ilyen akkut kapni. Gondolom valamilyen modellező oldalon. Nekem a fémkeresőmhöz kellene egy 12volt 1-2 Amper.
kösz a választ. nagy hoho
Szia! Ilyen akksi van most , de 1,5 kg! Ezt hurcolni egész nap amikor 50 mA a fogyasztás. Nekem elég lenne 1000 mA-es is, az is 20 órát bír.
Helló! Sajnos nem jó , minimum 12 volt kell a 11,1 voltos Li-po sem jó.
|
Bejelentkezés
Hirdetés |










? 











