Fórum témák
» Több friss téma |
- Ez a felület kizárólag, az elektronikában kezdők kérdéseinek van fenntartva és nem elfelejtve, hogy hobbielektronika a fórumunk!
- Ami tehát azt jelenti, hogy a nagymama bevásárlását nem itt beszéljük meg, ill. ez nem üzenőfal! - Kerülendő az olyan kérdés, amit egy másik meglévő (több mint 17000 van), témában kellene kitárgyalni! - És végül büntetés terhe mellett kerülendő az MSN és egyéb szleng, a magyar helyesírás mellőzése, beleértve a mondateleji nagybetűket is!
Helló! Egyszer próbáld ki a 10 %-os háztartási sósav (350.-Ft / liter) és a hidrogén peroxid (fodrászkellék üzlet 380.- Ft /liter) 10:1 keverékét. És nagy ívben eldobod a vaskloridot.
Sziasztok!
Az érdekelne, hogy van-e olyan relé ami úgy működik, hogy egy impulzus hatására behúz, úgy marad és csak a következő impulzus hatására enged el. Ilyenre lenne szükségem. Van ilyen? Ha igen akkor mi a neve, hogy kérjem a boltban? Hol kapható?
Köszönöm a választ.
Egy másik témában a véleményetekre lennék kíváncsi. Egy TDA2030-ra épülő erősítő kapcsolási rajza alapján terveztem a lenti nyákot.Működik is,azonban arra lennék kíváncsi,hogy Ti mit módosítanátok rajta.
Sziasztok!
Ha egy tranzisztort szimpla kapcsolóként használok (12 V, 5.9 A), akkor a collektor elé, vagy az emitter után kell tegyek ellenállást? Közvetlen akkumulátorról menne az áram a tranzisztoron át egy gyújtótranszformátorra. A bázis elé tartozó ellenállást pedig a bétából ki tudom számolni? (x Béta = 5.9/Ib -> ebből pedig ellenállás)
Hello!
Nem volt szándékomban , hogy átverjek valakit is . Köszönöm a segítségeteket mindkettőtöknek! Nagyon sokat segítettetek.
Esetleg FET?
A relé szerintem elég lassú, nameg mechanikus... Hacsak nem solid state
Előgyújtás vezérlő lesz, minél gyorsabb, annál hatékonyabb, mert a gyors árammegszakítás erősebb szikrát eredményez. Egy bipoláris tranyó is us alatt kapcsol, a relé pedig milisecundum alatt. Itt nagyon is számít
![]() De akkor még a kérdés, FETnél ugyanaz van, mint bipoláris tranyónál? Ellenállások szempontjából... Itt nincs még tapasztalatom. Köszi a választ
A relét már csak a pergése miatt se lehetne ilyen helyen alkalmazni. Vagy tévedek?
Az IC-t a nyák egyik oldalára tenném ( háttal kifelé ), hogy nagy hűtőbordát is tudj rászerelni. (( A többi részt nem néztem. ))
Nem,nem,félreértettél.Nem nyákra van szükségem,hanem hogy amit én terveztem,azon mit módosítanátok hogy jobb,kisebb helyigényű,usw... legyen.
Szóval a fejlesztő kritikára lennék kíváncsi. A topicot ismerem,ott kértem már segítséget.
Van egy Hitachi Erősítőm, aminek az egyik fele nem dolgozik(Zúg,brummog). Megmértem, és azon az oldalon, amelyik nem dolgozik, EGYENFESZÜLTSÉG VAN. Ilyenkor mi a teendő??? Kérem segítsetek, Üdv.
Szia!
Egyszerű a megoldás ki kell cserélni azt az oldali STK025- s IC-t. Már ha tudsz szerezi mert néztem egy pár helyen, de nem találtam, ha nem tudsz 025-t szerezni akkor a 029-s is jó, de én azt sem találtam de lehet hogy nagyobb esélyed van rá hogy még van valahol raktáron.
Sziasztok!
Szert tettem sok alkatrészre (kondi, tranyó, IC) a legtöbbjük orosz alkatrész, és van köztük, sok olyan kerámia kondi, amire azvan írva hogy 100nZ. ez 100nF-es lenne? meg olyan fólia is van sok hogy 5900F. ezek milyenek lennének? És van vagy 5 olyan végtranyó benne, hogy KT837. eről tudtok valamit, hogy mire lehetne felhasználni? Köszi!
Sziasztok!
Olyan problémám lenne, hogy láttam régebben itt az oldalon, hogy valaki elkészített egy függvény generátort max038-as ic-vel, szerintem a ki mit épített topicban láttam. A doboz oldalán is voltak potméterek, ez megragadt bennem, de most sehol nem találom, ennek a generátornak kellene a kapcsolási rajza. Ha valaki emlékszik rá, hogy hol található és belinkelné azt nagyon megköszönném!
Sziasztok!
elkészítettem az 500 wattos invertert és akksiról nem megy! Akksitöltőről pedig igen, de ez kevés mert a töltőm 4 amperes és 18 kellene.Mi lehet a baja?
Sziasztok!
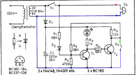
A segítségetekre/ötleteitekre lenne szükségem. Olyan csengőt szeretnék építeni,amit ha megnyomnak ,,A'' pontban(kapu),akkor egyrészt szóljon a hangszóró ,,B'' & ,,C'' pontban,továbbá a csengetéskor világítson egy led a kapunál,ami akkor aludjon ki,ha megnyomom a ,,B'' ill. ,,C'' pontban lévő nyomógombok valamelyikét.( az ötletet az 1,2,3-as kép ábrázolja) -Megvan mind a hangot előállító,mind a visszajelzést megoldó kapcsolás(ld. 4-es kép). -Nem szeretnék vezeték nélküli technikát alkalmazni! -Azért kérem a segítségeteket,mert nem szeretnék ehhez a projekthez felhasználni(a kép alapján) 240 m vezetéket. Kérdéseim: -Lehetséges e az,hogy az ,,A'' és ,,C'' pont közötti nulla-vezető segítségével lecsökkentsem a szükséges vezeték hosszát? -Létezik e valamilyen megoldás arra hogy kevesebb( <100 m) vezetékből meg tudjam csinálni a rendszert? Válaszaitokat előre is köszönöm.>
Hello!
Ha ragaszkodsz a jelenlegi elképzelésedhez, akkor is elegendő 3db vezeték. Csak a G2 nyomógombbal nem az R6 áramát kell bontani, hanem a T2 tranyó kollektor-emitterét rövidrezárni. Ebben az esetben a csengőnek és a nyomógombnak egy közös vezetéke van. (És ez akár a nullvezető is lehetne, bár nem szép.) Viszont akkor G2 nyitó nyomógomb helyett záró kell. üdv! proli007
Így gondoltad?Be tudnád jelölni hogy hova kössem a hangszórókat,és a nyomógombokat?
Javíts ki ha tévedek,de én így értettem amit mondtál (ld.6-os kép)
Egy kicsit bezavar hogy reduktoros megoldás van,én nem reduktorral szeretném.
A képen remélem jól jelöltem mindent. Ha igen,akkor még mindig nem értem hogyan lesz 3 vezeték.
Azt hiszem már értem hogy hogyan lesz a 3 vezeték( a színek jelölik).De ez csak egy helyiség.Ha máshová is szeretném akkor plusz 3 vezeték kell(ha nem tévedek) és az már 6 vezeték összesen.
Hello!
Bocs, közben lerajzoltam (amúgy jól érted). Viszont mind a két hangszórós helyre, a kaputól három vezeték kell, amiből egy lehet, maga a nullvezető is. (piros-zöld-kék és a kék a nullvezető. Mind két hármas szál a kaputól indul, vagy akár fel is fűzheted, ha úgy értelmesebb a nyomvonal vezetése. üdv! proli007
Üdv!
Az lenne a kérdésem hogy a rajzon a 13-as lábat hova kell kötni? Köszi a válaszokat.
üdv!
elkészítettem az 500 wattos invertert és akksiról nem megy! Akksitöltőről pedig igen, de ez kevés mert a töltőm 4 amperes és 18 kellene, ez érthető is.Nem mértem semmit. Szkópom nincs. Az akkutöltő feszültsége 15volt 4 amper. Mikor bkapssolom akkor evvel a nény amperrel halványan ég az égő(220v 60w) De mikor akksira kötöm, akkor csak úgy jó ha ki-be kapcsolgatom de, igy sem ég teljesen jól! Ha nem, kapcsolgatom hanem csak ráfogom az akksira a kábelt kb 5másodpercen belül beleégne a kezembe! Rövidzár nincs mert mértem multiméterrel.Ja, és még annyi hogy az akksi nem kocsiban van! Igy is szeretném használni. A 4 amperrel a kimeneti fesz 50v Hoztam a havertól jobb toltőt az 15v 8A azzal 97v a kimeneti fesz! De én nem töltőről akarom használni. Szerinted mi lehet? Átnéztem már mindent, és passzol. Ebbe a 13-as lábba bíztam még... És ha a 47ks ekkenállás helyére teszek egy potit?(R1) |
Bejelentkezés
Hirdetés |





A relé szerintem elég lassú, nameg mechanikus... Hacsak nem solid state















Köszi a válaszokat. 





