Fórum témák
» Több friss téma |
Fórum » Hangváltók (készítése)
A mértékegységeket a mérőszámtól szóköz választja el. A személynevekből képzett mértékegységek (Volt, Ohm, Amper, stb.) nagybetűvel írandók!
ziasztok nekem lenne egy problémám össze akarok rakni 1 hangfalat de a mélynyomót maxig fel tudom csavarni de a magasat meg a középet ha arra a vezetékre kötöm amire a mélyet akkor nem tudom felcsavarni a feléig sem mert akkor a magas és a közép már nem bírja de én azt szeretném elérni hogy ha maxra csavarom a hangerőt akkor mindegyik maxon szóljon. tudom hogy ezt valamilyen ellenállással kellene megcsinálni de milyennel?
Sziasztok!
Akkor számomra már nem tudtok valamit kitalálni? Ha nem akkor mondjátok meg, és nem várok tovább, veszek egy univerzális hangváltót, a mostani helyzeten csak javítani tud.
Üdvözlök mindenkit! Az alább jellemzett erősítőhöz és 2 szubládához szeretnék vásárolni magas és középsugárzókat valamint hozzájuk való hangváltókat. Nem készíteni akarok, hanem vásárolni, de nem tudom, hogy milyen paraméterekkel rendelkező hangszórókat és hangváltókat keressek.
Szubláda adatai: Lynx Toxic (1hangszóró/láda). Hangszóró adatai: átmérő=15” 500 W (RMS): 250 W, 4 ohm, frekvencia átvitel: 35-1,5kHz közötti, Lengőtekercs: 2,5"; ládaméret: 52 x 42 x 34 x 28 cm. Erősítő: Taatoo Nightline Pro 600, max. teljesítmény: 2 x 900 W, zenei: 2 x 300 W, impedancia: 4 - 16 Ω. A szubládában hangváltót beépítve nem találtam. Ehhez kérnék segítséget vagy tanácsot.
Annyi változás történt, hogy az erősítő nem a fent leírt, lenne mert az gyenge, hanem Omnitronic P-1000
• 1175 Watt • Max. Teljesítmény 2x582 Watt / 4Ohm • Stereo 2 Ohm sinus 2x680 Watt • Stereo 4 Ohm sinus 2x504 Watt • Stereo 8 Ohm sinus 2x245 Watt • 4 Ohm sinus teljesítmény 1x1010 Watt • 8 Ohm sinus teljesítmény 1x842 Watt • Frequenciatartomány 22-31.000 Hz A boltban amúgy azt mondták, hogy ekkora teljesítményekhez már nincs passzív hangváltó, hanem aktív kell hozzá, de ahhoz összesen 3 darab erősítőt kéne vennem. Vagyis a fenti erősítő kéne a két mély hanghoz, egy másik kellene a két középhez és kéne még egy harmadik a két magashoz. A magashoz való lehetne gyengébb erősítő is. Annyit viszont nem akarok beruházni, mert ennek darabja is elég drága. Nem tudom, hogy igaz vagy nem, de egyelőre várakozok jobb ötlet hiányában.Azt sem tudom, hogyan kéne a hangszórókat kötni. A hangszóróknál max 8 ohmos csatornánkénti összkimenetre gondoltam, vagyis az erősítő max 2x245 wattos tartománnyal működne. Ehhez kéne valami jó ötlet, mert én nem igazán értek hozzá. Idézet: „Nem készíteni akarok, hanem vásárolni” Hát pedig megfelelő váltót vásárolni holtbiztos, hogy nem fogsz tudni.
Bocs, de nem tűnik egyértelműnek amit eddig írtál. Milyen rendszert akarsz építeni? Mit fogsz vele hangosítani? Ha az Omni P-1000-re esett a választásod, és nem akarsz crossovert, meg még közép és magasvégfokot venni, akkor vegyél hozzá 2 db jó nagy kompakt ládát, pl Reloop RSP-30 at, de inkább erősebbet, ha van rá keret
Nem írtam olyat, hogy nem akarok crossovert, ha az a keresztváltó magyarul. Nekem a boltban azt mondták, hogy ekkora teljesítményű passziv keresztváltó nem létezik csak aktív megoldás van és ahhoz mindhárom hangszórópárhoz (mély/közép/magas) külön erősítő kell. Ha mégis tudsz valahol passzív hangváltót, akkor írd meg hol keressem? Úgy tudom 2 passzív hangváltóval (jobb/bal) és egy sztereó erősítővel meg lehetne hajtani a 2 szubládát és mindegyik szubládához egy-egy magas és közép hangszórókat.
A bökkenő ott van, hogy Venni nem tudsz ilyet, legfeljebb tervezni és készíteni lehet.
Egyébként a szubot tényleg egészségesebb aktív módon váltani, de a közép és magas között megteszi a passzív verzió is.
A szubokhoz mindenképpen vasmagos tekercset kéne csinálni és még úgy is jó nagy lenne. Ekkora teljesítménynél, minimum 1,6-os CuZ-ból kéne tekerni, hogy ne csak hővé alakuljon az a "drága" teljesítmény
Ilyen megoldással valóban rá lehet még akasztani a mélyközepet és a magasat, de a várható eredményhez nem fűznék nagy reményeket. Sokkal jobb lenne két végfokkal. Egy a mélyeknek aktív szubszűrővel a végfok előtt és egy kisebb végfok (2x150W / 8 Ohm) a mélyközépnek és a magasnak, passzív váltóval. A boltban pedig, látván hogy tanácstalan vagy, igyekeznek olyan döntés felé terelni, hogy minél több pénzt otthagyj náluk :yes:
Ez már egész jól hangzik. Már kezd fogalmam lenni róla, de még egy kérdés lenne. A zene egy számítógép stereo kimenetéről (jack-dugó) jönne. Ezt gondolom el kellene osztani valahogy a két erősítőre. Ehhez kell valami eszköz vagy simán egy jackdugó elosztóval kétfelé oszthatom.
Itt találtam hangváltókat: http://www.giantsound.hu/crossoverek_hangvaltok.html Egy cx223-al használva és 2 db erősítővel is meg lehetne oldani? Mit javasolsz? Köszi az eddigi segítségedet.
Szia!
Csak véletlenül kerültem ide ehez a témához de láttam hogy ilyen hangládád van. Szart se ér, nekem is volt 2, el kellett adjam potom árért. 40W a max teljesítménye "mély" hangszórónak, és tényleng nagyon doboz hangzása van, és mondjuk azért hogy valahogy tudjam eladni üvegvattával kitöltöttem hogy ne kongjon a láda. A közép hangszórókat kicseréltem újakra de úgy is pocsék a hatás. Szerintem is mint valaki írta hagyd a fanébe me nincs velük mit, én ugyan ilyenekre költöttem pénzt és időt de alig némi változás. Ahoz képest hogy a dobozán 115W-ot ír s közbe csak 40 és ahoz képest hogy autó mélyláda semmit se ér. Dobd a sóba mert ilyen hitvány mélyláákat bárki bármikor tervez tudás nélkül, és ez messze nem sal meg hasonló hanem annál sokkal roszabb. Üdv. és csak jótanács hogy te is ne pazarolj annyi időt rá mint én mert fölösleg, maximum tömd ki te is üvegvattával és nehezen törödj bele (ha már pénzt adtál értük és ha ajándék akkor ne nézd a fogát) a hangerőbe és gyenge mély hangokba.
Köszi a választ, le is tettem a hangváltóbeszerzésről, a hangerejükkel nem volt bajom, a szobámban nem kell olyan hangosan bömböljön, csak mélyen szóljon, de ha mondjuk egy-egy új dobozt csinálnék nekik, mint mondjuk egy 5.1-es rendszer mélyládája, elérhetek azzal valamit?
Vagy ha nem, akkor kezdek pénzt gyűjteni egy másikra, ezeket pedig kirakom apum kocsijába.
Szerintem ha nem kerül pénzbe és van időd akkor kísérletezhetsz új láda építésével de csak akkor ha tényleng garast se kell rákölts mert saját káromon mondom hogy fölösleg minden egyes ft-ot ráadni. Én is az üvegvattával csak azt értem el hogy ne kongjon annyira de mélyebb hangzása nem lett. Szerintem ezeknek a hangszóróknak nincs elég kilengésük és nem olyan a kialakításuk mi igazán mély hangra képes pedig a neten is oda van besorolva, de azért összehasonlíthatod az autó, az 5.1 vagy bármilyen "igazi" mélyládával mert teljesen más a gangszóró felépítése ehez képest (nagyobb kilengés, nagyobb memrán, nagyobb mágnes, nagyobb mélység stb). Szóval ha ennél maradsz akkor csak ingyenes dolgokkal fejlezd szerintem
Üdv.
köszönöm, sokat segítettél, majd valamikor, ha lesz időm, csinálok egy új dobozt, addig kerítek valamilyen dobozterveket.
köszi még egyszer.
Sziasztok! Van két ilyen mnc magasom, és ezekhez kellene valami hozzájuk illő hangváltó. Ha valaki tudna adni valami kapcsolási rajzot annak örülnék. Köszi előre is! Üdv
Itt vannak kalkulátorok! Beírod a keresztezési frekit és kiadja az adatokat!>>>> KATT <<<<
Csak sajnos ez nem így működik! Ugyanis ezzel a hangszóró semmilyen tualjdonságát nem veszed figyelembe. Váltót tervezni NEM így kell.
Akkor most mi legyen?
Mintha te mondtad volna, hogy az mnc hsz-ek nem egyformák paraméterileg meg ilyenek.
Akkor nem tök mindegy, hogy hozzáméretez váltót vagy sem? Eddig nem volt váltó benne és ettől egy cafat kondenzátor is többet ér. De ha annyira segíteni akarsz neki akkor elő kell állni egy kész hangváltó tervel nem pedig azt írkálni, hogy mindenki javaslata xar. Én is tudom, hogy a hangváltót hangfalhoz hangszóróhoz kell méretezni de legalább próbálok neki segíteni.
Ha a jóhoz közelítő átvitelt szeretnél a közép/magas ládával elérni, akkor meg kéne mérni külön a magas és a közép hsz, szűrők nélküli átvitelét ahoz hogy meg lehessen határozni az optimális keresztfrekit és az érzékenységbeli különbséget a közép és a mély között. Ehez mérőmikrofon és megfelelő program (pl. Arta) valamint ennek ismerete szükséges. Ha nem tudod elvégezni ezeket a méréseket, akkor használd nyugodtan a kalkulátort és a tekercs számítót. Az eredmény nem fog annyira közelíteni a jóhoz, de a semminél jobb lesz és nőni fog a hangszórók túlélési esélye is.
Pont azért kell hozzá méretezni, mert nincs köztük két egyforma, és igen, nagyon nem mindegy, mi kerül a hangszóró elé, főleg akkor, ha ilyen minőségio szintű. Ugyanis egy jó váltóval lehet javítani a hangszóró hibáin, és nagyságrendekkel jobb eredményt lehet elérni mint egy hasraütött vagy tankönyvi váltóval.
Ha segíteni akarsz, akkor ne vezesd rosszfelé, én csak azt írom le, ami biztos, az pedig biztos, hogy a Whiteful féle számolós programok így használva semmit sem érnek. Egy kondenzátor, ilyen hangszóróhoz nem túl jó választás, kivéve, ha nagyon magasan, 10k körül vágod, de ezt már írtam a másik topikban is, mint ahogy azt is leírtam, hogy ezeknek a hszeknek kb. 5k fölötti tartomány az ideális működés szemnpontjából, és akkor van meg az ígért terhelhetőség is.
Idézet: „akkor használd nyugodtan a kalkulátort” Csak nem mindegy, hogyan használja, ugyanis ezek a netes számolóscriptek csak akkor működnek megfelelően, ha Te fejben hozzáadod a doboz + a hangszórók akusztikus, elektromos tulajdonságait. Idézet: „de a semminél jobb lesz” Ez sem biztos, mi van akkor, ha keresztezésnél épp ellenfázisban szólnak majd a hszek, és normális átvitel helyett lesz egy nagy luk.. kioltás azon a ponton. Vagy mi van akkor, ha a hangszórók impedanciamenete miatt szűrővel együtt drasztikusan leesik az impedancia értéke valamilyen frekvencián, és szépen megöli majd vele az erősítőt-hangszórót...
Hát igen...ezek benne vannak a pakliban. Impedanciamenet és átvitel mérés nélkül nehéz bármit is javasolni, de talán nem lehetetlen egy olyan megoldást találni neki, amit ő is meg tud valósítani és "üzemzavar" nélkül tudja majd használni a cuccát. A korábban ismertetett hangszórógyilkolásnál, szerintem bármilyen egyszerű megoldás is jobb lehet, ha csupán a puszta működés a cél.
Nem kell annyira minőségi cucc csak hogy ne szálljon el a magas az a legfontosabb, crossoverrel fentről tudok vágni a frekiből csak a közép meg a mély hangokat kellene levágni róla valamivel.
Előtte ezért kell megtudnunk amit csak lehet, a többi hangszóróról.
Hali!
Megmértem az egyik Eastech hangszóróm átvitelét, a 10 literes mérődobozomban. Szerinted érdemes kezdeni vele valamit? Ha igen akkor milyen dómot tudnál ajánlani hozzá? Sajnos 1,8kHz körül van egy szakadék.
Ha meg is szünteted a 100Hz-es kiemelést, 1,5k fölött akkor sem használható.
sziasztok
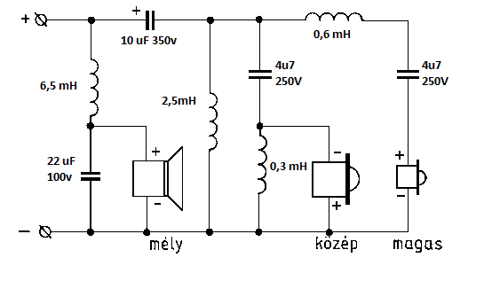
lenne egy kérdésem.. van egy hangváltóm ha jól emlékszem régen egy videoton vagy orion dobozbol szedtük ki régen hevert a szekrényben most használni szeretném, nem nagyon értek hozzá hogy mi mit csinál, a panelon anyi van hogy HL 2819 R - 2 meg feliratozások.. készítettem róla egy kapcsolási rajzot, a tekercsk méretét a panelfelirat alapján írtam be, nem tudom az van e benne. nem próbáltam ki lehet hogy a magas meg a közép felcsréltem. aki jobban ért hozzá az nézzen már rá és mondja hogy használható vagy nem?? és esetleg valami adatot lehet e tudni róla.. elég komolynak néz ki. aki tudja ezeket számolni vagy hasonló... a rajz neve nem mérvadó!! Sniper
Simán használható szerintem. A kondikat érdemes kicserélni ugyanolyanra, csak újra, mert idő közben kiszáradnak. A tekercsnek nem lehet baja. Üdv!
Használható, csak nem fogsz olyan hangszórókat találni, amihez jó is lesz. :-| Már az eredetiekhez sem volt jó.
A váltót nem egészen jól rajzoltad, közép és magas felcserél, és a magas szűrőjének bemenete nem a kondi × tekercs után van. Egyébként orionnál követték el. |
Bejelentkezés
Hirdetés |




Üdv.




