Fórum témák
» Több friss téma |
Mielőtt kérdezel, a következő két dolgot ellenőrizd!
I. A helyes tápfeszültségek megléte.
II. A kimeneten van-e egyenfeszültség.
Élesztés.
Szerintem neked ideális lenne egy tda1558q, a megfelelő körítéssel, vagyis nagyon jó minőségű bemenő kondikkal, pl. 2.2µF wima mkt és nagyon jó minőségű pufferkondival, pl. 10000µF/25V/105C yageo v. teapo. A tápba nagyáramú schottky diódák. Jó csatlakozók és jó poti, és minél rövidebb belső kábelezés, minél kisebb méret. Ja még kell az ic lábaihoz minél közelebb egy 100nF kerámiakondi. Ez az ic olcsó és nagyon jó. A specifikációja miatt le szokták szólni, de hallgatva nagyon jó. Sok audiofil használja. De a nagyon jó minőségű alkatrészek kellenek hozzá. Vagy persze a tesói, tda1554q, tda1552q, stb.
Hali! A kondik közül, szerintem a wima MKT-k, sőt úgy általában a wimák, nem szólnak túl jól. Még a manapság sok helyen kapható arcotronics (szürke) MKP kondik is tettenérhető minőségbeli különbséget produkálnak. Nekem az ERO MKP kondik jönnek be leginkább, olyannyira, hogy gyűjtöm is őket. Tápegységbe (ha 50Hz-es-trafós) nem indokolt gyors diódákat rakni, viszont nincs kizárva hogy a Low ESR kondik jobbak valamivel a "sima" társaiknál. Ezek közül a Nichicon, Nippon, Hitano és talán még a Shamwa képviselnek jó minőséget, elérhető áron. Egy erősítő minőségét maga a nyák is nagyban befolyásolja, már a tervezéskor figyelembe kell venni bizonyos "audiofil" irányelveket, ha tényleg valami jóra törekszünk.
Idézet: „már a tervezéskor figyelembe kell venni bizonyos "audiofil" irányelveket, ha tényleg valami jóra törekszünk.” Ezek mik szerinted?
Nyilván vannak jobb kondik is, csak itt debrecenben igen szegényes a választék, én már ezeknek is örülök, mert itt ez a max. A schottky állítólag nem generál tranzienst fázisátmenetnél mint a sima diódák. Valahol láttam is erről mérést.
Hát igen... a vidéki kiskereskedésekben sajnos ez az általános helyzet. Ezért is célszerű áttérni az internetes vásárlásra
Ezt a dióda által generált tranzienst ki is lehet mutatni? Látható pl oszcilloszkópon? Ez mikor jelentkezik, terheléskor? Tudsz erről küldeni valami bővebb infót, linket, bármit?
Na azért nem kell megilyedni, ha csak normál kondikkal rakod össze akkor is ugyan úgy jól fog szólni, csak ha 3x anyit költesz rá tudat alatt alapból jobnak hiszed és ezért már úgy is állítod be hogy ez mennyivel jobb mint az átlag kondi stb. A diódákból igyekezz tényleg jobbat venni. A hűtőbordát kellően nagyra méretezni, toroid táppal ezek lényeges különbségek, akár ezüstözött húzallal is kábelezheted ez nem nagy anyagi különbség de tényleg hasznos. Ja és a lényeg MP3 halgatáshoz meg pláne ne vegyél szuper kondit, és alkatrészeket mert a jelforrásod úgysem lesz olyan minőség hogy értelme legyen! De ha kllaszikust vagy akusztikus jazz-t halgatsz akkor bocs
Techno, House, Minimal, MP3-hoz digitális hangképszinezéssel még a leg sz... erősítő is szépen fog szólni. És még nem is beszéltünk a hangfalról ami szintén nem elhanyagólható
Nem elég ha valami csupán áramkörileg stimmel. Vannak jól bevált és széles körben alkalmazott tervezési szempontok, melyek többségéhez még némi tudományos magyarázat is társul. Nem szívesen kezdenék felsorolásba, mivel nem volna időm a különféle érvek alátámasztásához szükséges gyüjtőmunkára, ezek nélkül pedig csak vitát szítana a hozzászólásom
Lehet hogy hasznos volna egy nyáktervezési szempontokat taglaló téma nyitása, ha még nincs ilyen, mert elnézegetve egy-két nyáktervnek csúfolt skiccet, néha bizony elképedve szerzek tudomást arról, hogy mennyire gyerekcipőben jár még ez a dolog.
Huh most jut eszembe hogy sokkal több gyártót "disztributort" is fel tudnák sorolni Yageo stb. a munkám kapcsán "minőség ellenőr" 40ezer féle elektronikai alkatrész teljes specifikációs ellenőrzése stb. NE HIGGYÜNK EL MINDENT. A misztikus alkatrészekről, és hatalmas + tudásukról füllel nem halható előnyökről.
Ez így van :yes: Ezért vagyok erősen szkeptikus a különféle, méregdrága, szenteltvízbe mártott, stb különleges technológiájú alkatrészekkel szemben. Az olcsó, kommersz alkatrészek között is meg lehet találni a jobb minőséget eredményező tipusokat, az minden esetre tény, hogy pl a kondik között figyelemre méltó különbségek vannak, audio felhasználás esetén. Ezek tulajdonságait csak tapasztalati úton lehet feltérképezni, sok próbálgatással, meghallgatással. Persze mások véleményére is érdemes adni, de ha a saját ígényeink kielégítése a cél, akkor az csak kiindulási alap lehet.
50 Hz-es tranziensek ellen sokszor a tápban olcsóbb diódák is megfelelnek, ha 2 db 10 - 47 nF-s kondenzátort köttök sorosan a greatz diódák váltoáramú bemenetei közé és a kondik találkozási pontját a diódahíd negatív kimenetére kell csatlakoztatni. Sok esetben gyakorlatilag ez a fogás hasznosabb mint a szűrő elektrolit kondenzátorok értékének többszörözése, nem is beszélve az eljárás olcsóságáról. Szerintem ez a módszer még gyors diódáknál is hozhat hasznot. Egyes végfok IC-knek nagyon jó a búgáselnyomása. Amennyiben ez nincs így akkor is sokat segít a dolgon ez az egyszerű ötlet.
Olyannyira, hogy nagyfrekis gerjedést is ez a módszer tud orvosolni egy IC-s végfoknál. Saját példa: amikor az IC a nagyfrekis gerjedéstől ketté robbant, majd a tápot módosítva (kis hidegítő kondikat betéve a 4 diódára, és a váltóra is 1) tök jó lett a csere IC-vel.
Ebben lehet valami :yes: Ki is próbálom, ártani biztosan nem fog.
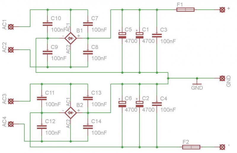
Tehát így kell? (az egyértelműség kedvéért )
Én így oldottam meg 100nF kondikkal:
Igen. Végülis a többi két diódával párhuzamosan kötött kondi is hasznos lehet. Porvasmagos 10 menetes tekercs is sokat segít a nagyfrekik távoltartásában ill. a gerjedés megakadályozásában.
Igen ez a megoldás ha jól megfigyeljük a profi gyári erősítőkből ki sem hagyják és bőven elég a 2x4700µF 2X50W vagy 2X100W-os végfokoknál is és 0 brumm vagy nagyfrekis zavar. A képen Class H+ minőségű végfoknak 2x5600µF elegendő de a tápnál minden dióda kondival is megtámogatva! Sőt a végfok IC lábánál közvetlen közel is van 100n.
Sziasztok! Tudna nekem valaki segíteni?Keresek egy kapcsolást a BD243Ahoz ha tud valaki kérem segítsen. Köszönöm.
üdv
Biztos tudunk segiteni,de mégis milyen kapcsolásra gondoltál?Ezzel a tranzisztorral sokmindent lehet ám kezdeni.
Szia! Az egyik ismerősöm megépítette és tökéletesen szól neki azóta is! Kissebb bulikat csinál vele!
Ütős kis cucc!!! Nem kell válogatni a feteket, de azért nagy eltérés se legyen köztük!Én a kis testvérét építettem meg ami 2 illetve 4 fetből áll! Az 200 W tud! Csatolom a fotót róla! És még van 2 panelem maratva hozzá.
Mennyi az anyagköltsége annak amit Te építettél?
Szia! Úgy látom a tiednek a nyákja az egészen más, talán egyedi tervezés? Nekem valószínű hogy a 10 fetes lesz a megfelelő, mivel 400W/8 Ohm -ot kell tudnia és alkalom adtán 4 Ohm -on is stabil kell hogy legyen. Milyen fetekkel csináltad? IRFP 450-ek helyett IRFP 240-es fetekkel szeretném csinálni, mert sokkal inkább erősítőbe valónak tartom és még olcsóbb is.
Sziasztok,
Ismét sikerült egy NYÁK-ot tervezni a méltán híres VIDEOTON 6383 S típusú erősítőjéhez .Egy kis segítségre lenne szükségem! Ugyan én átnéztem párszor, de hibákat mindenki követhet el és ezért kérlek Titeket, hogy valaki legyen kedves és nézze át nekem .A segítséget előre is köszönöm! Üdv: Zenner!
Szia! Így első ránézésre szerintem, a BD139/140 párt jó lett volna a bordára tervezni.
Sziasztok!
Ez a kapcsolás így helyes? A készülő mélynyomómnak lenne az egyenirányító része. Köszi
Jó csak miért 2 egyenírányító híd ven benne?
Egy GREATZ-el is ugyanez az eredmény.
Szia.
Ne vedd kritizálásnak de szerintem nem szükséges,mert az eredeti vidi modulokon is csak simán hűtés nélkül van beültetve.
Szia ,gondoltam rá én is de az eredeti nyákon sincs a bordára téve.
Engem inkább csak a huzalozás érdekel, hogy jó-e?
Ugyan, miért venném kritizálásnak
Szerintem jobbak azok a megoldások, ahol a meghajtók hőkontaktusban vannak a végekkel. A régi videoton erőlködőkben pedig van néhány egyedi megoldás, amit nem szívesen hoznék fel jó pédaként, de ha az eredeti modul, hű utánépítése a cél, akkor ezeket kell követni
(#495549) <--- erre valaki tudna választ adni?
Bár már látom, hogy a BD tranzisztor csak 100Volto visel el és +-60nál ez már 120Volt lenne. Ezért lehet csak maximum +-50V tápfeszről járatni?>
Be kéne linkelned azt a hozzászólást, mert így megtalálni...
|
Bejelentkezés
Hirdetés |




Ezt a dióda által generált tranzienst ki is lehet mutatni? Látható pl oszcilloszkópon? Ez mikor jelentkezik, terheléskor? Tudsz erről küldeni valami bővebb infót, linket, bármit?
Techno, House, Minimal, MP3-hoz digitális hangképszinezéssel még a leg sz... erősítő is szépen fog szólni. És még nem is beszéltünk a hangfalról ami szintén nem elhanyagólható













