Fórum témák
» Több friss téma |
Mielőtt kérdezel, a következő két dolgot ellenőrizd!
I. A helyes tápfeszültségek megléte.
II. A kimeneten van-e egyenfeszültség.
Élesztés.
Szia!
Ha lemész a táppal +-30V-ra jó lesz.
Ha fából van a doboz akkor tényleg értelmes dolog leföldelni
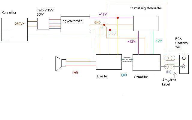
.Nem lesz jó ha így akarod bekötni! A "jel" nevű vezetéknek illik árnyékoltnak lenni, hacsak nem 2 centire rakod a panelokat egymástól. Ezeknek az árnyékolását mégis hová szándékoztad kötni?
A bemeneti jelföldet ne kösd a csillagpontba és a készülékházra (elö és hátlapra) sem. A Te esetedben a szubfilter testjére kell kötni, árnyékolt vezetékkel.
Szia!
Így már jó lesz?
Hát ez úgy hangzott, mint egy masszív ellenjavaslat... Hmm, mindegy, akkor porosodjanak itt tovább?
Szia!
Miért pont erősítőben akarod felhasználni, ráadásul háromból még egy sztereó erősítőt sem tudsz készíteni. Max 10-15W-ot tudsz belőle kivenni. A komplementer párja megvan?
Hát nem hiszem... bár lehet hogy kapizsgálod, de ez a rajz egy kicsit kaotikus. A szubról is árnyékolt kábellel kéne a végfokra vinni a jelet és a csillagpontba csak a végfok testjét bekötni. Szerintem a végfok tápágairól sem a legjobb ötlet levenni a szub tápját.
BD435
Egy BD435-BD436 párból 8ohm-ra 10W-ot ki lehet hozni egy kis kapcsolással.. BDX33C (STM) RoHS NPN-DARL-POWER+DIÓDA 100V 10A 70W 20MHz TO-220 48.00 Ft netto BDX34C (STM) RoHS PNP-DARL-POWER+DIÓDA 100V 10A 70W 20MHz TO-220 52.00 Ft netto (Lomex) Viszont ha ebből veszel kettőt-kettőt, már egy komoly erősítőt tudsz építeni. A 4 tranzisztor kb. 250Ft.
Bingó
Szia!
Próbáltam javítani, ahogy mondtad, de a szub tápjával kapcsolatban nem tudok jobbat. Honnan kéne levenni?
Sziasztok!
Nem tudom volt-e már, de ha még nem, akkor íme a Quad405 egyik megvalósítása, bepötyögve a TINA-ba elemzés céljára.
Milyen trafód van? Ha toroid, akkor tekerj rá külön szekundert a szubnak, vékony CuZ drótból. De úgy is életképes a dolog ahogy eltervezted.
Sajnos nem toroid, hanem hiperszil. Nemrég készíttettem hozzá a tekercseket.
Ha így életképes, ahogy a legutóbbi képen van, akkor így hagyom. Remélem jó lesz.
Szia!
Pl.: Bővebben: Link Itt a HE-n pedig: Bővebben: Link Ennél a tápot BDX tranzisztor esetén vedd le 2*30V körülire.
Most megint sikerült földhurkot betervezni!
Majd talán Bassmester elmondja hogy hová.
A hangsugárzóra menő testet is a csillagról vedd le ne a végfok panelről. A jelbemeneti RCA aljzatra is a csillagról vigyél testet. Az árnyékolóharisnyák egyik végét kösd csak testre. A csillagpont kiválasztása is lényeges szempont.
Jónak tűnik, de kivitelezéskor fontos hogy rövid kábelekkel kösd össze "közel legyenek egymáshoz a részegységek" kivéve a trafó ha nem torioid akkor kell egy kis távolság a mágneses szórás miatt.
A bemenőjelnél csak az egyik végét kösd be az árnyékolásnak, a földpotenciál eltérés miatt "földhurok" keletkezhet a jelforrás és az erősítő között ha mindkét végét bekötöd. Ne sajnáld a 100n hidegítő kondikat az egyenirányítóból és a stabilizátorból.
Ja igen köszi. Bizony korán van.
A rövid kábelek kimaradtak és aztis elnéztem hogy az RCA-tól olyan legyen az árnyékolt kábel hogy 2 szál+árnyékolás. Úgy már jó lesz.Csak összehozzuk bancsi15-nek ezt a huzalozást végre.
A limiter rajz egy nagy rakat nudli! De ha ennyire megakarod építeni akkor a te dolgod.
Áramkört nem akarok hozzá. A LED vezérlésére ott van a TDA diag kimenete. Mindenképp kéne valami mert nagyon hamar túlvezérlem, de készül már a nagy testvér, ott tui nem lesz ilyen probléma... (+-40Voltos VF2)
Amúgy miért nem jó? Torzítani vagy "huppogni" fog? Vagy lassú lenne a szabályzás? Nem értem, mivel olyan mintha a hangerő potit tekerném vissza egy picit.
Szasztok!
Szükségem lenne egy erősítő kapcsolásra ami legalább 2000W-t tud 8ohmos terhelés esetén és mindehez jó lenne a nyákrajz is. Előre is köszönöm a segítséget!
Szia!
Köszi a rajzot. Végre valami, ami működőképes lehet. Az alatt mit értesz, hogy az RCA-tól az árnyékolt kábel 2 szál+ árnyékolás? Úgy gondoltad, hogy ami a rajzon az RCA-k után két külön árnyékolt kábel az legyen egyben? Köszi
Piros jobb, fehér a bal csatorna (teljesen mindegy). A harmadik szál pedig mindenképp a GND. Én lomexbe vettem olcsón. Van fekete színü is. Azt nem láttam de drágább volt pár Ft-al. Egyébként ez van rá írva: "ALARM CABLE 2x0.22"
OK köszi szépen.
Már csak annyit, hogy az baj, ha olyan árnyékolt kábelt használok, ahol az árnyékoláson kívül 6 szál van benne, de nem használnék belőle csak kettőt az RCA csatlakozóknál( +GND) és egyet az erősítőnél( +GND)? Ilyen van itthon rengeteg.
Ez a megoldás amit te akarsz úgy jó! Arra gondoltam, hogy az áramkör egy felesleges agyonbonyolított valami.
A TDA már csak ilyen.
Hu ennek örülök. Már csak egy megfelelő fotoellenállást kéne találnom...
|
Bejelentkezés
Hirdetés |




.


A rövid kábelek kimaradtak és aztis elnéztem hogy az RCA-tól olyan legyen az árnyékolt kábel hogy 2 szál+árnyékolás. Úgy már jó lesz.





