Fórum témák
» Több friss téma |
Fórum » Kapcsolóüzemű táp autóba Hi-Fi-hez
Huuh nem figyeltem
A Q1,Q2 és a Diódák 1-6ig mindegyik kell? Epracer: Nemtudom. Ennyire nem mentem bele, csak elolvastam. bocs
Jaja kellenek de figyelj mert a d4...d6 azok SCHOTTKY diódák. és az R11 és R12 is odatartozik.
Sziasztok
Keresek valakit aki autós CD lejátszóimban (2db) kicserélné a háttérvilágítást (gondolom sok LED). Más szinre vágyom. msiwind@freemail.hu Köszi mindenkinek !!
Ha LCD-kijelzőről van szó azoknak beleintegrál háttérvilágítása van. Reménytelen.
Hm srácok! normális jelenség az,hogy egy 1cm2-es mag 50khz-en (ic 100khz-en) 3menettel üresjáratban langyosodik??? ez normális vagy túlgerjesztettem a magot? vagy esetleg nem ferrit a toroidmagom?
0,21T normális. Ha nem melegszik tovább nem kell vele foglalkozni.
Oksa! akkor nem foglalkozom vele csak langyos volt, én is 0.2T -nak számoltam azért gondoltam,hogy nem szabadna túlgerjesztve lennie.
Köszi cimó.
Hello
Annyit beszéltek itt erről a mic 4427 driverről, hogy ki kellene próbálnom. Érdekelne a különbség.
Hello!
Hát próbáld ki és nézd meg mi a különbség. bár ez csak 1.5A-os de van finomságnak TC4422A ez 9A-os. Erre lennék kíváncsi,hogy ezzel a 9A-os mosfet driverrel milyen lenne
Hát nézegettem ezt a MIC 4427 ic-t ,és nagyon tetszik, mert 4.5Vtól 18V-ig működik. Viszont a bajom, hogy felület szerelt. Akkor ha ezt használnám, akkor a 494-nél a panelt is át kellene tervezni, hogy az is smd-s legyen.
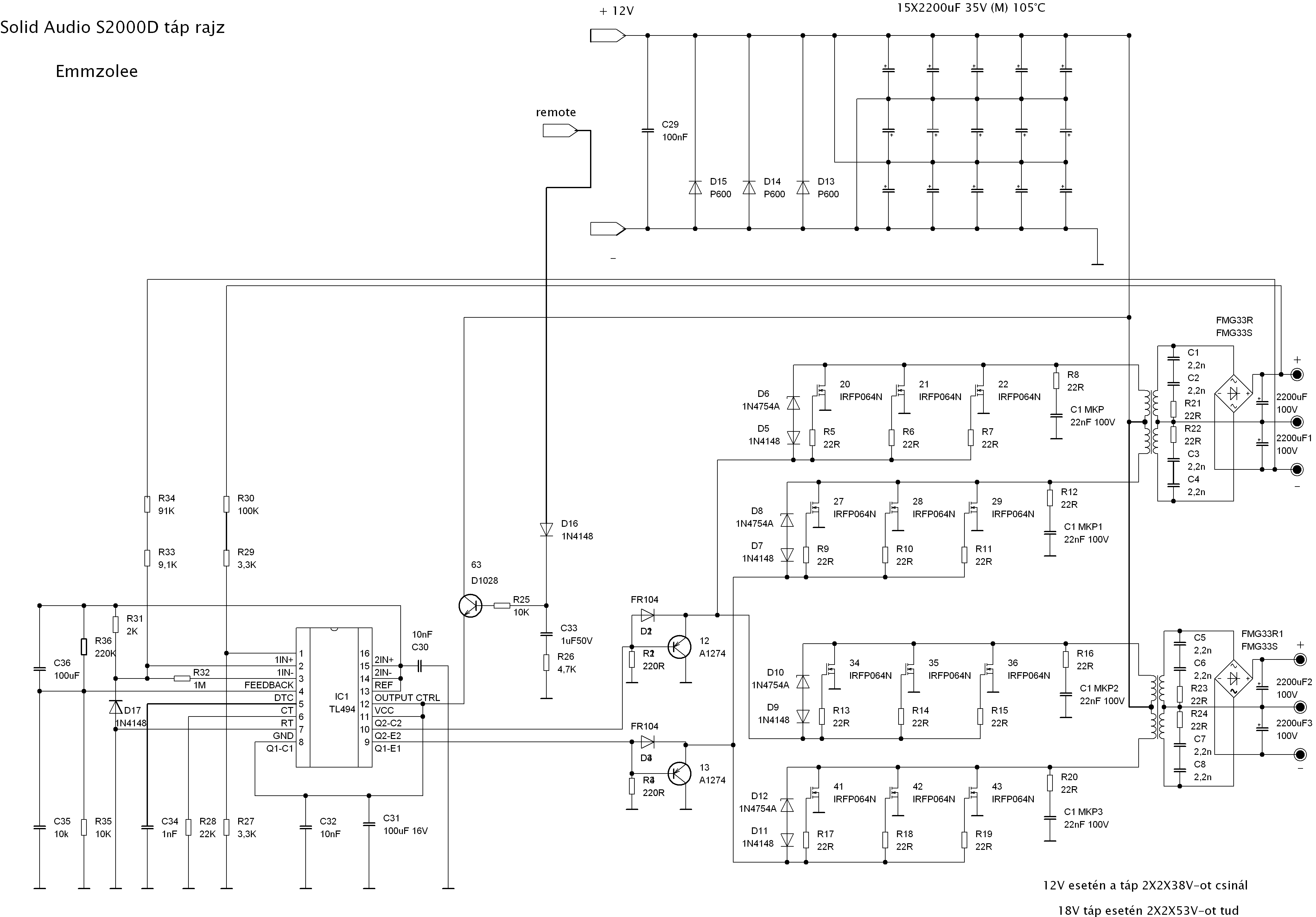
Ideáig tetszene is, de Nem lehet kapni sehol. Amit találtam az az IR 4427 Itt a linkje: http://www.lomex.hu/pdf/ir4427.pdf Ez mennyivel másabb? Szerintem amit írtál, hogy ez csak 1.5A-es, az szerintem nem baj. Azzal már meg lehet hajtani minimum két-két IRFP 064-et, vagy 3205-öt, bármekkora frekivel precízen. A TC4422 az más tészta nem? Annak a bemenetére csak egy négyszögjelet kell tenni, és a többit ő intézi? Azzal hány fetet lehet meghajtani? A TL 494 is tud faszán vezérelni mert vissza rajzoltam az S2000 autós erősítőmet (2000W), és abban 2X6 IRFP064-et vezérel. Pedig a TL494 csak 250mA-es driverrel van gyártva, és mégis. Akkor ez hogy van? Szúrok képeket a kapcsirajzról, és fényképet is. Itt a képtáram az erősítőről : http://s2000d.dbcup.fotoalbum.hu/ Nézd meg, nem pite. Katt a képre, és aztán mégegyszer. Aztán itt van a kapcsolási rajza
Hogy tetszik az S2000 tápja felépítés szempontból, vezérlés, snubber, szűrő, ilyesmi?? 56KHzen megy a táp tehát a félhidakon 28KHz
Hello!
Sztem az IR 4427 is tökéletes a feladatra. S2000 tápja eléggé vadnak tünik bár a meghajtás nem tünik túl durvának és azért az sem igaz,hogy a tl494 hajtja meg, azért ott van az a tranyó utánna ![]() Amúgy snubberhez nem szólok semmit mert annyira még én sem vagyok benne a témában, bár vezérlést elnézne nem nagyon különbözik a többitől. sztem egy sémára építenek kb... Max annyi,hogy az ilyen bikább tápokat telerakják fetettel meg kondival és egy disznó nagy toroidra rádolgozik és kész. Talán ennyi a titok na meg a precíz nyákkialakítás. Na ez itt a tudomány inkább... Ami még érdekes lenne,hogy mekkora a toroid mag ebbe a cucliban.
Na meg az egyszerű meghajtás betudható a viszonylag alacsony frekvenciának. Ami még a trafó szempontjából is jó, mert több menet kell mint mondjuk 40-50khz-en. Ezáltal nagyobb felületre szét lehet teríteni és így nagyobb felületet letakar a szekunder tekercsből>>frankó csatolás...
A TL494 után az a tranyó, az csak a fet erős lezárását intézi. nem vezérli
Hát igen az lehet a trükk, és nem is kell nagyobb freki, mert ez az erősítő csak 300Hz-ig visz át, és így ez a táp freki bőven bizarr hozzá .
Hogy mekkora a trafók magja? azt nem tudtam multkor se meg mérni, mert úgy tele vannak tekerve mint állat. Szerintem az Ae 200 és 250 mm2 körül lehet neki így ránézésre.
Valóban azért nem használ erős meghajtást mert alacsony a kapcsolófrekvencia. Ha 100kHz-en kellene mennie akkor eléggé megnövekedne a kapcsolási veszteség. Főként a kisütést gyorsították meg azzal a A1274-es tranzisztorral.
Viszont a kimeneten nem hiszem el hogy csak 2200u kondit raknának. Ez eléggé felelőtlen dolog. Idézet: „Hát igen az lehet a trükk, és nem is kell nagyobb freki, mert ez az erősítő csak 300Hz-ig visz át, és így ez a táp freki bőven bizarr hozzá .” Nem csak ezért kell nagy freki, hanem azért is mert dupla frekin dupla akkora teljesítmény átmegy ugyanazon a trafón.
Nem csak ezért kell nagy freki, hanem azért is mert dupla frekin dupla akkora teljesítmény átmegy ugyanazon a trafón.
Ez érdekes amit mondasz, hogy dupla akkora frekvencián 2x akkora teljesítmény átmegy mint amúgy. De ez csak azért mert kevesebb menet kell és lehet vastagabbat használni és felférsz. De ez lényegében nem úgy működik,hogy amig felférek a magra szükséges N-el meg keresztmetszettel addig átmegy a kivánt teljesítmény nem??? Ha meg így van akkor minek növeljem a frekit 100khz-ig. Mellesleg ha megnézek egy toroid magot aminek kb 3cm2 a területe arra 100khz-en (2x50) oda 0.2T -hoz 1menet kell. na azt ossza el az ember...
Irtad, hogy:
Idézet: „Viszont a kimeneten nem hiszem el hogy csak 2200u kondit raknának. Ez eléggé felelőtlen dolog.” Azért van még benne kondi, csak nem a táp végén, hanem a végfok fetjeinél. Mind a 24 db fetnél van még egy-egy 470 mikrós kondi id közvetlen a fetek tövében. Szúrok egy képet róla. végfokról kép Így már kerekebb a dolog.
Találtam régebben egy jófajta számolósegédletet a Skori weblapján.Ezzel egyszerűen lehet számolgatni a dolgokat.
Gondoltam érdekes lehet.http://www.skory.gylcomp.hu/egyeb/trafo_full_.xls Idézet: „De ez lényegében nem úgy működik,hogy amig felférek a magra szükséges N-el meg keresztmetszettel addig átmegy a kivánt teljesítmény nem???” Nem úgy! Az átvihető teljesítmény 4 dologtól függ. A frekvenciától, az max. indukciótól, a mag átmérőjétől (cm^2), és a tekercselési tényezőtől (ez a tekercselés módja, ide több minden tartozik) emzolee! A link az állítólagos képekről nekem nem jön be. Idézet: „A link az állítólagos képekről nekem nem jön be.” Úgy érted, nem teszik technikailag? Vagy nem jelenik meg a kép?
Szia!
Pedig működik,próbáld így :http://static.fotoalbum.hu/picturezoom/2008/11-15/dbcup/P1020067_105311.JPG Üdv!
akkor itt a kép kicsit lebutítva 800X600-ra
:yes:
Hm érdekes
Akkor vezessük le egy példán. A tekercselési módot most vegyük úgy,hogy minden esetben megoldható. Szval van egy 1cm2-es magom. meg van egy 2cm2-es. Elkezdek számolgatni. a kisebb magra feltekerek 3menetet így .0,2T a gerjesztésem 50khz-en. Huzalt olyan vastagra veszem,hogy 500W átmenjen rajta. mondjuk úgy 8mm2-es a primerem. Ezek szerint hiába méretezek minden ekkora teljesítményre nem fog átmenni rajta?? Míg fogom a nagyobb magom itt is 3menet lesz a primerem de itt már csak 25khz-en megy a táp gerjesztés szintén 0.2T. Primer ugyan úgy 8mm2. És ezen átfog menni akkor az 500W? És feltételezzük,hogy felfért a pri. meg a sec. is és jó csatolásban van. És a kisebb mag mégse viszi át? Akkor Elvileg egy mag mérete teljesítményt is szab? ÚGy tudtam csak az esetben van így,hogy ha nem férünk fel rá szükséges keresztmetszettel és menetszámmal de mondjuk ez általában sajnos be is jön..
Ahaa, most már oké.
Látom PWM végfok van benne. Ott az a lényeg hogy a tövébe legyen jó sok kapacítás. Subwoofer! Nagyon nehéz kiszámolni, mekkora teljesítmény megy át egy bizonyos magon megadott paramétereknél, de viszont tudunk viszonyítani. Pl 1cm^2-es magra 0,2T 50kHz kb 300W akkor 2cm^2-es magon 0,2T 25kHz nél 600W. Mivel a freki fele, de a középső felület 2x akkora és ez négyzetesen számít, tehát összességében 2x akkora teljesítmény megy át. A felférés vagy sem illetve a huzal vastagsága nem korlátoz semmit.(persze 5A-t ne akarjunk 1mm-s vezetéken vinni).
na igen így már egyértelmű.
Az meg a másik,hogy megfelelő keresztmetszetű vezeték. De ahogy elnézem ezt se szükséges betartani teljessen hiszen. ha azt nézem,hogy 5A/mm2 az ajánlott áramsűrűség és 0.5mm átmérőjű vezeték akkor pont 1A/szál. szval 600W-hoz 50szál kellene hivatalossan. Ahhoz képest Macimedve is írta,hogy neki a primer 10szál 0.5ös huzalból volt akkor az csak elvileg 10A lenne... Bár gondolom ez folyamatos terhelésre vonatkozna.. Nem igaz?
Pedig ha felfér a magra rézzel, akkor a átmegy rajta a teljesítmény. Persze lesz vas és rézveszteség, de ha ezekkel számolva is felfér, akkor bizony átmegy (nyitóüzemben).
Azért fértek fel szellősen a bazinagy torroidokra, mert kis feszültségekkel dolgoztok, így kis menetszámok adódnak. (nagyobb feszültségen nagyobb a menetszám, ugyanaz vagy nagyobb keresztmetszet(ugyanakkora rézveszteség ), és máris teli a mag! És nem megy át rajta a teljesítmény, csak mert nem fér el a réz (B-t növelve a menetszám csökken, de a vasveszteség nől) - tehát kicsi a mag). szóval kisebb B, és kisebb mag, és akkor talán nem marad csupaszon. Esetleg a vasveszteség oldalról lehetne megsaccolni mennyi teljesítmény mehet át a magon. Pl 5% vasveszteséget engedünk meg, akkor kiszámolható, hogy mennyi 100% betáplálandó, és a 95% kivehető energia is. (De akkor még mindig nem biztos, hogy a réz is elfér a magon X% rézveszteséggel)
Tényleg. Azt akartam is kérdezni, hogy ha csökkentjük a B-t, azaz növelem a menetszámot (mert bőven ráfér), akkor nem romlik a hatásfok? vagy nincs valami más ehhez hasolló gond?
A másik dolog, amit nem tudok, és amikor építettem a saját tápomat, akkor nem is szórakoztam vele, hogy kiderüljön. Szóval a trafó tervezésekor a primer tekercset úgy kell méretezni, hogy a primer tekercsre kerülő jel effektív értékét kell alapul venni? Van mondjuk egy nem szabályzott, dupla félhidas lehetőleg max. kitöltésú tápom 12 V-ról. Akkor a primer tekercsen mért effektív fesz. nem lesz több 5-6 V-nál. Akkor nem azzal kellene számolni trafó tervezéskor? A másik homály a fejemben hogy a primer tekercseket úgy kell méretezni a keresztmetszet szerint, hogy ha a szekunderen 500W kell mondjuk, akkor a két primer tekercs darabonként elbírja ezt az 500W-os terhelést?? Az én tápomról még nem derült ki, hogy mit bír, mert nem lett még jól megterhelve, de jó lenne egyszer kipróbálni, és lehet kiderülne, hogy jól alul méreteztem
Hm ezek valóban érdekes kérdések. Párra nekem is van ötletem,hogy mi lehet a válasz de inkább megvárom a nálam tapasztaltabbakat.
|
Bejelentkezés
Hirdetés |












