Fórum témák
» Több friss téma |
Mielőtt kérdezel, a következő két dolgot ellenőrizd!
I. A helyes tápfeszültségek megléte.
II. A kimeneten van-e egyenfeszültség.
Élesztés.
Ami viszont nem titok, az az hogy kellene bele 2sa1360 és 2sc3423. Sehol nem tudtam beszerezni eredetit. Mindenhol hamis van, vagy egyáltalán nincs is. Nekem van 5 pár eredeti, de az kevés. Kellene 100 pár legalább.
Valakinél esetleg van eladó toshiba 2sa1360 és 2sc3423?
Ha normál hangvételben akarsz a továbbiakban kommunikálni, akkor beszélj normális hangvételben.
Egyébként nem veled folytattam párbeszédet, csak CHZ-nek írtam és te közbeszóltál valamivel, aminek egyébként semmi köze a témához. (technics szervízkönyv az nyílvános,... a többi meg már ne is haragudj de gyerekes, stb, arról meg hogy felhasználná a konkurens 99%-ban biztos vagyok, mert már megtette egyszer, a levédetésről annyit, kalap sz.rt sem ér csak rentgeteg pénzt visz).
ja. Tehát akkor a táp 0-ját ne kössem az előerőjére
Ok nagyon köszönöm
Valakinél esetleg van eladó toshiba 2sa1360 és 2sc3423?
Eredeti toshiba kéne erősítőkhöz, akár 100 párat is megvennék...
Szia!
A 2sa1360-ből csak 44 darabot tudok , a 2sc3423-ből 11 darabot (áruk $0.59/db) és még csak két boltot néztem meg a neten, és eredetiek. Egyébként ennek az apróhirdetések között kellene lennie. Az első kérésedet is láttuk, nem kell 11 perc múlva újra megírni. Látom csak 5W-osak. Tudom, Darlington meg minden, de... Amúgy meg, ha ilyen nehezen beszerezhetőek az alkatrészek, akkor hogy akarsz ezekre alapozva sorozatgyártást? Azért a szervízalkatrész utánpótlásra is gondolni kell, meg arra is, hogy mi van, ha olyan nagy lesz a kereslet. Vagy csak limitált példányszámban lesz gyártva? (Ezt mint gépgyártás-technológus kérdem.) Idézet: „J-O-E -nek írtad: Egyébként nem veled folytattam párbeszédet, csak CHZ-nek írtam és te közbeszóltál valamivel” Ez egy beszélgetős fórum, és bárki közbeszólhat, kérdezhet. Letolsz minket ezért, s még tőlünk várod, hogy segítsünk az alkatrészek beszerzésében? Nem szép dolog. De az alkatrészek beszerzése nem a gyártó gondja lenne? Azért egy fotót, meg a mérési eredményekről tehetnél fel képeket. (Ezek alapján úgysem tudjuk utánépíteni )A hsz-em normális hangvételűnek szántam.
Nem ezekre akarok sorozatgyártást alapozni. Van egy kicsit régebbi verzió, egyenlőre az a stabil prototípus. Ez egészen friss. Ha sikerülne a hozzá való alkatrészeket beszerezni, akkor lehetne erre alapozni. Egyébként igen kis példányszámban lenne gyárva.
(Csak egy valakit toltam le és természetesen tőle nem várok ennek fejében segítséget...)
Sziasztok!
Annyira elszégyeltem magam, hogy én még nem hallottam Tripath IC-vel szerelt végfokot, de már mindenki hallott, sőt volt aki valami gyönyörűen meg is építette. Szóval Ebay és ma délelőtt a kezembe szoríthattam egy Lapei 2020-at. Mint egy szentséghez úgy nyúltam hozzá és ellenfélnek, az általam ismert legjobb hangú 12V-st választottam, a TDA 1554-et. Becsszavamra a lapei-t akartam jobbnak hallani, jó is volt és minden esetre valami nagyon más, nagyon "single"-s. Azután csak vakaróztam, valahogyan nem akart megjönni az Abba azóta sem hallott fantasztikus basszgitárja, Zorán egyedi orr-nazális hangképzése is más volt, és a mi legrosszabb, egyszerűen nem tudtam eldönteni, hogy mikor van a két hangszóró egymással fázisban és mikor nem. Na ez volt a pont, amikor bepöccintettem a szkóp-ot, azzal a gyanúval, hogy a dobozkába épített hangszínszabályozó potméterei olyan szokásásos jó kínaiak, ezért van, hogy nem fut együtt mélyben, ami magyarázat lehet a kósza fázisú mélyekre. Hát kérem nem! A tisztelt kínai mérnök csoda kiválóan észrevette a Carver óta irigyelt lehetőséget és megépítette a digitális erősítőt, azért, hogy azután elétegyen egy JRC 4885 -el épült kommersz lepkeszabályozót, ami olyan rosszul sikerült, hogy csak frekimenet méréssel sikerült az egyenes frekimenetet beállítanom, ami messze nem poti közép, vagy végállásában volt található. A mellékelt fényképen mutatom, hogy az én példányomon, hol volt a középállás. No vissza a tesztbe, mostmár van kemény középről jövő basszus a M.Jackson régi felvételén, Zorán is megtalálta utánozhatatlan orrhangját. Mégse jó, hiába akartam annak hallani! A magasak egyszerre fedettek és élesek, ilyet se írtam még le. Vissza a szkópra. Na, 10KHz-n nem is szinus, hanem roggyant sánta háromszögjel köszönt rám. Valami lesz itt, a Sony szökött mérnöke ilyet nem ad gyártásba! Ki a fenébe az egész hangszín szabályozóval, direktbe egy kondin keresztül begyaloglok a 2020-ba, és ha már ott vagyok csinálok néhány rutin mérést is. A vágáshatár oldalanként és félhidanként 11Vpp, na ez se 20W. Hanem a frekimenet döbbenetes, de figyelem, lezáratlanul emel 20KHz-n vagy 2,5 dB-t. A klipp nem valami szép, ( kép csatolva) és árulkodik egy minimum 30 dB-s hurokról, ennyit a vcs mentes technikáról. Mindegy, halljuk most. Folyt köv.
Egy kis design ötletadásra...
Ha már tripatholtok, akkor pobáljátok ki az MP7720-at.
Nagyon jó paraméterei vannak (jobb, mint a TA2020-nak), 3-400 Ft, teljesítménye kb azonos (max 20W/10%THD/4Ohm) de sokkal kisebb, (8 lábú smd tok, kb 1 katicabogár méretű). A hangjáról sok jót hallottam (állítólag csodálatos), nekem is van pár darab, igaz még nem építettem vele erősítőt, de egy javításnál mértem a jelalakátvitelét és az alapján marha jó kis kapcsolóüzemű analóg erősítőnek tűnik. LCD, meg plazma TV-kben használják hangvégfoknak, akár a TA2020-at, meg 2024-et.
Csak emlékeim vannak erről az IC-ről, hallani nem hallottam, én félnék ezt 2x20W RMS hajtani 4 ohmra 24V-ról. A 2020 is szagos lett, amikor ezt a terhelést rátettem és rajta tartottam egy percig.
Erre hogy lehet hűtést ráküzdeni??
Az nem kell rá, sokkal jobb a hatásfoka, mint a TA2020-nak.
Na teljesen biztos, hogy van egy hang, amit eddig nem hallottam.
Ez nem lehet más, mint az alattam lakó partvisának nyele és a födém erőteljes találkozása. Egy pár pillanatig el is érzékenyültem, hogy mekkora a basszus a "We will rock you"-n.
93%
Az ugye 2x20x0,07W amit el kell disszipálni neki rossz esetben. Az annyi mint, annyi - aha ez csak mono, akkor a fele, azaz 1,4W, na az se kevés egy ekkorka vacaknak. Én meg fogom hűteni, ha megcsinálom.
HUH
Szóval, hogy a végén kezdjem, könnyűzenére a TDA, szimfónikusokra a Tripath, nem ideértve Vangelist, Vollendweidert stb. A TDA lágyabb, hallgathatóbb, de szimfónikusokon ez már nyúlás. Részletező szóló énekhangot is tartalmazó zenén a digitális jobb, ez önmagában meglepő. Viszont a koherens, kifejezetten keménynek szánt beütések ( M.Jackson) jobbak az analógon. Pont fordítva, mint gondolná az ember. Ja az installáció: számítógépes "CD" hang, no nem MP3. Tanka féle hangszórókból épített brutálisan vastagfalú hangládák, harmadfokú Bessel váltóval. Monster összekötő és kommersz telefonkábelekből csinált hangszóró kábel.
Nem digitális erősítő, hanem analóg, csak kapcsolóüzemű.
Tehát legalább annyira analóg erősítő, mint a 10W-os JLH. Az igazi digitális végfokok elég vackok. A paramétereik is sokkal rosszabbak. Házimozi rendszerekben elterjedtek. 0,5% thd alá nem nagyon mennek le. A jó analóg PWM-ekben van visszacsatolás (analóg), a THD 0.01% alatt is lehet és a kimeneten akármilyen feszültség megjelenhet, nem pedig véges felbontású, mint a digitális erősítőknél.
Igazad lehet, mert a 2020 kimenő jelében a klippnél látszik, hogy van visszacsatolás.
Utána nézek, mert ez érdekel.
Tessék, lefirkantottam a legegyszerűbb és legelterjedtebb működési elvet. Az MP és a tripath is így működik.
Ha megnézed az MP7720 ajánlott kapcsolását azonnal látod, hogy ezt az egyszerű komparátorral csinált önrezgő kapcsolást valósítja meg. (tulajdonképpen egy 1Mhz-en rezgő astabil multivibrátor kapcsolás).
Nem érteni madzsar!
Ebben a rajzban nem látok modulációt. Nem lehet, hogy így működik? Nekem ez is digitális, nem csak a AD-DA, sőt valamikor építettem kb 20 éve egy impulsus delta modulációs erősítőt a BKV-nek, talán azt használják most is.
Aha, értem és ez elé még betettek egy műveleti erősítőt a 2020-ban.
Ez nem bonyolult, csináljunk 2000W-ost! Itt a Tripath
A második rajz a jó, csak kihagytam a pozitív visszacsatolást, ami ablakkomparátort csinál a komparátorból.
Ha 2000W-ost akarsz, van egy topic a D osztályról, ott vannak rajzok 2000W felett is....
OK, értem.
Most megyek eldőlök, joccakát urak!
KD mester ! Nem lehet véletlenül tőled vásárolni elkészített, beültetett b5 vagy b8 paneleket ? Mert én azt már nem tudom magamnak megcsinálni... Vagy valami más, régebbi, használt, fölös, de igen jó minőségű erősítő panelt ? Mert elkezdtem meghallani a meglévő erősítőim hibáit, és vágyom valami tényleg komolyra.
Szia!
Több 100 W-os erősítőket általában külön akksiról hajtják, amelyet közvetlen az erősítő közelében szoktak elhelyezni. Így nem kell kompromisszumot kötni az erősítő elhelyezését illetően. Ráadásul az a veszély sem fenyeget, hogy egy néhány órás zenehallgatás után nem indul a kocsi.
TA2020 sajnos csak 7W / 8 ohm és kb. 10W/4 ohm , méréseim szerint , felette már drasztikusan megnő a torzítása . TA2022 már izmosabb példány.
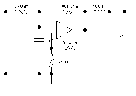
Hangját nagy mértékben meghatározza a kimeneti szűrő minősége . Elsőre 100uH gyári induktivitásokkal próbáltam , nem vált be , jött a kísérletezés és toroid magra sikerült megfelelő tekercset készíteni . Előkerestem a régi méréseket , 7V eff. / 8 ohm terhelésen .
Ez így vajon jól szóló erősítő lenne ? A teljesítmény-sávszélessége gondolom elég jó...
Sziasztok!
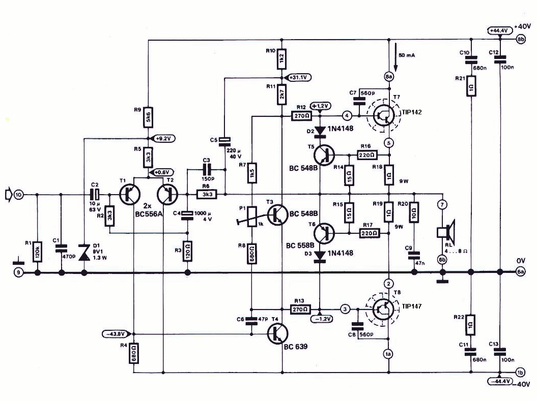
Ezt a végfokot szeretném megépiteni.80W-os HF erősítő darlington tranzisztorpárral .Bővebben: Link szubvégfoknak 2-db ra gondoltam hidba kötve ! Várom véleményeteket!
Kísérleteztem már ilyen, és ehhez hasonló kapcsolásokkal. A két sorba kötött dióda valóban a lehető legegyszerűbb megoldás, de nem feltétlen a legjobb. A helyére egy bc182-es, vagy hasonló tranzisztor, egy 2k körüli trimmerel szabályozva jobban megfelelne.
|
Bejelentkezés
Hirdetés |




)













