Fórum témák
» Több friss téma |
A gond az, hogy egy olyan programot, amit nem saját magunk írtunk, sokkal nehezebb megérteni, azaz könnyebb egy újat írni a saját logikánk szerint. Ha megvan az elv, (amit ismersz), már nem nehéz megírni a programot. Próbáld 4 LED-el először, és egyenként próbáld kezelni őket. Utána ezt tovább lehet fejleszteni. Így sokkal mélyebben marad meg a tudás, mint ha egy idegen programot akarnál megérteni.
Tökéletesen igazad van. Így fogok tenni.
Csak mivel már az elektronikát megcsináltam, szerettem volna, ha mielöbb "látványosan" működik. Nekiállok, és ledről ledre felépítem a kijelzést. Azért köszönöm! ...és persze, még jövök!
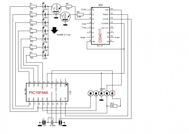
Tedd fel légyszi a rajzot, hátha tudok valami okosat mondani!
Tegyél 100nF-os tápszűrő kondenzátort a PIC táplábaihoz amilyen közel csak lehet, meg ugyanilyet a 7805 be és kimenetére is, szintén amilyen közel csak lehet a lábaihoz (teheted magára a lábakra).
ICSP-ről használom. Az IC-re tegyek akkor is??
A PIC-re akkor is kell. Az ICSP csatlakozóhoz is tennék egyet. A Q17..Q23 kollektora hová van kötve?
Melyik +tápra(rajzold be majd)? A 78L05 nem bír el ennyi LED-et(és az égetők zöme sem)!
A kondis tanácsot vedd komolyan, azok kötelezőek. Nem lehet elég sok kondit tenni egy panelre! Aranyszabály, a lehető legközelebb a lábakhoz! Most látom, hogy nincs áramkorlátozó elenállás a LED-ekkel sorba! Erre szükség lenne, mert ellenállás nélkül akármilyen rövid impulzust adsz ki, a LED-en végtelen áram alakul ki elvileg. Gyakorlatilag persze nem, de akár tönkre is mehetnek...
A 7805 kimenetére van kötve.
Az valóban forrósodott is rendesen. De jelenleg a Velleman égető ICSP-ről működik. Tökéletesen. Igaz, nem megy állandóan. A kondikat berakom mindenhová.
Sziasztok!
Ismét egy kis segítségre lenne szükségen. Csináltam egy próbapanelt, és az a problémám van vele, hogy ICSP-n keresztül nem tudom bevinni a programot. Mindig hibaüzenetet küld a PICprog. Viszont, ha égetővel beírom, akkor már fut a program a próbapanelen. Tudnátok segíteni, hogy hol lehet a hiba?
A hosszú vezetékek bekavarhatnak. Illetve, nem látom itt se a 100nF-os hidegítőt a PIC táplábán.
Szia!
A panelen rajta vannak a kondik. Az ICSP csatlakozóhoz is tettem közvetlenül, és a PIC-hez is. Az előző panelon is így csináltam, és az megy rendesen. Nem értem, hogy mi a bánat baja lehet.
Az egyik ICSP vezeték a LED-re is megy. Lehet hogy ez a baj. Nem más LED-ek vagy ellenállások vannak ezen a panelon, mint a másikon?
A tranzisztorok jól vannak bekötve? A bázis a földre? :no:
Tudom ez nem számít bele az égetésbe... Próbáld meg minél rövidebb kábelekkel+ árnyékolttal. Bár, amit már javasoltam még jobb megoldás lenne: konkrétan egy utánépített (esetleg gyári) PICKIT2.
De, mások a ledek és az ellenálások is, mivel más a kapcsolás.
De mindekettőnél az ICSP 5. lába rámegy a PIC 12. lábára (RB6/PGC).
Jajj! Bocs! Elcsesztem a rajzot!
De a panelon jó! Emitterek mennek a testre, bázisok a 2.2k-n keresztül a CD4017-re, és a collektorok a led közösre.
Próbáld meg lekötni a kérdéses LED-et!
Más: Idézet: „De, mások a ledek és az ellenálások is, mivel más a kapcsolás.” A "mivel" szóhasználat, azt jelenti, hogy nekem tudnom kéne, hogy milyen volt az előző kapcoslásod, ami én soha nem láttam. Ha nem ezt akartad kifejezni, akkor legközelebb ne használd ez a szóösszetételt! Köszi!
Kedves Watt!
Tőlem nagyon távol áll, hogy bárkit is megbántsak. Főleg tudatosan. Ha hozzászólásomból mégis ez érződne ki, akkor elnézésedet kérem! Lekötöttem a ledre menő vezetéket. Így most működik az égető! Köszönöm a segítséget mindkettőtöknek!
sziasztok
16F628 törlés esetén, visszaolvasás során a legelső kód " 07C0", a többi "3FFF" az minek lehet a hibája? A winpic 800 gond nélkül felismeri a PIC-et. Az égetőnek se lehet gondja, ugyanis egy másik tipusú pic-el az előbb próbáltam. üdv
Annyiba változott a helyzet, hogy mostmár föl se ismeri, tehát elszáll. Mivel nem akarok több PIC-et elszúrni, ezért mellékeltem a bekötését, valaki nézze meg legyen szíves, hogy tuti jó-e, mert már kezd kialakuni bennem egy pic-fóbia
Gondoltam, hogy nem úgy írod, de a szóhasználat ezt jelenti. Ezért jeleztem. De semmi gond, és remélem érted mi volt a szándékom! Üdv!
Szervusz!
Állítólag a 16f628 RB4/PGM lábát érdemes egy ellenállással alacsony szintre húzni programozás alatt, mivel az a kisfeszültségű programozáshoz szükséges bemenet és bezavarhat ha lebeg. Több égetőben (amelyekben foglalat van az égetendő PIC számára) benne is van ez az ellenállás. Üdv: P István
A feszültségek rendben vannak? (A bekötés jó).
Milyen módon állítod elő a tápfeszeket?
Szia
Ennek hiányától tönkre tud menni? Vagy beleszaladtam egy hibás termékbe? Ugyanis, most már föl se ismeri a pic-et a winpic800. Van még 2 ilyen IC-m, de biztosra akarok menni. A mellékelt átalakítás jó? üdv.
Szia
A 12/5 voltot egyaránt a PC tápjáról veszem le. Az előbb égettem 18F-t, az ment simán, így az égető hibáját kizárhatjuk, ha jól gondolom. Azt hiszem, ezt a PGM lehúzós dolgot kipróbálom, de csak holnap, mert 1-nél több picet nem akarok elcseszerinteni 1 nap. ![]() üdv
Szerintem jó, de 10 k Ohm körüli is elég.
Nem hiszem, hogy ettől tönkre menne, próbáltad ezzel a módosítással a rossznak vélt PIC-et? Ahogy watt is kérdezte, a feszültségek?
Lemértem voltmérővel a fesz. értékeket az 5 V az a valóságba 5,1 V úgyhogy oda megy egy dióda.
"próbáltad ezzel a módosítással a rossznak vélt PIC-et? " Igen, de úgy se megy. Holnap folytatom, addig is köszi a segítséget. Jó hétvégét! üdv
Akkor a Vpp kapcsoló dupla érintkezős, a Vdd szimpla? Ugye nem a PC tápot kapcsolgatod ki-be?
|
Bejelentkezés
Hirdetés |














