Fórum témák
» Több friss téma |
Mielőtt kérdezel, a következő két dolgot ellenőrizd!
I. A helyes tápfeszültségek megléte.
II. A kimeneten van-e egyenfeszültség.
Élesztés.
RCA-t általában bemenetként szokás használni és a rugósat a kimeneten, persze kinek ez kinek az. Sőt, ha nem 2x22W-ról lenne szó hanem nagyobb teljesítményről akkor inkább speakon. Gyors, stabil és egyben a "rövidzár védelmet is megoldja" ha véletlenül nem lenne az alkalmazott végfokban.
Az első amiért jobb nem alkalmazni nem kevered véletlenül össze a két csatlakozót, a másik hogy mechanikailag az RCA aljzat kisebb áramokra tervezték és ami még eltér az egyik axiális a másik párhuzamos kapcsolódási pont. Szerintem a hangfalhoz inkább erősebb "ramp" erővel bíró csatlakozót használj jobb csipeszes vagy menetes banán dugó pólusonként egy egy. És ami még egy iratlan szabály nem szokás a hangfal jelutat fordítgatni tengelyes aztán párhuzamos aztán a hangfalon feltételezem megint párhuzamos kábelen és csatlakozón jut el a hangszorókhoz. De ez csak az én meglátásom RCA-n is müködőképes.
Lehet hogy pofátlannak tűnök, de azért megkérdezem:
Van egy Onkyo TX-SV373 típusú rádió erősítőm amit már egyszer javítottak szervízben végfokhiba miatt. Most ugyanaz az oldal tönkre is ment. Végtranzisztor + a meghajtója kettérepedt, illetve egy olyan soros ellenállás tag égett meg (2W-os) amiből az egyik 0,1 a másik ellenállás pedig 47kOhm. Ennek mi értelme?! A kérdés pedig az lenne, hogy a 2SA, illetve 2SC tranzisztorok BD-kel helyettesíthetem-e. (az SA, SC kb 2000.-/db, aztán csak akkor tenném ezeket bele ha már biztosan jó az erősítő)
Elképzelhető, hogy a hangfaladdal is történt valami. Persze, az is lehet, hogy szakszerűtlen volt a javítás, de gyári állapotban sem bírta. Persze, az is lehetett banális meghibásodás. A félvezetők szoktak szétrepedni, még olyan is előfordul - kisjelű tranzisztornál - hogy csak a 3 láb áll ki a panelból. A BD-k határértékei valószínűleg alacsonyabbak (feszültségre), és sokkal lassúbbak is. Végtranzisztorok nélkül a legtöbb erősítő működik (persze, nem lehet terhelni), de ezt csak kapcsolási rajz alapján lehet eldönteni. Az ellenállások leégése természetes velejárója egy félvezetős erősítő tönkremenetelének, és szerintem sincs semmi értelme. (Erre e kérdésre csak válaszoltam, valójában nem is értettem.)
Az ellenállásokat én sem értem, azt már a szervizesek csinálták. BD-t csak ideiglenesen próbaként szeretném beletenni, mert ha az SA, SC ismét tönkremenne akkor szálanként szedném ki a hajamat. Elvileg az Uce értéke jó a BD-nek. A hangfalaknak nem lett bajuk, a védelme lekapcsolt az Onkyo-nak, másik erősítővel szólnak.
Próbáld bele, de ne terheld nagyon. 249C-250C-t legfeljebb. Kisebbet semmiképpen. Az emitter ellenállás nem lehetett 47k, azzal biztos nem működött volna.
Igen erre a két típusra gondoltam. Emitter ellenállásnak tized Ohm-okat szoktak tenni, attól meg hogy leég róla a bevonat nem fog több tíz KOhm-ra változni az értéke. Ezért nézek bután
Így van, tized Ohm -okat szoktak tenni, ha azt méred, hogy nem annyi, akkor csere azt is.
Sziasztok!
Köszi a válaszotokat, szóval most érdemesebb lenne ennél az erősítőnél nekem kicserélni? Árthat a hangfalnak, vagy romolhat a hangminőségen hogyha RCA-val van a kimenet? És hogyha ilyen csiptetőset teszek kimenetnek, akkor milyen banándugót érdemes hozzá venni? Jó a sima műanyag 80 ft-os csavaros banándugó? Vagy sima vezetékvég? Köszi !
Persze csak irányadó ötleteket próbáltunk adni. Egy egyszerű olcsó kivitelnél nem érdemes túlzásba vinni. Nem fog hibát okozni az RCA-s hangfalkimenet, bármilyen csatlakozó megfelel.
Nem akarok vitatkozni, de nekem azt tanították, hogy vezeték véget soha ne ónozzak. De ez csak az én véleményem. és még egyszer nem vitát akarok kiváltani!, viszont a véleményetekre kíváncsi lennék
Nekem is furcsa volt első hallásra. Azt mondták hogy pl a csokiban az ón idővel "megfolyik" ezáltal lazább lesz a kötés. Rugós csatlakozásnál mehet a dolog mivel ott folyamatos a szorítás a rugó miatt. Szennyvízátemelő telepnél cseréltem automatikát. Ott is forrasztva voltak a vezeték végek és úgy voltak bekötve a kapcsolókba. Ott szó szerint hozzá hegedt a vezeték a kapcsolóhoz. Azt mondta a mérnök aki megrendelte a kivitelezést, hogy ez egyértelműen az ónozott vezeték miatt van és az új kötéseket kizárólag érvég hüvelyezzük!
És ha már feljött ez a téma kíváncsi lennék hogy ki mit szól a dologhoz, még ha távol is áll a fórum témájától
Mindenesetre az elfogadott szabvány most az érvéghüvely. A forrasztással az is baj, hogy könnyebben törik. Járműveknél kifejezetten rossz a rezonancia miatt. Én a traktoron is már csak érvéghüvelyt használok azóta nincs széthullott kötés.
Akkor maradjunk az eredeti kérdésnél
WTC)Speakon az egyik legjobb csatlakozó. Az RCA pedig nem jó kimenetnek mer elég ha véletlen oda kötöd a cd lejátszót és annyi is lehet neki.
Zolikám, a jobb trakeszokban már van hangrendszer is.
De mért rakta be ezt a smile-t mikor én nem is raktam be?
Nem értem a kérdésed :nemtudom:
De hol használnak RCA-t kimenetnek?
Értem én! Csak nem sejtem
Nem egyre gondoltunk Ebben igazad van, hogy jobb ha le van forrasztva a vezeték vége. De sajnos sokat csalódtam ezekben a csiptetőkben. Általában nem bírt csak pár hónapot és széthullottak. Ezért jobb a banándugós mert azt rá lehet szorítani rendesen. Nem szokásom a kötekedés és nem is annak szántam! Ha úgy tűnt akkor elnézést érte.
Nemrég építettem ezt az erősítőt, nagyon szépen szólt. Viszont van még két ötletem, ezek vajon működnének ? Sorban a képek: az eredeti, aztán annak a buffer változata, végül az invertáló. Működnének ezek ?
Sziaszotk! Építettem egy 2x22W-os TDA1558q IC-s erősítőt, azt ami a Hobbielektronikán is megtalálható, és működik, csak az a gondom, hogy a két kimenet csak külön jó. tehát hogyha bekötök az egyik kimenetére egy hangsugárzót, akkor szépen szól, aztán a másikra kötöm akkor is jó, de hogyha mindkét kimenetre kötök 1-1 hangsugárzót akkor "durrog" a hangsugárzó, összevissza, és nagyon csúnyán adja ki a hangokat, még nagyon pici hangerőn is.
Ez mitől lehet? A trafó 12V~ 80W 2db 4700 µF-al pufferelve, meg egy 470nF-el szűrve még.Köszi előre is!
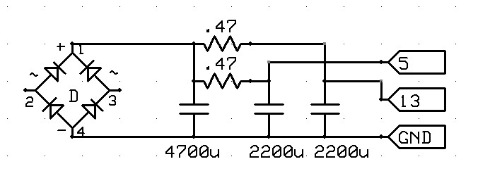
Szia! Életem folyamán mindössze egyetlen erősítőt építettem TDA IC-vel úgyhogy nincs sok tapasztalatom ilyen téren. Az IC adatlapját megnéztem, egyből feltűnt, hogy két tápfeszültség bemenete van. Szerintem nem hiába van ez így. A tápellátást valahogy így oldanám meg.
Szia!
Én eza rajz alapján építettem, és hogyha a tápot úgycsinálom ahogy mondtad, akkor működnie kell?
Lehet táp hiba, ha biztos hogy a kapcsolásnak megfelelő akkor lehet kicsi a tápod?!? Kondik a betápon "5-13" párhuzamosan vannak? Ha soros véletlenül akkor csinálhat ilyet...
Szia!
Mármint melyik kondik? A tápszűrők? A táp 80W az elég nem?
Vagy a 100nF, 2200uF? azok párhuzamosan. Akkor megpróbálom egy autóaksival holnap, és akkor kiderül hogy tápprobléma-e. És azzal a kapcsolással amit varttina készítetta táphoz, azzal is megpróbálom ,de akkor most szakítsam meg a 3-15 láb között a nyákot?
Hi! tudna valaki erősítő kábelezésében segíteni? Valami irodalom vagy rajz kellene. Nem tudom hogy milyen módon közösítsem a tápom közepét és a védő földet.
Kösz előre is.
Olvasd el az itt lévő B5-ös végfok cikket, abban találsz segítséget a problémádra.
Idézet: „Nem tudom hogy milyen módon közösítsem a tápom közepét és a védő földet. Kösz előre is.” Udv, Leginkabb sehogy ne kozositsd az erositod foldpontjat a halozati vedofolddel. Inkabb kettos szigetelest valassz mint eletvedelmi modot. Attol nem lesz jobb az erositod, hogy a vedofoldet osszekotod a jelfolddel! |
Bejelentkezés
Hirdetés |




WTC)










