Fórum témák

» Több friss téma
Fórum » Erősítő mindig és mindig
Mielőtt kérdezel, a következő két dolgot ellenőrizd! I. A helyes tápfeszültségek megléte. II. A kimeneten van-e egyenfeszültség. Élesztés.
Lapozás: OK   381 / 2567
(#) levaitamas válasza wtc hozzászólására (») Okt 12, 2009 /
 
RCA-t általában bemenetként szokás használni és a rugósat a kimeneten, persze kinek ez kinek az. Sőt, ha nem 2x22W-ról lenne szó hanem nagyobb teljesítményről akkor inkább speakon. Gyors, stabil és egyben a "rövidzár védelmet is megoldja" ha véletlenül nem lenne az alkalmazott végfokban.
(#) J-O-E válasza wtc hozzászólására (») Okt 12, 2009 /
 
Az első amiért jobb nem alkalmazni nem kevered véletlenül össze a két csatlakozót, a másik hogy mechanikailag az RCA aljzat kisebb áramokra tervezték és ami még eltér az egyik axiális a másik párhuzamos kapcsolódási pont. Szerintem a hangfalhoz inkább erősebb "ramp" erővel bíró csatlakozót használj jobb csipeszes vagy menetes banán dugó pólusonként egy egy. És ami még egy iratlan szabály nem szokás a hangfal jelutat fordítgatni tengelyes aztán párhuzamos aztán a hangfalon feltételezem megint párhuzamos kábelen és csatlakozón jut el a hangszorókhoz. De ez csak az én meglátásom RCA-n is müködőképes.
(#) levaitamas hozzászólása Okt 13, 2009 /
 
Lehet hogy pofátlannak tűnök, de azért megkérdezem:
Van egy Onkyo TX-SV373 típusú rádió erősítőm amit már egyszer javítottak szervízben végfokhiba miatt. Most ugyanaz az oldal tönkre is ment. Végtranzisztor + a meghajtója kettérepedt, illetve egy olyan soros ellenállás tag égett meg (2W-os) amiből az egyik 0,1 a másik ellenállás pedig 47kOhm. Ennek mi értelme?!
A kérdés pedig az lenne, hogy a 2SA, illetve 2SC tranzisztorok BD-kel helyettesíthetem-e. (az SA, SC kb 2000.-/db, aztán csak akkor tenném ezeket bele ha már biztosan jó az erősítő)
(#) Imi65 válasza levaitamas hozzászólására (») Okt 13, 2009 /
 
Elképzelhető, hogy a hangfaladdal is történt valami. Persze, az is lehet, hogy szakszerűtlen volt a javítás, de gyári állapotban sem bírta. Persze, az is lehetett banális meghibásodás. A félvezetők szoktak szétrepedni, még olyan is előfordul - kisjelű tranzisztornál - hogy csak a 3 láb áll ki a panelból. A BD-k határértékei valószínűleg alacsonyabbak (feszültségre), és sokkal lassúbbak is. Végtranzisztorok nélkül a legtöbb erősítő működik (persze, nem lehet terhelni), de ezt csak kapcsolási rajz alapján lehet eldönteni. Az ellenállások leégése természetes velejárója egy félvezetős erősítő tönkremenetelének, és szerintem sincs semmi értelme. (Erre e kérdésre csak válaszoltam, valójában nem is értettem.)
(#) levaitamas válasza Imi65 hozzászólására (») Okt 13, 2009 /
 
Az ellenállásokat én sem értem, azt már a szervizesek csinálták. BD-t csak ideiglenesen próbaként szeretném beletenni, mert ha az SA, SC ismét tönkremenne akkor szálanként szedném ki a hajamat. Elvileg az Uce értéke jó a BD-nek. A hangfalaknak nem lett bajuk, a védelme lekapcsolt az Onkyo-nak, másik erősítővel szólnak.
(#) Imi65 válasza levaitamas hozzászólására (») Okt 13, 2009 /
 
Próbáld bele, de ne terheld nagyon. 249C-250C-t legfeljebb. Kisebbet semmiképpen. Az emitter ellenállás nem lehetett 47k, azzal biztos nem működött volna.
(#) levaitamas válasza Imi65 hozzászólására (») Okt 13, 2009 /
 
Igen erre a két típusra gondoltam. Emitter ellenállásnak tized Ohm-okat szoktak tenni, attól meg hogy leég róla a bevonat nem fog több tíz KOhm-ra változni az értéke. Ezért nézek bután
(#) Imi65 válasza levaitamas hozzászólására (») Okt 13, 2009 /
 
Így van, tized Ohm -okat szoktak tenni, ha azt méred, hogy nem annyi, akkor csere azt is.
(#) wtc válasza J-O-E hozzászólására (») Okt 13, 2009 /
 
Sziasztok!
Köszi a válaszotokat, szóval most érdemesebb lenne ennél az erősítőnél nekem kicserélni? Árthat a hangfalnak, vagy romolhat a hangminőségen hogyha RCA-val van a kimenet?
És hogyha ilyen csiptetőset teszek kimenetnek, akkor milyen banándugót érdemes hozzá venni? Jó a sima műanyag 80 ft-os csavaros banándugó? Vagy sima vezetékvég?
Köszi !
(#) J-O-E válasza wtc hozzászólására (») Okt 14, 2009 /
 
Persze csak irányadó ötleteket próbáltunk adni. Egy egyszerű olcsó kivitelnél nem érdemes túlzásba vinni. Nem fog hibát okozni az RCA-s hangfalkimenet, bármilyen csatlakozó megfelel.
(#) levaitamas válasza (Felhasználó 13571) hozzászólására (») Okt 14, 2009 /
 
Nem akarok vitatkozni, de nekem azt tanították, hogy vezeték véget soha ne ónozzak. De ez csak az én véleményem. és még egyszer nem vitát akarok kiváltani!, viszont a véleményetekre kíváncsi lennék
(#) levaitamas válasza (Felhasználó 13571) hozzászólására (») Okt 14, 2009 /
 
Nekem is furcsa volt első hallásra. Azt mondták hogy pl a csokiban az ón idővel "megfolyik" ezáltal lazább lesz a kötés. Rugós csatlakozásnál mehet a dolog mivel ott folyamatos a szorítás a rugó miatt. Szennyvízátemelő telepnél cseréltem automatikát. Ott is forrasztva voltak a vezeték végek és úgy voltak bekötve a kapcsolókba. Ott szó szerint hozzá hegedt a vezeték a kapcsolóhoz. Azt mondta a mérnök aki megrendelte a kivitelezést, hogy ez egyértelműen az ónozott vezeték miatt van és az új kötéseket kizárólag érvég hüvelyezzük!
És ha már feljött ez a téma kíváncsi lennék hogy ki mit szól a dologhoz, még ha távol is áll a fórum témájától
(#) djgombi válasza levaitamas hozzászólására (») Okt 14, 2009 /
 
Mindenesetre az elfogadott szabvány most az érvéghüvely. A forrasztással az is baj, hogy könnyebben törik. Járműveknél kifejezetten rossz a rezonancia miatt. Én a traktoron is már csak érvéghüvelyt használok azóta nincs széthullott kötés.
(#) djgombi válasza (Felhasználó 13571) hozzászólására (») Okt 14, 2009 /
 
Akkor maradjunk az eredeti kérdésnélWTC)
Speakon az egyik legjobb csatlakozó. Az RCA pedig nem jó kimenetnek mer elég ha véletlen oda kötöd a cd lejátszót és annyi is lehet neki.
(#) Imi65 válasza (Felhasználó 13571) hozzászólására (») Okt 14, 2009 /
 
Zolikám, a jobb trakeszokban már van hangrendszer is.
(#) djgombi válasza djgombi hozzászólására (») Okt 14, 2009 /
 
De mért rakta be ezt a smile-t mikor én nem is raktam be?
(#) djgombi válasza Imi65 hozzászólására (») Okt 14, 2009 /
 
Nem is akármilyen van bennük
(#) djgombi válasza (Felhasználó 13571) hozzászólására (») Okt 14, 2009 /
 
Nem értem a kérdésed :nemtudom:
De hol használnak RCA-t kimenetnek?
(#) djgombi válasza (Felhasználó 13571) hozzászólására (») Okt 14, 2009 /
 
Értem én! Csak nem sejtem
Nem egyre gondoltunk
Ebben igazad van, hogy jobb ha le van forrasztva a vezeték vége. De sajnos sokat csalódtam ezekben a csiptetőkben. Általában nem bírt csak pár hónapot és széthullottak. Ezért jobb a banándugós mert azt rá lehet szorítani rendesen.
Nem szokásom a kötekedés és nem is annak szántam! Ha úgy tűnt akkor elnézést érte.
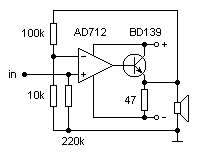
(#) Mayan hozzászólása Okt 14, 2009 /
 
Nemrég építettem ezt az erősítőt, nagyon szépen szólt. Viszont van még két ötletem, ezek vajon működnének ? Sorban a képek: az eredeti, aztán annak a buffer változata, végül az invertáló. Működnének ezek ?
(#) wtc hozzászólása Okt 14, 2009 /
 
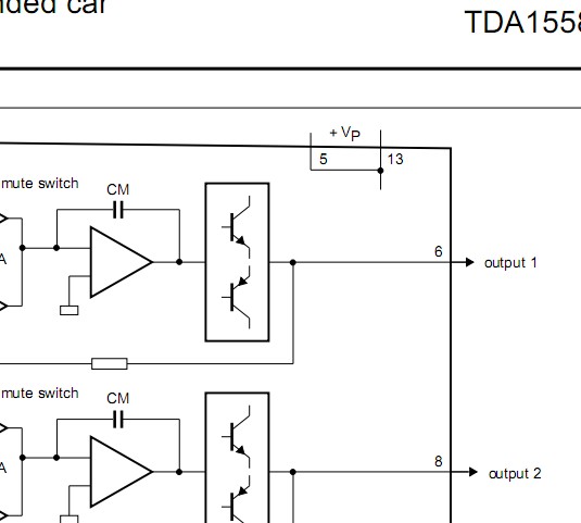
Sziaszotk! Építettem egy 2x22W-os TDA1558q IC-s erősítőt, azt ami a Hobbielektronikán is megtalálható, és működik, csak az a gondom, hogy a két kimenet csak külön jó. tehát hogyha bekötök az egyik kimenetére egy hangsugárzót, akkor szépen szól, aztán a másikra kötöm akkor is jó, de hogyha mindkét kimenetre kötök 1-1 hangsugárzót akkor "durrog" a hangsugárzó, összevissza, és nagyon csúnyán adja ki a hangokat, még nagyon pici hangerőn is. Ez mitől lehet? A trafó 12V~ 80W 2db 4700 µF-al pufferelve, meg egy 470nF-el szűrve még.
Köszi előre is!
(#) varttina válasza wtc hozzászólására (») Okt 14, 2009 /
 
Szia! Életem folyamán mindössze egyetlen erősítőt építettem TDA IC-vel úgyhogy nincs sok tapasztalatom ilyen téren. Az IC adatlapját megnéztem, egyből feltűnt, hogy két tápfeszültség bemenete van. Szerintem nem hiába van ez így. A tápellátást valahogy így oldanám meg.
(#) wtc válasza varttina hozzászólására (») Okt 14, 2009 /
 
Szia!
Én eza rajz alapján építettem, és hogyha a tápot úgycsinálom ahogy mondtad, akkor működnie kell?
(#) J-O-E válasza djgombi hozzászólására (») Okt 14, 2009 /
 
Ott a pont!
Még az előző témához...
(#) J-O-E válasza wtc hozzászólására (») Okt 14, 2009 /
 
Lehet táp hiba, ha biztos hogy a kapcsolásnak megfelelő akkor lehet kicsi a tápod?!? Kondik a betápon "5-13" párhuzamosan vannak? Ha soros véletlenül akkor csinálhat ilyet...
(#) wtc válasza J-O-E hozzászólására (») Okt 14, 2009 /
 
Szia!
Mármint melyik kondik? A tápszűrők?
A táp 80W az elég nem?
(#) wtc válasza wtc hozzászólására (») Okt 14, 2009 /
 
Vagy a 100nF, 2200uF? azok párhuzamosan. Akkor megpróbálom egy autóaksival holnap, és akkor kiderül hogy tápprobléma-e. És azzal a kapcsolással amit varttina készítetta táphoz, azzal is megpróbálom ,de akkor most szakítsam meg a 3-15 láb között a nyákot?
(#) frissadam hozzászólása Okt 15, 2009 /
 
Hi! tudna valaki erősítő kábelezésében segíteni? Valami irodalom vagy rajz kellene. Nem tudom hogy milyen módon közösítsem a tápom közepét és a védő földet.

Kösz előre is.
(#) hapro válasza frissadam hozzászólására (») Okt 15, 2009 /
 
Olvasd el az itt lévő B5-ös végfok cikket, abban találsz segítséget a problémádra.
(#) lamalas válasza frissadam hozzászólására (») Okt 15, 2009 /
 
Idézet:
„Nem tudom hogy milyen módon közösítsem a tápom közepét és a védő földet. Kösz előre is.”


Udv,
Leginkabb sehogy ne kozositsd az erositod foldpontjat a halozati vedofolddel. Inkabb kettos szigetelest valassz mint eletvedelmi modot. Attol nem lesz jobb az erositod, hogy a vedofoldet osszekotod a jelfolddel!
Következő: »»   381 / 2567
Bejelentkezés

Belépés

Hirdetés
XDT.hu
Az oldalon sütiket használunk a helyes működéshez. Bővebb információt az adatvédelmi szabályzatban olvashatsz. Megértettem