Fórum témák
» Több friss téma |
- Ez a felület kizárólag, az elektronikában kezdők kérdéseinek van fenntartva és nem elfelejtve, hogy hobbielektronika a fórumunk!
- Ami tehát azt jelenti, hogy a nagymama bevásárlását nem itt beszéljük meg, ill. ez nem üzenőfal! - Kerülendő az olyan kérdés, amit egy másik meglévő (több mint 17000 van), témában kellene kitárgyalni! - És végül büntetés terhe mellett kerülendő az MSN és egyéb szleng, a magyar helyesírás mellőzése, beleértve a mondateleji nagybetűket is!
de ez nem csak arról szól hanem a miértről
Hali
Van itt egy ilyen téma erről az miért nem jó? Bár nekem mindegy, de a modik szólni fognak ezért. Amúgy a graetz tényleg nem bonyolult, és egy egységként is kapható sok-sok változatban. Nem kell neked összerakni. Hoppá mire megírtam megelőztek. Most már mind1.
a kezdők ránéznek 1 nehéznek tűnő kapcsolásra de végül 1 egyszerű, azt gondolják hogy ez 1 nagyon bonyolult kapcsolás, de egyszerű ez azért van mert nem tudják hogy melyik jel mit jelent meg a kifejezéseket sem.
mellékelek nekte jeleket
igazad van termi de ezek nem a kérdések hanem a válaszok kérdések nélkül ezért remélem megért a modi
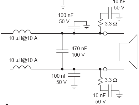
1 egyszerű megafon kapcsrajz
Ez így sokkal kisebb, és nincs körülötte felesleges fehér rész! Ha képet csatolsz, kérlek, figyelj arra, hogy minél kompaktabb legyen, mert a tárhely véges! Köszönöm! Moderator
Hali!!
Segítségeteket kérem!!! Létezik olyan induktivitás hogy 10uH@10A! Ez egy erősítőbe van a kimeneten és hogy ez miért van oda bekötve? Valami hangváltó vagy mi? Meg hogy ki lehetne e hagyni?
Azt hogy ki lehet e hagyni nemtudom de csatolok egy 100uH 3A-es tekercset, láthatod hogy nemsok menet van a ferriten(1sor).Ehhez képest a 10uH jóval kevesebb Szerintem vastagabb drótból meg is tudod tekerni azt a 10uH
Nem látom értelmét ennek a topiknak.
Látom h nagyon akar segíteni MEFI01. Köszönet is érte.De szerintem már sok helyen fel van töltve már ide a megafon és a kapcsrajzok kép is és szerintem nem kéne a helyet foglalni jobban.
Jól látjátok, a régi topicnak nem volt értelme.
Ha legalább valami konkrét dologról lett volna szó t. mefi01, lehetett volna hagyni, nah de így...
Hello mindenki!
Igaz ez nem kimondottan elektronikai kérdés, de engem is marhára érdekelne, hogy egyes dolgoknak(pl.:víz,Hidrogén-atom,Oxigén-atom stb.), mennyi a sajátfrekvenciája, és egyáltalán ezeket hogyan lehet kiszámolni, ill. , hol lehet ezknek utánna nézni????
Total Harmonic Distortion
Teljes harmónikus torzítás
Gonlolom minál kisebb annál jobb!
És mi az a dissziopáció v. valami ilyesmi (JLH-s topic)
Úgy bizony.
A disszipáció egyszerűen megfogalmazva az a teljesítmény ami egy adott eszközről hősugárzás formájában távozik. Tehát az a teljesítmény, amit elfűt. Szerk. Jelenthet bármely kisugárzott energiát, akár egy antennáról lejövő sugárzást is, de erősítőnél a fenti történet ....
hello
en csak azert kerdezem, mert ha a vizet a sajat frekijevel elektrolizaljuk, akkor lenyegesen hatekonyabban bomlanak fel a kovalens kotesei, mintha sima egyenarammal probalkoznank csak szeretnek mar latni egy jofele vizbontast nem akarom en felrobbantani vagy ilyesmii...aaaanem, ..... de tenyleg !!
Engem is érdekel a vízbontás! szerintem 2,4 Giga Hz mert a mikro sütő is valami hasonlóval megy, pont azért, hogy rezgésbe hozza a víz részecskéit.
Igen csak a vándorló pólusok miatt mindkét elektródán mindkét gáz fejlődik , ami nagyon veszélyes!!!!!!!
Egyenárammal el tudod a gázokat különíteni!
Azért volt még pár szempont, amikor a mikrohullámú sütő frekijét meghatározták
Sziasztok!
Lehet, hogy nagyon hülye kérdés, de az alkohol vezeti az áramot? Deniel
Etil vagy metil alkohol? Amúgy próbáld ki, de szerintem igen... De lehet hogy nem.
Hát a desztvíz biztos nem vezeti az áramot, azt itt hallottam, talán itt: katt de az alkohol lehet. Ha már megvan mért nem próbáltad ki??
Hello!
Engem is ezügyben érdekelne!Mármint a vízbontás miatt!De én úgy gondoltam, hogy nem xHz-es jelet vezetek a vízbe, hanem xHz-es jellel rezegtetem!(Pl.:Erős mágnesses térrel)Utána meg, jöhetne az egyen áram!Sztem elég jó hatásfokot lehetne elérni!Nem? A robbantgatós részre...hmmm ...ááááááááá...csak próba képp! De komolyan!:yes: Amúgy autóba kellene!
Hello!
Én úgy tudom,emlékszem, hogy nem vezeti! Asszem próbáltam már egyenárrammal bontani,de úgy emlékszem nem ment! A desztvíz az biztos, hogy nem!!!!!
ha a sós viz vezet, akkor lehet, ha az alkoholba raksz sót az is vezetni fog.
:nemtudom: próbáld ki
Egy hőérzékelót kellene beleengedni a folyadékba, csak nem tudom mivel szigeteljem le a lábait.
Ezért gondoltam rá, hogy nem is kell. A szigetelésre van ötletetek? Mégegy kérdés: A ragasztópisztolyos melegragasztóból ki tud oldani cuccokat az alkohol? Deniel
|
Bejelentkezés
Hirdetés |








en csak azert kerdezem, mert ha a vizet a sajat frekijevel elektrolizaljuk, akkor lenyegesen hatekonyabban bomlanak fel a kovalens kotesei, mintha sima egyenarammal probalkoznank
nem akarom en felrobbantani vagy ilyesmii...aaaanem,
!!
