Fórum témák

» Több friss téma
Fórum » Kapcsolási rajzot keresek
 
Témaindító: Kallai Csaba, idő: Márc 11, 2006
Témakörök:
Lapozás: OK   94 / 385
(#) vagnerjazon hozzászólása Okt 9, 2009 /
 
Üdv.!

Nem tud valaki valami egyszerű rádiótávirányítós kapcsolást amibe nem kell mikroprocesszor?
(#) saraha hozzászólása Okt 10, 2009 /
 
Sziasztok.
Telefunken TRX 2000 erősítőhöz szeretnék kapcsolási rajzot találni.
Aki a segítségemre tud lenni annak nagyon megköszönném.
(#) Rally hozzászólása Okt 11, 2009 /
 
Sziasztok! Fisher ca-345-ös erősítőhöz keresnék kapcsolási rajzot.Előre is köszönöm
(#) Moderátor hozzászólása Rally hozzászólására (») Okt 11, 2009
 
Ha rajzot keresel miért nyitsz új topikot?
(#) djgombi válasza Rally hozzászólására (») Okt 11, 2009 / 1
 
Szia!
Nézz szét >>>> ITT <<<< hátha találsz megfelelőt.
(#) Rally válasza djgombi hozzászólására (») Okt 11, 2009 /
 
köszi
(#) tiggersoft hozzászólása Okt 15, 2009 /
 
Sziasztok
Normende Spectra SL72-höz nincs valakinek rajza?
Már a függöleges eltéritésé is nagy segitség lenne.
Elöre is köszi...
(#) lapose válasza tiggersoft hozzászólására (») Okt 15, 2009 /
 
Szia!

Itt fent van: Bővebben: Link
Írd be a keresőbe, hogy SL72.
(#) tiggersoft válasza lapose hozzászólására (») Okt 15, 2009 /
 
Köszi
Bonyolultabb felépitésre gondoltam(függö.eltérités)
(#) saraha hozzászólása Okt 20, 2009 /
 
Sziasztok.
Technics SU-A2 erősítőhöz keresek kapcsirajzot.
Aki tud legyen szíves segítsen.
Köszönöm.
(#) motorola hozzászólása Okt 21, 2009 /
 
Sziasztok !

DC Power Supply AX-3003D lab.tápegységhez keresek kapcsolási rajzot. Sajnos Google eddig nem segített :no:
Az alábbi linken fotó és termék paraméterek :


AX-3003D

Előre is köszönöm.
(#) 2herceg hozzászólása Okt 21, 2009 /
 
Szépnapot mindenkinek olyan kérésem volna, hogy nem e tudna valaki segiteni. Sorkimenök tipusai fökent láb bekötéseire volna szükségem. Mivel általában töbtipust is lehet másikkal is potolni, de én sajnos nem találok sehol. Élöre is köszi a segitséget.
(#) kadarist válasza 2herceg hozzászólására (») Okt 21, 2009 /
 
Szia!

Keress a HQ-n. Ott rajzok is vannak az egyes típusokhoz rendelve.
(#) garamszegiroland hozzászólása Okt 21, 2009 /
 
Sziasztok!
Kapcsolási rajzot keresnék egy clatronic ctv454 st/vt tévéhez. A googléval nemtaláltam semmi használhatot, ha valaki tud segitségét elöre is köszönöm!!!
(#) edgaar hozzászólása Okt 23, 2009 /
 
Hali !

Van egy Asus WL-500G R2.40 routerem. Van rajta egy 2x10-es tüskesor. Azt állítják az openwrt forumon, hogy tutira nem JTAG hanem valami extended uart. Még az is lehet két soros port is ki van rá vezetve. Viszont egy szó nincs a lábkioszásról, sehol. Legalábbis én nagyon nem találtam. Esetleg valaki ?
Azért szeretném, mert ha megtalálom a serialt, egyrészt bele tudok nyúlni másrészt támadt egy olyan perverz ötletem amit amúgy már megvalósítottak hasonló de nem ugyanezen készülékkel, hogy: USB-hangkártya, LPT-LCD és gombok. Szóval wifis netrádió...

Edgár
(#) bijo hozzászólása Okt 23, 2009 /
 
Üdv!
Keresem az AIWA CS-W220V hordozható rádiósmagnó kapcsolási rajzát.
(#) Sanyesz5 hozzászólása Okt 29, 2009 /
 
Sziasztok.akku töltő kapcsolási rajzra lenne szükségem egy 12Voltos 4aH zselés akkuhoz.
Köszönöm szépen előre is!!
(#) proli007 válasza Sanyesz5 hozzászólására (») Okt 29, 2009 /
 
Hello!
Kereső? Van rá itt külön topik is.
üdv! proli007
(#) sprofan hozzászólása Okt 30, 2009 /
 
Sziasztok!
Keresném egy TV kapcsolás rajzát, konkértan: Samsung CZ-20H12T már szétnéztem mindenhol ahol csak tudtam de sehol nem találtam (MTT-n nincs, elektro tanyál lehet de ott meg nem vagyok regisztrálva...). Ha esetleg valakinek meglenne és feltenné azt nagyon megköszönném
(#) sprofan válasza sprofan hozzászólására (») Okt 30, 2009 /
 
Ezt találtam: Bővebben: Link (PDF)
Ez jó lesz nekem ugye? Csak mert konkrétan olyan típus nincs ráírva csak: CB20H12TSXXEC és CZ20H32TSXXEH
(#) dizi hozzászólása Nov 2, 2009 /
 
Sziasztok mindenkinek.

Keresnék egy olyan egyszerű rajzot ami egy gomb meg nyomással bekapcsol és ugyan az a gomb meg nyomásával ki kapcsol egy pl a kimenetére kapcsolt szilárd test relét.
Valamint keresek egy olyan rajzot ami 10 vagy több ledet képes úgy vezérelni 2db gombbal ha az egyiket nyomom akkor felfelé vándorol a másikkal pedig lefelé egy amolyan FEL ÉS LE kapcsolás és a vég állásnál nem ugrik át a másik végére a sornak.
Segítséget előre is köszönöm. DIZI
(#) SALáta hozzászólása Nov 2, 2009 /
 
Egy műszeremhez keresek kapcsolási rajzot: Szint- és impedanciamérő (Typ.: TT-1152), sajnos semmit sem találok róla csak hogy 81 es gyártású.
(#) xyxx hozzászólása Nov 2, 2009 /
 
Tiszteletem
Philips FT144 tuner kapcsolási rajzára lenne szükségem, nem találtam sehol. Hiba: bekapcsoláskor felvillan a kijelzőn a tuning és stereo felirat, semmi más, gombokra nem reagál.
Üdv: Dani
(#) titi válasza dizi hozzászólására (») Nov 2, 2009 /
 
Hali!
Az első kérdésedre talán itt találsz megoldást: Bővebben: Link
(#) sprofan válasza (Felhasználó 13571) hozzászólására (») Nov 2, 2009 /
 
Igen az is onnan van, de közben kiderült hogy jó nekem. (a link már lehet nem jó mert van benne szóköz a pdf nevében ami nem kéne oda) De azért köszi!
(#) Izeg. hozzászólása Nov 2, 2009 /
 
Sziasztok!
Érdekelne egy elektronikus dob kapcsolási rajza
Ha valaki tudna nekem segítani azt nagyon szépen köszönöm!
(#) SALáta válasza SALáta hozzászólására (») Nov 2, 2009 /
 
Egy kép a műszerről.

SN851810.JPG
    
(#) Bonanza02 válasza SALáta hozzászólására (») Nov 2, 2009 /
 
Én ezzel évekig dolgoztam. :yes:
De csak használtam.
Mi a gond vele?
Igazából ez 600 Ohm impedanciás mérésekhez van, távközlési területen használják.
(#) dizi válasza titi hozzászólására (») Nov 2, 2009 /
 
Köszönöm a segítséget.
Meg mondom a másik rajzra azért lenne szükségem mert ki agyaltam egy olyan TÁP EGYSÉGET ami ezzel az elektronikával lenne építve fel és le léptetném a feszültséget pl első led 2v második 3 volt stb és ezek a feszültség értékek stabilok lennének.
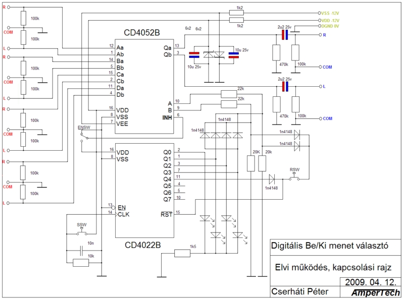
(#) _ampervadasz_ hozzászólása Nov 5, 2009 /
 
Üdv mindenkinek.

Egy kérdésem lenne. 4052 -es IC -t lehet e aszimmetrikus tápra kötni? Egy audio bemenet választót építenék, és gond lenne a szimmetrikus táp előállítása.

6,2V + - szimmetrikus tápot igényel, és nekem csak aszimmetrikus feszültségforrásom van 12V.
Következő: »»   94 / 385
Bejelentkezés

Belépés

Hirdetés
XDT.hu
Az oldalon sütiket használunk a helyes működéshez. Bővebb információt az adatvédelmi szabályzatban olvashatsz. Megértettem