Fórum témák
» Több friss téma |
A napokban alakítottam át egy elektromos busz
vezérlését. Gyári controllert építettem be, mert a 400 dollárért (kb. 75 eFt), nem biztos, hogy házilag megoldható egy hasonló tudású és teljesítményű vezérlés. Mellékelem a busz fényképét, az átalakítás előtti vezérlés maradékát, és a kapcsolási rajzot. A tapasztalatokról szívesen tájékoztatom az érdeklődöket.
Köszönöm a tippet,de megvan nekem is a könyv.
Nem sokkal egyszerübb az IGBT-k böl való épitkezés.De az biztos hogy olcsóbb és a leglassabb is megfelelne ennek a célnak. De majd legközelebb átgondolom ezt a lehetöséget is.
Szia.
Hát hogy a fenébe ne érdekelnének a részletek,és tapasztalatok. Milyen FET-ek vannak benne?Milyen kapcsolástechnika van a FET-ek védelmére?Kimeneti folytó van benne? És miért kellett átalakitani?
A régi vezérlés tönkrement.(valami kínai noname volt)
A gugliban keresd a Kelly conrollert és sokat megtudsz róla. A KD48500 típust építettem be és a nagytömegű busz 6.3 kW-s motorjához kompromisszumokkal, de bevált. Az egész egy compact kiöntött egység, mely paraméteri RS 232-őn beállíthatók.
Szia gulyi88.
Ismét szükségem volna a tudásodra. A vezérlö nagyáramú része dobozban,beépitve a helyére és félig bekábelezve.Persze van még mit apritani a gépen is és a vézérlés is csak egy teszt darab,de lassan szeretném áram alá helyezni. De az a lényeg hogy megvan a Source kábel pontos hossza és szeretném ha tisztáznád nekem az árammérés részét. Kábelhossz 215cm-er.És a már emlitett és lefényképezett 35 2mm-es kábelröl van szó. De szépen megkérlek hogy ne csak az alkatrészek pontos értékeit ird le hanem azt is hogy hogyan kell kiszámolni.Nagyon fontos hogy ércsem is hogy mit csinálok.
Csinálnál egy skiccet a mostani kábelezésről, hogy mi hol van?
Ha még lehet, akkor egy kicsi modosítást kellene elvégezni. (A vezérlőt kellene áthelyezni a motor elé, ha lehet.) azért lenne jó, mert így akkor is folyna áram a söntön amikor a fet nem vezet. Ha csak a fet folyási szöge alatt van áramjel, akkor a TL képes lenne egy periódus alatt többször is ki-be kapcsolni (ennek elkerülése végett az aramkomparátort kellene belassítani, ez is megoldható de nem a legjobb megoldás.)
Szia.
Még tudok módositani a kábelezésen,de a hejzet az hogy a vezérlő közvetlen a motor fölött van. Lehetőségek. 1. Negativ pólus hátul,majd két méter kábel a motorba és onnan kb 30-40 cm kábel a vezérlöbe (ez a sönt) és onnan megint 30-40 cm kábel a pozitiv pólusba. 2. Negativ pólus elöl,majd 30-40 cm kábel a motorba,onnan 30-40 cm a vezérlöbe (ez a sönt) és két méter kábel hátra a pozitiv pólusba. Szóval csak ezek a lehetöségek vannak. Szerintem igy marad a kevésbé jó megoldás.Van egy 100A-ig kalibrált söntös amperméröm,ha ez segit az áramerösség pontosabb kalibrálására. Viszont tetszik a multkori ötleted az állórész gerjesztésével kapcsolatban és szeretném azt is megcsinálni.Csak az a baj hogy az álltalad emlitett IC nemigazán kapható magyarországon.A Lomex-nél vannak ezek az uc3844-45 ös IC-k.Ezekkel meg lehetne oldani?És nemigazán találok hasonló kapcsolási rajzot ami segitene nekem.Ugyhogy megint rád hagyatkoznék. Mégvalami.Fömegszakitónak van egy régi VMK63-as mágneskapcsolóm.Ezt akarom áttekerni 48V-osra.Van rajta két kisáramú kapcsoló és ha gyujtásra teszem a kocsit akkor zárná a nagyáramú kört plussz inditaná az elektronikát is.Ez igy remélen nem butaság?
Én szempontomból, akkor mindegy, hogy melyik bekötést választod, mert a söntnek ígyis úgyis csak 30-40 cm marad. (ezt lehetne egy kisebb keresztmetszetű kábellel vezetni, de az áramérzékelő erősítését meg kell növelni és nincs semmi gond.)
Csak annyi a lényeg, hogy a fetek a motor elé kerüljenek (ahogy firkáltam). Állórész gerjesztését is meg lehetne csinálni TL494 el, de szerintem 2 műveletivel is megoldható(2pontszabályzóként). Nagyáramú mágneskapcsolót nem tenném bele, inkább a vezérlésnél tiltanám le a gerjesztést és a gázt. egy veszteséggel kevesebb...
Az áramok pontos értéke nem nagyon számít, nem kell mA es pontosság. (egy lakatfogós műszer is megtenné és akkor nem kell semmit megbontani).
130A-es diódád van a motorhoz?
Nézegettem a gyári vezérlök bekötési rajzait és ott minden esetben a pozitiv ágon volt a motor.Persze az árammérésük is komolyabb.Elvileg mindegy hogy a fet elött vagy a fet után van a motor?Gondolok itt a nagyáramú kapcsolástechnikára.Semmi külömbség nincs a kettö között?
Melyik a jobb megoldás,ha a motor elött van két méter kábel a negativ pólusig vagy ha a fetek után van két méter kábel a pozitiv pólusig? Ne ércs félre nem kekeckedni akarok hanem többet megtudni a dologrol,és a fö kábeleket nem akarom többször átkötni. Fömegszakitó is van minden gyári vezérlö bekötési rajzán.Hallottam egy sztorit egy ilyen mosfet-es vezérlöröl (azt nem tudom igaz e) de a lényeg hogy adott egy padlógázt a fickó és állitólag ugy begerjedt az egész hogy nem zárt le a fet és kivitte otthon a keritést.Tán a megoldás annyi volt hogy megtömte 100n kerámiakondikkal a vezérlöt.A Drain és Source sin közé rakta és annyi darabot amennyi fet volt benne.Szerinted ezt nekem is meg kellene csinálni?Szóval egyenlöre ilyen biztonsági szerepet szánok a fömegszakitónak. Védödiódának egyenlöre 4db 50A-es egyenirányitó gratze hidat rakok be.Még nem ruháztam be gyors nagyáramú diódára. Lakatfogóm sajna nincs és én sem akarom mA-es pontosságra belöni az árammérést de egyenlöre csak ez a müszer áll rendelkezésre.
A meghajtás(motor) szempontjából tökmindegy, hogy ő hol van a többi cucchoz képest. A vezérlőd független tápos, így akárhol meg tudja hajtani a feteket (motor elött vagy után, teljesen mindegy neki).
Az meg hogy melyik kábel melyik pólushoz megy teljesen mindegy (ugyanannyi veszteség ittis-ottis ) Az eredeti ötlettel az volt a baj hogy nem figyeltem eléggé. Úgy kell megmérni az áramot, hogy az ténylegesen a motoron átfolyó áram legyen. Eredeti elrendezésben (motor a fetek elött, sönt a fetek után) addig semmi gond, amíg a fetek vezetnek, de amikor kikapcsolnak, akkor a söntön nem folyik áram, viszont a motoron a dióda miatt igen, és ez elég sok bajt tud csinálni (egyszerűen beoszcillál az áramszabályozás a korlát éréknél, ezért be kellene lassítani az áramkorlát részt...) (a sönt jele fűrész) Ha viszont úgy kötjük be, ahogy módosítva rajtoltam, akkor a söntön mindig átfolyik a motor árama (fetek be és kikapcs ideje alatt is, tehát egy 3szögjelet kapunk). Így ha az áramkomparálásba teszek egy kis hiszterézist, akkor a gerjedést valószinűleg kizárhatjuk, a komparálás meg gyors lesz! Az egész áramkör 2 műveletivel megoldható, este felteszem. (kb ugyanez kellene az állórész gerjesztéséhez is (+fet és meghajtó)). Visszafutású diódának a motorra nem kell gyorsdióda, sima Si dióda megteszi, csak bírja az áramot. (az áram csökkenő jellegű lesz, és a maximális értéke egyenlő azzal az árammal, ami a megszakítás pillanatában folyt. (~130A))
Teljesen világos.Megint csak köszönni tudom a kielégitö választ.A héten rengeteg a melóm és csuszik picit a dolog,de ugy lessz bekötve ahogy lerajzoltad utoljára.Viszont a kábelhosszuk ugy adják hogy bármikor variálhatók a dolog.A negativ pólus lessz hátul mert (javits ki ha tévedek) az elöl lévö két párhuzamositott akksi (pozitiv pólus) és a hátul lévö akksik között 2m kábel van és igy nincs akkora veszteség.
Nagyon várom a módositást a kapcsolásban,és légyszi ird le hogy hogy számolod az alkatrészek méretezését az áramkorlátban.Hátha sikerülne magamtol összehozni az állórész gerjesztését.
itt a cucc, 01 es verzió csatolva.
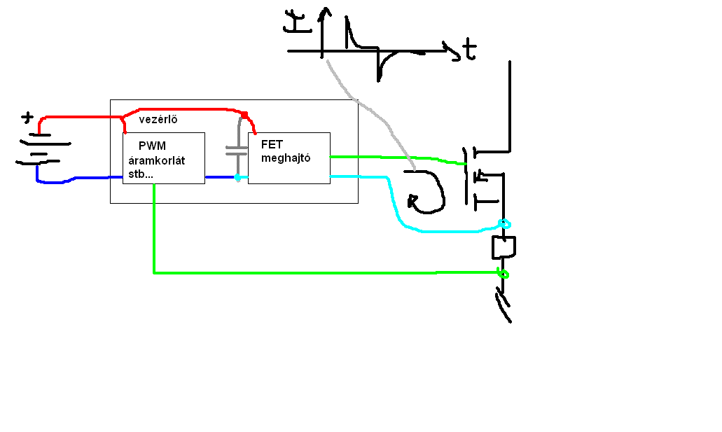
működés: Kezdjük az elején az áramjel kialakulásánál. Berajzoltam az áram irányát piros nyíllal, a söntön (kábelen) ugyanebbe az iránybe esik a feszültség. A vezérlő földjét a fet souce-ra tettük, így ahhoz képest az áram jele kisebb, azaz negatív lesz. tehát van -párszáz mV feszültség a sönt végén a vezérlő testjéhez viszonyítva. Ezt fogadja az IC1 A, ami első körben felerősíti -(R2+P)/R1 nagyságúra (azaz -15 től -23 ig.) kimenetén így pozitív feszültség lesz. IC1 B komparálást végez, méhgozzá 2,5V billenési szinttel (TL494 ref/2 --> kispóroltunk egy stabilizátort(TL431stb) a komparálás pergésmentesítésére at R4C1 (és R3) szolgál (komparátor bemenőfeszültsége eléri a 2,5V ot -> kimenete emelkedni kezd, C1 en keersztük kicsit megrántja a bemenetet mégfeljebb így nem tud visszabillenni átmenetkor, R3 kell, hogy a bemenetet meg lehessen rántani (másik kimenete Feszgenerátoros) R4 C1 értékét méréssel kellene meghatározni.) A TL egyik erősítője is komparátorként megy, nincs semmi bonyolítás (5V billenési szinttel) És most jön a lényeg R5 P1, ők arra szolgálnak, hogy némi hiszterézist vigyenek bele a komparálásba (noha a komparátor IC1B ugyanazon a szinten billen fel, meg le is). Tehát ha IC1B kimenete alacsony, akkor nincs semmi trükk. Viszont ha magasra kerül, akkor az IC1A neminvert bemnenetét megemeli pár mV al (6mV a névelges). Ez a pár mV hozzáadódik az IC1A kimenetén (erősítés(+1)szeresen) az áramjelhez. Tehát többet "mér", mint ami. Méghozzá annyival többet, mint a pár mV/RS (eltekintve a Au+1 es erősítésől, nem sokat számít..) Tehát ha 130A nál komparál akkor a valóságos visszakomparálás (pár mV/Rs) 6mV/1mohm = 6A - el kevesebbnél következik be, ami 5%-a a 130A nek. (Rs = 1mohm) Rs még az előző 2 méteres kábelhez volt számolva.
ja a fetekhez DS lábakra kondit rakni teljesen értelmetlen, csak a feteket terheli, lassítja.
(fet kikapcs alatt feltöltődik tápfeszre, utána meg szegény fetnek kell elfűteni az energiáját.)
Köszönöm szépen.
Egyszerübbre számitottam,de 10-edjére átnézve már nem is olyan bonyolult.Összedobni nem gond,de bele kell merülnöm a müveleti erősitőkbe egy picit. De azért volna pár tisztáznivaló dolog. Nem értem a testeket.Az IC1A 2-es bemeneti lába hova van kötve?Nem a motor elé kell kötni?A vezérlö tetsét a source sinre kell kötni,viszont akkor a vezérlö pozitivját a hátul lévö aksira egy jó hosszu vezetékkel. Lerajzoltam hogy van bekötve most rendszer.A másik képen pedig azt hogy a vezérlöt hogy gondoltam bekötni.Javits ki ha valamit nem jól csinálnék. A P1-es poti az 10 ohmos? A C1 és R4 értékét milyen mérések alapján tudom meghatározni? Most rengeteg a melóm de remélem jövő héten össze tudom dobni az új vezérlöt.
A fene tényleg elkötöttem, de ha észrevetted, akkor érted a működést. És igen, a sönt végére kell kötni, azaz a motor elé.
Egy valamit látok, amit nem biztos, hogy jól értesz: a vezérlő tápjának teljesen függetlennek kell elnnie a többi táptól, magyarul külön kis akku, vagy egy elválasztott DC/DC, egyébként a bekötés jó. R4C1 et szkóppal lehetne belőni. Ha nem pereg be a komparátor, akkor jó (a perrgés függ a vezetékre ráűlő zajtól függ)..
Tényleg nem világos ez a táp dolog.Ha van kedved akkor nagyábol elmagyarázhatnád,de ha nincs akkor csak annyit tegyél meg hogy megnézed a rajzon a módositást hogy jó lessz e igy.
Sajna szkópom nincs,ugyhogy marad a próbálgatás.
Pontosan így. Csak a nagyáramú (fet vezérlő) bekötésekre kell majd figyelni.
(a táp negatív pólusbekötése, ne kerüljön a fetS és a vezérlő közé (ha máshol nem lehet felkötni, akkor minimum csillagpontosan), mert ott impulzusáramok folynak és vezeték közös szakaszán zajt ültet a tápra). Azért kell külön vezérlőtáp, mert az egyik pontját a főáramkör egy fix pontjához választottuk (FET-S), ehhez képest kell Utápot (+12V) csinálni, legegyszerűbb egy független tápot odakötni.
Ajjajj.
Ezt most tutira nem értettem.Azt tudom hogy az asztalon is ugy ment hogy a vezérlöt külön kismotor akksirol tápláltam és a negativ pólusa össze volt kötve a 48V-os pack negativ pólusával. A rajzon én a Source sinre tettem a vezérlö és a külön akksi negativ pólusát.És szerintem oda is kell mert külömben nem müködik az árammérés sem. Lehet hogy egyröl beszélünk csak nem értjük egymást. Szóval jó helyre kötöm a vezérlö (TL494-es rész) testét?
firkátam egy skiccet.
A lényeg, hogy az akku - pontját nem kötheted fel a cián színű vonalra, mert ott folynak a rajzolt áramimpulzusok, és ezek a közös szakasz ellenállásán zajt tesznnének sorba a táppal, szóval teleszemeteli a tápot. A kék vonalon bárhova kötheted. A nyák kialakításkor is figyelni kell, hogy a FET meghajtó puffer után a (meghajtón kívül) arra a test és tápvonalra semmi mást nem köthetsz. Azok onnantól már zajosak lesznek. (az áramérzékelő beleméri a FET S és megható között lévő cián szinű vonal zaját, de ez nem sokat számít, mert csak kapcsoláskor keletkezik zaj)
Értem.
Tehát jól rajzoltam én.Ha jól értelmezem akkor fizikailag egy pont a Source sin,külön akksi negativ pólusa és a vezérlö teste.Csak a kialakitásra kell figyelni.Épp most szerkesztgetem az új panelt,és majd szemelött tartom. Egyébként lassan benyújthatod a számlát.Ugyérzem sokkal tartozom neked.Gyakorlatilag ketten csinálunk egy elektromos autót.
Én csak segítek ahol ,és amit tudok, TE csnálsz mindent. Egyébként meg már megvolt az 50pont, úgyhogy...
Igen galvanikusan egy pont az S sín meg a Vezérlő táp testje, csak ha már ki lehet kerüni egy lehetséges hibaforrást ilyen egyszerűen, akkor... (Fet meghajtó mellé puffernek egy pár µF ESR-t, meg egy 1-2*100nF MKP/MFP/MKY kondit tegyél.
Nem hiszed el mennyire várom már az elsö tesztkört.
Ha nem harakszol akkor kihasználnám segitökézséged. Összedobnál nekem egy kapcsrajzot az állórész gerjesztésének?Csak mert jobban bizok benned mint magamban.(elektronikai téren) És ugyis benne vagyok most a panelszerkesztésben.
FETmeghajtód van ?
Meg jó lenne egy induktivitást mérni az állórészen, ha lehet.
Van még egy fölösleges TC-m.9A-es.
Megpróbálom holnap szerválni egy induktivitás mérőt.Ha most megmérem za ellenállását az segitene valamit?
Ha van meghajtód, akkor nem tervezek bele tranzisztoros meghajtást (gyári az úgyis jobb)
Ellenállás nem sokat számít Valószinűleg ennk is egy független táp kellene. (így már megfontolandó egy elválasztott, többkimenetű DC/DC)
Lehet nem lessz induktivitásmérö.Annélkül kell beérni.
Szinte biztos hogy különtápos kell.Nem tudsz valahol olcsó DC-DC beszerzési hejet?Mert szükségem lessz egyre hiszen az autón minden 12V-os.És egy DC-DC konverter minden 12V-os feladatot el tudna látni. Megfordult a fejemben hogy csinálok egyet.Persze nekem erre kész kapcsolás kell és egy kis leirás sem ártana,bár szerintem itt a HB-n biztos találni ilyeneket.
Hány Amper kellene összes 12V-os cuccank?
Erröl menne a vezérlés,müszerfal (digitális),és az autó összes világitó berendezése,és elektromos ablak.Szerintem egy 3-400W os elég lenne.De szerintem a tompitott és fényszórónál lehetne trükközni.Ha a két elsölámpát és két hátsó hejzetjelzöt sorbakötöm akkor simán mehet a 48V-os akksipackra,és nem terhelné a konvertert.És igy már még sokkal kissebb is elég volna.
Ez a lámpa dolog most jutott eszembe,tehát lehet hülyeség,de igy már szerintem simán épithetö egy DC-DC.
400W os DC/DC ilyen kis feszültségen gond nélkül építhető. (kapcsüzemű táp autóba hifihez , Cimó tápjai már 1KW felé tartanak (12V ról). 48V nál ez kisebb áramot és kisebb méretet is jelent)
sorba csak az azonos teljesítményű izzókat lehet kötni(első tompított meg a hátsó helyzetjelző egyforma?) de ha egy kiég, akkor ... akkumlátork töltését hogyan gondoltad? |
Bejelentkezés
Hirdetés |

















