Fórum témák
» Több friss téma |
Fórum » Csöves erősítő készítése
Ne feledd betartani a fórum viselkedési szabályait, és a topik megmaradásának feltételeit. [link]
A téma átmenetileg fagyasztva lett, hozzászólni nem tudsz!
Sziasztok!
Köszönöm a válaszokat! Úgy döntöttem, hogy maradok az eredetí kapcsolásnál, és inkább azt építem meg. Mégegyszer Köszi.
Sziasztok
Kész lettem az PCL86-os erősítőm bedobozolásával, de még nem tökéletes. Ha a potit kb középre tekerem akkor olyan hangot ad ki, mintha alacsony frekin gerjedne, de csak egy kis sávban. Ha feltekerem a maximumra, akkor is hangot ad ki magából kicsit brummos recsegős hangot. Ha a minimum közelébe van tekerve akkor is hallani egy kicsit . A bemenetre nem dugtam semmit. A kimenő a táptrafó alatt van, köztük egy 1mm-es vaslemez, a doboz teteje. A fűtés nincs kiközepelve, amikor még nem volt bedobozolva, akkor nem volt brummos. Minden föld egy közös pontba megy, kivéve a bejövő jelnek a földje azt a potihoz vezettem, ahol csatlakozik a nyák földjéhez. A ház nincs rákötve a földre.
Ha már így előjött a fejhallgatós téma...
Van egy nem túl komoly AKG fejhallgatóm a következő paraméterekkel: Frekvencia átvitel: 18-22,000 Hz érzékenység: 96 dB Max. teljesítmény: 200 mW Impedancia: 32 Ohm Gondoltam, összeraknék hozzá egy "minimál" erősítőt 6E5P-vel, vagy a gyengébb hangúnak titulált testvérével a 6E6P-vel, "bontott anyagokból". Ha triódáda kötöm mekkora illesztést kívánna? A csöves rádiókból származó ECL v. EL kimenők amiket általában 4-5ohm/ 5Kohmra illesztettek, ebben a felállásban a maga 40Kohmjával már nagyon sok lenne? (A 6C33C SE gyönyörűen muzsikál a "deszkán" is, a dobozolás meg nálam úgyis eltart hónapokig.)
A középhangerőn hallható gerjedés szerű jelenség megszűnik, ha a doboz házát rákötöm a földre. Így maximumhangerőn se hallani már annyira azt a búgás-recsegést csak egy nagyon kicsit, az meg még belefér.
Rendben, dobok bele két 100 Ohm-os ellenállást.
"Ha már így előjött a fejhallgatós téma... "
Hát pont most barkácsolok én is egy csöves füles erősítőt ! De nálam 6H13C - vel lessz remélhetőleg fog is tetszeni a hangzása . Viszont az egészet ugy terveztem hogy 2 darab kimenő trafó ráakasztásával pillantok alatt egy sztereo SE lessz belőle ? Bocs mindenkitől de még a kapcsolást azt nem mutatnám még teljes mértékben nem lessz kész , nehogy valaki beleszaladjon valami furcsaságba! Meg még az Ecopityutól is elnézést kérek az ellesett KÖR -ért ! 6H13C Füles erősitő elképzelt kinézete ami még csak szerkezet kész ! A festés után jön a beszerelés , élesztés STB :hide:
Próbáld ki , mivel rendkívül egyszerű áramkör .
Felülillesztés , kisebb teljesítmény , alacsonyabb torzítás . Megfelelő illesztés estén kb . 1,5-2W lenne , fejhallgatódhoz nem kell ennyi . Én inkább a kimenő egyszerű kivitele miatt aggódom .
A 6E5P triódában 1 K körüli belső ellenállású, 5 K-s kimenő jó hozzá. Elérhető teljesítmény 1,5-2 W így. 32 ohmos fejhallgatóval 200-250 mW-ra lehet számítani (ha a kimenetre hangszórót kötsz 2 W, ha fejhallgatót 250 mW, így értendő). Egy próbát megér szerintem, nagyot nem bukhatsz, legrosszabb esetben lesz egy jóhangú kisteljesítményű SE erősítőd.
Számomra sokkal nagyobb élmény kísérletezve "deszkán" valami jó hangot összehozni, mint aztán mindezt "elcsomagolni", ezért gondoltam, valamit összerakok addig is az itthon fellelhető cuccokból
Az egyszerűsége fogott meg engem is. Egy szál tetródából (triódának kötve) erősítőt összehozni...
Megnézem, hátha van jobb illesztést adó lehetőségem is...
Ezt próbáltam javasolni én is , meghallgatás előtt néhány mérés megmutatja mit tud .
Jó a kicsi TV kimenőkkel, csak nem tudom a magasátvitel hogyan alakul, ha 32 ohmos fejhallgatót dugsz rá (lehet meg kéne mérni az enyémet, akkor sok mindenre fény derülhetne). A mélyeket elég tiszességesen átnyomja (viszacsatolás nélkül), magasak kicsit esnek 20 kHz-től, de nagyon emberbarát hangja van. Egy tisztességes kimenővel valószínűleg egészen frenetikus hangot el lehetne érni. Azt a pár alaktrészt hamar össze lehet ütni, addig sem vetyengenek mindenféle felderíthetetlen helyeken...
, vagy nálad rend van...
Idézet: „vagy nálad rend van...” A látható helyeken nagyjából rend, bár a Nejem szerint mindenhol az én dolgaimmal van tele a ház... Ezek a cuccok viszont nem azokban a helyiségekben rejtőznek ahol áttekinthető állapotok uralkodnak. Most például egy bolgár Melodia M10(jav!) rádió kimenőjének keresem a párját , hasztalanul
Kár, hogy nem próbálod ki. Szerintem ahogyan lerajzoltam, igen jó minőségben össze lehetne hozni dc csatoltan (nem biztos, hogy gyengébb lenne, mint az eredeti).
Majd próbálok játszadozni vele csak nem nagyon van rá időm. A hangja szép és majd dolgozok rajta hogy többet adjon majd le.
Imi!
A (talán orosz) TEMP tv hangvég rajza nincs meg Neked véletlenül??? FF, nem hibrid, full csöves gép... Az talán még a Color Starnal is szebben szólt, máig sajnálom, hogy nem rajzoltam vissza, pedig találkoztam anno egy ilyen példánnyal...
Ha jól rémlik, anno javítottam ilyet, de a rajzát már nem tudnám előkotorni. Lehet, hogy valakinek odaadtam.
Ha már Colorstar ! milyen impedanciájú hangszóró volt benne, tehát hány ohmra illeszt a kimenő szekundere ( a szovjetnek ) Nincs most nálam a kimenő, de jó lenne tudnom, hogy számolhatok-e vele ! előre is köszönöm a válaszokat !
Az Imi által feltett rajz szerint 4Ω a hangszóró impedancia.
Sziasztok!
PCL86 SE kapcsoláshoz kimenő trafó kérdésem van, a légrés méretében nem vagyok biztos. Felötlöttem a kimenő rajzát, ahhoz kellene légrést hozzá tervezni. A Vas keresztmetszete 6cm2.
Most volt egy kis időm tanulmányozni az erősítéssel kapcsolatos tudnivalókat. Egy kapcsolás előfokának az erősítését kiszámoltam, remélem jól. Az első triódafél erősítése: -20*62000/50000=-11,07, a másodiké: -20*27000/89000=-6,07. Az elsőnél középállásban van a poti azért 5K-val számoltam. Vélemény?
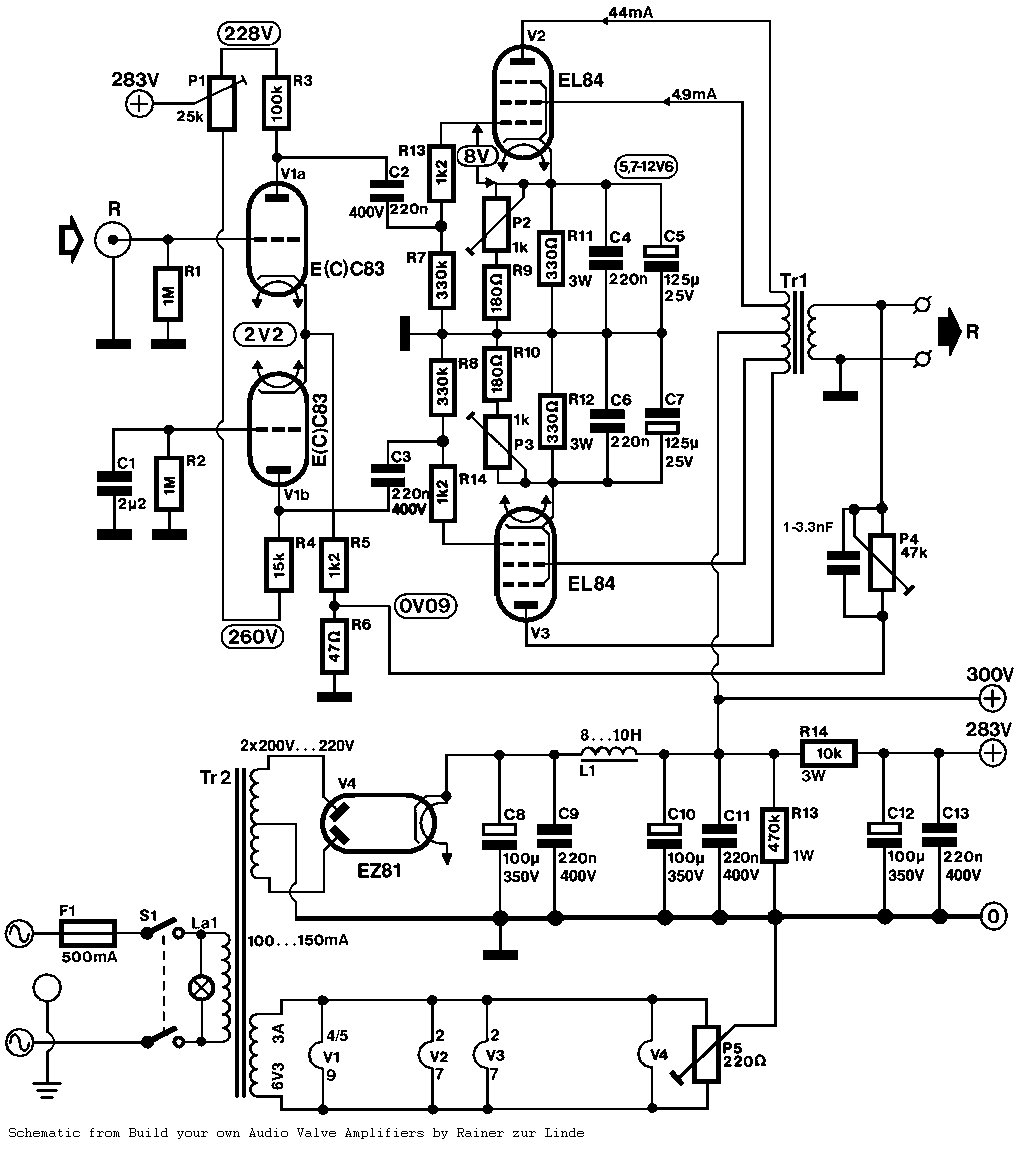
Sziasztok. Segithetne valaki nekem ezzel a rajzal kapcsolatba.A füttés kimenetek a tápból, az el84-be a 2-es és 7es lenne, és az ez81-be a +ki össze van kötve a fűtéssel? És még annyi lenne hogy az ecc83-nak mind a két oldalát be kell kötni(mert ugye dupla trióda)?
EL84-nél 4-5-ös láb a fűtés. Az egyencsőnek (EZ81) külön főtőtekercsről kell mennie, nem köthető a többi cső fűtésére.
Akkor ez a rajzon félrevezetés?? viszont a tápból 2*9V jön ki a fütésnek, ezt mivel tudom ugy lecsökkenteni hogy ne menjen semmi "rovására"?mert ugye ez sok füteni.
Au= (-mü)*Za/Ri+Za... Az adott munkaponthoz tartozó mü-t és Ri-t a karakterisztikából ki tudod olvasni... Ha a következő fokozatnak van rácslevezető ellenállása az a Za-ba természetesen beleszámít... Így én az első fokozat erősítését félig feltekert potinál -8,7-re, a másodikét -13-ra számoltam ki...
Nem néz ki rosszul a rajz de...
Ei cső után 50µF-nál nagyobb pufferkondit nem szabad használni, mert a cső hamar tönkremegy Fojtó után a szűrőkondi az már más, ott nyugodtan lehet használni a rajzon is szereplő 100µF-ot... |
Bejelentkezés
Hirdetés |


Hát pont most barkácsolok én is egy csöves füles erősítőt ! De nálam 6H13C - vel lessz remélhetőleg fog is tetszeni a hangzása . Viszont az egészet ugy terveztem hogy 2 darab kimenő trafó ráakasztásával pillantok alatt egy sztereo SE lessz belőle ? Bocs mindenkitől de még a kapcsolást azt nem mutatnám még teljes mértékben nem lessz kész , nehogy valaki beleszaladjon valami furcsaságba! Meg még az Ecopityutól is elnézést kérek az ellesett KÖR -ért !
, vagy nálad rend van...



Fojtó után a szűrőkondi az már más, ott nyugodtan lehet használni a rajzon is szereplő 100µF-ot... 