Fórum témák
» Több friss téma |
Fórum » Csöves erősítő készítése
Ne feledd betartani a fórum viselkedési szabályait, és a topik megmaradásának feltételeit. [link]
A téma átmenetileg fagyasztva lett, hozzászólni nem tudsz!
Köszönjük szépen!
Sziasztok ! Tegnap végre kicseréltem a kis PCL86se erősítőmben a kimenő trafókat! Eddig csak TV-és kimenők voltak ugyebár beépítve , a tervezett és az ez idáig elnem készült kimenők elkészültek ! Köszönet érte fleta /Tibor / mesternek
Nos ezekkel a kimenőkkel már mondhatom hogy gyönyörüen szól a gépezet . Mégtöbb foto : PCL86se
Szépek azok a kimenők!
Köszönjük Topi Mester!
Erre leszek majd kíváncsi, /rézdrót temető/ éppenhogycsak elfért rajta a drót.
Gratulálok a gépedhez!
Tényleg, éppenhogycsak elfért rajt a huzal!
Idézet: Igen ehhez kell ám a réz mennyiség jó vaskos vasak M102 ,70 mm pakett Remélhetőleg a tervezett 50 -60 Watt majd ki is jön a végén ? „rézdrót temető” :hide: Zoli : Idézet: Ami azt illeti nem is olyan brutál ! nekem egy csöpet halk az a 3 Watt de a minőség az kárpótol a teljesítményért cserében „brutál " ez a gép” Ezekkel a hozzá tervezett kimenőkkel valóban brutálisan szépen szól ! Amiért a CHZ mesternek/ Zolinak / szintén köszönet a tervekért
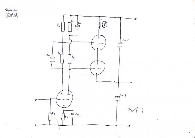
Most, hogy kiemeltek bennünket, pár elvi kapcsolás a kisérletezni, fejleszteni vágyóknak.
CIROKL, lenyűgöző az erősítőd.
Sziasztok topik lakók!
A kérdésem nem igazán erősítőre vonatkozik, csak tegnap eltűnődtem rajta, hogy honnan vannak mostanság a csövek? A meglévő raktárkészleteket, padláson dobozban rejtegetett csöveket éljük fel és egyszer csak majd eltűnnek/elfogynak? Vagy van még valahol esetleg utángyártás? Ebay-en nézegettem ilyen-olyan csövek és láttam olyat, amiből egyszerre akár 1000 db-ot is lehet vásárolni... Egyébként majd államvizsga után én is szeretném népesíteni a tábort, igaz egyelőre csak Idézet: fejhallgató erősítőket szemeltem ki ECC83 vagy JAN 6418 csövekkel... de hát valahol el kell kezdeni. „kis”
A kínaiak, szlovákok, oroszok, csehek, egyes amerikai műhelyek és japánok is gyártanak horror áru 300B-t.
Azért már nem csak a 300B-t gyártják. Ott az EL84, ECC-k, 2A3, KT88, KT66 talán, a 807, EL156, meg még gyártanak pár csövet..
Félreérthető voltam, a 300B -t a japcsikra értettem, természetesen gyártanak mindenféle audiora alkalmas csövet a többiek, persze nem mindenki, pl. KR audio-tól még nem láttam ECC83-at, vagy az olcsóbbakból. Nála 50.000-nél kezdődik pl egy 300B.
Ja, akkor bocs! Nem baj, legalább írtam egykét ma is gyártott csövet.
Aha, és mondjuk különböző gyártók ugyanazon csövei pl. ECC83 és ECC83 között lévő nagy árszakadék a minőség miatt van? Vagy csak a név?
Pl.: - 26 pár Sylvania Baldwin ECC83 39$ - 4 db párba válogatott Tesla ECC83 120$ - 1 db Mullard ECC83 akár 120$
Hihetetlen,hogy mit nem lehet találni ha az ember érdeklődik eggy kicsit.Kaptam a szomszédomtól eggy szétszedett régi orsós kütyürét három cső volt benne .ecc83 ami nekem kell,ef83 ezzel még nem találtam rajzot és eggy el9 a többi nem látható vékonyabb cső valaki tud róluk valamit?
""A meglévő raktárkészleteket, padláson dobozban rejtegetett csöveket éljük fel és egyszer csak majd eltűnnek/elfogynak?"" Ettől szerintem a mi életünkben nem kell tartani ! Annyira sok -sok cső van még szerete a világban hogy iszonyat ! Meg azért vannak mostani gyártású csövecskék is jócskán . ""nagy árszakadék a minőség miatt van? "" Az a nagy árszakadék az meg aztán nem is a gyártmánytól függ szerintem , minden esetben valószinű vannak eggyes gyártmányok közt külömbségek a minőségben de nem ennyi mint az áruk is tükrözi ? Annál inkább a kereskedelemre fognám ezt a hatalmas külömbséget . Aminek szebb a neve azt jó pénzé árulom aminek nem tetszetős annyira azt olcsóbbé . STB.... Meg aztán eggyáltalán nem is mindeggy hogy melyik országból származik ?
Ebben én is igazat adok, Pl az ECC83 cső 3000 ft a legolcsó újan, mígy a 6N2P az orosz megfelelője 350 ft, és az orosz tökéletesen helyettesíti , még jobb is az ellenállása.
Sziasztok!
Átalakítottam a Gu50-et állítható negatív előfeszessé, de valami nem az igazi még mindig. Cirokl Írta, hogy neki 90mA -18V-nál állt be. Ehez képest nálam -40V-nál állt be a 100mA-es katódáram az egyik csőnél. A másiknál meg ugyanennyi fesz mellett 150mA körül kezd stabilizálódni, de nem várom meg mert az rengeteg. Mi a fene baja lehet??? Nem értem miért kell neki ilyen sok negatív előfesz.
Szia ! Betudnád linkeleni az általad megépített kapcsolást ?
Ez lenne az. Minden alkatrész új, értékük is jó. Annyi a változás, hogy nekem nincs a GU katódján a 10 Ohm, csak 1Ohm.
Akkor az anód lehet, hogy áthúz erre a rácsra, a magas anódfesz miatt van így kötve, én nem javaslom az átkötését.
Az alap dolog. A g2-őt pedig 1kOhm-os ellenállással felkötöttem a tápfeszre plusz tettem rá még egy szűrőkondit is. Ha az előfokcsövet kiveszem, akkor is változatlan a helyzet. Én már a végcsövekre gyanakszom, hogy azok lehetnek a rosszak. Mivel előfok nélkül is nagy az áram. A végfoknál meg sok hibalehetőség nincs.
Igazából nálam "csak" 350V a tápfesz.
Így is kössem át?
Más az anódfesze, vagy más a cső bekötése (pl pentódás és alacsonyabb a segédrács fesze). Az hogy -18 V-nál 90 mA önmagában nem értelmezhető, csak az anód és segédrácsfesszel együtt.
A te kapcsolásodat úgy kell beállítani, hogy a cső a megengedett disszipáción belül maradjon, Pl. 400 V/100 mA. Ez valamilyen rácselőfesznél fog beállni (pl. -40 V), és az a jó. Hogy ez a két csőnél nem egyforma, az a csövek eltéréséből ered.
Triódás a kapcsolás, 1 Kohm-ra nem kell szűrőkondi (tilos), mert ezen keresztül feleslegesen beterhel az anódnak vezérléskor (1 K-n keresztül testelt az anód).
Ha csak 350 V-od van, akkor a fékezőrács mehet testre is, valószínűleg nem fog szikrázni. Miért nem jó neked pontosan a kapcsolás szerinti, hibátlan bekötés ?
Zolikám, a segédrácsra csak 250 V van megengedve, az 1 KV csak az anódra vonatkozik, ha a segédrácsra nagyobb fesz kerül, annak az a szokásos kiskapuja, hogy a fékezőrácsot nem a katódra, hanem az anódra kötjük, így lehet az alacsony segédrácsfeszű csövet mégis triódás kötésben használni, magasabb tápfesznél is. Kapíse ?
(bocsi)
Átkötöttem, de semmi változás. -45V-nál 180mA-nél állt meg az áram. Ez rengeteg szerintem. A másik csőnél ugyanilyen feszültség mellett pedig 90mA-nél. Valami nagyon nem jó. :no:
110 mA nyugalmi áramot állíts be csövenként 350 V-anódnálnál "oszt jóvan".
Nem egyforma a két csöved, külön, külön állíts be 110 mA-t és ne gyötörd magadat az eltérő rácselőfesszel, ettől sokkal jobb ha tudsz egyforma csöveket választani, de akkor sem árt ha külön tudod állítani a nyugalmi áramot. :yes: |
Bejelentkezés
Hirdetés |


Nos ezekkel a kimenőkkel már mondhatom hogy gyönyörüen szól a gépezet .
Mégtöbb foto : 




Ezekkel a hozzá tervezett kimenőkkel valóban brutálisan szépen szól ! Amiért a CHZ mesternek/ Zolinak / szintén köszönet a tervekért




Nem értem miért kell neki ilyen sok negatív előfesz.

Így is kössem át? 