Fórum témák
» Több friss téma |
Fórum » Csöves erősítő készítése
Ne feledd betartani a fórum viselkedési szabályait, és a topik megmaradásának feltételeit. [link]
A téma átmenetileg fagyasztva lett, hozzászólni nem tudsz!
3,6 cm2 és 0,15 primer, ezekre a pici SM magokra bőven elférnek.
én a primért 3 felé osztottam, és 2 szekundert tettem közé
Ma összeraktam a kimenő trafókat ! Az igazság hogy megszenvedtem azokkal a BEAG -os / APX / vasakkal . Ennyit még trafó összerakással nem szenvedtem annyi biztos . De aki már próbálkozott APX100 -as kimenő trafó szereléssel az rádöbbent eme valóságra . Már a szétbombázása sem volt semmi , a végére maradt 4-5 darab vasam amit szinte lehetetlen volt visszatenni a helyére ? Ez a mennyiség kitesz olyan 1-1,5 mm , viszont az összeszerelés , összehúzatás után a 70 mm méret helyett az csak 69 lett ! Okoz -e ez nekem valami eltérést az előre kiszámolt és az alapján megtekert kimenőkben ? A tekercsek azok nagyon korrektül vannak rajta , a legnagyobb eltérés is 0.1 ohm -on belül van ! GU50 pp Kimenők és a cséve megtekerve
Sajna nem értek oroszul ezért csak pár adatot tudtam kihámozni a szövegből, más kapcsolást eddig még nem találtam. Az ablakméret miatt kérdeztem, hogy ráfér-e, mert valahol már olvastam hogy ilyen kicsi trafóra is tekertek rá kimenőt. Van itthon pár méternyi huzalom, vennem kell tolómérőt, hogy megtudjam milyen vastagok, lehet van is kellően vékony huzalom. A csöves B osztályú erősítőknek is olyan gyenge hangjuk van mint a félvezetősöknek? Mivel úgyis kell táprafót is tekernem, és ha nem találok jobb kapcsolást akkor marad a fix rácselőfesz.
az a pár vas nem jelent gondot, lényeg hogy jól össze legyen húzva. [OFF]
szuperjók a sasszik!
Össze húzattam amennyire az a 4mm -es csavar engedte ? Eggyet sikerült is elszakitanom , de tettem bele ujjat . Ezek szerint megérkezett ?
Arra figyeltél összerakásnál, hogy az M lemezek egyik sarka nem lekerekített hanem 45 fokban van levágva.
Ennek a saroknak bal oldalt kell lenni ha a dugási irányt vesszük előrének.trafó tőmés A képen ha lefelé dugod akkor jobb oldalt van és ha felfelé akkor baloldalt, egyébként nagyon jól látszik, oldalról a sarkokon hogy melyik lemez van rosszul berakva. Ez azért lényeges mert ekkor pattan a helyére a legkönnyebben az M nyelve. De egyébként szerintem sincs jelentősége 1-2 lemeznek.
Igen ezt azért figyeltem de mégis sikerült nekem is fordítva berakni egy - két darabot ? de folyamatosan satuban összeszorítva azért reméllem helyére pattant az a fránya nyelv .
-Hát ugye kb. 55-60 mA lehet a nyugalmi áram, ebből 775 ohmon (750 ohm meg a fűtés közepelés 25 ohmja) esik 46,5 V (60 mA-el), tehát az anód-katód között 320-46,5=273,5 V. Valószínűleg inkább kisebb lehet a nyugalmi áram (inkább 55 mA), mert így 60 mA-el már kicsit 16 W fölé jön ki a disszipáció. Ha 55 mA folyik akkor 42,6 V a rácselőfesz, tehát az anód- katód között 277 V van, ekkor a disszipáció a csövön 15,25 W, ez jó érték (16 W-ig lehet, ha jól emlékszem). A 6C4C-nek tudtommal ugyanígy állnak be a dolgai (tehát neki is jó a 750 ohm ennél az a tápfesznél), de igazából mundegy, mert a tápfesz sikerültségének megfelelően akkora katódellenállást kell tenni, hogy a cső a megengedett disszipációban legyen (a maximálishoz közel, mert A osztályban csak úgy lehet kihajtani rendesen).
Ott is pont az ablak méreteket adják meg, nem a magkeresztmetszetet. Csöves B osztályúnak azért sokkal jobb a hangja, mint a tranyós B osztályúnak, ez miatt nem kell aggódni. Muszály szabályozhatónak lenni a rácselőfesznek, mert majd úgy kell beállítani, hogy a nullátmeneten ne legyen törés a színuszon, automatikus rácselőfesszel ez keserves lenne.
Köszönöm így már világos. A közepelés 25 Ohm-ja az nem 50? 100Ohm-os trimmer van benn.
igen de a két 50 ohm kvázi párhuzamosan van kötve.
Nekem sikerült. egy csavarhúzó, néhány ceruzaelem, és szigetelőszalag segítségével kisúlyoztam a kurbli karját, hogy ne rántson
Fleta tanácsára hintőporos kézzel vezettem a huzalt, és nem szakadt el, igaz menet menet mellé nem lehet, vagyis én nem tudtam, meg nem is látom már ezt a vékony huzalt
nekem is kéne ilyen pici mag El84 PP-hez 1 U-s rackbe
( aka Marshall 2020 )
Most már Te leszel a fórumon a "vasember" nem semmi csóka vagy Te! Erre minden munkádnál rá kell jönnöm
cséve : Múltkor CHZ is linkelt egy ilyet, most Te is, hogy a kivezetések egymás fölött vannak egy "rásben" kivezetve. Ezek csak a szekunderek, vagy mind ? a primereknél nem okoz ez esetleg átütést, ha túl közel vannak ?
én meg úgy tudom, hogy átlapolva kell ezt is lemezelni, egyiket erről, másikat arról .. Láttam már gyárit is ilyet sokat.
Idézet: még senkiét de az uj az birja ! „és az ujj jól bírja” Idézet: A primer az eggyik oldalt a szekunder a másik oldalt . De miert okozna átütést ? Ennél speciál 4 primer tekercs van 6 szekunder , no most ezek szendvics szerűen vannak egymástól jól elszigetelve . Tételezzük fel az anódfesz 500Volt akkor egy tekercsre mennyi fesz jut ? Vagy rosszul gondolom ? Mert ha igen akkor világosítsatok föl . „primereknél nem okoz ez esetleg átütést”
Persze, nem egy oldalról dugod a lemezeket, csak a skiccelés van mindig egy oldalt, tehát a végén átlósan vannak a 45 fokok, a másik két sarkon csak lekerekítések vannak és ott lehet jól látni ha valami fordítva van benne.
Persze lehet értelme az egy oldalról dugásnak is ha pl légréses az M magod.
Szerintem sem, azok a csövek, gondolom belemennek a tekercsrészbe még 5-6 kV-nál sem ütnek át, a rétegek között sem sütőpapír van, hanem trafókban alkalmazandó anyag, akkor annak is bírnia kell jó néhány kV-ot.
[OFF]
Idézet: Csak nem láttál valamit ami furcsa? „"vasember"” Idézet: Hát igyekszik az ember fölzárkózni a többi fórumtárshoz ! „"nem semmi csóka vagy” GU50pp szasszijára utaltál akkor , erre csak annyit tudok mondani hogy annak a 3 darab félelmetes trafónak kell ám az a sok vas ? :hide:
A fene egye ! anno nem jó nick nevet választottam ?
A csöves erő legyen veletek
Aztán majd énekeljük, mint a Black sabbath, hogy : Jön a vasember, megb@@@ aztán agyonver
Sziasztok!
Azt szeretném kérdezni, hogy van nekem két EAG AE-782/A erősítőm. Az erősítő még az eredeti kapcsolásban működik ECC83-mal, és két EL84-gyel. Olvastam itt a fórumon, hogy nagyon szeretitek használni az ECL/PCL86 csöveket, mert szebb hangjuk mint az EL84-nek. Azon gondolkodtam, ahogy olvastam a soraitokat, hogy átalakítanám ezt a két erősítőt olyanra, hogy ECL86-tal menjenek, úgy mint az AE-211-es erősítő. A 211-ben és a 782/A-ban ugyanolyan kimenő van. Beraktam a kapcsolási rajzot ahogy most az erősítőt használom. Érdemes átalakítani ezt a 782/A-t úgy hogy ECL86-tal működjön? Szerintetek szebb lesz a hangja? Üdv: Geri.
Sziasztok!
Én az egész Google-t bejártam! És a fórumot is ott találtam de érdekelne hogy lehetne rádiót készíteni szűk keretben de jó műhelynél. :yes: és én nagyon sajnálom hogy megszűnt a MHSz MHSz=Magyar Honvéd Szövetség mert ott volt rádiós szakosztály és a fiatalok tudtak rádiót készíteni! Ha érdekel az MHSz akkor nézd meg ezt az oldalt : http://hu.wikipedia.org/wiki/Magyar_Honv%C3%A9delmi_Sz%C3%B6vets%C3%A9g Ja ha valaki adna infót vagy tervet meghálálnám
Üdv a fórumon !
Idézet: ott volt rádiós szakosztály és a fiatalok tudtak rádiót készíteni„Viszont gondolom csöves rádióra gondolsz ? Akkor viszont van talán olyan topik ami ezzel foglalkozik ! Csöves tuner” Idézet: [/OFF] „Hát erre meg csak azt tudom mondani hogy én tagja voltam egy MHSZ klubnak mintegy 6-7 éven keresztül , de ott csak rádiót kezeltünk ! Építeni csak othon és saját felelőségre tudtál semmi segítség nélkül , a klubban csak voltak gyári készülékek amiket az akkori kornak is régi kiszuperált katonai készülékei voltak ! magyarul roncsok voltak gyakorlatilag értéktelen csak szemléltető eszköznek voltak jók .”
Üdv a fórumon!
A témád, nem egészen ide illik, ebben a topikban kifejezetten a csöves hangfrekis erősítők lelki világával foglalkoznak. Ha rádiót szeretnél építeni, akkor ajánlanám ezt a topikot akár csöves, akár félvezetős.
Ez szerintem erősen klub és klubvezető függő volt. Én 68 és 74 között voltam MHSZ rádiós klubtag. Minden évbem az Öreg (klubvezető) oktatási tervet csinált, és az szerint okított bennünket. Hetente 2-3 szor jöttünk össze 2-4 óra időtartamra (egyik mindig vasárnap délelőt 8-12-ig). Kettő csoportot csinált, kezdő és haladó. Az átlag létszám 15-20 fő volt összesen, ebből 5 fő körül volt a haladó, akiket bevont a kezdő csoport oktatásába is. Kemény, fegyelmezett oktatás folyt, mind elméleti, mind rádióforgalmi téren, aki az ismeretekben elég messzire jutott, az ment központi rádióamatőr vizsgára. Sok házi vizsga volt, ami alapján az Öreg eldöntötte ki vizsgázhat. Mint említettem 68-ban 12 évesen keveredtem a klubba, 69-ben már a klub anyadából épített (de lehet, hogy az Öregéből) rádiót hallgattam, a rádió a klubé lett persze, egy idő után szét lett szedve alkatrésznek, és ki lett adva másnak. Gyakorlati oktatás is volt, ennek első lépése az volt, hogy vezetékeket kellett összeforrasztgatni, az Öreg elmondta, megmutatta hogyan kell és addig gyakoroltatta, amíg jó lett.
Itt én operátori és rövidhullámú "A" vizsgát is tettem. Ebben a klubban pl. sok iskolát megszégyenítő színvonalú oktatás folyt szerintem, ezért mondom, hogy valószínűleg a klubveztető jellemén, szándékán, lelkiismeretességén múlott elsősorban a tevékenység eredményessége, mivel a központi ellenőrzés nagyon laza volt (legalábbis az ilyen önkéntes alapon működő MHSZ rádióskluboknál).
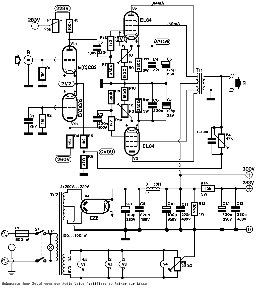
Sziasztok. Néhány oldallal ezelött, felkerült ez a kimenö rajz, és az a kérdésem lenne hogy megfelel e ehez a kapcsoláshoz?
|
Bejelentkezés
Hirdetés |



irányt vesszük előrének.
GU50pp szasszijára utaltál akkor , erre csak annyit tudok mondani hogy annak a 3 darab félelmetes trafónak kell ám az a sok vas ? :hide:
A csöves erő legyen veletek




