Fórum témák
» Több friss téma |
Fórum » Csöves erősítő készítése
Ne feledd betartani a fórum viselkedési szabályait, és a topik megmaradásának feltételeit. [link]
A téma átmenetileg fagyasztva lett, hozzászólni nem tudsz!
Szerintem is más lesz, egyébként én is pont azt a PCL-t építem.
Üdv.
Egy db hálózati egy csatorna átcsövezését elbírja, merthogy a két ECL 86 fűtőteljesítménye kb a 2db El84 + ECC83-éval egyezik meg. Ráadásul az ECL-ek pentodája 1 W-tal kevesebb max anóddisszipációt bír, így gyakorlatilag kisebb lesz a terhelés a trafókon ( egy hangyaf@@@nyival
)
8w ? Nem létezik! Az több volt. Na jó elhiszem neked, de 8W amit érzek is már, na olyat még nem láttam, hihetetlen számomra. Mindenesetre nyomot hagyott bennem, ezt szerintem te is tudod.
Igen a fogaskerékre várok, mindenképp a trafóval szeretném kezdeni, aztán majd szépen sorba, ahogy jön a többi. Úgy néz ki lassan meglesz mindenem hozzá, a doboz viszont lehet hogy koppintás lesz, nem tudom. A tiéd egyszerűsége és szerelhetősége nagyon tetszett. Üdv.
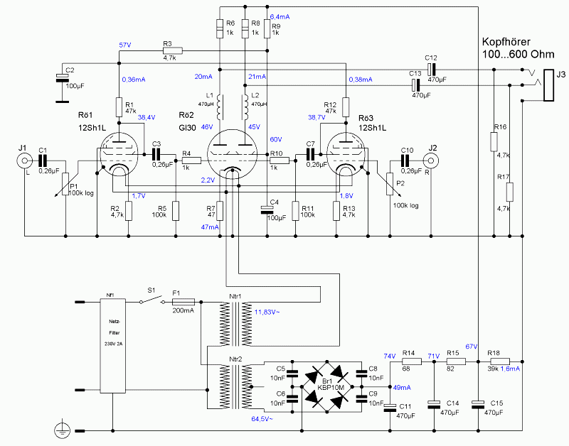
Még nem tudom pontosan milyen kapcsolás lesz, de az AE211 lesz az alap, attól nem sokban fogok eltérni szerintem.Csak a két ECL86 lesz benne csatornánként, plusz az EZ81.Talán az érzékenységen kell majd növelnem, gyanítom, hogy kevés lesz.
Szerintem egy trafó nem viszi el a két csatornát, sem a fűtések, sem az anódtekercs,én két hálózatit teszek bele, az eredeti TH782-t, a hangnak sem teszek vele rosszat ECL/PCL csak fűtésben különbözik, lásd adatlap. üdv
Üdv mindenkinek! Visszatértem
(ebbe a témába)Arról lenne szó, hogy kinéztem egy jó kis füles erősítőt, és érdekelne, hogy kinek mennyire "tetszik"! Abszolút katonai jellegűre szeretném megépíteni majd…
Hát igen, ezek a csővek szinte előre meghatározzák a jellegét. Kiváncsi lennék a hangjára. Érdekes, hogy nem találkoztam ezzel a kapcsolásal. Nekem tetszik, főként azért mert érdekesek a csővei. Mondjuk én azért nem számitógép tápba raknám bele
Igen, nekem is azért tetszik, mert a GI30 valamiért nem mindennapi, egy nagyon jó orosz cső szerintem. A 12Ж1Л meg tényleg egy furcsa szerzemény, ezzel még nem is találkoztam… Az a PC-tápos verzió meg egyenesen ocsmány, az egy dolog, hogy kis labortápokat, meg ilyeneket beleépítenek, de egy ilyen cucc azért sokkal többet érdemelne! (spéci kapcsolót már találtam rá, régi telefonközpontos Jack meg visszajelző lámpa is van, a septar foglalat meg olyan durva leszorítós lesz, ha már ennek a csőnek megvan a gyűrűje - nem úgy, mint pl a 6C33C-nek)
Szia!
Szerintem sem rossz ez a kis kapcsolás, csak én a tápellátását csöves egyenirányítással oldanám meg, és fojtóval szűrném. Úgy szebb lesz a hangja, nem lesz érdes a félvezetős zajtól, hanem lágy és kellemes lesz. Egyébként hol tudsz ilyen csöveket szerezni amik a kapcsolásban vannak?
12ж1л csövem nekem is van pár darab,vadi újak,és valami erősítőt szeretnék csinálni belőlük,OTL verzióban vagy illesztőtrafósban,csak sajnos nem tudok semmi adatot róla hogy mekkora áttételű kimenő kellene hozzá?
Valaki tud segíteni?
Ja egyébként itt van egy adatlap féleség,amit az este scanneltem be frissen egy eredeti cső mellé hajtogatott papírról!
remélem tudtok vele kezdeni valamit!
Szia Márk!
Köszi az infót. Esetleg fel tudnád tenni CHZ rajzát? Miben különbözik az eredeti AE211-es kapcsolástól?
A kapcsolási rajz itt van.
Sajnos az AE211-et nem ismerem, a kapcsolását se. Mondjuk örülnék egy ilyen erősítőnek, lenne is PCL86PP-m nekem is.. Tényleg, most nekem lenne egy kérdésem/kérésem. Zoli már kereste (de nem találta) azt az EAG kapcsolási rajzát, amiben PCL82PP működött. A típusát, esetleg a kapcsolását (lehetőleg a kimenőtervvel együtt) valaki nem töltené fel, ha megvan? Én már nem építeném meg, csak összehasonlítanám azzal, ami nekem van, mert az már 2x meg van építve forrlécre. Ehhez már csak a kimenő, meg a hálózati kell, hálózatit tekerem lassan, de a kimenőnek nincs is meg még a vasa. Bár lehet, hogy én is Ecopityu ötletét koppintom a Kör-ből.
Fűtés: 12,6V/75 +-5 mA, Anódáram: max 11mA, Disszipáció: 2,7W, Anódfesz 250V, G2: 225V.
Most "csak" egy EL84-6Sz3P-EV" SE-t hallgatok. Nagyon kemény, hogy a félvezetős 2x100W-ja egyáltalán nem hiányzik. Itt arról beszélgettünk, hogy mi miért lehet. KD mester állította, hogy Ő megcsinálta a "tökéletes" erősítőt, mégsem szólt jól. Arra a következtetésre jutott, hogy bizonyosfajta torzításfélék jót tesznek a hangnak. A fene tudja, de mindenesetre nagyon mást tolmácsol egy ilyen kis csöves (is). Most elektronikus zenét hallgatok, de ezt sem lehet egy lapon említeni a félvezetőssel. A speciális effektek teljesen másképpen, mondhatni nagyobb információtartalommal szólalnak meg, az énekhang összehasonlíthatatlan.
A 2010-es Rt Évkönyvben Sipos Gyula megint "belefutott" a témába. Már egy percig sem tagadja, hogy - ha akarunk - csövessel előbb jutunk eredményre. Már 2008-ban is erről beszélt...... Szerk: A börze után Szamócának -aki félvezetős területen hatalmas tapasztalattal rendelkezik - és Dumatyinak is lehetőséget adtam egy kis csövezésre. Senki nem szidalmazta, milyen vacak kis készülék.
Az EL84SE 2W-ját nagyon éreztem... Olyan hangos volt, hogy majdnem kiestem a szobából.
Anyukám bejött letolni, hogy halkítsam már le, mert nagyon hangos... Szóval nagyon komoly dinamikája van a csöveseknek, azért hallom a 2W-ot 20W-os tranyósnak.
Az EL84SE csak 2W-ot ad Nálad? Szerintem ad az 3-4W-ot is!
[OFF]PÜ-t írtam.
Ja hát torzítatlanul csak 2W színusz jött ki belőle, mert a kimenő 15,5kOhmos impedanciájú. Még szegény jó Siba Feri bácsi készítette.
Ettől féltem én is, hogyha egybe akarnám építeni a két csatornát, az új hálózati trafót jelent. Hát akkor marad a monoblokk. Az sem rossz.
Én is arra gondoltam, hogy az AE-211 lenne az alap, az már egy 40 éve működő, és bevált kapcsolás. Azt kéne kipróbálni majd, hogy a visszacsatolás bekötését hasonló módon megoldani, mint a mellékelt EL84SE kapcsolásban van, két ellenállás közé beilleszteni. Ez azért jó, mert nem tolja el a munkapontot az NVCS. Nem biztos, hogy kevés lesz az érzékenység, mert én is kényelmesen ki tudom hajtani a 782/A-t a PC-vel is, és a CD játékossal is.
Ha jobban belegondolok az NVCS-n mindenképpen kell majd állítani, hiszen a TK-782/A-t már 4 Ohmosra átkötöttem. Hát ettől féltem én is, hogy nem fogja bírni egy hálózati... Pedig milyen szép lett volna egybeépíteni...
Szerezz még egy hálózatit, vagy egy másikat bele.
Üdv!
Ez egy előerősítő lenne,a neten találtam.Csak most kezdtem el ismerkedni a csöves világgal,megosztanám a kapcsolási rajzot,hátha valakinek ötletet adok,illetve hátha valaki már megépítette és el tudja mondani a tapasztalatait.
Több csövet rendeltem belőlük, mert így adják
![]() Ha érdekel, pü-t írtam… Én is szeretem a csöves egyenitányítást, mert ha már csöves a cucc, akkor ízig-vérig legyen az! Valami különlegeset lehet, hogy keresek is neki, valami jó kis orosz cuccot ami szép is (szerintem az orosz csövek mind szépek, olyan félelmetesen batárok)
Voltam ma a LOMEX-ben és szemügyre vettem a kimenőtrafókat. Hát kinézetre nagyon szép
és ezzel véget is ért a pozitív tulajdonságok sora . Méretre feleakkora a trafó mint kellene. A tekercsek osztása is kevés. A lemezek vastagok mint a hálózatinál. Az ára meg ezek után sok.
Mondjuk kicsi szobában az a 2X8W is nagyot szól.
Nem találtam igazi ékszert a cucchoz, viszont aki GU50-et épít csöves egyenirányítással, ajánlom figyelmébe a 5C9S-t!
Hiába keresem, nem találom, az annak idején ngyZoli által belinkelt El509 kapcsolást, az "enhanced triode mode" meghajtással. Tudnátok segíteni? amúgy Zolival mi van, ezer éve nem volt itt ...
Szia. Remélem így tudok segíteni.
Na így meglett, köszi ! felismertem egy hozzászólásom, amiben valószínűleg Zolinak válaszoltam, így meg lett az ő hozzászólása is a rajzzal
Én csak fájlmellékletre kerestem , és annak a neve kapcsolások 04 volt
Szívesen.
Na ezért írtam én is, hogy nincs konkrét rajzom, az majd adódik a fülem visszajelzései alapján.
Ha mindenáron egy trafóval akarod megoldani, akkor tekertess hozzá egy toroidot,ami elviszi a két csatornát, méretben nem lesz nagyobb mint a mostani hálózati trafója. üdv |
Bejelentkezés
Hirdetés |


)

Valaki tud segíteni?






ami szép is (szerintem az orosz csövek mind szépek, olyan félelmetesen batárok)
és ezzel véget is ért a pozitív tulajdonságok sora
