Fórum témák
» Több friss téma |
Működhet ez a kapcsolás úgy, hogy a 6 fet helyett csak 3-at teszek be, fázisonként egyet, és a négykivezetéses motor közös pontját testre kötöm?
Szenzor nélküli a motorom, az excelbe milyen motoradatokat kell megadni?
Nem, mindharom meghajtashoz 2-2 FET vagy BJT vagy legrosszabb esetben bipolaris kell... Aramiranyt kell tudni valtani...
Összedobtam a kapcsolást, azzal a különbséggel, hogy nem volt TC4469-es IC-m, és helyette az alsó feteket közvetlen kötöttem a picre, a felsőket pedig optocsatolókkal húzom 12V-ra. Működik rendesen. Azt nem értem, ha forog gorsan és kézzel lassítom, akkor miért esik ki a szinkronból és áll meg? Nem úgy kellene, működnie, hogy a PIC olyankor visszavesz a frekiből és újra elkezdi gyorsítani? Azért van benne a visszacsatolás. A fordulatszámot sem tudom szabályozni, csak felpörög maxra és ennyi. Nektek hogy működik?
Melyik kapcsolast raktad ossze es milyen excel tablarol beszelsz amugy?
A TC4469 driver azert lenne fontos, mert ezeknek a nagy FET-eknek mar eleg jelentos a kapacitasuk. Mikor kapcsol akkor egy pici ideig gyakorlatilag vegtelen aramot vesz fel ameddig a kapacitas fel nem toltodik. Ez nem jo a PIC-nek, talan egy aramkorlatozo ellenallas megvedene, de akkor meg a kapcsolas sebesseget csokkentened vele ami nem biztos, hogy jo hatassal lenne az alkalmazasodra. Mikor pedig ki kell kapcsolni a FET-et, akkor celszeru minel gyorsabban kisutni azt a kapacitast, hogy a lekapcsolas minel gyorsabban veghez menjen... Amugy amit irtal, igen, annak ugy kellene mukodnie. Mivel nem tudom milyen firmware-rol sot milyen kapcsolasrol van szo, nem tudom mi zajlik ott a hatterben. De pl a Microchip-nek van egy AppNote-ja, aminel a nullpont atmenet merese elore megjosolt idoben tortenik, es a nullahoz kepest +- iranyban mert elteresek alapjan allapitja meg, hogy hogyan kell az elektromos teret forgatnia. Ha jol emlekszem nincs abban a firmware-ben semmi extra, sem PID sem egy egyszeru ellenorzes, hogy vissza kapcsoljon open loop-ra ha valami nem stimmel vagy tulsagosan lelassulna a motor.
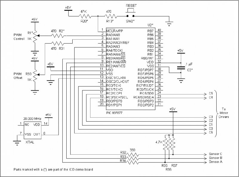
Mellékletben a kapcsolás és a program.
hello!
Szerintetek ez a kapcsolás működne valami átalakítással három pólusú motorral is?
Tisztelt szakik az lenne a kérdésem meg lehetne -e vezérelmi egy hdd motort úgy hogy max 5-10-et forduljon percenként vagy errre valamilyen más megoldás ? a kis méret lényeges erő nem kell
köszönöm előre is
Erre a kerdesre ugy is lehet valaszolni, hogy igen es ugy is, hogy nem. A HDD motorja nem szolgaltat pozocio informaciokat, emiatt csak az un. Back EMF (vissza generalt elektromos jel) szolgalhat informacioul. A generalt jel pedig ilyen kis fordulat eseteben szinte nem is merheto...
Van olyan megoldas, ahol a motorra HAL elemeket szerelnek es ezzel lehet a pozicio informaciokat kinyerni -- pl. CD-ROM motoroknal is ez a helyzet. Ezzel mar sokkal kozelebb allsz a megoldashoz. Valoszinuleg azonban egy stepper motor lenne szamodra a megfelelo, foleg, hogy nem kell nagy nyomatek. A stepper motorok valok az ilyen feladatokra igazandibol. Masik megoldas: Egy mechanikus attetelt teszel a motorra, amitol a motor megfelelo fordulaton tud jarni mig mechanikusan szamodra megfeleloen lassu lesz a forgatasi sebesseg. Ilyen mechanikai megoldasokat modellezo boltokbol lehet szerezni... De ha mar modelleknel tartunk, egy modellezo szervo-bol is lehet nemi atalakitassal ilyesmit csinalni, csupan a pozicio jelzo potmetert kell lecserelni fix ellenallasra, es akkor a PWM jellel lehet allo/jobbra/balra halado mozgast kikenyszeriteni, illetve a betaplalt feszultseg nagysagaval a forgatasi sebesseget vezerelni bizonyos hatarok kozott...
Moddolt szervó esetén a sebességet a pwm jellel is lehet nem ?
Van benne valami, de nyilvan ezt nem a PWM jel kitoltesenek valtoztatasaval erhetjuk el, hanem kicsit trukkoznunk kell.
A PWM-nek ugyanis csak az iranyt szabadna megadnia, es a szervonak addig kellene tekernie, ameddig a poziciot el nem eri -- fix ellenallas eseten ugye a pozicio informacio nem elegiti ki a PWM altal megadottat, ezert fog a szervo kar korbe-korbe tekerni. A pozicio elereset pedig a szervo lehetoleg minel gyorsabban szeretne elerni, tehat a benne levo DC motor tulajdonkeppen teljes sebesseggel kell forogjon meg a legkisebb valtoztatas eseteben is. Azonban ha "szakaszosan" mindig elinditjuk-leallitjuk a szervot akkor elerhetunk egy lasabb atlagsebesseget -- azaz a PWM "0" poziciobol (pl. 1.5ms) egy meghatarozott idore kihozzuk "+"-ba (pl. 2.0ms-re) majd megint vissza "0"-ba, majd kis ido mulva megint eljatszuk ugyanezt. Kicsit olyan mintha egy masik, lassabb PWM lenne erre az egeszre raultetve Meg sohasem probaltam, de elmeletileg akar mukodhet is a dolog.Na, viszont kozben meg megtalaltam ezt a szervo moddolo oldalt, ahol epp ez is benne van, hogy egy kondi cserevel meg a sebesseget is lehet kesobb a PWM-mel valtoztatni -- hmm, nem rossz, majd ki fogom probalni.
Játszadoztam már szervóval, és az enyém úgy viselkedett hogy ha nagyobb volt a különbség a kívánt pozició és a valós között, akkor nagyobb intenzitással fordult el. Tehát ha a közép értéktől csak kicsit eltérő jelet kap akkor lassan, ha meg a végálláshoz tartozó jelet kap a moddolt szervó akkor meg gyorsabban fog forogni ha minden igaz.
Azt amugy el tudom kepzelni, hogy a sebesseggel jatszadoznak csak hogy csokkentsek a tulfutast. Milyen szervo volt az amugy? (marka, tipus)
márkát nem tudom, a legolcsób mini szervó volt, áttetsző kék háza volt. Talán valami xxxx 1300 v. 1600 a tipusa.
Ja és ami még érdekes, az sem volt mindegy hogy milyen gyakran küldözgettem neki a vezérlő impulzust. Másként működött ha gyakrabban küldtem el. Egész magas frekit bírt, ha jól emlékszem 120Hz el küldtem neki a végén. Erről pedig nem sok infót találtam, hogy hogyan kellene csinálni. Általában 20Hz et irtak, de úgy nekem túl darabsonak tűnt, és alacsony frekinél hajlamos volt belengeni.
Nem 20Hz hanem 20ms (50Hz).
Amugy ha jol tudom akkor a kovetelmeny, hogy min 6ms kell legyen a felfuto jelelek kozott (duty cycle). De ettol lehetnek elteresek persze, nalam mar 10ms-nel is csinalt erdekessegeket -- ha erosebben megnyomtam a szervo kart, akkor ugye ahogy a nyomatekon tul tudtam mozditani a kart az egy bizonyos pozicio utan hirtelen beallt egy masik pozicioba... Szoval szerintem nem erdemes nagyon tulfesziteni a hurt, ha preciz kell akkor sajnos at kell terni a digitalis szervokra -- ott mar nem emlekszem pontosan de tobbszoros duty cycle-lal dolgoznak.
Üdv mindenkinek!
Nekem egy olyan problémám lenne, hogy találtam valamilyen hdd motort, ~13 kivezetése van, ezek közül lesz egy szenzor valszeg, mert amennyire szét tudtam kapni, láttam benne egy elég nagy fém tárcsát, aminek az oldalán 1 helyen van egy gombostűfejnyi pont, és a külső peremen pedig egy 3 lábas cucc. Ezt kéne valahogy működésre bírni, képeket majd holnap készítek és pakolok fel. Ha valakinek van valami tippje, azt szívesen veszem! Üdv. Amu
Üdvözlök mindenkit, új vagyok a fórumon.
Konkrét kapcsolási rajzot keresek HDD motor vezérlésére. Előre is köszönöm a segítséget...
Kicsit vissza olvashatnal a forumban -- azert forum, hogy kesobb el lehessen olvasni ki mit irkalt
![]() Pl egy korabbi valaszomban is van ilyen: 519358
Sziasztok.
Valaki kitudna segiteni egy hdd motor meghajtasaval, pic16F84-es mikrokontrolerrel. ( kapcsolasi rajz + program) egyelore is koszonom.
Sziasztok!
Én próbálkozom az ide porton való rövidrezárogatásal, de a vcc-re menő szálak melyik vcc-re menjenek? A +5 vagy a +12 voltra?Bővebben: Link
Egy Vcc van, nincs ketto
(+5V)
Ezzel az összezárogatással azt értem el, hogy fél perc helyett két és fél percig forog.Nem tud valaki egy programot ami atmega8-16pu-hoz lett írva?Mármint hdd motor vezérlésére való programot.
Sziasztok!
Hdd kapcsolási rajzra lene szükségem,tudna valaki segíteni? Seagate 120 gbytes model:st3120022a
Lehet hogy hulyeség, de szerintem megérne egy próbát:
A pc-ben a ventillátorok is bruhlessek, azokban beépített elektronika van. Namost mi lenne ha szétbuherálnék egyet és a hdd motort kötném rá? (12v mind a kettő)
Komplett winyó kapcsirajz kell?
Ez a téma csak a HDD motorok hajtásával foglalkozik, nem erre gondoltál?
Hello!
Ha jól emlékszem amit néztem HDD motort 3 fázisú volt, a ventillátorok pedig 2 fázisúak. 180 fokos 2 fázisú vezérléssel nem hiszem, hogy menni fog. |
Bejelentkezés
Hirdetés |







Meg sohasem probaltam, de elmeletileg akar mukodhet is a dolog.





