Fórum témák
» Több friss téma |
- Ez a felület kizárólag, az elektronikában kezdők kérdéseinek van fenntartva és nem elfelejtve, hogy hobbielektronika a fórumunk!
- Ami tehát azt jelenti, hogy a nagymama bevásárlását nem itt beszéljük meg, ill. ez nem üzenőfal! - Kerülendő az olyan kérdés, amit egy másik meglévő (több mint 17000 van), témában kellene kitárgyalni! - És végül büntetés terhe mellett kerülendő az MSN és egyéb szleng, a magyar helyesírás mellőzése, beleértve a mondateleji nagybetűket is!
Szia!
Hát én egy rakással kaptam a googleban. Remélem ilyenre gondolsz, és itt találsz magadnak valót. Én csak az 5. lapig lapoztam el, de már számtalan kapcsolást találtam, de az oldal gyűjteményében is van azt hiszem.
Rendben
Csak azt nem tudtam, hogy az első-nél lüktető egyenáram lesz, vagy meglesz mindkét periódus (ezért gondolkoztam a 3.ban is), a második az nekem is gyanús volt, csak gondoltam egyet. Szóval az elsővel, mire én is gondoltam, meg lehet ilyen formán oldani a trafó teljesítményének másként való megosztását ( V, A arány), és felhasználását. Köszönöm.
Pedig nagyon úgy rémlik, hogy láttam ilyen megoldást, hogy így jobban terhelhető. De ha pl nekem van egy 2*12V 1A trafóm, ez ~24W, de ezt én nem hasznáhatom úgy, hogy 12V 2A és nem 24V 1A? Elvégre teljesítményre ugyan az jön ki.
Ezt tudom, de ilyenkor lesz nekem pl. a 24V 1A és nem a 12V és ~2A. Szerintem én kavarom is, és még férre is értjük egymást. De újra nekifutva akkor a lehető legegyszerűbben. Létezik-e olyan kapcsolás mi egy szimmetrikus trafó pl. 24W, 2*12V, 1A helyett 24W, 12V, 2A eredményez?
Tudtok nekem mutatni olyan kapcsolást ami bisztos hogy a fényre kapcsol.
Idézet: . Ezt tudom én is, mert nonszensz. Áttekercselés nélkül gondoltam. Teljesítmény az fix, ez világos, de az nem, hogy miért nem tudom én másképp kihozni azt a teljesítményt. Ha úgy csinálom hogy kihagyom a középleágazást akkor leveszem a trafóról a 24V 1A (ami 24W), de a középleágazás felhasználásával milrt nem tudom ugyancsak a 24W-ot megosztani 12V és 2A-ra, ezt nem értem. A transzformátor teljesítményét én értem, csak azt nem, hogy miért nem úgy osztom meg ezt ahogy én akarom, hogy ha van nekem közép leágazásom. Én nem a teljesítményt akarom növelni meg hasonlók, hanem másképp megosztani A és V függvényében. „Szóval olyan nem létezik, hogy 2*12 V 1 A és ebből nagyobb W szám sehogy”
Válassz ki egy komparátorost onnan amit küdltem. Biztos, hogy működni fog. Csinálhatsz tranzisztorosat is de komparátor elven egyszerűbb is lesz, olcsóbb is és biztosabb is, hogy 2 logikai szint között fog működni. Bármilyen műveleti erősítő vagy komparátor IC-vel megoldhatod, nem kell túlbonyolítani. A komparátor egyik bemenete nézi a feszültségosztót az érzékelő és egy ellenállás közt, a másik bemenete a komparátornak meg egy feszültségosztóra van kapcsolva, és ez lesz a küszöbszint amihez hasonlít. Az ic kimenetére meg jön egy tranzisztor mi meghajt egy rellét, vagy akár a tranzisztor maga az áramköröd. Ez az elve, sok ilyen van ott amit küldtem, és ami erre alapoz az szerintem biztosan működik. Üdv!
Helo!
Azért nem tudod felhasználni a középleágazást (3 sec kimenetnél) mert a tekercsek sorba vannak kötve trafón belül. Ha négy kivezetés van a trafón akkor párhuzamosan kötöd a tekercseket és marad a fesz 12 volt, viszont 2 amperral terhelheted. Vigyázz ha párhuzamba kötötd a kivezetéseket és nincs meg a 12 volt akkor fel kell cserélni az eggyik kivezetést huzaljait.
Köszi a segítséget!
Sziasztok
Azt szeretném kérdezni, hogy melyik szoftvert érdemes kapcsolási rajz, nyáktervezés és szimuláció céljából alkalmazni? Eagle programmal csináltam nyákokat eddig, de szeretnék szimulációt is csinálni majd, meg érdekelne az is, hogy egy kapcsolási rajzhoz hogyan tudok egyből nyákot tervezni, ezért érdekelne, hogy ez a program a legjobb választás, vagy van valami ami népszerűbb és könnyebben tudok segítséget kérni a használatához!
Sziasztok!
Valaki tudna segíteni, van egy "kis" beadandó házim, ami már majdnem kész is van, de az egyik feladattal nem boldogulok, valahogy kimaradt nekem. Egy sorrendi feladatot kell megoldani MT tároló segítségével, kerestem már a googleban is de nem találtam semmi használhatót, ha valaki esetleg tud valami segédletet, vagy el tudná magyarázni hogyan kell megoldani, azt megköszönném.
Kapcsrajznak és nyáktervnek jó az Eagle, ha már hozzá vagy szokva. Szimulátor programból vannak olyanok mint MicroCap, Tina, Multisim stb. Átlag van ingyenes verziójuk is - bizonyos korlátozásokkal.
"MT"? "Sorrendi feladat" -> "fázis regiszter"? JK vagy D tárolókkal szokás olyat tervezni. Az MT-ről neMTudom mi lehet.
Üdv!
Le tudná nekem részletesen írni valaki hogy milyen alkatrészek kellenek ehhez az áramkőr megépítéséhez? Van egy-két dolog amiben nem vagyok biztos. Ezt az invertert szeretném megcsinálni, és tudom hogy nagyfeszt generál ezért nem szeretnék úgy neki állni hogy nem vagyok biztos valamiben
Üdv!
Talaáltam egy kapcs rajzot és az ic-hez nincs oda írva a lábkiosztás légyszi segítsetek hogy melyik lábak vannak bekötve. Tosi
Google > levadászod az IC adatlapját, pár percig nézegeted és könnyedén rá fogsz jönni a megoldásra, mivel szó szerint óvodás szintű feladat (képek összehasonlítása).
A rajzon szerepel az összes alkatrész típusa, értéke. A trafó egy sima 2x12V/220V-os trafó.
Oszcillátor->buffer->teljesítményfokozat->trafó. Melyik résszel nem vagy tisztában?
Sziasztok!
Van egy régi tirisztoros szovjet akku töltőm amit kölcsönadtam és forditva tettek rá az akkura. Kiégett a 2 db 400v/10A.-os tirisztor,amit kicseréltem pont ugyanolyanra.Plusz beletettem a pozitiv szálba egy 10A.-os biztositékot,szerencsére mert valami nem stimmel mert állandóan kiveri még a 25A.-osat is.Azt szeretném kérdezni van.-e valakinek ötlete mi lehet a baj.akku nélkül kb 1,5 V a feszültség a töltőszálon(először egy 600V/10A.-os tirisztorral helyettesitettem akkor kb.4,5V volt az üresjárati fesz).Lehet,hogy a vezérlés is sérült amikor forditva kötötték rá az akkura. Köszi.Becsey
Köszi!
Nem találom azt a két diódát amit írtál. A D1 2A, és a D2 2A lenne az? Vagy azok ledek?
2 amper áramterhelhetőségű dióda. Ezt jelenti a 2A-t. A D1 és D2 pedig a pozíciószámuk az áramkörben, a típushoz nincs közük ezeknek a jelzéseknek. Igen, azokra gondolt Köbzoli.
Lefényképeztem a feladatot.Az MT tárolót meg lerajzoltam paintban, a lényege hogy az alsó kapcsoló megnyomásakor meghúz a relé, ezután a felső kapcsolóval is meg lehet tartani.
Helló!
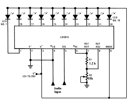
Egy kivezérlésjelző beállításán dolgozok. LM3915-tel lett megépítve és a feszosztó helyére trimmer potitkat szeretnék rakni hogy állítható legyen az érzékenysége. Találtam egy csatolt dokumentumban egy feszosztó.xls fájlt. Két piros mezőbe volt írva 18000 és 2700 amelyet én kicseréltem 4700 és 22000 értékekre mert azt írta valaki hogy oda írjuk a poti értékét majd a mellette lévő sárga mezőbe pedig hogy hová tekerjüka potit. Ezt megtettem sikerült beállítanom a Rlo-t és az Rhi-t. A trimmereket is megvettem. Kérésem a következő: Valaki legyenszíves írja le hogy melyik trimmer-t hogy kell beköt melyik lába hova csatlakozik. Egy móricka rajz is megfelel. Csatolom az eredeti és a módosított xls fájlt. Nagyon szépen köszönöm.
Köszi! Még egy kezdő kérdés: a rajzon vannak vonalak amik nem csatlakoznak sehova, és egy kis nyíl van a végén. Ez gondolom a föld? és a jobb felső sarokban a 12V os ágnál van egy hullámos vonal. Az mit jelent?
Sziasztok! "Elromlott" a pákám. Többször hallottam már kis cicergő hangot belőle és akkor utána vagy közben nem is fűtött. A páka maga egy házi trafóval működik, a 24V-ot megkapja. A pákákhoz nem nagyon konyítok, meg nagyon sürgős a dolog ezért szétszedtem és belenéztem. A csatolt képen látható kék alkatrész valamiféle relére csatlakozik. Ennek a kékségnek a lábait zártam rövidre csipesszel és akkor már működött is. Viszont amikor megszűnt a rövidzár, akkor megjelent a cicergő hang újra és kék fényjelenségek a relé(?) érintkezőin. Csatoltam egy képet. A kék cuccot kellene cserélni? Vagy a relét? Hol találok hozzá alkatrészt gyorsan? Köszi srácok, bocs a béna leírásért, elég nyomasztó a dolog sürgőssége. Üdv! goo
ui: Ez a kék izé egy kondenzátor. Próbálok segíteni, hogy tudjatok segíteni!
Azok a negatív bemenő tápfeszültség pontjai. Ezeket a nyilakat össze kell kötni. A rajz áttekinthetősége érdekében "rövidítenek" így. Valóban, ez a "föld".
A hullámvonal egy biztosíték, jelen esetben 50A-es.
Üdv!
Azt az átlátszó műanyagbúrát óvatosan szedd le, ami a mágneskapcsoló érintkezőit védi (nincs alatta vákuum, sem egyéb hókuszpókusz). Aztán, ha az érintkezők szabadabban hozzáférhetők, nem kell mást tenned, mint előveszel kb. 600-as csiszolópapírt és az érintkező felületek "közé nyúlsz" a papírral és megdörzsölgeted szépen ezeket a felületeket mindkét oldalról. Nem kell a művelettől annyira félni, csak lehetőleg ne görbüljön maradandóan semelyik rész se. Ha a csiszolgatással végeztél, utána alkohollal kicsit megtisztogathatod még, majd visszateheted az átlátszó burkolatot és már működni is fog tovább szépen, ahogy elő van írva! |
Bejelentkezés
Hirdetés |




Csak azt nem tudtam, hogy az első-nél lüktető egyenáram lesz, vagy meglesz mindkét periódus (ezért gondolkoztam a 3.ban is), a második az nekem is gyanús volt, csak gondoltam egyet. Szóval az elsővel, mire én is gondoltam, meg lehet ilyen formán oldani a trafó teljesítményének másként való megosztását ( V, A arány), és felhasználását. Köszönöm.











