Fórum témák
» Több friss téma |
Ha sok energiát akarsz spórólni, akkor először is használd a keresőt: Kapcsolások: Villogó
Ebből úgy tudsz egy ledes villogót csinálni, hogy az egyik led és 100akárhány ohmos ellenállás helyére beteszel egy 1-2K-s ellenállást. Máris csak egy ledes a villogód...
Nagyon köszi mindenkinek az értékes információkat. Meg kell hogy dícsérjem ezt az oldalt mert nagyon gyorsan sok-sok tudományt lehet összeszedni. köcce mindenkinek!
én isnagyon szeretemaz oldalt mert sokat segítenek csak néha szokott baj lenni a mondival de amúgy nagyo jó az oldal.
Ha érdekell az energia takarékos led akkor felteszem igazán egyszerű kis villogó kell hozzá vagy 4alkatrész. Ha kel esetleg berajzolomés felteszem
Üdv! Én láttam talán ezen az oldalon de nem biztos egy nagyon 1szerüt. Kell hozzá egy LM nem tudom mien IC meg 1 led és kész is 1,5 V-os.
Hi! Én tudok egy igen egyszerű 1 led-es villogót.
Kedves Andra s. Szívesen elfogadok bármilyen javaslatot, ötletet. Előre is köszi.
Helyesbítek a kérésemen ne 8-9 alkatrészből álljon hanem annál ne legyen több de nem is láttam olyan hozzászólást ami több lenne annál.
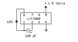
A legegysezrűbb, legkevesebb alkatrészből kihozható az LM3909-es IC-vel összeállított. Ennek elég 1,5V, alig kell a LED-en kívül más bele, és itt is idézték már néhányan.
Bár az IC nem olcsó (lehet, már nem is gyártják, legalábbis ezt hallottam róla, de elfekvőben egyes boltokban még akadhat belőle), de azért - talán - nem olyan vészes összeg. Takarékosnak meg végképp takarékos. Köszönjük az elismerő szavakat!
[url]http://www.arwill-elektronic.hu/index.php?pg=2 ezen az oldalon meg leehet rendelni a LM 3909-es IC-t úgy h még kapható alkatrész.
Nem tudom én szerintem az X jez az, hogy nem kapható márpedig az LM 3909 mellet egy kis piros X vantehát szerintem nem rendelhető, bocsi de mind1-is mert már megépítettem a kapcsolást és (igen ez igaz) MŰKÖDIK!!
csak 1 baj van hogy a LED ritkán villan föl szerintem ez a kondi hibája egy 100uF, 10V-os van benne szerintem ha azt kicserélnénk akkor gyorsabban villogna nem? Segítenétek mien kellene bele?
Sztem kísérletezz vele! Tegyél bele elsőnek egy 47µF-ost, az kb. fele, és látod, hogy milyen irányban akarsz eltérni ettől. Ha még mindig lassú, tehetsz 22µF-ost, vagy 10µF-ost, etc.
Hali!
Én ismerek egy boltot, ahol lehet kapni. Igaz, hogy nagyon drága, de lehet kapni.
Hát a jó öreg 555 astabilban?
Keresőbe beírni és már jön is a rajzok tömkelege. És ez olcsó!!
Jaja ez tuti a legjobb 555 és tényleg olcsó és tehetsz rá bármien ledet. Sőt csinálhatod SMDböl és akk drágább csak, hogy ne legyen már olyan olcsó meg így kevesebb helyet foglal
http://www.hqvideo.hu/pr?srch=lm3909n&ls=20&sm=2
hááát, nem is tudom...talán 2db tranya olcsóbb...SMD-vel meg majdnem akkorában is megépíthető, mint LM3909-el.
Persze, és végül is a 3909 is kiváltható hagyományos alkatrészekkel...
Hihetetlen, hogy egy készen kapható alkatrész hogyan képes egy komplett topicot életben tartani!
Viszont az a rajzolt kiváltó panel nagyon ötletes oktatási célra!
Én ezt megcsináltam:
Veszel a 100 forintos boltban egy ébresztőórát. Eltávolítod a telercset belőle, és a helyére kötöd a ledet. Mivel a kimeneten mádodpercenként fordul a polaritás, ezért a led 2 másodpercenként gyúl ki. Ha párhuzamosan ellenpolaritással kötsz mégegyet, akkor felváltva villognak.
Üdv!
1,5 V-ról, ócsón, takarékosan. Villog. Szerintem. >>>ITT NI!<<< Nu! Nem NU, hanem NI!!! Ekieki-ekieki! :yes:
Sziasztok! Tudna Nekem segíteni abban valaki, hogy olyan kapcsolási rajzot keresek, hogy 1 LED-et szeretnék üzemeltetni 9V-os elemről. Egyszerű, és könnyen megépíthető legyen. Előre is köszönöm a segítséget.
Vegyél villogó ledet és köss elé egy 680ohmos ellenállást. Ennél egyszerűbb szerintem nincs!
Szia!
Ez egy nagyon egyszerű villogó 3 alkatrészből áll Ha 9V-ról szeretnéd üzemeltetni tegyél az elem után 600-800ohmos ellenállást
idazad van DjGeorge ez a rajz tényleg állat én is megépítettem
ez szinte mindent elvisz! szenetm ezt építsd +
hali!
Megpróbáltam megépíteni az oldalon a Kapcsolások rovatban található két LED-es villogót. Annyi a baja hogy ha feszültséget kapcsolok rá, akkor az egyik LED csak felvillan és utána elalszik, a másik pedig folyamatosan világít. Mi lehet a hiba? |
Bejelentkezés
Hirdetés |









