Fórum témák
» Több friss téma |
Fórum » Labortápegység készítése
Nekem 4 egyforma műszerből , amik a labortápomban trónolnak, kettő mái napig ugrál, igaz a csak a legutolsó szegmens, és mindig csak 1 értéket, de akkor is, a másik kettő mozdulatlan, pedig mind a 4 egy kaptafára készült, rejtély, de már megszoktam
Ez az "ugrálás" szerintem nem számít. Bőven belül van a hibahatáron.
Általában olyasmi okoz ilyet, ha a nyákterv huzalozása nem jó. A legkisebb áramváltozás (akár egy led is) is bezavarhat a referenciába, ami azonnal megjelenik a kijelzett értékben is. Már nem emlékszem kinek a tervét építetted, de Attila86 nagyon oda szokott erre figyelni. Másik ok lehet az IC gyártási szórása is. De mégegyszer hangsúlyozom, ez a mérték bőven elmegy. Csak a saját megnyugtatásodra, hogy valóban kiderüljön a műszer huncutkodik-e (én erre voksolok), vagy esetleg a tápban van valami turpisság, egy külső digitális multival is zárd rövidre a kimenetet. Ennek áramértékét vesd össze a kijelzőjével, illetve nézd meg ingadozik-e mindkettő.
köszönöm a segítséget
Egyébként Attila félét csináltam meg.Mondjuk már én is kezdem megszokni. Viszont ha a digimultit rákapcsolom akkor ott beáll fix értékre...(mármint a digimulti) De tényleg nem vészes az a két hámom mA Egyébként a Te kapcsolásod úgy mindenestől kb mennyibe áll meg anyagilag? Mármint arra gondolok amit készítettél: dupla táp, 4 panelmérő stb-stb. Nagyon tetszik a munkád Mondjuk a "nagy hoho" féle is király
Gondoltam felteszek én is pár képet a kész projektről.
Az Attila 86 féle labortápot építettem meg. Már csak valami jó feliratozást kéne kreállni az elejére ![]() Ezzel még gondba vagyok, nem tudom milyen eljárással oldjam meg...
Ha jól látom 45W-os a szürke trafó. Ez elég "sovány" ebbe a tápegységbe. Az önmérséklet lehet a barátod a problémára.
Helló! Köszönöm az elismerést. A Te tápod is tip-top kívül belül, gondos munka. A dobozát Te csináltad vagy csináltattad? Mert, hogy pont méretes. Az előlappal kapcsolatban van egy topik: http://www.hobbielektronika.hu/forum/topic_4470_from.html Hátha ad ötletet. Én betűmatricát használtam de nagyon macerás.
Itt az én elgondolásom, ahogy ígértem. Az első képen látod az adatlapban szereplő ajánlást. Ennek a jobb oldalát ( tehát az eredetiből kimaradt az áramkorlátozó rész ) látod az én rajzomon. Annyit változtattam rajta, hogy a negatív tápot kicsit bonyibban állítja elő: először egy 7808 "megfogja" a bejövőt és abból egy 7660 "csinál" negatív feszültséget. ( A 7808 azért kell, mert a 7660 10V-nál többet nem visel el. ) Ez után egy TL431 előállít -2.5V-ot. Ebből a -2.5V- ból a P2 által beállított feszültséggel a műv. erősítő "lehúzza" az LM317 referencia lábát.
Azért így csináltam, mert az LM317 ref. feszültségének van szórása. A gyári kapcsolásban JFET-el és két diódával állítja elő a negatív feszt., viszont azt nem lehet állítani. Nálam a P2-vel pontosan be tudod állatani a kívánt feszültséget. Én azt javaslom, hogy három panelen rakd össze. Az elsőn legyen a Graetz-hid és a pufferkondik. A másodikon az LM317 és a körítése. A harmadikon pedig a negatív fesz.-es alkatrészek: 7808, 7660, TL431 és a műv. erősítő. Előre bocsátom: nem vagyok profi , pont ilyen kapcsolást én még nem építettem. Lehet, hogy van benne hiba, a tévedés jogát fenntartom. Jó lenne, ha valaki hozzáértő átnézné és rábólintana, mielőtt nekiállsz.
sziasztok
köbzoli: hát igen volt egy-két apróság de sikerült mindent megoldani (mégegyszer köszönöm mindenkinek a segítséget köszönöm az elismerést Alkotó: igen közben én is rájöttem, hogy kicsit alúl van méretezve, majd odafigyelek rá. Legközelebb a Te általad közzétett tápot szertetném megépíteni, az nagyon tetszik nagy hoho: köszönöm az elismerést, a dobozt a lomexben vettem M20-as műszerdoboz 150*200*120
Szia, szerintem is jó lett, az előlapot nyomtasd ki egy lapra és ragassz rá áttetsző öntapadós tapétát és az egészet ragaszd fel az előlapra.
Üdv.
Na készen lettem az előlappal is
itt vannak róla képek köszönöm a segítséget mindenkinek
Olyan jó néha ilyen szép munkákat látni, az embernek kedve támad tőle valami hasonlóan szépet létrehozni.
Gratulálok, nagyon szép lett!
Szuper lett ügyes vagy.
Frankye : Idézet: „Olyan jó néha ilyen szép munkákat látni, az embernek kedve támad tőle valami hasonlóan szépet létrehozni.” Nekem ma ugyan ez járt az eszembe, ahogy itt is és a ki mit építettbe is felkerültek mesterművek, egyből kedvem támadt valamit csinálni.
Én is csatlakozom az előttem "írókhoz":
Elismerésem, szépet alkottál !!! ...és ahogyan olvasom nem csak a készítő, hanem a többi fórumozó szívét is "megdobogtatja" egy ilyen készülék ! További sok sikert Neked ! üdv: sector99
Nagyon szép lett olyan mint a gyári! Sőt...
Milyen progival csináltad és hogyan?
szia
köszönöm a dícsérő szavakat Az előlapot a Front Designer nevű programmal készítettem, majd egy fényes öntapadós A4-es lapra kinyomtattam. Majd ezt ráragasztootam az előlapra amit előtte megsziszoltam, hogy ne legyen "rücskös". Miután ráragasztottam a papírt még kapott egy védő fóliát (egy átlátszó öntapadós fóliát). A kijelzőnél az öntapadós lapot kivágtam, viszont a védőfóliát nem, így belűlről rá ragasztottam a kijelző helyére egy füst színű iattartóból egy darabkát, hogy annyira ne lálszódjanak a kijelzők (mármint amikor nem világítanak
Üdv mindenkinek!
Egy jó ideje már próbálkozom ezzel az örökölt házi építésű táppal, most jutottam el odáig, hogy a nyákról visszafejtettem a kapcsolási rajzot. Először csináltam ilyet, remélem nem rontottam el. Eredetileg 2N3054 és 2 db BDY38-as volt benne, de sorozatos balesetek után lett betéve BD243C és 2db 2N3055-ös. Első kérdésem mindjárt az, hogy ezek jók-e ebbe a kapcsolásba? A követekezők: mi a funkciója az R3 (1 ohmos) ellenállásnak? Csak úgy benne maradt, esetleg rövidzár védelem? A sönttel együtt 1,4 ohm, 14 V-on max 10 A? Mire jó az R7-R8-P2 csokor az IC 4-es lábán? Mit mér a V-mérő? A V-A mérő ugyanaz a műszer, csak az átkapcsolást már nem rajzoltam be. Hogyan lehetne min. 10 A-t kicsalni ebből a tápból? Ennyi kéne a kis kompresszorhoz vagy akkus csavarhúzohoz (az akkuja már a múlté). A trafó és a diódák bírnák. Hogyan lehetne a kimenő feszt egy pár V-al megemelni? A táp eredetileg 14V/5A-t tudott. A feltett kérdésekhez méltó (alacsony) szinten várom a válaszaitokat: erősáramú
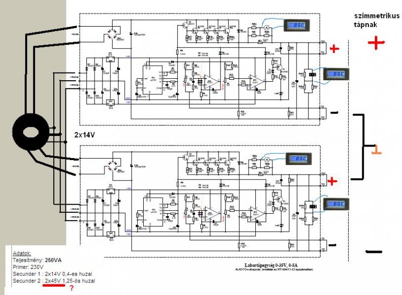
Sziasztok! Szeretnék egy labortápot, de rögtön szimmetrikusat. A tapasztalatom a labortápok témaában =0. Sokat visszaolvasva szeretném az RT-s áramkört Alkotó-féle nyákkal megépíteni. Ez a projekt nem ma lesz kész, de már tervezgetem és gyűjtöm a "hozzávalókat". Készítettem egy sematikus ábrát ami szerintem működőképes, de kérlek nézzétek meg hogy a gyakorlatba is átültethető-e. Egy ilyen:
Teljesítmény: 250VA,Primer: 230V,Secunder 1 : 2x14V-0,4-es huzal,Secunder 2 : 2x45V-1,25-ös huzal tudnék venni. Elbírja vajon az áramkör? Vagy azért ennél kisebb kellene. Ill. a 2x15V így bekötve megfelelő-e. Előre is köszönet. A LCD panelműszereket így simán be lehet-e kötni 200mV-ra kalibrálva?
Egy oldalnak elegendő mivel a trafód csak 250 VA. Ha leföldeled a közös pontot gondot okozhat, én nem tettem. Szerintem a segédfeszültségnek nem lenne jó ha nem galvanikusan elválasztva lenne. Eléggé határon jár a 2n3055 is ezzel a trafóval, főleg ha 5 V 5 A akarsz kihozni (de erről Alkotó már elég sokat írt). Az LCD műszereket be lehet így kötni. Én a két táp összekötését nem fixen oldanám meg, két relével mert akkor össze is tudod fogni a két oldalt és mindjárt 10A is kijöhet belőle.
Szóval akkor inkább 2 külön trafó segédfeszültségnek a két külön tápnak. És nagyobb teljesítményű, de kisebb feszültségű trafó a meghajtáshoz.
Igen a rajzon földre kötöttem, de egyébként úgy gondoltam, hogy nem a tápon belül lesz ez a közös föld, hanem ha pl. egy erősítő meghajtására használom akkor az erősítőben már a közös föld lesz. A tápon 4 db kivezetés lenne +,-,+,-. Közben ezt is megtaláltam tovább olvasgatva, köszönöm Link
Hello!
A rajzodon van némi hiányosság, amiért nem érted a dolgot. (A rajz nem egészen jól látható, az ellenállások pozíciószáma nem mindenhol kivehető.) - Az 1ohm ellenállás maga az áramfigyelő shunt ellenállása. Viszont az R5 ellenállás az 1ohm baloldalára megy. Az R5 és R6 ellenállás, visszahajló karakterisztikát valósít meg. (Tehát minél nagyobb a kimenő feszültség, a táp annál jobban terhelhető) - Alapvetően a kimenő feszültséget R4 növelésével teheted nagyobbá. (Viszont a feszültségmérő poti, szinte biztos, hogy nem a feszültségosztó alsó ágával kötődik párhuzamosan, tehát valamit ott is elnéztél.) - Elég érdekes, hogy a műszernek külön shunt ellenállása van, hiszen az áramfigyelő 1ohm rendelkezésre áll, azon is lehetne mérni az áramot. A műszersönt így még rontja is a kimenő feszültség stabilitását. Amennyiben az R4 jobb oldala, nem a kimenetre csatlakozik. Többet akkor lehet mondani, ha a rajz pontos, és az alkatrészek beazonosíthatók. Minden esetre a 30V bemenő feszültség 14-hoz elég durva, szép melegedést és veszteséget okoz. üdv! proli007
Berajzoltam egy vastag piros vonallal, hogy ha közös lenne a két segédtápfesz, az hogyan kötné össze a két oldal pozitív kapcsait.
Tehát NEM LEHET közös sem a segédtápfesz, sem a főtápfesz. Az LCD-ket bekötheted ahogy rajzoltad, az éppen hozzá illő osztótagokat ki is számoltam. Persze az alaktrészek szórnak kell kicsit igazítani néha rajta. Ha a műszereket nem külön külön elemről járatod, akkor azok mindegyikének kell egy-egy külön tekercs, és egy-egy külön 9V-os stabilizátor. Ha csak nem gyártatsz külön egy spec, trafót, akkor általában az a célszerű kialakítás, ha van egy vagy két trafó a főtápfesznek, és egy sokkal kisebb segédtrafó, amin van egy csomó tekercs (2-2db a segédfeszültségnek, és 4db a műszereknek, illetve még 1db a védelemnek meg a ventillátoroknak) A trafód 45V-ja nagyon sok ha csak 35V-ot akarsz. Az már bőven elég lenne az 50V-os verzióhoz is. Nézd meg azt a rajzot is mert azon vannak az osztóttagok kiszámolva. Ha még semmilyen gyakorlatod nincs labortáp témában, akkor ez egy elég nagy feladat lesz elsőre, de remélem sikerrel veszed az akadályt.
A frissebb verzióról, meg az Alkotós műszerekről itt találsz utalásokatBővebben: Link
Szia. Én "megálmodtam", ha a nyákot lehet vasalni akkor talán előlapot is. Nagyon örültem mikor láttam hogy ez tényleg kivitelezhető. Viszont én fejben ott akadtam el, hogy hogyan lehet teljesen eltüntetni /leáztatni a papírt (főleg nálad fáról)? Ha esetleg pár szóval leírnád, vagy esetleg egy másik hozzászólásban már elmondtad, elnézés, de eddig nem találtam.
A lakkozásnál én is megjártam a legutóbbi projektemnél, nekem az alsó festékréteget kapta össze. Mostantól szerintem vízbázisú lakkot fogok használni szépen lehet dolgozni szivacshengerrel olyan lesz mint a fújt réteg. Persze fánál a vizes alapú nem biztos hogy jó de a használati utasítás ajánlja.
Igen én is félek hogy nagy fába vágom...Lehet hogy kezdek inkább egy kicsivel.
És köszi.
Szia, számos komplett, kipróbált és bevállt kapcsolás van itt ebben a fórumban is, mindössze két darabot kellene építeni, ha ügyesen készited a nyákot, és a megfelelő alkatrészeket teszed be, el sem tudod rontani, nem olyan nehéz dolog ez. Csak utánépítés.
Köszi a választ!
Leellenőrzöm amiket írtál, holnap jelentkezek. Üdv: erösáramú |
Bejelentkezés
Hirdetés |
























