Fórum témák

» Több friss téma
Fórum » Csöves erősítő készítése
 
Témaindító: seedz, idő: Márc 31, 2006
Témakörök:
Ne feledd betartani a fórum viselkedési szabályait, és a topik megmaradásának feltételeit. [link]
A téma átmenetileg fagyasztva lett, hozzászólni nem tudsz!
Lapozás: OK   802 / 2208
(#) sturbi válasza kocos hozzászólására (») Nov 24, 2009
Ha a trafók szórnak gondot okoz a lágyvas, több helyen is olvastam (szakkönyvben is), hogy kerülendő, az alumínium javasolt helyette. Sokkal kényesebb az elrendezés vasdobozban, mint akumíniumban, főleg ha nagy erősítésű fokozat is van (saját tapasztalataim is ezt támasztják alá). -Viszont pont azért, amiért nem javasolt a full vas (mert jól vezeti a mágnességet), alkalmas mágneses árnyékolásra (elsősorban trafók, tekercsek), ezért sokszor elkerülhetetlen a használata.
(#) CHZ válasza Gery78 hozzászólására (») Nov 24, 2009
Rendben , elhiszem , hogy meghallgattad . Magabiztos kinyilatkoztatásodban , elfogultságot véltem felfedezni .
Én nem fogalmaznék ilyen sarkosan . Valóban van olyan kapcsolás amelyben érzékelhetően előnyösebb az AC fűtés , de általánosan ezt nem lehet kijelenteni .
Félvezetők használatáról írt véleményed "tranzisztoros hangja lesz... " már teljesen tévedés , biztosan befolyásolja a kapott hangképet , de "félvezetős hangzása" nem lesz . Közvetlenül a jel útjába tett félvezető már más kérdés , de nem erről beszélünk .
Ha jól , ésszerűen felhasznált félvezető bizonyos esetekben előnyös , régi technika adta lehetőségek tovább javíthatóak .
Én elhiszem és tudom , hogy tisztán csövekkel is lehet nagyon jó hangú erősítőt építeni , de nem csupán ezek a feltételek hozzák meg a sikert .
Elektroncső.hu oldalain sajnos , nagyon sok tévedés , szakmailag is hibás megfogalmazás található , ezért sem tudom megalapozottnak vennem érveid .
Mindenki másként csinálja , másban hisz , de a hitben is jó , ha van némi ráció .
(#) ferencferenc válasza CHZ hozzászólására (») Nov 24, 2009
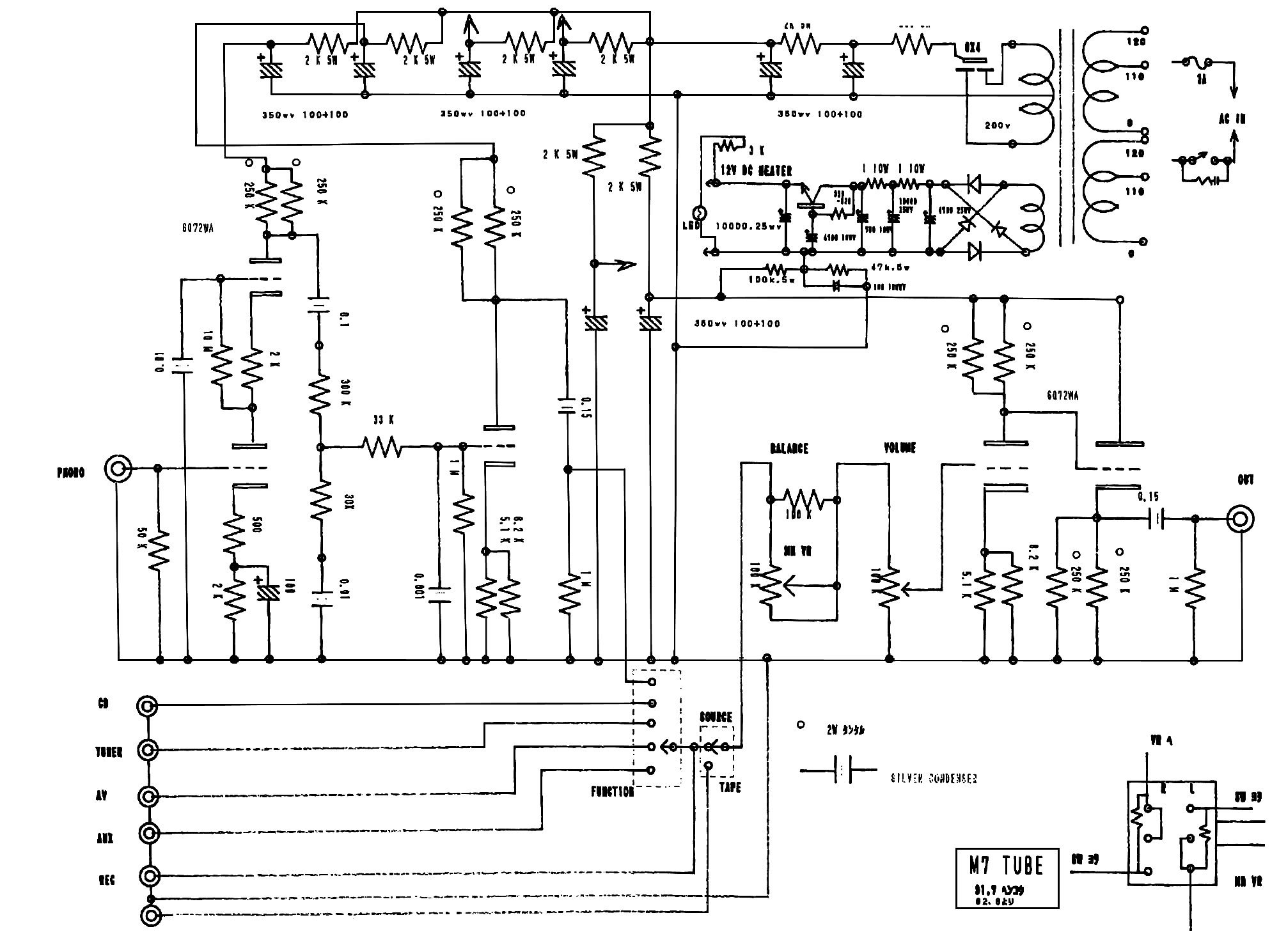
Az AUDIO NOTE, akik aztán tisztelik a "hagyományokat".....Ők maguk a hagyomány ......... elkövették azt a szentségtörést, hogy előerősítőjükben tranzisztort tettek a fűtéstápba

m7.gif
    
(#) kocos válasza ferencferenc hozzászólására (») Nov 24, 2009
A szemét álkonzervatív kapitalista banda ! Pfuj!
(#) lpcollector válasza ferencferenc hozzászólására (») Nov 24, 2009
Ez csak azért lehet, mert Kondo úr nem tud magyarul, így nem olvashatta az idevágó tudományos cikket az említett oldalról
(#) JZoli válasza Gery78 hozzászólására (») Nov 24, 2009
Ne haragudj, már ezt nem tudom megállni szó nélkül én sem. Pont CHZ-t akarod kioktatni a csöves hangzásról, és az erősítőkben alkalmazott félvezetők hangjáról, hát csak annyit tudnék javasolni. hogy olvass vissza a fórumba kicsit, és nézd meg a munkáit, meg azt is nyugodtan megnézheted mennyit segít a kezdő , vagy tanácstalan fórumtagoknak.Nyugodtan leírhatom szerintem, hogy Ő az egyik oszlopos tagja e csöves fórumnak, és valószínűleg tapasztalatai és tudása kicsit távolabb mutat mint a Tiéd. Nem kioktatni szeretnélek, ez csak sima tájékoztatás akart lenni. Mielőtt ki akarsz oktatni valakit jobb lenne utánsnézni mit is csinált eddig .
(#) Gery78 válasza mayky hozzászólására (») Nov 24, 2009
Jól van no, ebben igazad van... A diódás egyenirányítást nem szeretem és a kapcsolásba sem szeretek berakni félvezető eszközöket, de a poén jó volt! :yes:
(#) Gery78 válasza JZoli hozzászólására (») Nov 24, 2009
Ebben igazad van, nem akartam őt megbántani, ezúton is elnézést kérek CHZ mestertől, csak úgy éreztem, hogy Ő néz le engem, és nem építő kritikát írt, és egy kicsit rosszul esett. Valóban biztosan nagy tudású ember, de én is tapasztaltam egy két dolgot már a csöves technikából, (biztosan nem annyit mint Ő) és ennek adtam hangot, csak lehet, hogy nem a megfelelő formában. Még egyszer elnézést kérek.
(#) Gery78 válasza CHZ hozzászólására (») Nov 24, 2009
Ne haragudj rám kérlek, nem akartalak kioktatni, meg sarkosan fogalmazni, csak egy kicsit bántónak éreztem a hozzászólásod, és nem építő kritikának vettem amit írtál. Sajnos nem néztem utána a munkáidnak, és nem tudtam, hogy milyen sokat szoktál segíteni a kedves fórumtársaknak, és hogy mennyivel nagyobb tudásod van mint nekem. Aztán JZoli kolléga Úr kiigazított Veled kapcsolatban, hogy nincs igazam. Úgyhogy még egyszer bocsánatot kérek Tőled nem állt szándékomban megbántani Téged.

Azért írtam ezeket a tapasztalataimat, mert a csöves technika megtanulását régi erősítők felújításával kezdtem. Az első munkám egy EAG EA-080-as felújítása volt, aztán az EAG AE-782/A felújítása következett. Aztán a harmadik munkám egy EL84SE erősítő elkészítése volt, szintén csöves egyenirányítással. A 080-ban félvezetős egyenirányítás van, a 782/A-ban pedig csöves. A 080-hoz Siba Feri bácsival készíttettem kimenőket, tehát az igazi különbség számomra az egyenirányításban volt, és én a csöves egyenirányítást hallottam sokkal szebbnek. Valóban igaz, hogy annyira nem lesz rossz, hogy félvezetős hangja lesz az erősítőnek, de lehet hallani, hogy a diódás egyenirányítástól másabb úgymond félvezetősebb hangja lesz egy erősítőnek, mint amikor csővel egyenirányítunk. Emiatt nem preferálom a félvezetőt a csöves erősítőkben, ahol a jelek, mennek vagy a tápellátásról van szó. Azt sajnos nem tudom annyira megítélni, hogy az eletroncső.hu oldalon mennyire korrektek a cikkek, de eddig azt hittem, hogy ott olyan dolgokat írnak ami szakmailag jól megalapozott és helyes. Ezekből az információ morzsákból próbálok tanulni, amiket itt ott hall az ember. Sajnos a suliban már nekem nem tanították meg a csöves technikát, csak a félvezetőket. Ezért próbálom saját erőmből megtanulni ezeket a tudományokat, csak így tankönyvek, és mentor nélkül nagyon nehéz.

Üdvözlettel: Geri.
(#) ferencferenc válasza Gery78 hozzászólására (») Nov 24, 2009
..ez szép volt!... jó volna ha így működne ez nagyban is
(#) Gery78 válasza kocos hozzászólására (») Nov 24, 2009
Siba Feri bácsinak volt tanítványa? Jó trafókat tud készíteni? Mennyire mélyedt el ebben a tudományban? Anno én is kérdeztem Feri bácsitól, hogy megtanítana-e engem a trafótekerés művészetére, de sajnos erre már nem került sor. Én még mindig nagyon szívesen megtanulnám a kimenőkészítést, csak nincs kitől megtanulni. Lenne elég türelmem, és kitartásom a kimenők elkészítéséhez, elpepecselni az apró részletekkel, hogy tökéletes legyen. Nem tudsz valakit akitől megtanulhatnám? Hol vette Feri bácsi a vasakat meg a csévét? Azt tudom, hogy a többi szükséges eszköz, a tekercselő drót, meg a sokféle szigetelő anyag a Villértnél beszerezhető.
(#) ferencferenc hozzászólása Nov 24, 2009
.....csövezzünk!....
PP kimenőnél a két anódtekercs tekercseit ellenkező irányban tekeritek /forgásirány/ ugye?
Egy osztásom 3 rétegből áll, tehát balról kezdem majd jobbra-balra-jobbra tekeredik a huzal. A másik anódtekercs ugynez csak ellentétes forgásirányban. Helyes ez így?
(#) Gery78 válasza ferencferenc hozzászólására (») Nov 24, 2009
Anno ezt megkérdeztem Feri Bácsitól, hogy szokta tekerni a trafókat, úgy emlékszem Ő nem vacakolt ilyesmivel, nem bonyolította el a dolgot, hogy fogásirány váltás meg ilyen turpisságok Ő a kezdet - véget cserélte fel, úgy fordított fázist. Szerintem amit Te mondasz az is helyes, az is lehet egy módszer, csak ott is a kezdet-vég elrendezésére kell figyelni. A harmadik meg az, hogy a TK-157-et az EAG-EA057 trafóját tekerték, ott ha jól emlékszem nem volt forgásirány-váltás, hanem a cséve másik oldalán volt a kezdete a tekercsnek. Remélem jól emlékszem.
(#) ferencferenc válasza Gery78 hozzászólására (») Nov 24, 2009
Viloágos a TK157 működése, mert ott minden sor egy "tekercs". Nálam egy "tekercs " 3 sorból áll, , ezekből 2 jobbra tekeredik egy meg balra! A másik "tekercsnél" meg 2 balra 1 jobbra Az azonos irányban menők nem ugyanabban az irányban mágneseznek?
(#) Gery78 válasza ferencferenc hozzászólására (») Nov 24, 2009
Értem a dilemmádat, de ha a kezdet-véget felcseréled akkor szerintem nem, mert ellenkező irányban folyik az áram, és kiegyenlíti egymást, ha jól gondolom. Mindjárt készítek egy gyors rajzot, ahogy Feri bácsi csinálta nekem a kimenőt az EA-080-hoz.
(#) mayky válasza ferencferenc hozzászólására (») Nov 24, 2009
Én ezt úgy tudnám eldönteni, ha készítenék néhány próbatekercset a két csévére.
Nem biztos hogy érdemes vacakolni a forgás iránnyal, akkor lenne értelme ha egyközépen osztott trafóról lenne szó. Hát mondjuk arról van szó
ugye a tökéletes szimmetria akkor van meg ha a + ra is egy pl. kivül lévő tekercsvégek mennek, az anódra is egy ugyanolyan helyen lévő pl a legalsó kiv. megy.

A képen Nyikolaj trafója készülő stádiumban, nagyon macerás megcsinálni, és nem hoz annyit a konyhára.

(#) PetAd hozzászólása Nov 24, 2009
Üdv
A trafók vasait összeragaszthatom pillanatragasztóval? 2 napja nem tudom megszüntetni a rezgést, leszedtem már róla a szekundert amit én tekertem rá, hátha az a baja, de nem. Össze van szorítva, de mindig rezeg, nem tudok már vele mit kezdeni.
(#) ferencferenc válasza Gery78 hozzászólására (») Nov 24, 2009
Tehát elég "annyi", hogy az egyik anódtekercset /ami persze 3 réteg/ balról kezdem tekerni jobbra, tehát jobb-bal-jobb a tekercselés iránya, a másik anódtekercset meg jobbról kezdem tekerni balra, tehát bal-jobb-bal a tekercselési irány?
(#) zolika60 válasza PetAd hozzászólására (») Nov 24, 2009
A pillanat ragasztó nem nagyon jó, mert meleg hatására elenged. Amikor még foglalkoztam ilyesmivel csónaklakkba áztattam a trafót zúgás ellen. Az rögzített mindent.
(#) ferencferenc válasza mayky hozzászólására (») Nov 24, 2009
A szimmetriával nemhiszem, hogy gond lesz /elméletileg/
mivel két csévére fogom tekerni /SU mag/, csak ez a bal-jobb okoz némi fejtörést....nekem
(#) ferencferenc válasza mayky hozzászólására (») Nov 24, 2009
Kimenőnél jó a 0.1-es prespán sorszigetelésnek?
(#) CHZ válasza Gery78 hozzászólására (») Nov 24, 2009
Én kérek elnézést ha bántónak , lenézőnek érezted mondataim , nem ez volt a szándékom
Azt meg végkép nem gondolnám , hogy nagyobb tudásom lenne .
Nekem más a véleményem , nem tartom igazán jó megoldásnak ha csak hiedelmekre építünk félvezetők használatával kapcsolatban.
Szerintem modern technika simán ötvözhető a régi bevált megoldásokkal .
Csöves egyenirányítás létjogosultságát is elismerem , biztos , hogy jó hatása van főként SE erősítők esetén .
Flélvezetős egyenirányítás is lehet nagyon jó , de nem simán hagyományos alapokon kivitelezve .
Elektroncső.hu oldalt ha olvasgatod egyes cikkekben (nem Bozó úr írásaira gondolok ) azért találnod kellett meglepő és szakmailag hibás kijelentéseket .
Nem baj ha ilyen oldalakat olvasgatsz , de szerintem saját tapasztalataid adják a legértékesebb alapokat .

Üdv.: Zoli

(#) pucuka válasza ferencferenc hozzászólására (») Nov 24, 2009
Üdv!
Uraim. az asszony jelezte, hogy tegnap, amikor meglátogatta a szelektív gyűjtőhelyet XI. Bánk bán, Keveháza u , sok régi TV - t látott. Ha valakit érdrkel
(#) PetAd válasza zolika60 hozzászólására (») Nov 24, 2009
Nem fog melegedni annyira, mert szabad levegőn lesz és kevesebb lesz rajt a terhelés, mint ott ahol eredetileg volt. Be is ragasztom miután feltekertem újra a szekundert.
(#) zolika60 válasza PetAd hozzászólására (») Nov 24, 2009
Oké, de az csak akkor segít, ha valóban a lemezek zizegnek és nem a menetek. A lakkos áztatás azon is segít. Kicsit macerás az igaz, de utána csönd van.
(#) mayky válasza ferencferenc hozzászólására (») Nov 24, 2009
Jó !
Én 0,05-öst használok 2 réteben, de van egy érzésem hogy 2 réteg 0,05 jobban szigetel mint 1 réteg 0,1.
Vagy 2 réteg 0,1 -re gondoltál ? Készíts egy számítást, hogy elférsz-e, mert kimenők (meg más trafók) nagy részét a szigetelés tölti ki.
(#) Gery78 válasza Gery78 hozzászólására (») Nov 24, 2009
No leskicceltem gyorsan a rajzot. Ha megnézed, akkor itt látszik, hogy a k-v van felcserélve.
(#) ferencferenc válasza mayky hozzászólására (») Nov 24, 2009
0,1-esem van, elméletileg elférek..ez az első trafó, amit tekerek ..ezért teszem fel a kérdéseimet ilyen sebességgel! Nos, tekerési irányban még valami?
(#) PetAd válasza zolika60 hozzászólására (») Nov 24, 2009
Szerencsére nem a huzal zizeg, a lemezek rezegnek annyira. hogy a padlón is érezni a rezgést. A huzalokról leszedtem a papír szigetelést de azok nem rezegnek, le is fogtam de nem csökkent a rezgés.
(#) Gery78 válasza ferencferenc hozzászólására (») Nov 24, 2009
Hát ha középen osztott kivitel lesz, akkor azt hiszem kell erre is figyelni. Feri bácsi kerülte a középen osztott kivitelt, Ő mondta, hogy a sima soros tekercseléssel szimmetrikusabb lesz a trafó. Majd nézd meg légyszi a rajzot.
Következő: »»   802 / 2208
Bejelentkezés

Belépés

Hirdetés
XDT.hu
Az oldalon sütiket használunk a helyes működéshez. Bővebb információt az adatvédelmi szabályzatban olvashatsz. Megértettem