Fórum témák
» Több friss téma |
Fórum » PIC égetési hibák, problémák, kérdések
A fényképezőgép kinézetű ikonra kattintva kilistáztathatod a topik ábráit. Azt hiszem, hogy a tieddel azonos kapcsolást is láttam (amivel gondja volt valakinek), de hasonlónak tűnik az Oshonsoft égetője, ami többeknek bevált. Valószínűleg át tudod alakítani olyanra. Kritikus lehet az inverter IC típusa, s lehet, hogy másik programmal (Oshon vagy Winpic) is meg kell próbálni.
Hellóka.
Jó lett a programozás, a pic is meg az égető is. Viszont, szerintem a config bitekkel lehet még valami, mivel nem indul be. Ezt találtam. ? The configuration fuses must be as follow: Address: Value: 300001 06 300002 00 300003 00 300005 01 300006 80 300008 00 300009 00 30000A 0F 30000B 0C 30000C 0F 30000D 40 Connect the ICD2 to the chip which will be rogrammed and click "Connect ICD2" If all is ok, you will see the responce that the ICD fount connected PIC18F452 Now you have to click "Program" and wait for the peration to finish. When the bootloader is programmed into the device, please download the latest Service Software and install it Please dont forget to reboot your computer. After the computer is rebooted you have to run Update. Then click "Update" and wait for the main firmware to be programmed.
Hi.
Meg van! Lassabbra álítottam a sebességet, és jó lett az írás. A config biteket is megoldottam, az elöző hsz-emben írtak sztornózva.
Sziasztok!
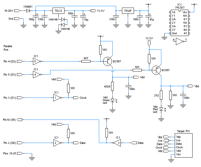
Megépítettem watt LPT-s programozóját, gondjaim vannak az életre keltésével. A kapcsolás elvileg működőképesnek tűnik, mert úgy tűnik létrejön adatáramlás a PIC és a PC között, a WinPic800 esetenként a PIC pontos típusát is képes felismerni, viszont kiolvasásnál és íráskor a visszaellenőrzésnél mindig teljesen fals, és változó adatokat olvas vissza. A winpic800 és IC-prog programokkal próbáltam, a cikkben leírt beállításoknak megfelelően. Tehát úgy tűnik, hogy működik, de teljesen instabil, 3 különböző PC-vel is próbálva. Elég kezdő vagyok, így tanácsot kérnék, mit ronthattam el? A kapcsolásban egy SN74LS07N IC-t használtam, de időközben kicsit elbizonytalanodtam, hogy mit is jelent ebben az elején az "SN"? Jó ez egyáltalán nekem, mert más előtaggal is láttam 74LS07-et? Csatolok egy képet, hátha valaki meglát valami amatőr hibát, amit én nem veszek észre. A PC-vel egy kb. 15 cm-es szalagkábellel kötöm össze, a nyák felőli végét a látható tűs csatlakozóval, a másik végén egy szabvány printer port csatlakozó. Továbbá kérdésem lenne még, hogy az okozhat-e problémát, hogy csak a VPP-re raktam külön kapcsolót, a VDD-t a dugasztáp csatlakoztatásával "kapcsolom" (a tápegység egy-egy 7812-es és 7805-ös IC-vel és 12V-os dugasztáppal van megvalósítva, a feszültségszintek megfelelőek). A segítséget előre is köszönöm!
Szia!
Cseréld ki az ic-t HS-esre. 74HS07. LS: low speed HS: High speed én így tudom, boltba mondták még anno meg nekem ez van benn, és tök jó. Igaz nem kapcsolós, csak simán két tranyó kapcsolja a vdd-t és vpp-t, a többi meg az ic dolga. Mellékelem a nyáktervet, ha kell. (spirit layout-os) Idézet: „LS: low speed HS: High speed” Biztos nem szakember mondta, mert itt nem azt jelenti: LS: Low-power Schottky. HS sorozat szerintem nincs is, legfeljebb HC vagy HCT (high-speed CMOS) , de kérdéses, hogy a 07-es ilyenben is beszerezhető-e. Elírtam a HC-t, közbe nem kéne mással foglalkoznom. Beszerezhető, hisz itt van egy nálam is. Ezt nagyon rég monták, mondjuk nem foglalkoztam vele, ebben a hitben halok, meg, ha nem szólsz. Akkor Bocsi e téves félrevezetésért, és köszi a helyesbítésért. És van HC-s.
HC-vel az a baj, hogy van a kimetén védődióda a táp felé, így a kimenete csak kb. a tápig tud felmenni. Ide meg olyan kell, ami ha nem húzza le a kimenetét, akkor bármeddig felengedi. Jó az az LS erre a sebességre, nem maga az IC a probléma. Mondjuk hogy nálad mitől működik megfelelően a Vpp kapcsolás azt nem tudom, talán épp a határon van a dolog...
Az lehet,hogy pont a határon fityeg. Az elején volt,hogy nem müködött. Mondjuk akkor még a 06os volt benn. A 07tel működik jól, ugy talältam az ict itthon. Még akkor vehettem, amikor monták ezt a ls hc-s dolgot. (jól ätvertek...)
Sziasztok!
pic16f84a-t szeretnék programozni, amihez egy égetőt kellene összerakni. Beleolvastam a forumba és tájékozodni is probáltam, de nem nagyon tudom milyen égetőt építsek. A soros csatlakozásű égetőkről anyit szürtem le hogy nem biztos megéri megépíteni, igaz ez? Elég kezdő vagyok, ezért valami egyszerűbb de jól működő áramkört keresnék. Segítsetek! kösz.
Kapcsolási rajzot tudnál esetleg linkelni hozzá?
Mellékeltem. A VPP-n lévő ellenállás még nincs rajta, azt majd be kell biggyeszteni valahova, úgy stabilabb, azt vettem észre, ha az rajt van a kimeneten.
Na megépítettem a watt féle legegyszerűbb lpt égetőt. Ámde nem TUDOK égetni. winpic800at használtam és a pic tartalmát kiolvasta, de írásnál már hibát ír az első címre.
Úgy gondolom valószínű nem kapja meg a min 12 voltot. Az áramot egy régi pc tápja adja és elvileg 5 és 12 voltot kéne leadnija. Hát lemértem (elég régi műszerem van, mutatós, örököltem ) az 5v megvolt de a 12 helyet csak 10,5 volt rajta. Lehetséges ez, és az hogy ez nem elég a pic16f84a-nak??Hogy lehetne felerősíteni min 12v ra? Tud valaki segíteni? A "tok" a "tartó" szó szinonímája, nem a "tudok" rövidebb változata! Ennyire ne legyél már lusta! Frankye
Terheld meg egy izzóval az 5V-os PCtápágat(pl. egy autós 12V-os 55W-ossal. Próbálhatod 21W-ossal is először...)
Idézet: „Lehetséges ez, és az hogy ez nem elég a pic16f84a-nak??” Arra valók az adatlapok, meg a programozási specifikációk, hogy ilyen kérdéseket soha ne kelljen feltenni. A gyártónál jobban meg ki tudhatná?!
Megcsináltam amit mondtál, a feszültség el is érte a 12v-ot, de az égetés ugyan úgy nem sikerült
Nem tudom mi lehet a gond.
Az apróhirdetésben van egy gyári PICkit2 Starter kit. Érdemes megnézni!
Sokat írtunk erről korábban, előfordul, hogy a PC LPT portja miatt nem működik az egyszerűbb, sőt van mikor az IC-vel illesztett verzió sem. Sajnos a PC-k is egyre gyorsabbak és gagyibbak!
![]() Nekem jelenleg nincs is már LPT az új gépemen, ezért a COM portosat használom, ha kell(itt ragadom meg az alkalmat, hogy elmondjam, a Windows 7 alatt is jól működik a WPB_F18 COM porton keresztül az io.dll-el. Egyre inkább fontolgatom a 16-osokat kezelő programom megírását, hogy legyen egy stabil program a gyenge áramkörökhöz a kezdőknek. Remélem hamarosan lesz időm rá! Addig is az F18-akhoz használjátok a WPB-t!)
Sziasztok! újra ittvagyok
Beszereztem egy PICKit2 debug kitet, és próbáltam írni a 16f84a picet de sikertelenül. A programja nem ismerei fel, ha átálítom akkor sem írja, már arra gondolok hogy nem is jó a picem Lehet valahogy ellenőrízni hogy a pic működő képes e? Vagy már biztos nem jó és vegyek újat?
Ha jól kötötted be és egyéb áramköri elemek is rendben vannak a panelen(már amennyiben áramkörben programozod), akkor valószínű, hogy tönkrement a PIC-ed.
Üdv.
Vettem 2db 12F675-öt, hogy próbálgassam a programozást, de amikor az egyik MCLR lábára ráadtam a +12V ot, forró lett az IC, programozni természetesen nem lehetett. Először azt gondoltam, hogy rossz lábra adtam a feszt., de a másik PIC-et ugyanilyen bekötés mellett tudtam programozni. Lehet, hogy akkor tettem tönkre, amikor kivettem a csomagolásból (a másiknál csak szerencsém volt)? Mennyire érzékenyek a PIC-ek a statikus feltöltődésre? A dokumentációban semmiféle ilyen infót nem találtam.
Nem hinném, hogy annyira érzékenyek. Én sosem bántam velük finoman, semmi antisztatikus zacskó, földelt asztal, földelt páka, földelt karcsipesz és hasonló dolgok, és még nem volt olyan, hogy ismeretlen okból tönkrement - ami tönkrement, mindet tudom, hogy mitől.
Köszi a választ!
Viszont a másik sem tökéletes, ill. nem tudom, hogy a PIC rossz, vagy a programozó. Ugyanis a másikat is csak az Oshon-al tudtam programozni, viszont kiolvasva "hülyeség" jön vissza, és utána már a beégetett program sem működik. Valószínűleg azért tudtam csak Oshon-al programozni, mert az nem végez a programozás után automatikusan ellenőrzést, így jó marad a program. A programozó a WLPT_Vpp_mini_v4. A programozót kimértem multiméterrel: Vpp: 12,22V Vdd: 5,10V PGC, PGD: 0,15V (L); 5,10V (H) Ezeket a dugdosós próbapanelon, a PIC lábainál mértem, PGC-t, PGD-t a programozó programban váltogattam (L-H). Ha a PGD-t H-ra állítottam, ezt program érzékelte. Mértem a PGD-t, miközben a PGC-t váltogattam, ill. fordítva, hátha valahogy feszültség kerül át az egyik lábról a másikra, vagy a 74LS07 rossz, de nem, minden tökéletesnek tűnik, mégsem jó .
Milyen hosszúak a vezetékek(LPT, ICSP) és miből vannak?
Mekkora elkó van PIC tápján a próbapanelon? Van 100n-s kondi a PIC-en a táplábához közel? Az ICSP vezetékekre csak az égető van kötve? Ha viszont nem elektromos a hiba, akkor a mai PC-k LPT portja szórakozik. A régi PC-ken nem szokott gond lenni. Én évekig haszáltam az ilyen felépítésű égetőket, a gyári Oshon, vagy a WPB_F18 égetőáramkör és még sorolhatnám, mert az összes LPT-s, ezen alapszik, soha nem volt gondom velük. Esetleg cseréld ki a 74LS04-et egy másikra, lehet, hogy sérült... Idézet: „Milyen hosszúak a vezetékek(LPT, ICSP) és miből vannak?” Az LPT-t UTP kábelből csináltam, most kb. 30 cm hosszú (többször is levágtam már belőle, hátha jó lesz). Az ICSP egyszerű szalagkábel, kb. 60 cm hosszú. Kipróbáltam úgy is, hogy kiiktattam az ICSP kábelt, és az ICSP tüskesorra egy hüvelysort dugtam, majd ezt dugtam bele a próbapanelba, de így sem működött. Idézet: „Mekkora elkó van PIC tápján a próbapanelon?” A PIC-nek a tápot az ICSP-n keresztül adom, így az csak az ICSP tápcsatlakozójánál van 100µF -os elkó az 5V -on és a 12V -on is. (bár szerintem ez is felesleges, mivel a tápot egy olyan dugasztápról veszem, amit egy USB-s IDE HDD mobilkerethez kaptam, 5V és 12V jön ki belőle 6 pólusú mini din csatlakozón keresztül). Idézet: „Van 100n-s kondi a PIC-en a táplábához közel?” A PIC táplábaihoz 470nF -os kondit tettem, mert olyat találtam. Idézet: „Az ICSP vezetékekre csak az égető van kötve?” Igen, az ICSP vezeték megy az égetőből a próbapanelre. Megvizsgáltam a PGC-t egy oszcilloszkóppal (RFT EO 211), szép négyszögjelet láttam (pedig nem valami jó ez a szkóp). WinPic by Wolfgang Buescher (DL4YHF) Pic Programmer-el is próbáltam, lelassítva az égetés sebességét, de az sem segített. PIC 16F917-et is szerettem volna programozni, de az sem ment. Kiolvasás után "PIC reading failed, maybe blank" üzenetet ír ki. A PC-m kb. 4 éves, próbáltam egy másik gépen, de azon se ment. Az IC 74LS04 vagy 74LS07?
Egy képet tudnál készíteni, hogy lássam hol vannak a kondik?
Az ICSP max 20cm hosszú legyen. 74LS07-et akartam írni, elnézést! A 100µF a kapcsoló előtt van ugye, nem a Vpp lábon a próbapanelon?
Lefotóztam mindent.
Az elkók a kapcsoló előtt vannak. Kicserélem az IC-t, hátha akkor jó lesz. |
Bejelentkezés
Hirdetés |





Elírtam a HC-t, közbe nem kéne mással foglalkoznom. Beszerezhető, hisz itt van egy nálam is. Ezt nagyon rég monták, mondjuk nem foglalkoztam vele, ebben a hitben halok, meg, ha nem szólsz. Akkor Bocsi e téves félrevezetésért, és köszi a helyesbítésért. És van

Nem tudom mi lehet a gond. 
Lehet valahogy ellenőrízni hogy a pic működő képes e? Vagy már biztos nem jó és vegyek újat?
. 








