Fórum témák

» Több friss téma
Fórum » Kapcsolási rajzot keresek
 
Témaindító: Kallai Csaba, idő: Márc 11, 2006
Témakörök:
Lapozás: OK   100 / 385
(#) proli007 válasza Doncso hozzászólására (») Dec 9, 2009 /
 
Hello!
Akkor jó a kimenetére, elég egy dióda, vagy egy nyitott kollektoros tranyó, esetleg Fet. Vagy egy CD4007-ben minden benne van, csak a lábait kell csomóra kötni.
De lehet, hogy csak egy kondi kell a kütyü bemenetére.
üdv! proli007
(#) raiman hozzászólása Dec 9, 2009 /
 
sziasztok
én egy sima IR távirányító kapcsolási rajzot szeretnék ha tudnátok segíteni nagyon megköszönném
Infra adó kellene meg infra vevő.
1 csatornás.
Lehetőleg egy relét kapcsolgasson de csak annyi ideíg amig nyomom a gombat
előre is köszi
(#) Doncso válasza proli007 hozzászólására (») Dec 9, 2009 /
 
Na ezt kipróbálom.
Csak bejön valamelyik.
Köszönöm.
(#) _ampervadasz_ hozzászólása Dec 10, 2009 /
 
Üdvözlet mindenkinek.

Sikerült hozzájutnom, egy szoni DAV S300 -as házimozi rendszerhez. Ehhez kerestem szervízadatlapot, de sehol nem találtam.
Nagyon hálás lennék ha valaki megtudná velem osztani, hogy hol találhatom meg.
Azért meg különösen örülnék is, ha valaki tudna segíteni találni hozzá firmware -t (esetleg boot loader tartalmat, nem tudom ez felelős lehet e), hogy ne csak a gyári műsoros lemezkéket vigye a piszok.


Előre is ezer, meg egy köszönet.
(#) aflmor válasza _ampervadasz_ hozzászólására (») Dec 11, 2009 /
 
Ez a "szoni" csak gyári lemezeket tud beolvasni! :yes: ...és ez nem orvosolható :no: Sony Compact AV System DAV-S300 Operating Instructions

(usermanual:4.oldal)

Max. régiókódmentesíteni tudod, és kikapcsolni a másolásvédelmet:
SONY DAV-S300 Multi-Region:
==========================

* Put the player into Standby mode
* Press 1 and Return on remote for region 1, 2 and Return for region 2, and so on. Use 0 and

Return to return player to default region settings
* Press P-Mode and Return to play DVD's with the selected region, auto-switching is Off
* Press Audio and Return for auto-switching On
* Press Angle and Return for MacroVision On
* Press Subtitle and Return for MacroVision Off
(#) _ampervadasz_ válasza aflmor hozzászólására (») Dec 11, 2009 /
 
Köszönöm szépen.

Úgy informálódtam, hogy van egy olyan boot loader EEPROM tartalom, ami nem veszi figyelembe, hogy a lemez milyen típusú. Egyébként is van egy bibije, mert nem olvas lemezt. Ha nem tudom megjavítani, akkor meg elszeparálom belőle az erősítő fokozatot és csinálok belölle egy sima erősítőt. Persze ehhez is jól fog jönni a szerviz doksi, mert a deszkát nem rombolom szét, amire rálapátolták az alkatrészeket.

Még egyszer köszönöm.
(#) _ampervadasz_ válasza aflmor hozzászólására (») Dec 11, 2009 /
 
Még egy kérés: Hogyan tudom letölteni az oldalról az állományt?

Get this manual Csak a szemem szúrta ki, ezért nem láthattam.
(#) _ampervadasz_ válasza aflmor hozzászólására (») Dec 11, 2009 /
 
Most néztem, ez egy használati utasítás, és nem szerviz doksi. :no:
(#) aflmor válasza _ampervadasz_ hozzászólására (») Dec 11, 2009 /
 
Igen, az "csak" a manual.
Hogy nem olvassa a lemezt, az típushiba. -> fejcsere. De az írottat akkor sem fogja tudni! Ez is "tipushiba" a régebbi Sonyknál (na meg a Panasonicnál! (hardveresen nem tudja) ...aztán ugye jöttek a kínai-flexkorongot is lejátszók, és változott eme 2 gyártó hozzáállása is, ha még a piacon akartak maradni.
(#) _ampervadasz_ válasza aflmor hozzászólására (») Dec 11, 2009 /
 
Értelek, értelek. Ahhoz, hogy figyelmen kívül tudja hagyni, ahhoz a boot loadert kell módsítani. Nagy vonalakban: ez végzi a lemez típusának felismerését, és a fáljrendszerének illesztését a lemezvezérlőjéhez, és az adat "pumpálását".

Ha meg nem sikerül vele semmit csinálnom, akkor meg szétkapom, és lesz belőle egy sima erőlködő.

Még egyszer azért köszi szépen.

Jóét mindenkinek.
(#) hapro hozzászólása Dec 11, 2009 /
 
Létezik egy olyan talán rádiótechnikás kapcsolás, ahol egy potival lehet szabályozni egy modell mozdony mozgását előre hátra. Ez a kapcsolás valahol meg is van nekem, de nem találom sehol. Tehát tekerem a potit gyorsul, visszafelé tekerem lassul, és ha a közép állástól jobban visszatekerem akkor meg elindul visszafelé, persze egyre gyorsabban.
Ez azért lényeges, mert így egy pillanatra meg áll a vonat miközben irányt vált.
(#) bankimajki válasza hapro hozzászólására (») Dec 11, 2009 /
 
Ez amúgy sem bonyolult ÁK. Egy sima műveli erősítőt kell, meg hozzá egy kis komplementer végfok. A műveleti offszetjét beállítod arra a fesz.re ami a poti felénél van és kész. (Javítsatok ki ha nm jól gondolom, de ez így szerintem működne.)
(#) bankimajki hozzászólása Dec 11, 2009 /
 
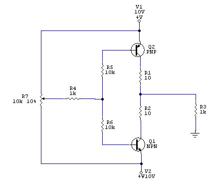
Rajzoltam neked egy elvi rajzot, ezen még műveleti sincs. (Fontos ez csak elvi, tehát ezek az értékek nem jók, bár a kapcsolás így működik, de csak nagyon kicsi a terhelhetősége, ezért egyes részeket meg kell változtatni. A tranyók darlingtonok legyenek, ill. az ellenállásértékeket ki kell számolni a terhelés függvényében.) Remélem tudtam segíteni.

UNTITLED.jpg
    
(#) bankimajki válasza hapro hozzászólására (») Dec 11, 2009 /
 
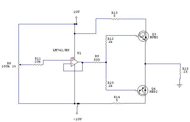
Na megrajzoltam a végleges rajzot így ezekkel az alkatrészekkel és ezekkel az értékekkel már működnie kell. A darlingtonoknak min. 3-4szeres áramértékűeknek kell lennie, mint a motorod üzemi árama. pl. ha 1A-ert fogyaszt, akkor nem árt 5A-es darlingtonokat alkalmazni.

UNTITLED2.jpg
    
(#) tepertő hozzászólása Dec 11, 2009 /
 
Sziasztok! Keresnék Echosmart 771-eshez alaplap kapcsolási rajzot. Ha valaki tudna adni, nagyon megköszönm.
(#) Moderátor hozzászólása tepertő hozzászólására (») Dec 11, 2009
 
Remélem, hogy csak véletlen, hogy 12 perccel később ugyan azt a hozzászólást még egyszer elküldted, ugyan azzal az okádék helyesírással!
Ebben a fórumban ezek közül egyik sem divat (sem a követelőzés/flood-olás, sem a hanyag helyesírás), ellenben divat a türelem, és az olvasás, pl. a Fórum Szabályzaté.
(#) Harmathr hozzászólása Dec 11, 2009 /
 
Helló. Nekem az elektronikus dobókockában kellene segitség, ugzanis a ledek mellett szeretnék használni egz 7szegmenses kijelzőt ami mutatja a kocka értékét számokkal.

Tudna valaki segiteni ebben hogz hogz lehet megoldani, esetlen van valakinek kapcsolási rajza-programkod erre az esetre?


Thx előre is remélem tud valaki segiteni nekem
(#) zolika60 válasza Harmathr hozzászólására (») Dec 11, 2009 /
 
Az meg mire jó? Ki nem tud hatig számolni? Ha már nem tud akkor a számokat honnan ismeri és mire tudja használni? Egyébként megoldani nem nehéz. Mind a hat állapotban van olyan LED ami a többiben nincs. Ezekkel kell a hétszegmenses kijelző megfelelő LED-jeit párhuzamosítani.
(#) Harmathr válasza zolika60 hozzászólására (») Dec 11, 2009 /
 
Köszi. Megpróbálom ha nem megy jelentkezem. Amugz én se tudom mire jo, de ezt kell megvalósitanom.
(#) hapro válasza bankimajki hozzászólására (») Dec 11, 2009 /
 
Köszönöm, de nincs darlingtonom, és ha jól emlékszem, akkor ott talán BD139 volt benne, és még mindig ha jól emlékszem szimpla feszültségről működött. Meg nekem amúgyis csak 1X 12V áll rendelkezésemre.
Annyit meg nem ér nekem, hogy tranzisztort vegyek, vagy dupla mennyiséget tegyek bele, csak azért, hogy darlington legyen belőle, meg még egy trafót is vegyek.
(#) hapro válasza hapro hozzászólására (») Dec 11, 2009 /
 
Elég rosszul emlékeztem.
Megtaláltam a kapcsolást. Bővebben: Link
Köszi a segítséget.
(#) bankimajki válasza hapro hozzászólására (») Dec 11, 2009 /
 
Ez szinte ugyanaz, mint amit én alkottam
(#) katona.t hozzászólása Dec 14, 2009 /
 
Helló

AK2011 típusú IC-hez keresek datasheet-et vagy leírást pdf-et, bármit. Leginkább a lábkiosztás érdekelne. Ez az alaktrész egyébként egy MP3 lejátszóban van egy memória társaságában. Négyzet alakú, felületszerelt, lábai mind a 4 oldalon vannak.

Gugli nem segített rajtam, csak kínai oldalakat dobál, alldatasheet.com-on nem találtam.

Köszi
(#) Vales hozzászólása Dec 15, 2009 /
 
Üdv!

Keresem a DELTA ELECTRONICS INC. DPS-730AB A, 730W-os szerver tápegység és a hozzá való "Input Must Mate" doboz kapcsolási rajzát. Megpusztult egy szerverünk, nagyon jó lenne a rajz.
Lásd a mellékelt fotókat is!
Hálás Köszönettel!
(#) Ballage hozzászólása Dec 15, 2009 /
 
Üdv mindenkinek!

Keresek a BELCO ARF-100-as csöves HF és NF szignálgenerátorhoz kapcsolási rajzot.

Előre is köszönöm.
(#) coolmsnman hozzászólása Dec 18, 2009 /
 
Sziasztok!

Kabid dt-516A oszcilloszkóphoz keresek kapcsolási rajzot.
Elakadtam a javítgatásába kapcsolási rajz nélkül nem tudok egyről a kettőre jutni.

Köszi a segítséget kellemes ünnepeket előre mindenkinek.

GergőBővebben: Link
(#) MD_Pepe hozzászólása Dec 21, 2009 /
 
Sziasztok!

Akai CS-F21 magnó kapcsolási rajzot keresek.

Előre is köszönöm annak, aki segít.

Üdv,

Pepe
(#) kadarist válasza MD_Pepe hozzászólására (») Dec 21, 2009 /
 
Szia!

Talán ez?Bővebben: Link
(#) MD_Pepe válasza kadarist hozzászólására (») Dec 21, 2009 /
 
Szia,

Ez sajnos a CS-F210, nekem pedig a CS-F21 kell.

Azért köszi.

Üdv,

Pepe
(#) kadarist válasza (Felhasználó 13571) hozzászólására (») Dec 21, 2009 /
 
Szia!

Ha beírtam volna a ET keresőjébe, akkor nyertem volna. A Google nem mindig pontos.
Következő: »»   100 / 385
Bejelentkezés

Belépés

Hirdetés
XDT.hu
Az oldalon sütiket használunk a helyes működéshez. Bővebb információt az adatvédelmi szabályzatban olvashatsz. Megértettem