Fórum témák
» Több friss téma |
Fórum » NYÁK terv ellenőrzése
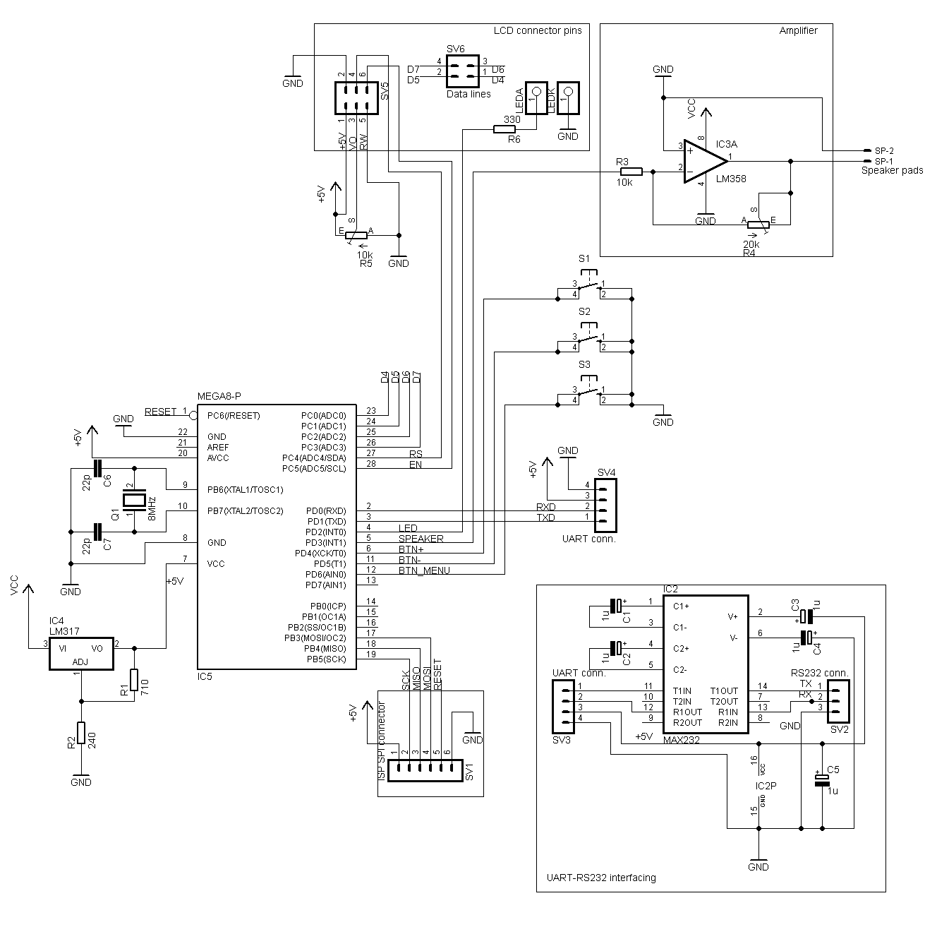
Sziasztok !
Elnézést, hogy nem témába vágót kérdezek, de nem találtam "Segítség kellene kapcsolási rajzban" topikot. Digitális metronómot szeretnék csinálni, és a mellékelt kapcs.rajzot dobtam össze hozzá. Kb ez az első, amit magamtól tervezek, de azt hiszem, van benne némi hiba. Ezek felderítésében és korrigálásában kérek tőletek segítséget. Mindemellett minden tanácsot örömmel fogadok ![]() A VCC=9V-os elem. Az RS232 illesztés viccesnek tűnik egy metronóm esetében, de ezt muszáj volt beletennem (házifeladat követelmény).
Szia!
Nem vagyok nagy spíler MCU-s témában, de ami látszik elsőre, nem is oda tartozik. A LM317 felesleges, helyette egy 7805, vagy 78L05 megfelelőbb, a táp kapcsolásban ne feledd a hidegítő kondikat sem. A másik, az LM386 hangvégfokot is ajánlatosabb a gyári kapocslásban üzemeltetni..., hangerő szabályzást is jobb hagyományosan megoldani. Az RS232 vezérlést pedig el lehet sütni pc-s távvezérlési feladatra. Ötlet, ha már elemről fog működni, akkor egy elem állapot figyelést lehetne beleoperálni mikróvezérlő szinten, ami nem csak az lcd-re küld adatot hanem a jelez a PC- felé is. Talán még az LCD világítását sem érdemes a kontrollerből szívni... legfeljebb a vezérlését bízni rá, amit egy kapcsoló tranziztoron keresztül lehet megoldani, amit érdemes úgy megoldani, hogy az egész áramkör nagyobb fogyasztású részleteit is lekapcsolja, mikor inaktív a feladat végrehajtás. Elem takarékossági okból. Bocsánat, az itteni off-ért, de kézenfekvő volt itt válaszolni. Én nem kerestem megfelelő topikot ehhez.
[off] ( Talán itt a kapcsolási rajz-ban lehetett volna... )
Köszönöm a válaszokat, azóta már meg is építettem a kapcsolást a saját áramkörömmel ugyanis "speciális" alkatrészek vannak rajta, méretre van szabva... .A változtatásokat elvégeztem rajta és működik is.
Sziasztok!
Le tudnátok nekem ellenőrizni ezt a nyáktervet ,hogy jól csináltam e? Segítségeteket előre is köszönöm
Én nem ellenőriztem a paneltervet, de azért van tanácsom a számodra. Elkerülve a lózungokat, egészen "szokatlan" módon kötsz össze pontokat, érthetetlen módon nem használsz szigeteket, és a csomópont kialakításaid szintén erősen eltérnek a megszokottól.
Ezen felül, de részben az előbbi okok miatt, félelmetes mennyiségű és hosszúságú "vezetéket" használsz. Nem állítom, hogy ez a nyákterv nem működik, de az egészen biztos, hogy számos olyan pontja van, ami okozhat meglepetéseket. A nyákoldalon van, mákszemnyi betűkkel az alkatrészek értéke. Ez valami tréfa, vagy komolyan gondolod. Eddig a szubjektív dolog, és most jöjjön a lényeg. TO-92 tokozásúnak tételezted fel a végtranyókat is meg a meghajtóit is, holott azok TO-3 és TO-220-asak. Ami igen nagy hiba, mert ezeket az elemeket hűteni kell, sőt vannak egyéb alkatrészek is a rajzon, amiket szintén a bordára kell felcsavarozni a figyelés miatt. Innentől ez a terv egy balgaság (bocsi a kritikáért, de ettől sokkal alaposabban kell áttanulmányozni egy ilyen szintű elektronikát, mielőtt nekifognál építeni. Esetleg nézd meg milyen nyákokat terveznek mások a végfokozatokhoz. Meg fogsz lepődni egy két szembeötlő különbözőségen.)
Ne szídd már annyira, kezdetnek tökéletes... :hide:
Csatika: Azért neked mondom, hogy léteznek átkötések, és én inkább használom azokat, minthogy ide-oda kanyarogjanak a vezetősávjaim... Nekem is mondták anno, hogy ne nagyon legyen a tervben 90°-os vezetősáv... (már nem tudom miért...) Üdv.: Litldákk
Azt hiszem eltérően értelmezzük a "tökéletes" szó jelentését. De nem olyan nagy baj ez...
Köszönöm a kritikákat mert ebből is tanulok !
A végtranyókat T0-92 es tokozást raktam be mert azokat vezetékkel akarom kivezetni egy nagy hűtőbordára . De rakhattam volna 3 forrpontot is csak félő hogy később összekeverődne úgyhogy ezért maradtam ennél. A "mákszemnyi betűk" csak magamnak írtam oda mert azt nem szeretném rányomni a nyákra szóval csak tájékoztató jellegűek. A szigetekről pedig azt hallottam ,hogy nem minden esetben előnyös és ezért nem csináltam , de ez nagy probléma? Átkötéseket pedig használhattam volna de szerintem korrekt módon meg tudtam oldani 1 átkötéssel .(ami szerintem jobb mert kisebb a hiba lehetőség. A vezetékek hamarabb meghibásodhatnak mint a nyákon a rézfelület ami le van lakkozva szerintem ) Akkor szerintetek csináljam újra ?
olyan nyákot használsz, amit csak kedved tartja. Viszont ettől függetlenül, továbbra is fenntartom, hogy ilyen megközelítéssel soha, senki nem tervez paneleket. Szerintem azért mert ez egy helytelen irány. Manapság már nem huzaloznak tranzisztorokat, hanem eleve olyan panelt használnak, amibe beültethetőek a teljesítményelemek is, méghozzá a kellő hűtési intenzitásukkal együtt. Erre számtalan példát láthatsz itt a fórumon is. (Pl. a módosított QUAD-hoz, én magam is terveztem három féle félvezetőtokozáshoz is paneleket. Javaslom nézd meg őket, látni fogod a különbséget)
Az átkötés remek alkatrész, gyakorlatilag tönkretehetetlen.
Sziasztok.Lenne itt egy nyákrajz amit én csináltam.A gondom az vele hogy van benne egy smd alkatrész.
Hogyan lehet azt megoldani hogy a normál tokos alkatrészek is jól álljanak és az smd-t se kelljen fejjel lefelé beforrasztani?Remélem megértitek mit szeretnék.
Azt hiszem sikerült átszerkeszteni.Valaki átellenőrizné?
Üdvözlet !
Egy kicsit megpróbáltam javítani a rajzon bár az alkatrészeken és az átkötéseken nem változtattam meg még nem találtam ki a hűtést és ezért nem cseréltem ki a tokozását a végtranyónak . Az alsót még nem csináltam meg de ha jónak tituláljátok akkor megcsinálom ha meg nem akkor tanító jellegű kritikákat szeretnék és elkezdem elölről . Segítségeteket előre is köszönöm !
Szia! El lehet kerülni, hogy a DIL-tokos IC lábai között vigyél vezetősávot. Szerencsére van elég hely...
Helló.Igazad van.Így azért barátságosabb.Más dúrva hiba nincs?Köszi.
Tessék a DIL-es változat:
Köszi.De sajnos ott egy SI9243 van és abból sajna csak SMD-s kivitel van.
Szia! A felső nyákterv már jónak mondható!
Pusztán ránézésre, már sokkal inkább '"nyákos" a kinézet, de szerintem nem ez a megfelelő irány.
A végtranyókat, a meghajtókat, és a hőfigyelőt helyezd el egy valamilyen hőkivezető profilon (pl. "L" alumínium, vagy vastag alulemez stb.) Ez után, ebből az "alaphelyzet"-ből kiindúlva próbáld teljesen újragondolni az alkatrészek elhelyezését. Az általad említett huzalozás (TO-92 es tokozású végtranyók) ma már korszerűtlen, gyakorlatilag sem a profik, sem az amatőrök nem használják (kivéve egy-két abszolót speciális esetet)
Még két dolog:
1. Mekkora +- tápfeszültségről működik ez a kapcsolás? Ha van egyéb dokumentációd is hozzá, akkor azt is tedd fel, szeretném megnézni. Ez most azért lenne fontos, mert van a rajzon 0,33ohm/10W-os ellenállásból néhány db. Indokolatlannak tűnik a 10W, ráadásul kettő párhuzamosan, ami már 20W. De nem ez a baj, hanem amit te a paneltervre tettél, az maximum egy 2W-os, de biztosan nem fér el sem a 10W, sem az 5W. (A kondijaid mérete is elég messze esik a valós méretektől, ez szereléskor elég sok gondot okozhat.) 2. Az induktivitást külön helyezted el. Ez hiba, nem így kell csinálni. Éppen azért ilyenek a méretei, hogy pontosan beleférjen a 0,82ohmos ellenállás. Tehát ez az alkatrészpáros úgy néz ki, hogy van egy tekercs, aminek a belsejében ott van az ellenállás.
üdv!
Az induktivitással még problémáim vannak mert ilyt nem let felénk kapni szoval az csak nagyából van bejelölve . Az elkók rasztere szerintem többnyire jó mert azokat megnéztem a foliakondkikat majd akkor átméretezem ha megveszem mert többfajta létezik ugyebár de szerintem nagyából jó lesz. A végtranyónál meg marad a huzalozás mert van egy dobozom amibe beleépítem és abba nem fér bele nagyobb lap sajnos.De csak lábhosszabítás lesz mert a lap fölé teszem a hűtőbordát két ventivel.
1. Ahogy gondolod. A 10W-os ellenállás nem fogja figyelni a dobozméretedet, hanem csak simán 4-szer akkor mint amit te rajzoltál.
2. Ha a végtranyókat huzalozod, azok akkor is éppen akkorák mint ha panelbe ülteted őket, illetve a huzalok térfogatával még több is. 3. Az induktivitást nem kell venni, ott van a rajz sarkába milyennek kell lennie. 4. Mekkora a tápfesz? Nem válaszoltál. 5. Ha megnézed a rajzot, van ott egy kis bekeretezett rész, és hozzá egy kis szöveg szintén a sarokban. Ez sincs nálad megoldva. Nem hűteni kell ezeket a tranyókat, hanem a bordára tenni, hogy figyeljék annak hőjét. Összefoglalva: Az nem baj ha a saját utadat keresed, de ha ennyire elzárkózol az alapvető racionalitásoktól, akkor nagyon rögös, buktatóktól hemzsegő vesszőfutásra számíthatsz, és még úgy se biztos, hogy egyáltalán célba érsz.
1.Igen azt én is nézegettem , de lehet hogy állítva teszem be őket de megpróbálom megnövelni nekik a helyet.
2. igen de akkor a hűtőbordára teszem rá ahol van 15X20 cm-s helyem. 3. igen azt láttam hogy ott van a sarokba. Arra gondoltam egyébként hogy fogok egy 6-os fúrószárat és tekerek rá 17 menetet csak nem tudom hogy lehet egymás mellé tekerni a meneteket vagy helyet hadjak ki vagy szigetelt (zománcozott)rézhuzalt vegyek.
Mellékeltem egy képet, és a méretét egy 10W-os ellenállásnak. Persze van másfajta kialakítás is, de ide kb. ilyen való.
A tápegység rajz jól mutatja, hogy egyetlen panelon van az erősítő, és a védelem is, viszont a két csatorna külön panel. Teljesen biztos vagyok abban, hogy huzalozva nem, vagy csak nagyon specifikus esetekben lehet helyet megtakarítani. A tekercs a természetesen zománcozott huzalból készül, és egymás mellé van hajtva pl. egy 6-os fúró szárára. Nem akarok reflexék dolgába beleszólni, de a +-37V-os tápfeszültség, meg a 250W-os utalás a hangszórócsatlakozónál kicsit ellentmond. Ekkora tápfeszültségből igen körülményes lenne 250W-nyi teljesítményt kivarázsolni.
végül is igazad van! elkezdtem újra rajzolni, inkább nagyobba házat csinálok !
Esetleg tudsz ajánlani nekem végfok amit érdemes megépíteni kb 2x 250-400W -os teljesítménye van?
Most nem tudom hirtelen becsatolni, de a VF2 témában van egy "MONSTER" fantázianevű, talán 400W-os erősítő. Ez a VF2 KD-féle módosításának tovább tuningolása.
Sziasztok.Egy kapcsolásba tettem három ledet.Valaki leellenőrizné hogy jó e lesz így?Köszönöm.A ser_if_sch rajzból raktam át a ledeket a nyák tervbe.Esetleg ha valaki azt is megmondaná mekkora ellenállás kell a ledeknek az szuper lenne.Köszi.
Hello!
- Jó lesz, de rakhattad volna a Led-eket egy sorba is, hogy valahogy kinézzen. - A rajzon ott van az ellenállás értéke is. De megnézheted a MAX és a PC terhelhetőségét, és ez szerint választani meg az ellenállást. (Én kis áramú Led-et használnék) - De ha már a Led-eket lenézted, akkor azt is lekoppinthattad volna, hogy a stabi előtt és után is van egy 100nF-os kondi. (sőt a bemenetén egy 47µF is) üdv! proli007
Pl itt egy erősítő panelterve, most terveztem a napokban, és még csak próbaverzió, de azért mutatja kb. miként is kéne egy ilyesminek kinéznie (szigorúan Alkotó szerint!). Persze ez csak egy lehetőség a sokféle kialakítás közük, de vélhetőleg egy jobb megközelítés mint a tiéd volt. Meríts belőle ötleteket. (Egyébként ez egy különösen rafinált kapcsolás volt nyáktervezés szempontjából, mert nagyon sok "távoli" pontot kellett összekötni benne. Vedd észre, hogy a GND-k, és a kimeneti csomópont viszonylag rendezett, nem kanyarog összevissza.)
|
Bejelentkezés
Hirdetés |
















