Fórum témák
» Több friss téma |
Mielőtt kérdezel, a következő két dolgot ellenőrizd!
I. A helyes tápfeszültségek megléte.
II. A kimeneten van-e egyenfeszültség.
Élesztés.
Így zacskóban, vagy összeépítve?
De amúgy : igen.
Ha tárgyilagosak akarunk lenni, akkor egy előerősítő sem ártana a forrás "Mp3 lejátszó, CD DVD lejátszó, Tuner egység STB." után és azt a jelet küld a végfokozatnak a bemenetére. De nagyon röviden MP3 küldünk bele.
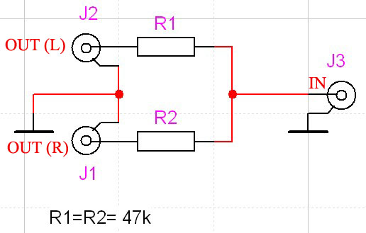
Sziasztok!
Van ez a kapcsolás, ami nemrég érkezett ebbe a topicba, és nekem is szükségem lenne rá (egy előerősített mono mikrofon jelét akarom stereo csatornára kötni) És énszerintem a 47K-az sok nem? Ide nem lenne elég mondjuk 1K? Köszi!
Sziasztok!
Egy logitech x-530-asban milyen végfok ic-k vannak?
Nem sok, mert utána erősítőt kell rakni, aminek pedig a bemeneti ellenállása nem követeli meg az 1k-ohm-os meghajtást. Üdv.
csatlakozok a megszálott építőkhöz. eddigi erősítők:
-TDA1554Q :no: -AD161/162 -AV2025
Hello.ez jó a 2*40-es tápba kondinak??http://www.hestore.hu/termek_10000025.html
sziasztok! tudtok nekem küldeni egy 350w-os és egy 150w-os erősítő kapcsolási, nyák és beültetési rajzát alkatrész listával?? De lehetőleg egyszerű legyen
előre is köszönöm
Nem vagyok bisztos valamiben azert kerek segitseget.Az alabi kapcsolast megepitettem egyparszor csak meg nem mentem +-45V fole.Az lene a kerdesem ha +-55 v-ot adok neki akkor birni fogja?A vegtranyok azok Tip35c-36c paros(mert az van ithon) az elovegfokok bd238-237 paros tudom nagyobb tapfeszu tranyok kelenenek de ez van ithon.A trafo az csak 225W-os szoval esik a fesz megterheles alat.Inkabb az erdekelne hogy eleg egy par a vegtranyo-bol?Abol kovetkeztetem hogy eleg mert 225W-os a trafo na jo ez meg vesztesegel elmegy 300-ig.Kozs a valaszokat elore
Udv.
Van egy gyari 2SD613, es 2SB 633 tranzisztorokkal elatott vegfokom, ami +50 voltrol uzemell, (nem szimetrikus taprol), ami mukodik is csak ezen kivul nem sok infom van rolla. Erdekkelne holgy hany wattot tud? Kicsit nagy az alapzugasa is azon lehete segiteni? Tovabba erdekelne hozza egy hangeroszabajzo is. Segitseget elore is koszonom! Idézet: Miben, vagy miből? Típusa? (ha má' gyári) „Van egy gyari ... vegfokom”
Csak anyit tudok hogy egy regi lemezlejatszo, es hazetalejetszobol van, a tapja es a vegfok panelja.
A penelon meg az ven feltuntetve hogy Japan gyartmany. Olvastam meg valahol hogy ezeket a tranzisztorokat BD sorozatbol helyetesitettek, szukseg eseten.
Nézd csak meg a paramétereket. Ott látod, Output Power:35W
Az 50V-ba inkább a 30W fér bele szépen.
Szia bal felső sarokban látható jel szerint ez is Eliot erősítője nézted már a honlapját? Ott általában igen részletes leírást és számításokat ad mindenről.Én a google fordítóját szoktam használni. bár a fordítás nem irodalmi magyar lesz de aki már csinált egy két dolgot az gond nélkül elolvassa és kibogozza.
Igen neztem,pontosan ez azBővebben: Link a masodik rajz.Itt fel van tuntetve +-35,+-40,+-45V-nak a nyugalmi arama.Azert kerdeztem hogy mi van ha +-55V-ot adok az nagy gaz lenne mert hat ugyis esik a fesz?Ez az erosito maskulonben 8 ohm-ora van tervezve de hazsznaltam 4ohm-on is.Tenyleg szep a hangja.High Quality 60 Watt Power Amplifier neven van.De teszek ket parat a vegfokokbol akkor bisztos birjak
Kosz a hozaszolast Igen az olvasas az megy,legalabb is a lenyeget ertem gondolom
Üdv.
Adott ez a kapcsi egy Amp. végén. Kérdésem annyi lenne,hogy csak akkor old le a relé amikor egyen megyen kifelé? (ezt nem hagyhattam ki) Vagy netán rövidzárlatkor is leold?Bővebben: Link
Ez koppanásgátló, és egyenfeszültség védelem. A rövidzárvédelemhez kellene egy nagyteljesítményű, nagyon kis ellenállású sönt a hangszóró kimenettel sorosan, amint feszültség esne, és az vezérelné a relé. Üdv!
Sziasztok!
Egykét alap dolgot szeretnék tisztázni, remélem itt az erősítős topikban válaszra lelek: Ha az erősítő kimeneti teljesítményét duplázom, akkor a hangnyomás +3dB-el emelkedik. Ha ezt a bemenő jel oldaláról nézzük, ott nem kell dupla feszültség, mivel az négyszeres kimenő teljesítményt jelentene (U^2/R). Szóval ha minden igaz, gyök2-szeres jel feszültség (U) növeléssel lesz a kimenő teljesítmény (P) dupla akkora, tehát +3dB növekedés. Illetve ha jól tudom 4-szeres P estén (+6dB) lesz az érzékelhető hangerő dupla akkora. Amiket leírtam, azt két dolog miatt jó volna tudnom, hogy így igaz-e: digitális hangerő szabályozás, illetve, kivezérlés jelző) Légyszi valaki segítsen Köszi zoka
Tisztelt fiatal építőtársam!
Egyetértek Szamóca rövid válaszával. Arra szeretnélek rávenni, hogy ilyen könnyen ne add föl, hanem sikeresen fejezd be amit elkezdtél! Mellékelem tanácsaimat.
sziasztok
szeretnek erositot kesziteni hazibulikra az egyik erosito4 darab hangszorot kene mukodtessen es 1 hangszoro tartalmaz 2 darab 20 cmst es ketto piezot(lasd a melekleten 20 cms adatai: max teljesitmeny: 200W Impedanta: 8 Ohm Sensibilitate: 91dB Frecventa: 35Hz - 5kHz Magnet : 30 Oz a piezo adatai: * 85x85 * 100 W * 91 dB * 500Hz-20kHz a masik 4 darab 30 cmst tartalmazna kulon dobozban es mely hangot kene kiadjon 30 cms adatai: max teljesitmeny: 180W impedanta: 8 Ohm sensibilitate: 91dB frecventa: 20Hz - 4kHz magnet : 30 Oz Trafo 220V 1000ma 2x12V 9,78lei (cu TVA) 8,22lei Trafo 220V 1000ma 2x9V 9,78lei (cu TVA) 8,22lei Trafo 220V 200ma 2x12V 4,15lei (cu TVA) 3,49lei Trafo 220V 200ma 2x6V 4,15lei (cu TVA) 3,49lei Trafo 220V 200ma 2x9V 4,15lei (cu TVA) 3,49lei Trafo 220V 400ma 2x12V 5,58lei (cu TVA) 4,69lei Trafo 220V 400ma 2x6V 5,58lei (cu TVA) 4,69lei Trafo 220V 400ma 2x9V 5,58lei (cu TVA) 4,69lei Trafo 220V 600ma 2x12V 6,33lei (cu TVA) 5,32lei Trafo 220V 600ma 2x6V 6,33lei (cu TVA) 5,32lei Trafo 220V 600ma 2x9V 6,33lei (cu TVA) 5,32lei Trafo 220V 800ma 2x12V 8,63lei (cu TVA) 7,25lei Trafo 220V 800ma 2x6V 8,63lei (cu TVA) 7,25lei Trafo 220V 800ma 2x9V 8,63lei (cu TVA) 7,25lei az erositokbe kene legyen 2 darab vu meter is nem ledes ezek a trafokot tudom rendelni az erosito doboza 30cm szor 10 cms lesz es megkoszonnem ha valaki a designel is foglalkozna elore is halas vagyok mindenkinek aki keres
bocsi az irasmod miatt
egy a baj en romaniaban lakok es nehez magyarbol rendelni mert nem biztos h eljut idaig mie trafo kene? toroid?
Az adatlapodon X. ker van,mindegy.
Azt hiszem a kérdésed alapján a trafóválasztás, ez esetben egy elég kis gond... Azért egy erősítőépítés komplikáltabb. Egyébként a kívánt teljesítménynél illik 10-20%-al felülméretezni a tápegységet! Gondolom ez lenne az első erősítőd.Akkor nézd meg ezt,ha tetszik építsd meg. Kezdőknek szuper jó!
tda 2030-ast csinaltam mar es ha valami nem megy akkor segit a teveszerelo haverom
Akkor menni fog .
Ahhoz 2x28VAC/250W toroid elég lesz a sztereó kivitelhez. Olcsó és jó!Van nekem is egy,lehet neki adni, bírja.
es kapcsolasi rajzot tudsz kuldeni?
|
Bejelentkezés
Hirdetés |




Így zacskóban nem de összerakva igen

Kosz a hozaszolast 







