Fórum témák
» Több friss téma |
Mielőtt kérdezel, a következő két dolgot ellenőrizd!
I. A helyes tápfeszültségek megléte.
II. A kimeneten van-e egyenfeszültség.
Élesztés.
mangusta itvan egykis segitseg meg hozza.A potival szabalyozod a jelet az erositonek mindegy hogy 1W-os vagy 100W-os vagy 1000W-os erosito.Ezt a bekotest mindegyiknel alkalmazhatod
Sziasztok!
Amit mellékeltem kapcsolást az működőképes?
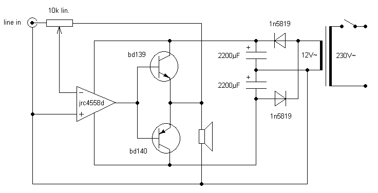
Üdv.Megjött az erősítő nagyon jól haladok.,de lenne egy kérdésem,vagy inkább ketteő
![]() 1.A nyákon a sima vonal a pontok között sima összekötést jelent? 2.A képen 1-es vagy kettes.Az a kérdés hogy a dióda melyik helyzetben egyezik meg Hoppá látom a kép nem jó.Szóval a diódán a jelölés az a háromszög csücskére állított vonal?(tudom nem ez a neve de így tudom csak elmondani)
Az első a jó.
1,7Mb Topi leharapja ezért a fejed.
Oké köszi.Nem tudom hogy lett ilyen nagy méretű
Úgy, hogy 962X618 a mérete, és a kép 90%-a csak fehér.
Hello.Valaki le tudná írni hogy hol tudnám megnézni az ellenállások színrajzát.Már minden meg van de az ellenállásokkal nem boldogulok.A leírásban csak az erősség meg a nyákon levő helye van de at ellenállás az meg színes.Szóval honnan tudom meg hogy mit jelentenek a színek.Még valami .a nyákon van sima vonal két pont között.Az sima összekötést jelent?
Itt a segédprogramok között keresd meg, és a sima vonal valószínű átkötést jelent, de nézzél meg egy kapcsolási rajzot hozzá, vagy egy beültetési rajzot, ha az van, mert így akármi is lehet.
1. Amennyiben lehet kérni, valami normálisabb, lehetőleg beszédes neveket adj a képnek, de ennek semmi értelme, hogy: vnlukgnklsnfugflrbgkbr.jpg
2. Használj képátméretező programot, ami konvertálni is tud! Nem olyan nagy művészet belejönni az alkalmazásába!
Helló.
Megépítettem egy védelmet amit "szamóca" egészített ki , mert hogy amikor elveszem a villanyt a védelemről a puffer kondik késleltetik a kikapcsolást és amíg ki nem sül behúzva marad a relé. Ö ezt kiegészítette azzal hogy a trafó egyik szekunder kimenetéről közvetlen egy tranzisztor figyeli mikor kapcsol ki és be az erősítő. Na most hogy így lett megoldva mikor behúz a relé, egyfojtában berreg. De ha a 12v egyent adom rá minden oké. Tegyek be elé még egy diódát?? Vagy egyenirányítót? Mellékelt kép a szamóca féle kiegészített kapcsolás.
Megépítettem azt a kacsolást amit mellékeltem.Az a baja ,hogy egy kicsit recseg.Nemtudja valaki ,hogy miért van ez?2 db 9v-os elemről ment.
Szia!
Melyik kapcsolást? 9 Voltról szoktak recsegni az erősítők. Pláne elemről.
Shamant vagy a javított Shamant? Elemről tuti nem megy el! a legkisebb amitől hajtani lehet zavarmentesen az nálam egy 9V 1A AC trafó volt ezzel meg tudtam hajtani 2 panelt bd139 140 párral.
A javított shamant.Csak jrc 4558 ic-vel meg bd139-140 párossal.
DE csak akkor kezd el nagyon recsegni amikor lemerül az elem.
üdv. alkatrész van még hátra az erősítőből,de nem tudom a helyét.2ellenállás és egy barna színű ellenállás nagyságú valami.A barnára ez van írva:
b m15 n8 Az mi lehet?és még van 2 ellenállás.Ami még hiányzik az:150kohm,150ohm,10-15ohm A két ellenállást beírtam az oldalon lévő keresőbe de értelmetlen adatokat kaptam.Szóval mi lehet a barna és mi a síne a két hiányzó ellenállásnak?Előre is kössz.
De az miért van ,hogy az új elemekkel is recsegett.Holnap kipróbálom 6db laposelemmel.
Heló
Csak nagyobb hangerőn recseg? Próbálj meg trafót szerezni, elemekből nem tudsz hirtelen akkora áramot kivenni, mint ami kellene a hangszórónak. Hány ohmos a hangszóró?
Helló.
Összeraktam az STK 4241V-ös erősítőt, végre. Működik is bivaj erős meg minden a végfok része, de az előerősítő folyamatosan búg. Olyan mint ha a trafó hangját hallanám folyamatosan. Persze nem a toroidét, mert azt le is kötöttem megnéztem de nem. Az előerősítő, a hangszínszabályzó és a védelmet egy kb. 15w-os trafóról hajtom 14V-egyenfesszel. Pufferelve egy 2200µF-os és hidegítve egy 100nF-os kondival. De megnéztem egy másik trafóval is, ugyan ez a helyzet. Szerintem nem földhurkos mert ha kiveszem az erősítőből és csak egyedül öt kapcsolom be, akkor is búg. Érdekes, hogyha kapcsolt üzemű tápról megy, semmi hangja nincs. Hogy lehetne megcsinálni, hogy ne búgjon??? Valaki mondjon már valami okosságot. Az búg amit a képen jelöltem és jobb oldalt van a trafója. Egy kicsit össze vissza van minden, majd össze lesz kötegelve.
Mindegy már megoldódott a 3 alkatrész kérdése.Most lenne egy másik kérdésem:A nyákon van 6 lyuk:2 a bemenet,+40,-40,0,1kimenet.A kapcs.rajz az mutatja hogy a nulla és a wy a kimenő.De a táp 3 vezetékes.A középső a 0-ra a másik kettő meg a polaritásnak megfelelően?
Ó mégvalami:A trimmer potikkal kell valamit állítani vagy hagyjam ahogy van,vagy mi a szerepük?
Nagyon sok kérdésed van, ami inkább alapismereti kérdés. Én még nem építenék a helyedben komolyabb erősítőt, max. TDA2030-at, mert így csak csalódás lesz, és pénzkidobás az egész. Olvasgass sokat, van a cikkek között alapismeretekkel foglalkozó jegyzet. Üdv.
Nagyon valószínű a kis trafó nem impregnált és onnan ered az 50Hz körüli brumm.
Mivel kapcsoló üzeműről, nem búg ez tűnik a leg valószínűbbnek, egy kapcsoló üzemű táp már az elején 200-400Hzre növeli a frekit így kevésbé jelentkezhet alacsony ferkis gerjedés, búgás. Én csináltam már útólagos impregnálást ha alkalmas rá a trafó, és mindenképpen stabilizátor IC.-t köss rá és úgy tápláld az előerősítőt az LM IC-knek nagy a brumm elnyomása. Estleg javíthat ha az előerősítő tápját árnyékolt kéteressel kötöd be és a központi földet csak a megtáplálás felől kötöd rá.
A központi földet csak megtáplálás előtt kötöttem rá és ugyan úgy búg. Az árnyékolt két eres vezeték sem segített rajta.
Írtad ezt az impregnálás megoldást. Erről még nem hallottam, mit jelent ez?
Szerintem ott földelési gondok vannak. Egy pufferról megy az előfok és a védelem? Ha igen, akkor az nem túl jó. Mehet egy trafóról, de a védelemnek csinálj külön egyenirányítást, kb 220µF pufferrel, az előfoknak pedig mindenképpen stabilizált tápja legyen, pl 7812, vagy mégjobb az LM 317.
|
Bejelentkezés
Hirdetés |









Topi leharapja ezért a fejed.









