Fórum témák
» Több friss téma |
Fórum » Kapcsolási rajzot keresek
Témaindító: Kallai Csaba, idő: Márc 11, 2006
Témakörök:
Sziasztok!!!
A segítségetekre lenne szükségem. Van egy régi REFLEX rx 500 (legalább is a doboz az reflex) nevezetű erősítőm amiben sajnos valami orosz belső van, és az istenért sem találok hozzá semmi kapcsolási rajzot! Ezt az erősítőt már valaki javította mert a végtranyók már ki lettek cserélve BD 249c-250c re, a meghajtók meg BD243c-244c -re! ...az előző ember aki javítani akarta, szét csípkedett benne minden vezetéket és nem igazán akar össze állni a kép!! ....aki tud nekem bármilyen segítséget nyújtani annak előre is köszönöm! kalmanatika@gmail.com
Ezek a rajzok meg vannak nekem is, de sajnos ez nem az mert nekem a végtranzisztoraim pnp és npn -s (bd249c 250c)
Akkor Neked van egy Reflex dobozod, meg egy ismeretlen erősítőd a dobozban.
Üdvözlet!
Igy nehéz lessz ki találni hogy mi is van a belsejében, ha csak a doboza Reflex. Valami kiindulási alap: felirat a panelen, néhány kép a belsejéről, sokat segítene.
...ugy tudom, hogy az oroszok vagy ukránok gyártották még a 90-s évek elején ezeket a végfokokat (állítólag)
..mind a két kép egy végfokhoz tartozik. A meghajtópanelen bekarikáztam a végtranyok bekötési helyét. Itt akadtam el és ezért nem áll össze a kép. http://noob.hu/2009/12/28/DSCF3674.JPG ez a meghajtó panel : http://noob.hu/2009/12/28/DSCF3674.JPG Köszi
igen!!!
Így is lehetne fogalmazni!
Üdv ismét.
Hát igen a képeket elnézve teljes mértékben orosz teknika Sajnos konkrét kapcsolásom nekem sincs orosz erősitőkhöz de az nagyon valószinű, a képeket elnézve, hogy egy komplementer kapcsolásról van szó. Próbálj meg keresni a neten komplementer kapcsolásokat (BD249 párja BD250)stb., ezek alapján a rajzot visszafejtve tudod meg csak hogy mi hova csatlakozik, próbálj meg egy ilyen rajzból kiindulni. Sajnos ezeknél az orosz "csodáknál"rajz hiányában más lehetőség nem marad. Próbálj meg a tápfeszültség(ek)ből, az egyenirányitás után és a fégfok tranzik helyéből kiindulni. Itt a hobbi elektronikán is találsz hasonló rajzokat a kapcsolások között. Sajnos egyebet nem tudok mondani, sok sikert a javításhoz.BD249 és BD250
Azért köszi!
Szivesen, nincs mit.
Nem a kérdésem arra vonatkozott hogy sima mezei poti kell vagy huzalpoti vagy más spec alkatrész. Még egy kérdés az a U1 áramgenerátor az kapható hogy néz ki? ic tokozás hánylábu? helyetesiteni lehet e és mivel? sajna elég eldugott helyen lakom és ilyen alkatrészekhez hozzáférnem bajos! itt vidéken. ha bemegyek egy tv szerelő boltjába akkor mindig okoskodik hogy mire meg milyen meg stb. szal rendelnem kell és tuti nem lesz minden egy helyen. Köszüdv
helló
Tudna nekem valaki segíteni? 24V-os motor ne égjen le ha nagy a terhelés. Valami kis egyszerű rajzra van szükségem.
Mekkora teljesítményű? AC vagy DC?
Esetleg egy multifuse?
üdv mindeki!
fordulat számláló rajzot keresek,ha tudna valaki segíteni. előre is köszi!
Hello!
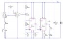
A TL071, egy mezei műveleti erősítő, csak áramgenerátornak van "kiképezve" itt. De helyettesíthető mással, csak BIFET-es típus kell. Azaz TL061-TL071-TL081... A TL sorozatban vannak 62-72-82 és 84 típusok is, ezek csak abban különböznek, hogy nem egy, hanem kettő, vagy négy műveleti erősítőt tartalmaznak. A potinál huzalt ritkán lehet beszerezni (Persze a 10 fordulatos Helipot is ilyen, az lenne a leg alkalmasabb, csak drága.) Közben elkészítettem a számodra megfelelő verziót, is. Itt a pontosságot a poti fogja befolyásolni, mert az áramkörrel közel 1% linearitást is el lehet érni. A trimmerpoti, a végérték fordulat pontosításához szükséges. üdv! proli007
Üdvözlet.
Sony STR-VX2L erősítő kapcsolási rajzát keresem. Előre is köszönöm
hello! Igen köszi közben utánna érdeklődtem valószinü lenne minden alkatrész. Csak most módositanom kell a rendelést vagy lemondani és ujat. Megépitem ha bevállik lehet veszek bele potit csak duplájába kerül az még elmegy. Két kérdés 1:A kondik elkók vagy melyik milyen mert a C4-es az nem ismerős mit jelent az? 2:Mivel készült a rajz CAD? 3:Táp a 9V az egy 9Vos elem lehet ami a multiméterekben van? kösz üdv és külön kösz a türelmet!! üdv
Sziasztok!
Egy Samsung VP-D371 (Dragon3) videókamerához keresek kapcsolási rajzot. Sajnos a Service Manual -ban, amit találtam nincs benne, csak blokkvázlat szinten. Pontosabban a hátsó Real Panel -nek kellene a kapcsolása. Nem érzékeli az akkut, és persze nem is tölti és nem is megy róla. Egyébként töltőről megy, meg villog is a led, de ennyi. Ja az akku pedig jó, mert másik kameráben tök jól megy.
Hello!
- A kondik fólia kondenzátorok, kivéve a C4 mert az elko. - A rajz CIRCAD-al készült (általában csak én használom..) - Tekintve, hogy az áramkör fogyasztása 25mA egy ilyen 9V-os elemmel, 16 órát üzemelhet. Ha úgy alakítod ki a kapcsolást, hogy egy nyomógombbal kapcsolod a készüléket. Mérsz, majd elengeded a nyomógombot és leolvasod a poti által mutatott fordulatot, elég sokáig jó lesz az elem. üdv! proli007
Sziasztok!
Keresem a Technics SU-V50 erősítő kapcsolási rajzát. Előre is köszönöm: luyo
Háj mindenki!
Keresek egy M1ATX vagy M2ATX táp kapcsolási rajzot! Ha valaki tudna nekem egyet felrakni azt megköszönném! ( jó lenne ha volna mind a kettőből )
Amíg jobbat nem kapsz küldök egypár fájlt az ATX táppokrók. Nem pont az, amit kértél, de nekem nincs más.
Egy ősrégi katódsugaras monitor: mtc ktm - 1428
Google barátommal kerestem kapcsolási rajzot, de nem találtam. Van valakinek ötlete? Köszönöm előre is !
Szevasztok!
Keresek bekötési rajzot egy apple ipod shuffle-hoz. Nincs meg a vezetéke amivel tölteni illetve adatokat átmenteni lehet.Nem egy bonyolult dolog mert egyik végén usb csati másikon pedig egy négy pólusú jack dugó található.A csatlakozók megvannak csak nemtudom mit hova kössek.Valaki tudna hozzá rajzot vagy esetleg ha van valakinek kimérné nekem hogy mi hova megy? |
Bejelentkezés
Hirdetés |
















