Fórum témák

» Több friss téma
Fórum » Rádióamatőrök topikja
Lapozás: OK   1 / 256
(#) elektro hozzászólása Jan 13, 2007 /
 
Hy
már régóta érdekel a rádiózás, csak nem tudtam hogy is van ez. Nemrég megmutatták mi is ez, és elsőre beleszerttem csak nem értek hozzá. Most eltelt egy kis idő és a rádiózásal kapsolatos rajongás nem csillapodott. Úgy határoztam, hogy megpóbálom letenni az amatőr vizsgát - azt hiszem a legkisebb kategória az A és lehet morsét is. Most sikerült szereznem egy honvédségi rövidhullámon működő vevőt (nem mondom extra nagy és nehéz, mikor szétszedtem hanyatt vágtam magam olyan mechanika van benne! 40 éves és még az eredeti csövek vannak benne ja és minden jó rajta tökörskála miegymás.) Elkezdtem hallgatózni és jöttek a morse jelek hol gépi hol kézi. Nameg a műsorszórás. De nem találtam csak egy két helyet, ahol jó terjedésnél hallható valami amatőr hang. Igaz angolul - szerintem DX-re hív mert folyamatosan mondja a hívójelet - és nagyon ritkán szólnak vissza amit én alig hallok. Segítséget szeretnék kérni a rádióamatőr vizsgára való felkészülésre és hogy melyik frekin találok magyarokat? Azért nyitottam új topicot hogy esetleg egy másik kezdő innen elovasva megértsen valamit. Előre is kösz a segítséget
(#) gtk válasza elektro hozzászólására (») Jan 13, 2007 /
 
Szia!

Tegnap ,tegnapelott rakerestem a rezgokorokre es talaltam nehany olyan oldalt ahol A szintu radio amator vizsgara valo 'tetelek' voltak.
Googleben probalkozz.
(#) Balázs válasza elektro hozzászólására (») Jan 13, 2007 /
 
(#) elektro válasza Balázs hozzászólására (») Jan 14, 2007 /
 
Hy
nekem is sikerült tételeket szerezni de még azért sok a homály. Le vannak írva a kidolgozások de szerintem annak semmi értelme hogy bemagolom és úgy megyek vizsgára hogy remegő kézzel meg könyvet fogva, szerintem sokkal több értelme van annak hogy ami tétel az nem bemegolom hanem értem mi miért van mert úgy jobban fog az ember agya is. Meg mi érek el ha bemagolom de nem értek hogyan fogok rádiózni utána az elfelejti az ember. Mondjuk azért egyes részeket be kel s***elni mert a Q-kódokat nem lehet úgy megérteni mint a további elméletet
(#) Balázs válasza elektro hozzászólására (») Jan 14, 2007 /
 
Igen, kétségtelen, hogy megérteni sokkal hatékonyabb, mint magolni. Habár én sohasem foglalkoztam igazán rádiózással, de ahogy elnézem, az A vizsga elmélete nem olyan vészes. Elég sok minden összeszedhető középiskolai fizikatanulmányokból is.

Egyébként itt is van egy pár értékes infó, most találtam:
http://radioamator.lap.hu/
(#) elektro válasza Balázs hozzászólására (») Jan 14, 2007 /
 
igen annyira nem veszélyes csak az a baj hogy ettől mégmeg kell tanulni a bonyolultabb részeket is ahoz hogy tudjad hogy mi van a rádió belsejében
(#) erobi82 válasza elektro hozzászólására (») Jan 14, 2007 /
 
Én hívójeles vagyok, igaz csak hg-s, rövidhullámot annyira én sem vágom inkább urh, de ha valamit tudok segíteni kérdezz.Egyébként milyen rádiód van?R-1** ??

73
(#) elektro válasza erobi82 hozzászólására (») Jan 14, 2007 /
 
Hy
R-1254 nem mostani jószág. Tegnap csináltam antennát hozzá sima aludrótból asszem 35m körül kihúzva középen megcsapolva csak még nem raktam bele a tekercset kondit. Amúgy a magyar amatőröket melyik sávbanlehet megtalálni mert rövidhullámos csak kölfüldi nyelv és morse . Esténként 5.5Mhz tartományban szokott leni asszem DX lenne nem tom honnan nyomhatja a faszi. Neked milyen vizsgád van melyk kategóriás?
(#) erobi82 válasza elektro hozzászólására (») Jan 14, 2007 /
 
Hirtelen az a "kézi" rádió ugrik be erre a típusra.Ezaz amelyik olyan fehér és szalagantenna csatlakozna hozzá??? Mert az ha jól tudom 50MHz-s
URH-A vizsgám van már vagy 6 éve.Régebben még kötelezték az amatőrt hogy az első lejárat előtt végezze el a következőt, de azt eltörölték, valamint most is volt szabályváltozás ami frekvenciahasználatot és telejesítményt érintette.Egyébként a Magyar Közlönyben megtalálható a hivatalos vizsgakérdéssor, valamint az egyes kategóriákhoz tartozó freki, és teljesítménytáblázat.
(#) Kera_Will válasza elektro hozzászólására (») Jan 15, 2007 /
 
HA fonia általában 3,60-3,70 Mhz közt van ...

Aztán a külhoni magyarok terjedés függően 14MHzen szoktak találkozni. 14 mega fónia sávjában keresgélj.

Freki/üzemmód táblázatok vannak a ham.hu oldalon lásd fentebbi számú topic:
(#59425) Balázs válasza elektro hozzászólására
(#) elektro válasza erobi82 hozzászólására (») Jan 15, 2007 /
 
Hm kézi rádió nekem is az orosz zsebrádió jutott eszembe Ennek szimetrikus antenne csatilya van és asszem 1.5Mhz-30Mhz id megy AM és távíró üzemben. Jó "kis" szerkezet a maga 50kg jával plusz a táp. Szombeton verseny volt hallttam magyar hangokat csak későn ültem le mert 4ig volt és 7kor már csak moze volt csak imittamott recsegett valami.
(#) gtk válasza elektro hozzászólására (») Jan 15, 2007 /
 
Sziasztok.

Mi a velemenyetek,hogy lehetne csinalni 1 tranzisztoros hangolhato oszcilatort KH tartomanyban?
Rezgokorok tesztelesere kellene..
(#) elektro válasza gtk hozzászólására (») Jan 15, 2007 /
 
pl az ilyenek engem is érdekelnének bár örülnék ha elmagyaráznátok hol vanaz aKF vagyis jó lenne ha a-z ig elmodanátok tömbvázlat szerűeb egy rádi működését nem várok konkrét rajzot csak tömbvázlatot és melyik mit csinál. Kezdő vagyok.
(#) gtk válasza elektro hozzászólására (») Jan 15, 2007 / 2
 
KH = Kozep Hullam.
KH -radio az olyan k.hullamu radio, amely ~500KHz-tol ~1600KHz-ig mukodik.
Tobbfele kivitelezesu radio van.
Egyenesvevo: egy-ket rezgokoros.
Reflex vevo.
Szupervevo.

Az egyenesvevo mukodese a legegyszerubb:
Antenna (ferrit magos ,vagy huzalantenna) --> KH tartomanyu rezgokor (1 vagy 2) erositofokozatokkal,detektor(Germanium dioda),elofok --> vegfok -->hangszoro.
(#) Sebi válasza gtk hozzászólására (») Jan 15, 2007 /
 
Hogyne lehetne, hiszen a szuperrendszerű vevőkben is azért van kettősforgókondi, mert az egyik az oszcit hangolja, mégpedig úgy, hogy pont 455kHz-el (régebbi rádiókban 468 V.473,6), - amire a KF-erősítő hangolva van - magasabban járjon.
Látom kérdezitek a rádióvevő működését, ami sok könyvben le van írva, azért röviden megpróbálkozom vele.
Az utóbbi 60 évben kereskedelmi célra kizárólag szuperrendszerű vevőkészülékeket gyártanak. Ez alatt a kifejezés alatt azt értjük, hogy a venni kívánt frekvenciákat nem közvetlenül - egyenesen - erősítjük, hanem egy közepes(en nagy) frekvenciára átkeverjük (transzponáljuk).
Miért is tesszük ezt, mikor ez bonyolultabb, mint a bejövőt erősíteni, majd demodulálni?
Van egy fontos paraméter (jellemző tulajdonság), a szelektivitás (frekvencia kiválasztó/elválasztó képesség) ami csak akkor kielégítő, ha több hangolt kört használunk (tekercs+forgókondi v. varicap = rezgőkör) Könnyen belátható, hogy egy négy hangoltkörös vevőben négyes forgókondira van szükség és ezeknek jó együttfutással kell rendelkezniük. (régen alkalmazták) A hangolt körök számának növelésével erősen nő a gerjedésveszély, amit árnyékolással, neutralizálással is nehézkes kezelni.
És itt jött a baromi jó 5let: válasszuk ki a venni kívánt frekvenciát egy rezgőkör forgókondijával, amivel egy tengelyen van egy másik is, ami egy helyi oszcillátor frekijét hangolja. Válasszuk meg az együttfutást (két körnél nem vészes) úgy, hogy az oszci mindig egy adott frekivel magasabban (vagy alacsonyabban) működjön a venni kívánt frekinél.
Keverjük össze a két jelet, ekkor az eredmény a két freki különbsége és összege lesz. Ebből eldöntjük melyiket használjuk, és erre a frekire készíthetünk egy jól kézbentartható tulajdonságokkal bíró erősítőt.
Ez a KF-erősítő, leggyakrabban négy hangolt körrel (és micsoda előny: ezeket nem kell buzerálni állandóan, csak egyszer, jól behangolni).

(#) Tonsil válasza elektro hozzászólására (») Jan 17, 2007 /
 
Elektro nem inkább ML-1254 a rádiód típusa?

(e)robi,rosszul mondod, mostmár CEPT-Novice vizsgánk van 73de hg0...
(#) erobi82 válasza Tonsil hozzászólására (») Jan 17, 2007 /
 
Igen!!Na innen is látszik hogy még mindíg nem olvastam át rendesen az általad átküldött MK-t
(#) Tonsil válasza erobi82 hozzászólására (») Jan 17, 2007 /
 
Sebaj, de CEPT vizsgára együtt megyünk!
(#) erobi82 válasza Tonsil hozzászólására (») Jan 17, 2007 /
 
Addig még megnyomjuk párszor a PTT-t
(#) gtk válasza Sebi hozzászólására (») Jan 17, 2007 /
 
A kevero felepiteset nem nagyon tudom elkepzelni.
Ha van valami rajzod legyszi oszd meg.

Vegulis akkor a KF erosito csakis 455 KHz-et enged at es azt erositi,ugye?
(#) elektro válasza gtk hozzászólására (») Jan 17, 2007 /
 
hát izé ez kicsit lesokkolt de majd sűrőn elolvasom mmeg utána nézek annyira nem egyszerű így elsőre. De igyekszem megérteni. Nagyon meg akarom tanulni a rádiózástés most hajtok az A vizsgára ahogy elnézem az elmélet nem is olyan veszélyes de azért emellet kell nem árt tudni mi is van benne és miért. Valaki a közelejövőben esetleg volt A vizsgán mert elmondhatná mik voltak. Ja és mennyire veszikkomolyan. Találtam 3 tesztlapot de az édes kevés meg csak az írja ki hogy volt 10ből 7 jó válasz azt nem hogy melyik a rosz és mi a helyes válasz. Erről a keverőről nekemis kéne egykis rajz magyarázattal. És megköszönöm az eddigi segítséget.
(#) Dudus válasza elektro hozzászólására (») Jan 17, 2007 /
 
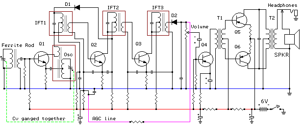
A képeken egy Szuperheterodin AM vevőt látsz. Az 1 -es tranzisztort nézd meg. Ott az oszcillátor az emitterén és a bázisa megkapja a bemenő KH jelet. A Collector körben a kevert jel jelenik meg, amiből az IFT1-es hangolt kör, mint munkaellenállás csak a KF-et csatolja tovább a 2. fokozatnak.

Ezt a megoldást autodyne converternek hívják, mert egy tranzisztorral van az oszcillátor és a keverő is megoldva.
(#) gtk válasza Dudus hozzászólására (») Jan 17, 2007 /
 
Koszonom!

Elemezgetem.

Az elobb probalkoztam C-ben irni egy progit ami Thomsonnal szamol,hogy ne kelljen mindig papiron egy csomot szamolgatni,csakhogy sehogy nem tudom a precedenciakat helyesen megadni..elfelejtettem...Muszaly lesz elovegyem a C konyvet...Mara asszem ennyi volt..
(#) gtk válasza Dudus hozzászólására (») Jan 17, 2007 /
 
A tovabbi rezgo-koroket akkor csak KF-ra kell hangolni?Vagyis 455Khz-en dolgoznak?

Es meg valami: negativ visszacsatolasu Tr kepes szinuszos jelet atvinni/erositeni?Ezzel meg nem vagyok tisztaban annyira...
(#) Dudus válasza gtk hozzászólására (») Jan 17, 2007 /
 
Igen. Pont ez a lényege. Nem kell mást hangolni csak szinkronban az oszcillátort és a rezgőkört, a venni kívánt frekvencia pedig átkeverődik KF-re. A KF-en az arősítőket egyszer behangolod és többé nem nyúlsz hozzá....
(#) gtk válasza gtk hozzászólására (») Jan 17, 2007 /
 
De jo lenne ha a tobbi tekercs meg kondi erteke is megvolna
(#) Dudus válasza gtk hozzászólására (») Jan 17, 2007 /
 
Ha a "Tr" tranzisztor akar lenni, akkor a válasz igen. A negatív visszacsatolás növeli a sávszélességet és csökkenti az erősítést. A nagy erősítéssel az (is) a gond, hogy a tápfesz pillanatok alatt határolja és torzítja, ami FM-en pont jó (is) lehet, de AM-nél nem szerencsés...
(#) Dudus válasza gtk hozzászólására (») Jan 17, 2007 /
 
Szerintem ki tudod Te is számolni !!





(#) gtk válasza Dudus hozzászólására (») Jan 17, 2007 /
 
Ugyis megirom!
Csak nem tom mikor

Utanna kell nezzek ennek a n.visszacsatolasnak.Ha felvezeto,akkor hogy kepes atvinni szinuszos jelet?hm..

Meg annyit hogy : kb. hany pf kondih(k)oz illeszti az IFT2/3 tekercse(ke)t?
es:
Vegulis a rajzon az IFT1 mar 455KHz savsszuro ,ugye?
(#) Dudus válasza gtk hozzászólására (») Jan 17, 2007 /
 
- Igen az már KF-re van hangolva.

- Ezt a hogy képes átvinni című kérdést töröljük

- Milyen kondikra gondolsz? Ha hangolt KF - körre, azt ki kell számolni pl. a Thomson képlettel
Következő: »»   1 / 256
Bejelentkezés

Belépés

Hirdetés
XDT.hu
Az oldalon sütiket használunk a helyes működéshez. Bővebb információt az adatvédelmi szabályzatban olvashatsz. Megértettem