Fórum témák
» Több friss téma |
Fórum » Sziréna
Hali!
Én is megépítettem egy sziréna kapcsolást um3561-el. Autóba szeretném üzembe helyezni. A kérdésem az lenne, hogy mivel csináljak neki 3v-os tápot, ami megbízható? Arra gondoltam, hogy csinálok stabil 5v-ot, és azt szabályozom le lm317-es 3v-ra. Mi a véleményetek? Szeretné ezt az ic?
Arra is gondoltam, hogy csak lm317-et teszek bele, de
attól féltem, hogy ha megváltozik az akun a fesz elmegy a 3v is. Rosszul gondoltam? Idézet: „hogy ha megváltozik az akun a fesz elmegy a 3v is.” miből gondolod?? az lm317-es ic a kimenetről csatol vissza szal ha 30VDc a betáp és ha 10VDc akkor is a kimeneten a beállított értéknek kell lennie!! üdv
Hálás köszönet a segítségért!:yes:
Szóval akkor az lm317-el elbírja az autós üzemet a ic. Köszi még1x!
De van olyan stab IC is, ami 3,3 V-ot ad le. Ilyen pl. a 78L033 IC. A 3,3 V pedig tökéletes az áramkör táplálására.
Na, most olyan gondom adódott, hogy
a sziréna kapcsolást tda2030-al erősítettem meg autós üzemre. Működik is szépen, egy sziréna hangszóró van rajta, de nem elég hangos. Tudtok valami jó erősítőt, ami elmegy 12v-ról, meghajt egy ilyen (asszem 16Ohm-os) hangszórót, és szól olyan hangosan, mint a normál autósziréna? Frankye: Köszönöm, de már beépítettem a lm317-et. Azért köszi az infót!
Üdv
Nem ismeri esetleg valaki a PRESSTON 7512 sziréna bekötését??? A hátlapi csatlakozó meg a mikrofon csati érdekelne főként. Ja a cucc egyébként magyar gyártmány. És ha van valakinek ismerőse a Budapesti ELEKTRIS Ipari Szövetkezet-nél szóljon,nagy segítség lenne. (Ez a cég csinálta anno) Kösz hogy elolvastad,ha segítesz is akkor duplán köszönöm.
helló nekem van 1 ismim akitől le tudnám fotózni azt a panelt amire itt mindenkinek szüksége van!!! ha ebből megtudjátok csinálni a szirénát nagyonszivesen szólok neki és lefotózok mindent amit kell és kiírok adatokat ha valakit érdekel EZ 1 ELEKTRIS!! ez GYÁRI!! szóval ha többeket érdekelne és komolyan is gondolja és kapcsirajzot tud belőle csinálni én lefotózgatom nektek ennél jobbat magyaros szirénát kizárt hogy angol oldalon találnátok mert náluk más hangja van a szirénának... 1szó mint100 ha többeket érdekel szóljatok idő kell hozzá mert ritkán találkozok vele mert nem 1 helyen lakunk de megoldható ha türlemesek vagytok és persze ügyesek
úgyemlékszem 1x már láttam nyitva és asszem tekercs is volt benne az már nagyobb gáz megállapítani a tulajdonságait gondolom vagy nem?
Mindazonáltal nem lenne rossz egy (több) fotó róla, meg alkatrész-adatok...
Már ha megoldható! Egy ilyenért már esetleg érdemes vacakolni a kapcsrajz elkészítésével...
ha minden igaz holnap tudok róla képeket készíteni ha az ismim elhozza mert jön hozzánk 6MP-es képeket is tudok csinálni róla csak az ide nem fér föl(2mega korlát) szal ha 3mp-be csinálom talán felfér de emilbe is eltudnám küldeni végülis az is megoldható ha te ebből tudnál kapcsirajzot készíteni akkor megcsinálom a fotókat! ebben 150Wos erölködő van csak attól félek a tekercset hogyan tudnám meghatározni mert azt azért nemhinném hogy megengedné hogy szétforraszgassag benne mindent ez tud többféle hangot is asszem 4 félét de a rendőrségi a legjobb kipróbáltuk nála az udvaron (állandóan száguldoznak az utcában a hülyegyerekek) húú azt kellett volna látni egyből mindenki úgy tudta mennyivel kell menni meg melyik a jobb keze de ha kép alapján a tekercset is kilehet totózni akkor super! aztán reméljük sokan megcsinálják ha sikerül a project
többek között lehet én is csak kezdő vok és ilyeneket én még nem tok csinálni...
A tekercs még egy érdekes kérdés...
Az anyaga meg a vezeték vastagsága - gondolom - meghatározható, a menetszám és a magátmérő is talán. A képeket - ha el tudod küldeni mélben - az jó, minél nagyobb felbontás, annál frankóbb! Küldd a gedeon.ferenc@gmail.hu-ra, arra el tudsz küldeni nagyméretűt is. Majd lekicsinyítve feltesszük ide is, és ha kell valakinek, elküldük a nagyot. Megpróbálom átfordítani kapcsrajzba a cuccost, aztán meglátjuk. A NYÁK fólia oldaláról se felejts el feltenni képet!
Szóval,
A szirénában nem tekercs van,hanem egy trafó. Összesen nyolc kivezetéssel. (Persze tekercs is van benne,de ez konkrétan az a tekercs ami valójában trafó) Gyárilag 50W-ot tud,és két hangú. plusz egy "kibeszélő" üzemmód,és egy "magnó" kimenet (ezért van rajta 4 gomb.) (alkatrészek : UA709 (műv.er. IC), 2xBD250,2xBD241,pár BC212,182 stb.) Az én nagy gondom az hogy hiába kötök rá mikrofont,hang nem igazán akar kijönni a másik végén. A másik az hogy szeretnék két tölcsért rákötni,de ötletem sincs hogy melyik két kivezetésre kell kapcsolni. Ha az ismerősödnek netán 2 tölcsérrel megy a sziréna akkor megkérdezhetnéd tőle hogy mit hova kell kötni. Esetleg nincs hozzá valami leírása??
Itt megtekinthető a presston egyik hangja.
A másik amolyan "nííí-nóó" hang http://www.freeweb.hu/policecars/vids/mb02.avi
ebben 150w-os erősítő van!!!!!! a képek sorry de csúsznak még mert elfelejtette elhozni az ismim. amúgy pedíg ő se tudta hov kössön mert speckó csati van a hátuljába de azt vett az elektrisben. jah neki 1 200wos tölcsérrel szól de komolyan ezek az újabbak amik most vannak mentőn rendőrautón sztem 2 tölcsérrel halkabbak!!! ez naggyon hangos!!!!! szóval a képeket megcsinálom csak türelem mert lassan lehet összehozni sajna.... jah ha megvan neki a többi bekötése azt is közlöm majd!!!!
OK, várunk türelemmel...
jah és ha valakit érdekel hozzá való tölcsérem van azt még tudott nekem szerezni ismim csak a "dobozkát" nem sajna... szal ha valakinek kell elbizniszelhetjük!(150W)
Szia wargapityu!
Erről a 150 W-os tölcsérről is készítenél képet, lehet érdekelne engem. Amúgy bocs, hogy új hozzászólást írok de ha a válaszra kattintok abban a pillanatban kijelentkezem valamiért.
Idézet: „jah ha megvan neki a többi bekötése azt is közlöm majd!!!!” Az nagyon jó lenne,nekem pont erre volna szükségem.
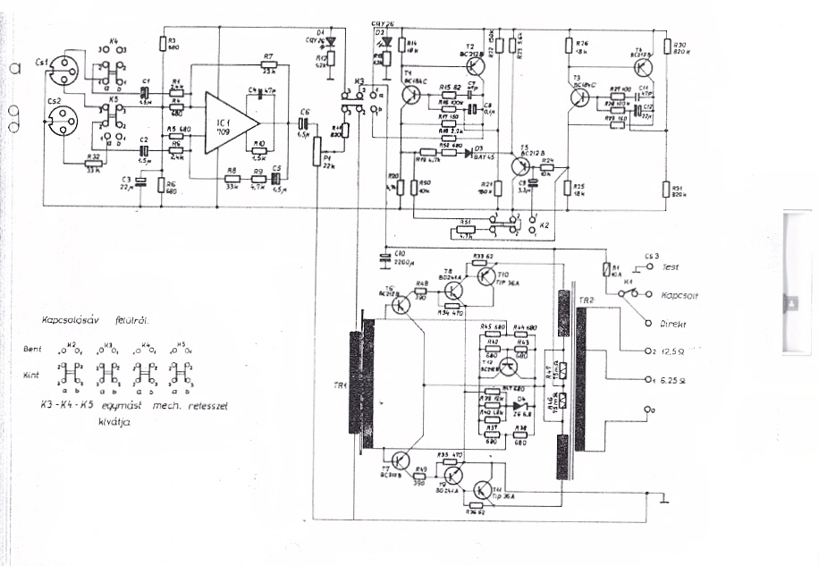
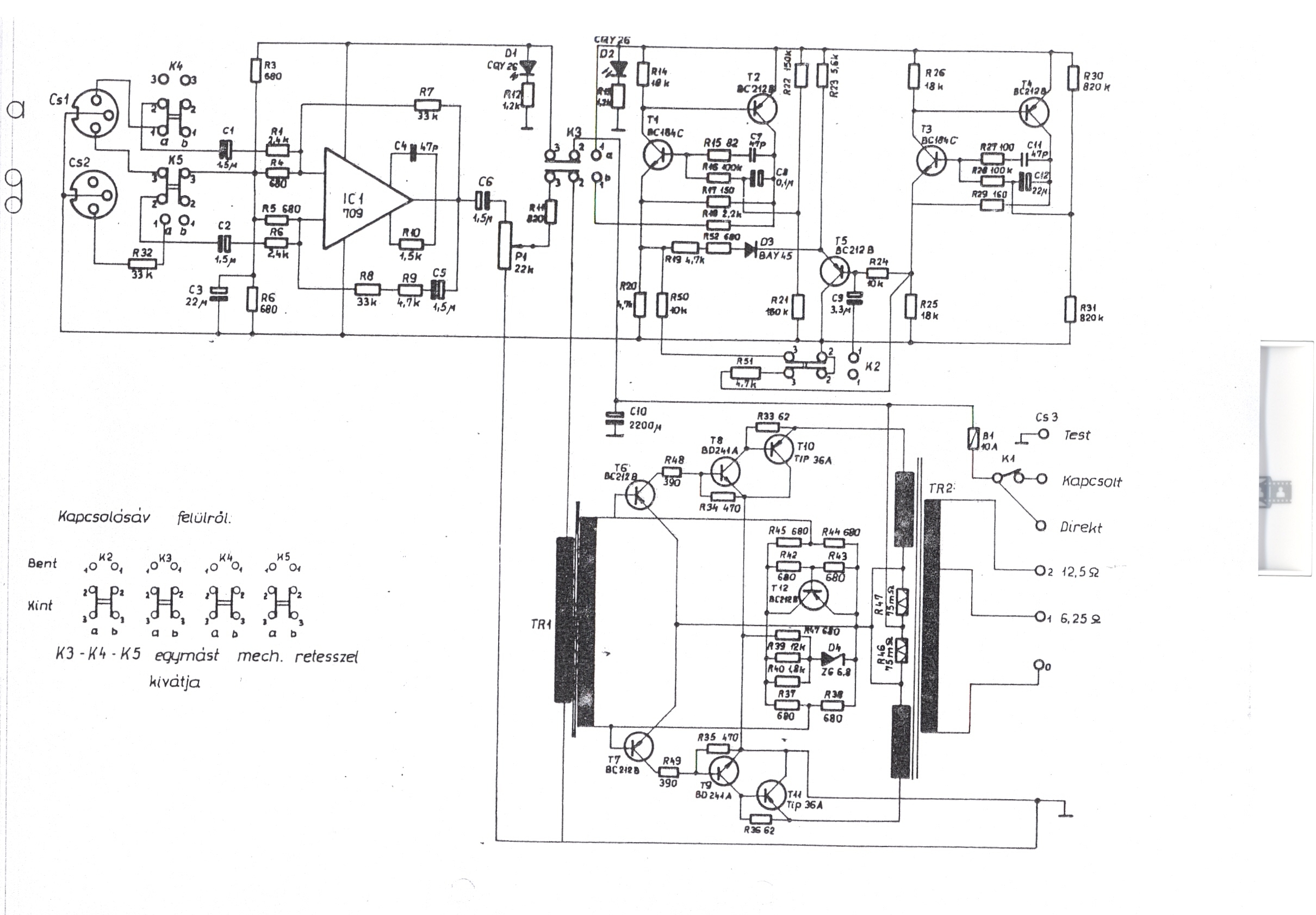
Sziasztok! Itt van a press7512 rajza :applause
(alkatrészek is , ha kell)
Húúúú! Szuper! Hálás köszönet!
(A világért se szeretnék hálátlannak tűnni, de nem lehetne egy kicsit nagyobb felbontással? Nem bírom kiolvasni az alkatrész-értékeket... )
szia!, csütörtökön ujra scennelem , kicsit nagyobb felbontással, most elsőre kicsivel kezdtem, nem tudtam hogy mekkora file- t tudok feltölteni. meg van az alkatrész lista is. egy hiba , hogy a trafóról semmki infó,
azért csütörtökön mert akkor dolgozom, és a munkahelyemen scennelek
OK, hálás köszönet
és várunk türelemmel addig is! Az alkatrész-lista szuper!
Heló csináltam képet róla íme 2: az 1ik a tölcsér másik az adatlapja ez a hozzávaló tölcsér ez is elektris
sajna szirénát már nem nem intézett nekem a sors így nem tok mit kezdeni vele
Ha valóban "elbizniszelhető", akkor engem érdekel! Keress meg piviben, vagy mélben!
Hello!
itt vannak az alkatrészek meg a rajz nagyobb felbontásban. Talán valaki a trafókról is tud többet. Nekem ennyi van a doksiban. Az Elektris gyártotta(1701 Bp,Török u 6,Forgalmazta: Elektroimpex) |
Bejelentkezés
Hirdetés |





)









