Fórum témák
» Több friss téma |
Idézet: „Nameg pont aktuális mert ez a hideg erősen betett az aksimnak” Nem a hideg okozza a szulfátosodást, hanem főként a tartós merült állapot. Neked inkább egy töltő kellene, ami 14V-on tartja az akkut.
Az nem nagy valami. 20-30VA-es trafó, ami tud úgy 15V-ot, erre egy graetz, 3-4000µF puffer, majd egy LM317-el beállítani a 14V-ot, két kerámiakondenzátor kell még a bemenet-test és kimenet-test közé, illetve egy dióda a bemenet-kimenet közé, anóddal a kimenet felé. LM317-re egy processzor hűtőbordáját rátenni, hogy ne melegedjen túl és csókolom. Lemerült akkut is rá lehet akasztani, csak hosszú idő alatt fogja feltölteni a 2A-es áramkorlát miatt.
Sajna a mult tél is betett neki, de még éppen kihúzta. Viszont a mostani már kétséges. Hiába töltöm, másnap ha olyan -6 C van akkor alig teker, de 0 C-on meg hibátlan. Szépen veszi a töltést 6 Amperről leesik 3 Amperre 1-1,5 óra alatt. Garázsban nincs gond vele. Ezért próbálnák megy egy szulfátoldást hátha segítene valamit. Nagy kárt ebben szerintem nem tennék
Én nemrég a jobb oldali rajzot építettem meg Junoszty trafóval. Egy darabig jól működött, aztán kiégett a "töltés" LED, de még mindig jól üzemelt. Aztán következő nap újból töltve az akkut, már nem korlátozott, töltött ameddig bírt. Még jó, hogy közben mértem a kapocsfeszt.
Át is tértem UC3906-os töltő IC-re, ami bár nem impulzusokkal tölt, mégis töltve tartja éjszaka az akkut, és reggel könnyen indul a kocsi.
És melyik is a jobboldali?
És jut eszembe az nagyon maszek megoldás ha egy 10A-es 14V-os tápot egy 555-ös időzítő 15sec-ként kapcsolgatna egy relén keresztül?! Vagy vmi ilyesmi
Hát zöldüljek meg ha tudom mit kell nézni jobb oldalt
Hát lehet vakon vagyok, de nekem jobb oldalt egy google hirdetés, a kedvencek lista és a Figyelő van.... semmi egyéb. Egy linket please és nézd el nekem h. nem látomSzerk: LEESETT Bocs mindenki. A kép jobb oldala a tollal rajzolt kapcs.rajz. Hát van ilyen
Te, nekem semmilyen google hirdetés nincs, csak a kép, de azon 2 rajz van szaggatott vonallal elválasztva és ráadásul a bal oldali is kézzel rajzolt...
Üdv Inhouse
Sziasztok!
Szükségem lenne egy olyan kapcsolásra , amely alkalmas 12V-os, 18 Ah-ás zselés ólomakksi regenerálására. Előre is köszi!
Az első ugye az önfenntartó? Te ezt megépítetted, ha igen jól működik? A 2N2222-t nem lehet valamivel helyettesíteni? Nem találok a HEstore-ban. Meg ami nem tiszta nekem az
Mag ami nekem nem tiszta, az L1 tekercsnek hogy kell kinéznie? Ez pl. jó hozzá? http://www.hestore.hu/termek_10027585.html Milyen átmérőjű drótból kell lennie? Lehet túl sok a kérdés, bocsásd meg nekem
2N2222 helyett ezek mehetnek: Bővebben: Link, Bővebben: Link.
Az induktivitás, amit találtál, nem jó, mert az mikroHenry értékű, ide viszont milliHenry kell. Tehát ezek valamelyike: Bővebben: Link, Bővebben: Link, Bővebben: Link, Bővebben: Link. Én mondjuk axiálisat használtam, de olyat itt nem találtam.
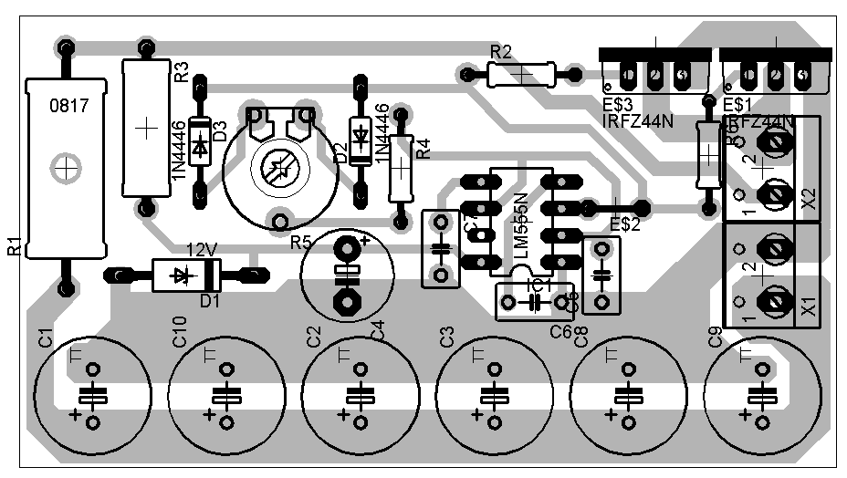
Megépítettem a kapcsolást, de nem működik.... A tranzisztor melegszik, és a kondin 10.6v van. Ha leveszem az aksiról, akkor a led felvillan, teljes fényerővel.....
Ugye 10milliHenry (mH)-t használtál és nem 10mikroHenry (uH)-t? Az előbbi ezerszerese a másiknak.
Tegnap kipróbáltam, és 1mH-vel is üzemel. Vagy legalábbis a színkódból erre következtettem, mert nincs induktivitásmérőm.
Most 10 mH van benne, de találtam egy 18 mH-t, azzal is ugyanaz... Mindent átnéztem, kiforrasztottam, megmértem, mégsem megy. Holnap veszek egy IC-t, hátha az a rossz, szerencsére foglalatba tettem.
Keress zárlatot! Talán a 13-14-es láb között. Ekkor a 2N2222 állandóan nyitva van, és csak az induktivitás kb 50 Ohm-os ellenállása korlátozza a rajta átfolyó áramot, amitől melegedhet. Persze ez csak feltételezés. Egy-két éles fénykép jól jönne hibát keresni.
Megcsináltam én is ezt a restaurátort, de nem működik.
Az lenne a kérdésem a C2, 330 mikrós kondin 12.4v állandó. Led folytonosan világít. R1,2.2k-3.9v-ot mérek. Mi lehet a hiba? Köszönöm
Sikerült megoldani a problémát!
Az volt a gond, hogy az alkatrészlábakat a HQ oldalán szoktam megnézni, mint most is a TIC106M esetében. Az A, G lábak náluk fordítva vannak jelölve. Ennyi volt, és mostmár tölt, kisüt.
szájtátva olvastam a hozzászolásokat. régebben dolgoztam egy aksigyárban én töltöttem az aksikat. (amig tele nem lett a tököm ezzel a szutyok meloval) itt aztán minden féle problémával találkoztam. mert nem csak gyártottuk hanem idönként megprobáltuk javitani is.
problémák: uj aksi cella zárlat. szárazon 400A hegesztötrafot neki. vagy elciccen a lecsorgott olom, vagy nem. nem veszi fel a töltést. ez leginkább agyoszáradt régi alapanyag miatt volt. felsavazva hegesztötrafo 80V oszt lesz ami lesz. elöbb utobb csak megindul a pezsgés. használt aksi cella zárlat. két böszme nagy aksi sorba (24V) oszt adj neki. persze védöfelszerelében. mert fröcsögött ám. volt hogy meggyogyult. régi aksi nem veszi fel a töltést. (szulfátos) kuka. probákoztonk ráolvasással, imával, kentük kigyohájjal-varjumájjal. hiába. ezért kicsit hitetlenkedve tekintek az ilyen irányu probálkozásokra. persze néha történhetnek csodák.
Üdv! Nézzétek el a hülye kérdésemet, de valaki elmagyarázná, hogyan működik ez a szulfátoldó amit lent linkelek? Csak úgy nagyon nagy vonalakban. Nem nagyon van hozzá alkatrészem pont ezt megépíteni, de fet-em, induktivitásom, meg AVR-em van. Ha érteném hogy azzal az egy induktivitással, hogy lehet a 12V-ból feltölteni egy 50V-os kondit, akkor gyorsan írnák rá egy rögtönzött programot. Tudom, tudom, ha ennyire nem értek hozzá, akkor vegyek egy új aksit, nade nem csak én vagyok kezdő a fórumon, hátha mást is érdekel. Előre is köszönök minden építő jellegű választ.
Rajzot nem látok, de ezek a tekercses feszültségnövelők a tekercs önindukcióját használják fel a feszültség növelésére.
Hopsz. Mindent leírtam csak a linket hagytam ki
Köszi h. szóltál! Bővebben: LinkDe a tekercsben létrehozott erőtér összeomlásakor nagyobb feszültség generálódik mint ami a létrehozásához szükséges?
Idézet: „De a tekercsben létrehozott erőtér összeomlásakor nagyobb feszültség generálódik mint ami a létrehozásához szükséges?” Igen, valahogy így.
Helló!
Hallottam olyan szulfátmentesítési eljárásról, ami nem ilyen egyszeri nagy impulzussal működik (10-15 másodpercenként rásül az akkura egy 30-40V-ra töltött kondi), mint ami itt a topikban is fel van vázolva, hanem sok "kicsivel". Állítólag a gyári (jó drága) töltők, kb 20 percenként beiktatnak 25-30V-os kHz-MHz frekvenciájú négyszög impulzusokat 50% kitöltéssel, mely már nem emlékszem pontosan, de vagy 1 vagy 10mp-ig tart. A rövid impulzusos nem tudom meg bírja-e emelni az akku feszültségét, de a másik biztosan 16-18V környékén tartja a kezelés alatt. Csak hát az első szinte folyamatos működésűnek tekinthető, míg a másik majdnem félóránként működik egy ehhez mérten nagyon rövid ideig. Persze nem kell nekem, hogy egy nap alatt végezzen, csak van-e egyáltalán hatása? Vajon melyik eljárás lehet hatékonyabb?
Szia!
Tab120L oldalán van egy az akku aktivátorhoz hasonló kapcsolás, csak külső táppal, nagy kondi pack-al, nagy teljesítménnyel. Az akku regenerálásról azt írják, hogy a töltőimpulzusok közt ki is kell sütni kicsit az akkut, ebben az nincs benne... Tab120L akku regeneráló Üdv Inhouse
Helló!
Ezzel csak két baj van: Idézet: „A regenerálás után át kell savazni az akkumulátort.” Egy zárt akkut nehezen tudok átsavazni. Illetve nem tudom Eagle 4.16r2-vel megnyitni a terveket, mert biztos a próbaverzióval készült, és így illegális dolgokról hablatyol. Azért kösz!
Hasonló elven működik az összes regeneráló, az akku átsavazás csak plussz opció, és lehet, hogy többet árt, mint használ.
Én felraktam a javasolt programot és megnyitottam vele a rajzokat... Üdv Inhouse
Köszi a képeket!
Hú, nem durva az a 6000uF? Itt a topikban lévő csak egy 330µF-osat használ, és azzal is ki tud alakulni jó néhányszor 10A.
Az a kis aktivátor egy megelőző eszköz. Ez pedig egy durvább utólagos szulfátlanító.
Nem építettem meg, nem tudom, hogyan viselkedik... Az 5ohmon a kisütés után még folyhat azért kb. 3,5A... Inkább a kondik feszültségétől függően kellene indítani és leállítani a kisütést... Üdv Inhouse |
Bejelentkezés
Hirdetés |




Hát lehet vakon vagyok, de nekem jobb oldalt egy google hirdetés, a kedvencek lista és a Figyelő van.... semmi egyéb. Egy linket please és nézd el nekem h. nem látom
A kép jobb oldala a tollal rajzolt kapcs.rajz. Hát van ilyen
Mag ami nekem nem tiszta, az L1 tekercsnek hogy kell kinéznie? Ez pl. jó hozzá? 






