Fórum témák
» Több friss téma |
Fórum » Csöves erősítő készítése
Ne feledd betartani a fórum viselkedési szabályait, és a topik megmaradásának feltételeit. [link]
A téma átmenetileg fagyasztva lett, hozzászólni nem tudsz!
Szerintem minél egyformábbakkal és minél jobbakkal....és bízz a szerencsédben (ha kell akármikor is lehet módosítani másik csőhöz, nem kel azokat olyan sűrűn cserélgetni, ne higgy az 500 üzemórának).
A két jó cső nagyon egyformának tűnik és mint írtam "lazán" hozzák 2Veff vezérlőjellel 8 Ω terhelésen a 10Veff feszültséget, és a 15W eléréséhez sem kérnek többet 2,2Veff-nél (Igaz némiképpen megnövelt rácslevezető ellenállással.)
Szívesebben hiszek Neked akkor is ha az üzemóráról van szó (Max. teljesítményen sem több az anóddisszipáció 53W-nál, de "zenével kergetve" inkább a nyugalmi 45W-os állapothoz közeli.)
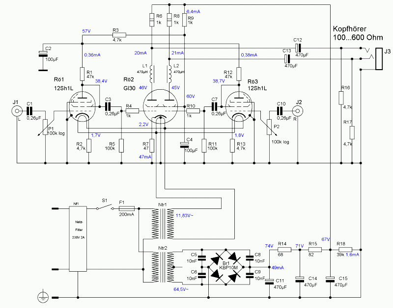
Van egy kapcsolás, amivel kísérletezgetnék. Van is ilyen csövem. Ha a két csőfelet paralel kapcsolom, akkor elméletben már meg tudom vele hajtani a kisebb impedanciás fülest. (persze néhány alkatrész értékét felezni kell)
Ebben az a legérdekesebb, hogy jó alacsony feszültségen dolgozik a cső. Csak a 12SH1L helyett 6Zs1P lesz benne és paralel fűtés a GI30-nak.
Sziasztok!
Segítséget szeretnék kérni, mégpedig ecc85-el szeretnék 10.7 MHz es KF erősítőt építeni. Hogyan tudom megoldani hogy 10.7 MHz -es kerámia szűrő legyen benne ne pedig KF trafók?
És ezt az erősítőt két egyforma toroid hálózati trafóhoz tervezte ! Már a 60-as évek végétől vannak igen komoly írásai az úrnak ..
Itt vagyok, ragyogok ... Kiverte nálam most sok minden a biztosítékot ... sajnos ...
este 10 óta dolgozok egy erősítőn, most jöttem ide szusszanni egy kicsit.. Én követtem el anno, egy fél éve, de jól "megmodolták", teljesen értelmetlen átalakításokkal ... Mondjuk már én magam is teljesen máshogy csinálnám, ezért kicsit változtattam is ... Érdekes, hogy mennyi mindenre rájön az ember egy kis idő alatt.. csináltam akkora baromságokat benne, most nem győzöm kijavítani Csak meghallgatni nem lehet, mert a ház népe meg alszik.. Na de mindjárt 10 óra, akkor már nem szólhatnak, úgyhogy rakkenroll ( ja ez egy hangszererősítő )Na megyek vissza, vár a páka
Örülök, hogy mégsem tartod be a múltkori igéretedet! Mire jutna ez a fórum, ha néhány túl okos ember miatt mindenki "elhallgatna" aki számít és a magját adja ennek a fórumnak! Apám sokszor mondta, hogy először mindíg azt nézzd meg ki mondta, csak utána foglalkozz azzal, hogy mit mondott! Hidd el ez itt is megállja a helyét.
Érdekes kapcsolástechnikája van ennek az erősítőnek, egyszer lehet ki kellene próbálni, bár a két trfó miatt azért elég drága kivitel lenne.
Zenés ébresztő!
Én is örülök, hogy nem hagyod itt a fórumot, én többet ennyit nem ugatok, majd ha építek valamit, felteszem, vagy ha kérdésem van. Vagy ha hozzám van kérdése valakinek.
Neked meg lógok magnovál foglalatokkal, meg trafókkal, de most minden bajom van, majd valamikor odaadom, vagy eljösz, vagy majd kiderül
Na megyek megröcögtetem kicsit a cuccost
Köszönöm a segítséget
De ahogy látom itt komoly viták alakultak ki hogy melyik jó meg melyik, most akkor végülis melyik lenne használható? Tudtok hozzá kapcsolást ajánlani? Egyébként találtam itthon valami régi gyári panelt, van rajta mindenféle trafó meg pár ismeretlen alkatrész, majd csinálok képet, hátha használható lenne
Akkor jársz legjobban ha egyforma csőfeleket találsz búrán belül (sajnos sokáig tart erre válogatni, mert hideg csőnél nézni kell a feléledés idejét is, csőfelenként, majd néhány rácselőfesznél az anódáramokat). Ha így sikerül olyan csőpárokat találni, amik majdnem egyformák, akkor nyugodtan meg lehet célozni a 20 W-ot is, nem kell a 250 V-os határral olyan komolyan foglalkozni 45 W közös disszipáció felett sem.
A 6C33C rácselőfeszeit érdemes két-három állásban kapcsolhatóra csinálni, csőkímélés és fogyasztáscsökkentés céljából (kisebb hangerőn nem kell a maximális disszipáción melengetni a csöveket). Mellékelek egy móricka skiccet ezügyben.
Tartok tőle, hogy 8-16 ohmos fejhallgatóhoz paralell is soványka lesz a GI30. A 6ZS1P jó lesz meghajtásnak szerintem is.
12 fok van ebben a szobában, az meleg vajon ? :hehe:
Nekem? Mikor beszéltük ezt?
Msn-en rég láttalak! Sturbi, jó ötlet az, hogy ne legyen kis hangerőnél is akkora anóddisszipáción járatni a csövet, tetszik. Ha egyszer ilyen csőre adom a fejem, biztos állítható lesz a rácselőfesz, mondjuk egy jaxley kapcsolóval.
Sziasztok!
Nem rég írtam hogy van egy EL84 SE kis erősítőm aminek zúg a trafója, és a hangra is hatással van folyamatosan brumm van. Bármit csinálok a zúgást nem tudom megszüntetni hiába húzom össze a lemezeket jobban semmi sem segít, de szereztem egy másik trafót. Ez egy csöves magnóban volt, sőt a kimenőjét is sikerült megszerezni. Kiprónáltam és semmi zümmögés tökéletes. De a feszültségek eltérnek míg az enyém szinte csak leválasztó trafó lehetett mert 230V-ot mértem terheletlenül az újon 290V-ot mérek terhelés nélkül. Gondolom így egy az egyben nem cserélhetem ki. Hogyan tudnám beépíteni az újat a legegyszerübben? Az egészet nem szeretném átépíteni. Ja a régi trafó a zúgás mellett 30perc üzem után már rendellenesen forró volt. Nem égett le annyira nem melegedett fel de a kezemet már nem tudtam rajta tartani.
A csövek előfűtését megoldottam úgy, hogy a monoblokk egyik felében csak fűtöttem, majd egy darab szarvasbőr segítségével átraktam a forró csövet a mérésre előkészített másik részbe.
Próbáltam magasabb rácselőfesszel, kisebb anódárammak, de az volt a tapasztalat, hogy egy szűk határon túl erősen hasasodott a színusz egyik fele, oda lett a szimmetria. A gyengébben muzsikáló csövek azonos beállítás mellett sokkal több rácselőfeszültséget kértek (15-20 V-al) az anódáram "kézbentartásához". A fűtőtrafóm 12,6V-ra méretezett, 6,3V-ot vagy ebből, vagy egy halégéntrafó egyenirányítás utáni stabilizálásából tudok előállítani. Az erősítő dobozolását akkor a két jobb csővel folytatom, viszont arra gondoltam, ha a gyengébb csövekben találok jobb triódafeleket, külön fűtve kisebb teljesítményre azokat is munkára bírhatnám... (Legrosszabb esetben pedig felajánlom itt a fórumon másnak hasznosításra.)
Akkor az eredeti trafó már amúgy is bibis valahol (ha ennyire melegszik), nem kár érte, jó lesz szétszedni és újratekerni valamihez.
290 V nem olyan ördöngősen sok, kérdés a pufferkondik hány voltosak. A fölösleges feszültséget a szűrés elenállásán el lehet ejteni. Pl. ha 50 mA folyik a tápból, és 50 V-ot akarsz csökkenteni, akkor 1 Kohmos ellenállás kell (50 V/0,05A=1000 Ohm), amin 2,5 W fog disszipálódni (50 V*0,05A=2,5 VA), tehát 5-10W közötti ellenállás kell a két pufferkondi közé. Mielőtt bármit csinálsz érdemes megnézni, hogy 290 V-al hogyan állnak be a munkapontok, mert ha jó és brumm sincs, akkor maradhat ekkora fesz is. Szerintem 220 V-ig nem kell lemenni a táppal, 230-240 V jó lehet.
Értem, minden pufferem 450V-os. Én is ezt számolgattam csak azt nem tudtam hány mA-errel számoljak. Nézegettem kapcsolásokat volt ahol 250mA volt az áramerősség. Szóval nem tudtam mennyivel számoljak és inkább nem kísérletezgetek megkérdezem okosabbaktól. De akkor azt mondod nyugodtam kipróbálhatom így 290V-al is. Az öszes kondim elbírja ezt a feszültséget. 400V-alatti nincs is benne.
Ha ez mono EL 84-es, akkor 50 mA környezetében, ha sztereo, akkor duplája környezetében várható az áramfelvétel. Meg kell nézni, hogy nyugalomban (vezérlés nélkül) mekkora áram folyik az EL 84-en. Ezt legegyszerűbben a katódellenálláson eső feszültségból lehet kiszámolni. Ha ez több mint 45 mA, akkor érdemes megmérni a kimenőtrafó primerjének ohmos ellenállását is, és utána az ezen eső feszültségből kiszámolni az anódáramot. A két áram különbsége lesz a segédrácsáram. Ezután meg kell mérni mekkora a potenciálkülönbség a katód és az anód között, valamint a katód és a segédrács között. A kapott feszültség és áramértékekből ki kell számolni az anód és a segédrács disszipációt, amit aztán össze lehet hasonlítani az adatlapon megengedett értékekkel.
Természetesen oda lesz a szimmetria (ezért tettem be a rajzot), de nagy előfesszel kisebb teljesítmény a cél is. A hasasodás (ha nem túl nagy) által okozott torzítás amúgy a fül számára korántsem olyan tragikus, mint a szemnek. Amúgy nincs annak semmi elvi akadálya, hogy ugyanezt a torzítást (nagyon hasonló hasasodást) előállítsuk a meghajtásban és azzal vezéreljük megfelelően a végtriódákat. Érdemes a kérdéssel foglalkozni, mert általános probléma ez az alacsony tápfeszen működő teljesítménycsöveknél, főleg triódáknál, ha szeretnénk a hatásfokon javítani. :heureka:
Köszi Strubi már meg is oldottam, tökéletesen működik.
Megnéznél még nekem valamit, 2 napja belinkeltem egy rajzot egy régi kis combo kapcsolását rajzoltam le. A probláma az volt vele hogy nagyobb hangerőn nem szólt tisztán. Az egész kapcsolás elég kusza, páran már adtak tanácsot hogyan kellene átalakítani a végét, közben az előfokot is lerajzoltam megnéznéd nekem hogy van-e benne hiba. Köszi!
Szia!
Egyébként lehet hogy ezért volt brumi macis az erősítőd, mert túl volt hajtva az a szegény trafó. A túlgerjesztés miatt zümmögött annyira, azért nem tudtad csillapítani. Az áramot sem bírta pótolni a túlterhelés miatt, és a szűrés ezt a nagy ingadozást nem tudja kisimítani, ha kevés a szufla a trafóban. A 290V-al nem lesz probléma nyugodtan hagyhatod úgy, én 305V-os tápfesszel csináltam EL84SE-t.
Terhelés nélkül is zúg. Vagy valamelyik tekercs lazult meg benne vagy a lemezei zúgnak nem tudom.
Aha. Az is lehet, hogy 1-2 menet zárlatos benne, és azért is zúghat, és melegedhet annyira. Tényleg csak áttekeréssel lehetne megmenteni ahogy Sturbi mester írja, aztán felhasználod majd valami másba.
Nem NEKEM mondtad a foglalatokat meg a trafókat?
Összedobtam gyorsban egy Sztereo SE kapcsolásta GI30 csővel. A cső meghajtását ECC85-el építettem. Az a gondom, hogy a hang nagyon torzít. ECC83-al sokkal tisztább. Min változtassak, hogy ne torzítson. Az ECC85 rész ezen rajz szerint készült.
A GI30 segédrács 10k-val felhúzva a tápra.
Alapvetően jónak tűnik nekem a rajz, bár azt kizártnak tartom, hogy a keverő ellenállás után csak 1,5 nF-os legyen a csatoló kondi (az a része nekem zavaros így, ahogy le van rajzolva. Ha az 1 Moh-mal párhuzamos kondi 4,7 nF, akkor a sorosnak inkább 15 nF-nak kellene lenni, ha viszont az 1,5 nF, akkor a 005/250V (ami akkor 50 nF-os lehet) a 1,5nF másik felére illene).
A bemeneti fokozatok egyszerű indulóáramos rácselőfesz megoldásúak 200 K anódellenállással, ami az ECC83-nak ideális (kis torzítás). 22 nF-os kicsatolás, a nagy impedancia miatt, frekvenviakompenzált hangerőszabályozó potira történik. A két bemeneti fokozat hangerőszabályozójának egymásra hatását 300 Kohmos soros ellenállásokkal (a csúszkáról) oldották meg. A következő fokozat 1 Mohmos ellenállásán nem csak a két bemenet keveredik, hanem itt adódik a hasznos jelhez a visszacsatolás is (a kimenő szekunderéről), ami szintén frekvencia kompenzált és a magasabb frekvenciákon szabályozható az 1 Mohmos rácslevezető potin. Ez a fokozat helyi negatív visszacsatolással rendelkezik az 1,5 K katódellenállásról (nincs hidegítve). Itt is megtartották a 200 Kohmos anódellenállást a kicsi torzítás érdekében, de a hidegítetlen katódellenállással is túl nagy az erősítés, amit az 1M/500K fesz osztóval normalizálnak a katodin fázisfordítónak (a rácselőfesz előállításában is részt vesz az 1 M). Ennek munkaellenállása 100 K (50+50) meg ami a végcsövek rácslevezetőjéből rá esik (ez csökkenti a 100 K-t). A vége maga valószínűleg UL kialakítású, csak az UL tekercsek nincsenek benne az anód körben. Gondot okozhat a működésben, ha a végcsövek felé a csatolókondik valamilyen mértékben átvezetnek. Itt a lényegesen nagyobb igénybevételű felső (amivel sorba volt 47 nF, lehet hogy pont ezért) kondi szokott először rosszalkodni, de mindkettőnél előfordul. Ezt az átvezetést általában csak közvetett úton lehet kimérni, a végcsövek anódáramának mérésével. Ha melegedés közben lassan, de folyamatosan nő valamelyik EL 84 anódárama, esetleg felizzik az anódlemez is, akkor jó eséllyel lehet gyanakodni erre a gyakori hibára. Ilyenkor ha a csatolókondi egyik felét kiforrasztjuk, beáll a normális anódáram (ezesetben mindenképpen cserélni kell a csatolókondikat). Problémát okozhat még a 220V 230V-ra változásából eredő munkapont változás is (nagyobb fűtőáram, nagyobb anódfeszek). Ez többnyire orvosolható az első szűrő ellenállás növelésével is (a direktcsatolt fokozat is kényes része az erősítőnek, elmehettek a beállított feszültségek a hálózati fesz változás miatt az ideális állapottól).
Szia Kocos!
Üdv újra a fedélzeten! Örülök, hogy itt Vagy!
Ha valaki írt nekem privit légyszíves ismételje meg.[OFF]
Újra kellett regisztrálnom, fleta2 kiborg néven mert nem fogadta el a HE a bejelentkezésem, nem tudom mi a hiba, pedig jó jelszót írtam be. Nem kaptam jelszó emlékeztetőt sem, mivel hogy az email címem ismeretlen volt számukra, de azzal email címmel nem engedett regisztrálni mert ....na mindegy elveszett mindenem
Üdv!
Az igaz, hogy ez a topik csöves erősítőkkel foglalkozik, de hangfrekvenciás erősítőkkel. A további kérdéseidet ebben a topikban tedd fel kérlek. Ha elnézik a kollégák, azért válaszolnék. Természetesen sokmindent meg lehet oldani, csak az a gond, hogy a csöveknél általában nagy 10 - 20 kohm ki, és 0.1 - 1 Mohm bemeneti impedanciák vannak, a kerámia szűrők pedig 1 - 2 kohm lezárások között működnek. Tehát impedancia illesztést kell végezni, ami azt is jelenti, hogy nem úszod meg az illesztő trafókat, sávszűrőket.
Megcsináltam a képeket, íme...
A 97-esen van a két burkolatoson a feliratot nem tudtam fényképezni úgyhogy leírom: V23037-A0001-A101 6V-250V 5A, a másik ugyanez 12V-al. A 99-esen az trafó mellett az a fekete cucc gőzöm sincs mi 4 lába van, a felirata 4x8 40K 1500. Ami még érdekes az az 701-esen lévő kék kondi. Ez valamilyen spéci darab? A felirat szerint 400nF+2x2,5nF X2Y 250V 6,3A. 5 lába van Még van 2 kép, de egybe nem engedi küldeni... |
Bejelentkezés
Hirdetés |



Én is örülök, hogy nem hagyod itt a fórumot, én többet ennyit nem ugatok, majd ha építek valamit, felteszem, vagy ha kérdésem van. Vagy ha hozzám van kérdése valakinek.








