Fórum témák
» Több friss téma |
Fórum » Csöves erősítő készítése
Ne feledd betartani a fórum viselkedési szabályait, és a topik megmaradásának feltételeit. [link]
A téma átmenetileg fagyasztva lett, hozzászólni nem tudsz!
Az - egyébként igen gyér - szakirodalom legfeljebb 1/10 Quad tekercset javasol a primerhez képest.
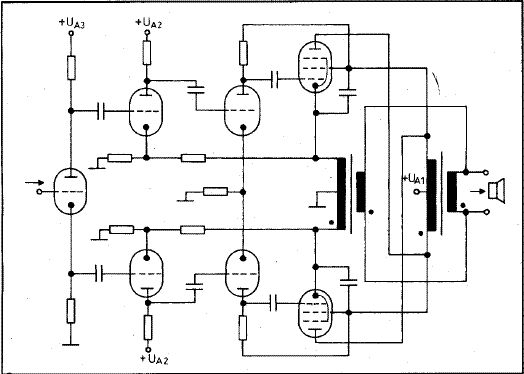
Piret Endre egyébként van, ahol a katódkörben is ugyanannyi menetszámot helyez el, itt más trükköket vet be a kivezérelhetőség megoldására, ami triódásnál nem kivitelezhető.
A csövek vadonat újak és párba vannak válogatva, de a hidegítő kondi gondolom ártani nem árthat. Az 1M-ás ellenállásnak utánna nézek. Elvileg szólhat jól így is vagy cseréljem az 1M-ás ellenállást?
A rács és test közé az előfokban 15M-ás ellenállásokat használtak. Indulok dolgozni és a munkahelyen megcsinálom előfok rajzát is, egyben felrakom az egészet. Érdekes dolgok vannak abban is. Köszi a segítséget!
Szia !
Én is lebeszélnélek , ezzel a csővel nem érdemes ezt a visszacsatolást alkalmazni . Ha mégis kíváncsi vagy ennek a jelentőségére , bekötheted a teljes szekundert a katódba , valamennyire így is hallani fogod jelentőségét , estleg hátrányát is . DF-re nagy hatása van , és ennek előnye , hangsugárzó függő is lehet . Nagyon precíz kimenőt igényel .
Az érintett remélem tudja miért teszem be ezt a képet.
Vitrinben a helye
Nagyon szép (az ára... )
Á... a Laci nem is az árára akart utalni ! szerintem egészen másra gondolt
Ott a pont!
Neked is van valamim.
Helló!
Megnéztem és biztosan ott van az 1M-ás ellenállás. Lerajzoltam az előfokot is, pirossal berajzoltam az általatok javasolt változtatásokat. megnéznétek az elejét is mert biztos hogy ott is lesz gubanc. Köszi szépen! Az 1M-ás ellenállásal párhuzamosan kötött konenzátort nem igazán tudtam beazonosítani el van már mosódva rajta minden 005 ennyi biztos és 250V.
Szia Imi!
Nagyon köszönöm a segítséget, sokat segítettél. Egyébként nekem is eszembe jutott egy ilyen elméleti kapcsolás, hogy mi lenne ha két kimenőt építenénk be. De érdekes megoldás mindenesetre. Megkérdezhetem, hogy triódásra miért nem alkalmazható ez a módszer?
Nézd meg a végcsövek segédrácsait, hogy vannak bekötve. Ezt nem tudod megtenni triódával.
Szia Zoli!
Nagyon köszönöm a segítséged! Milyen csővel lenne érdemes a QUAD kapcsolásnak nekiállni? Azt nem tudom, hogyha bekötöm a szekundert a katódkörbe, akkor nem kerülhet valamekkora DC a hangszóróra? Hát akkor nem valószínű, hogy ezt a QUAD megoldást fogom választani, ha ennyire nem egyszerű a feladat, legalábbis amatőr körülményeimhez képest. Azt szeretném kérdezni, hogyha egy hagyományos kimenőt betennék az anódba akkor lenne annyira lineáris a kapcsolás, hogy ne kelljen globális visszacsatolás? Vagy ez csak a komolyabb csövekkel valósítható meg, amelyeknek szebb a karakterisztikája, mint mondjuk a 300B? Véleményed szerint milyen visszacsatolást volna jó alkalmazni? Tudnál esetleg egy jó kimenőt javasolni ehhez a kapcsoláshoz?
Hát igen ezt triódával elég nehéz lenne megvalósítani. Ez a kapcsolás nem olyan mint a McIntosh? Arra hasonlít a leginkább. De szép az egyszer biztos.
Tetródával vagy pentódával kivitelezett végfokban már érdemesebb kipróbálni ..
DC kijutásának a hangszóróra közel 0 az esélye , mivel ahhoz a kimenő szekunder tekercsének meg kellene szakadni . Kisebb NFB szerintem kell , 6dB körül már elegendő lehet egy jó kimenővel és jó meghajtással , de meghallgatnám visszacsatolás nélkül is.
Ma utánakérdeztem a 300 forintos csöveknek és ilyenek:EF183, PCC185, PCH200, PCL82, PCF82, EL95, PY88, PCF201, PCC189, PL504, E83F meg volt egy olyan amin meg volt kopva az írás úgyhogy azt nem tudtam elolvasni, alatta annyi volt hogy 8507.
Ezekhez mit tudnátok ajánlani?
PCL 82 ellenütemben 10Watt, SE-ben 4 Watt. Pl 504 sokkal nagyobb teljesítményt is tud.
E83F kiszajú, triódaként kötve bemeneti csőnek jó.
Gyári aqdatlap PCL 82 (ellenütem):
Ub=200 V Raa= 5Kohm Ia=2x38 mA P=9W És a cső tápfesze 300V-ig emelhető..
Sajnos nem helyettesíthető a PCC189 csővel az ECC88 , én is örülnék , ha ez igaz lenne , mert van sok belőle .
Építenék egy OTL fejhallgató erősítőt. Olyan apróbb gondom akadt, hogy a kimeneti impedancia a végfoknak minimum 100ohm. (100-600 ohm az ajánlás) Sajna a fejhallgatóim csak 16 ohmosak. Egy soros ellenállással elég megoldani, vagy inkább valamilyen kisebb fojtót csináljak?
Ebből még lejön a kimenő hatásfoka miatti veszteség is nem?Az meg kb 75-80% körüli egy ekkora kimenőnél.
Vagy nem jól tudom?
Az E88CC is bőven megteszi helyette!
Persze az még jobb lenne , ezért nincs elegendő E88CC a fiókomban , hamar megtalálom a helyét .
Szia Zoli !
Erre gondoltam én is .., esetleg kisjelű fokozatokban érdemes próbálkozni vele .
Nem uszod meg egy nagyobb impedanciájú füles vételét. Esetleg kimenő trafó de akkor már nem OTL. Egyébként ez a probléma nem "apróbb gond" Az OTL.es füleserősitők alfája és omegája, azonfelűl csimborasszója
Még egy csövet találtam a 6-ból, ami ugyan 10V-al magasabb anódfeszültségen és némileg nagyobb vezérlőjellel, de hozza a másik két "jobb" cső teljesítményét.
Ha meg akarom tudni, hogy külön-külön mit tudnak a gyengébb 6C33C triódái (feltételezve amit Sturbi írt, hogy az egy búrán belül is erős lehet a szórás) és 6,3V -ról fűtöm, egy oldal "befűtéséhez" elég a katalógusban feltüntetett 6,6-7,2A fele? (Bár ennek előállítása sem kis gond...)
A 32 ohmos (Grado,..stb) fejhallgatókat is elég nehéz OTL csövessel meghajtani. Min. 3xE88CC párhuzamosan.
Itten már Trafó vagy Félvezető kell. Az Első változat Q-va drága, a második nagy része sz.. Viszont lehet próbálkozni visszacsatolt csöves OTL erősítővel, ilyennel nem nagyon találkoztam a sok hozzáértő, egymásra hivatkozó, homlokegyenest ellentmondó vélemények között. (Még én sem kisérleteztem vele)
Attól függ, milyen a kimenő.
A jobbak 90 %-al működnek. Sok 10 W-os GYÁRI kapcsolás is létezik a P(E)CL 82-vel, és a 86-os cső is több 10W feletti BEAG erősítőben szolgált. Amúgy 8,10 és12 W-os azonos erősítők között hallható hangerőben nincs lényeges különbség.
10 W már nagyon B osztály felé húz a PCL 82-nek, az AN P- zero 8 W-os (ECL82 PP), olyat hallottam szólni, még elég tisztességes hangja van. A beag 211-ese a PCL 86-al 12 W-os ha jól emlékszem, annak sincs szégyenkezni valója ebben a kategóriában (a Not-hoz képest sem, de mai szemmel azt is inkább 8-10 W közé specifikálnánk szerintem). Hangerőben (érzésre) valóban egyformák ezek.
Igen, 3,3 A kell a fűtésnek akkor. Komoly eltérésekre számíts.
Nem egyszerű kérdés, de hátha...
Véleményed szerint a jobb csövekre készítsem az erősítő végleges változatát, vagy a gyengébb csövekre, mert vélhetőleg ez az átlag, s ha öregszik és cserére szorul ilyent fogok helyette kapni? Vagy esetleg csak ez a három volt gyengécske és gyűjtsem a pénzt közel 50% az esélyem? |
Bejelentkezés
Hirdetés |




)


Vagy nem jól tudom?
