Fórum témák
» Több friss téma |
Fórum » Inverteres hegesztőtrafó
Helló!
Na akkor még egy mikró trafót szét kell szedni hogy a vezeték mennyiség meglegyen.Kell még egy mag is .Na mindegy ezzel el leszünk egy pár napot mert közben dolgozni is kell.De mindent csak szépen sorba.Addig is jó munkát mindenkinek. Üdv! István
Szia!
Ez a gép áramgenerátoros jelleggörbéjű, Co hegesztőnek pedig feszültséggenerátoros szabályozás kell, lehetőleg Arc Force funkcióval. Azaz teljesen más vezérlőkört igényel a Co hegesztő. A Maci kapcsolási rajza kifejezetten elektródával történő hegesztésre lett fejlesztve.
Köszönöm a válaszodat. És ahogy kivettem soraidból az Arc Force lényege hogy a kimeneti feszültség ne változzék, mert ez a feszültség generátor elvi működése. És ha egy mikrokontrollerrel figyeltetném a beállított kimenő feszültséget majd után állít a bemenő 300V-ra mindez maximális áramerősségen beállítva. így működhetne? És bocsánat hogy ennyire elmentem a témától.
Szia!
Az Arc Force funkció szabad fordításban az ív erősségét jelenti. A gyakorlatban úgy kell elképzelni, mintha a fojtó karakterisztikája lenne elektronikusan változtatható. Most sajnos nincs időm a bővebb magyarázatra, este majd visszatérhetünk rá. Addig türelmedet kérem.
Szia!
Időközben próbáltam keresni valami magyar nyelvű leírást a délelőtt már említett funkcióval kapcsolatban, de sajnos nem találtam, pedig korábban valahol találtam már rá utalást. Egy MILLER XMT 300CC/CV inverter kezelőszervein keresztül megpróbálom szemléltetni a funkciót. A melléklet 1.oldalán látható potméter látja el az említett funkciót. A potméter funkciója kettős: CC(áramgenerátoros)üzemmódban az ív"keménységét"azaz a beolvadás mélységét szabályozza úgy hogy a beállított áramhoz az ívfeszültség változtathatóságát biztosítja. Ezzel a különböző hegesztési helyzetekhez,különböző elektródatípusokhoz lehet optimalizálni a gépet. CV(feszültséggenerátoros)üzemmódban pedig egy olyan lehetőséget teremt,mint a hagyományos Co hegesztőgépeknél az átkapcsolható szűrőfojtó.Csak ez fokozatmentesen biztosítja ezt a lehetőséget. Ezzel a beégési mélységet, a varratszélességet és a fröcskölési hajlamot lehet beállítani. A melléklet második oldalán szereplő potival a gép alapbeállításait lehet elvégezni. A melléklet többi oldala a fentiek szempontjából lényegtelen. A gép teljeshidas rezonáns konverter,de a rezonancia hatása nem mágnesesen visszavezetett. A vezérlés frekvencia és PWM szabályozást is tartalmaz. Lehet hogy kicsit pongyolán fogalmaztam meg az ismérveket, ezért elnézést a téma szakavatott "értőitől".
Szia!
Ezt nézd meg: Welding Az "Arc Force" lényege, hogy ha lesesik az ív feszültsége, akkor az áram megnő és ezzel stabilizálja az ív teljesítményét (P=UxI): nehezebben ragad le, könnyebben lehet ívet fogni, egyenletesebb a varrat. Az ív feszültsége meg akkor esik le, ha túl közel kerül az elektróda a munkadarabhoz, vagy amikor az elektródáról (folyamatosan) leválnak az olvadt cseppek és ilyenkor emiatt folyamatosan ingadozik az ív hossza (a levált olvadék csepp méretével rövidül) Ha tévednék, javítsatok ki! Üdv. P István
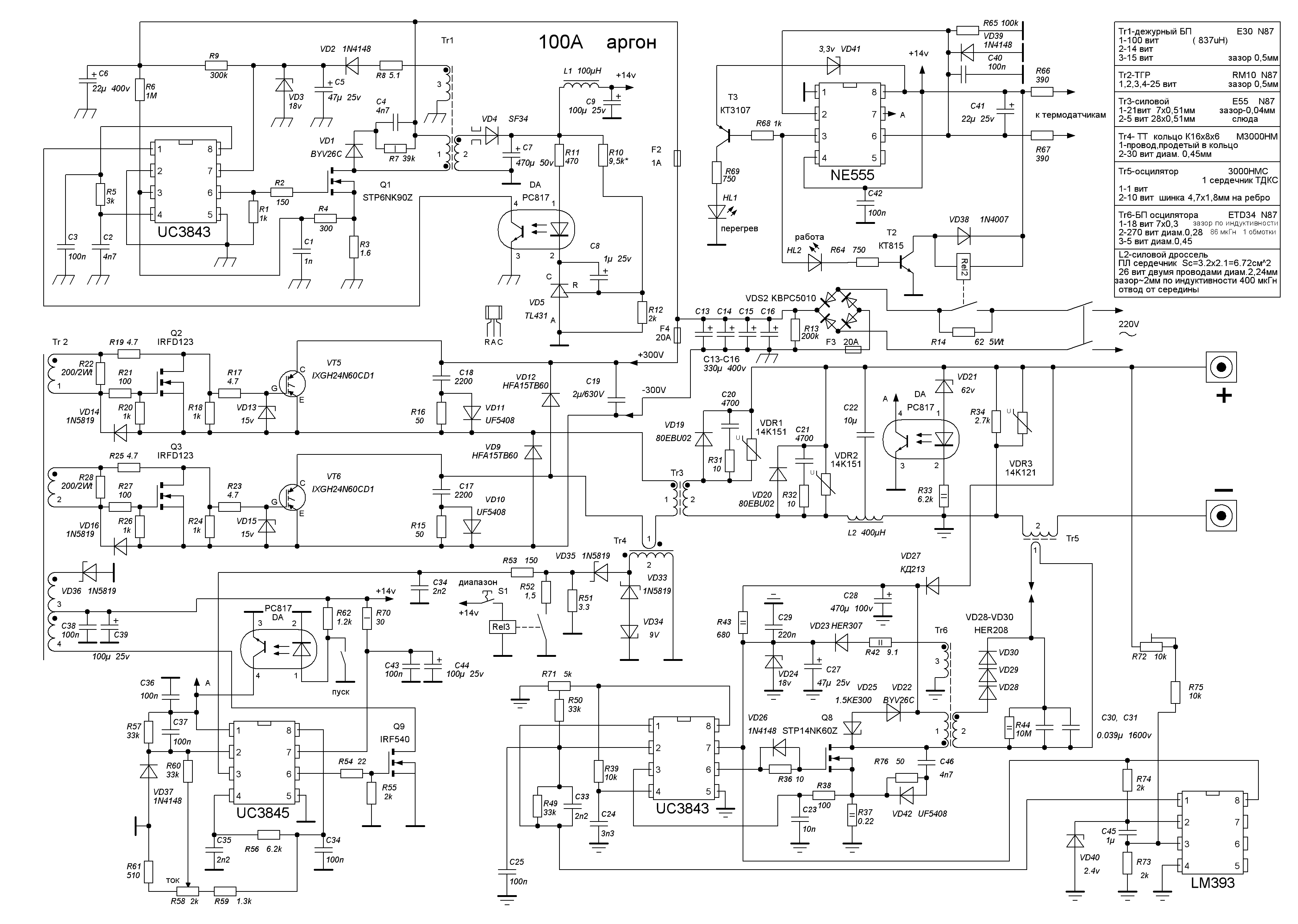
Látom, "pihen" a csapat
,találtam egy rajzot,hátha valakit feldob!
Sziasztok!
Kérdezném: meg szabad venni a belső diódás HGTG20N60A4D-t *, vagy mindenképpen a dióda nélküli verziót kell beépíteni? (* mindenképpen lomexből lenne a rendelés és csak ez van ("normális" áron) )
Ha a Macit csinálod, akkor mindegy melyik IGBT-t teszed bele.
Köszönöm szépen!
Természetesen Maci készülne... az ár miatt kacérkodok az IRG4PF50W-el is - ez mennyire ajánlott bele?
A T2-es trafóra itt is légrést ír. A légrés miatt a trafóban egy viszonylag nagy mágneses energia épül fel a bekapcsolási idő végére. ( vagyis, viszonylag nagy áram folyik az 540-es FET-en, ez néhány 100 mA ) Amikor az 540-es kikapcsol, akkor kell bekapcsolnia az IRFD 120-nak, ami a gate feszültséget a T2-es trafóban tárolt mágneses energiából nyeri. Amíg a bekapcsolási idő elegendően hosszú, addig az IRFD-nek van elegendő energia a T2-ben a bekapcsoláshoz, tehát, az IRFD nagyon gyorsan bekapcsol és ennek megfelelően nagyon gyorsan kisüti az IGBT-k gate-jét, tehát, azok nagyon gyorsan kikapcsolnak. A probléma akkor kezdődik, amikor a kitöltési tényező csökken, mondjuk csak 10 % lesz. Ekkor már jóval kisebb az áram a T2-ben, kevesebb a benne tárolt mágneses energia, így nem lesz elég feszültség ( energia ) az IRFD bekapcsolásához. Ezért, az lassan fog bekapcsolni. Tehát, az áramkörnek úgy nő a késleltetése, ahogy csökken a kitöltési tényező. Szimulátorban megnézve az arány bőven 1 a kettőhöz mondjuk 5 és 48 % között. Sajnos, pont akkor nő meg a késleltetés, amikor a legkisebb a kitöltés, emiatt ( is ) kihajlik az áram a kapocszárlatnál. Sajnos ezen nem segít a légrés, mert a tárolt mágneses energia tekintetében az arányok maradnak. Olyan gatemeghajtást kellene használni, aminek a működése nem függ a T2--ben tárolt mágneses energiától.
A másik hatás, hogy az 540-es FET, ha nincs elég vezetett árama a kikapcsolása előtt, akkor csak nagyon lassan fog kikapcsolni, vagyis a drain-source feszültség csak lassan nő és ez is növeli a komplett áramkör késleltetését. Tehát, ebből a szempontból jó bele a légrés. Valahol 500...1000 uH körülinek kellene lennie a T2 primer induktivitásának. Vagy olyan magot kell használni, aminek nem túl nagy az AL-je és légrés nélkül is kiadja ezt az induktivitást. Ez azért lenne nagyon jó, mert nagyon könnyen reprodukálható. Az egész hatás persze csökkenthető kisebb áramú FET-tel, szerintem még elég ide is az IRFD 120.
Nagyobbak lesznek a veszteségek, jobban fog melegedni. Szerintem, ne spórolj ezen.
Folyik a termelés....Én így állok,beszúrok pár képet,bosi a minőségért,a barátnőm elvitte a fotógépet,és csak április elején jön vissza vele.A webcam pedig ennyit tud.[OFF]Most még a fotógép az ami jobban hiányzik....
István
Eddig nagyon király! Szépek a nyákok és a beépítés is,használsz valami derékszöget vagy élvonalzót (?)
,igényes munka. Felmerült bennem a gyanú,hogy "testvérek vagytok" vottokar kollégával ,bocsánat a személyeskedésért! Hajrá tovább.
Kösz!
A derékszög alapvető.Szeretem ha a dolgaim jól néznek ki.Csak sajnos utólag vettem észre két tervezési hibát a panelon,így a végén kicsit bele kell majd rondítani,de az nem vészes.Most várom hogy hazamenjek a szülőkhöz,ott van szkóp,meg miegymás.Aztán jöhet az élesztés. István
Ha az IGBT fokozatot élesztem,azt tehetem a következőképpen?: A graetzre adok először 24V váltót,aztán 42V váltót...ugyanis Édesapámnak van otthon egy határozott méretű, akkutöltésre használt trafója.
Ezzel letudná a leválasztást, a szkópoláshoz,meg nem a 300 V-t kellene kerülgetni.Ez egy pár száz Wattos trafó. Szerintetek?
Igen lehet kis fesszel próbálni az IGBT fokozatot,én is így tettem.
Sziasztok .Teljes hidas kapcsolásnál a főtrafó méretezésénél az "N=(Ux10000) /2xBxfXA " számítási módszer használható ? Eddig még csak ezt találtam vissza olvasáskor .
N=(Ux10000)/(4xBxfXA)
![]() szerk: képletszerkesztő vajon müködik?
Szia!
Még keres egy kicsit, ez a nyitóüzemű számításának tűnik. A nevezőben a kettes helyett négynek kell lennie, ha tévednék, majd tanult kollégám kijavít. Meg tisztázni kell a mértékegységeket (keresztmetszet, indukció erre most így fejből nem emlékszem) És 50% kitöltési tényezőnél igaz mindkettőre. ui. egyre valószínűbb hogy jól emlékszem...
Ez a képlet jó, bár nem tudom mi az a 10000. Ha az nincs, akkor mindent SI mértékegységben beírva a képlet jó.
Tehát U- feszültség voltban B- indukció megváltozása egy félperiódus alatt Teslában ( pl: 0.4 T ) f- frekvencia Hertzben ( 50000 ) A-vaskeresztmetszet négyzetméterben pl: 6 négyzetcm=6 x 10 a minusz negyediken méternégyzet Nincs másmilyen képlet, az összes többi ebből származik. Ez természetesen csak akkor igaz, ha a teljes híd négyszögfeszültséget csinál.
A 10000 azért van mert általában négyzetcentiben számolják a keresztmetszetet nem négyzetméterben.
Köszönöm a válaszokat -- most megpróbálok számolgatni . Kíváncsi vagyok milyen eredményre jutok . ... Én fényképeket nem merek feltenni mert az eddigi (mások által feltett ) képeket nézegetve az én "alkotásom" megint egy szörny szülöttre hasonlít valahogy .
UCC 2808 -as IC-t sem sikerült még beszereznem de itthon találtam egy SG3524N-t és ha jól tudom ez is pont jó lenne teljes hidas vezérlőnek .
Óvatosan, UCC2808 áram módú vezérlő, az SG3524 nem.
A fenébe ... mintha valamelyik fórumon olvastam volna ,hogy jó hegesztő inverternek . Na még keresek egy másik boltot Miskolcon .
Elvileg bármelyik jó, jó az SG is de még a TL494 is csak be kell csapni és akkor "áram módban" fog szabályozni.
A terminálon Rosco csinált egy ilyet 494-el és azt mondta működik (találsz rajzot is de ha kell megkeresem). Ha lesz időm én is ki fogom próbálni, mert az minden bokorban terem és negyede annyiba kerül mint az UCC. Apropó UCC-vel vigyázni!!! Nagyon jó kis áramkör, de kényes a nyavalyás. Megcsináltam neki az új nyákot és nem lett jó. Egészen addig működött amíg rá nem tettem a főtrafót, ekkor megbolondult és fütyültek, zümmögtek, kattogtak a trafók. Rátettem a kimenetre a szkópot, a négyszög helyett mindenféle szinuszsorozatok voltak rajta. Visszatettem a régi próbanyákot, azzal jó volt. Két nap szívás után jöttem rá hogy mi a baja. Vagy földfóliás nyák kell (ezt én sem akartam) vagy úgy kell kialakítani a nyákot, hogy minden táplálandó résznek (IC-tranyók-lágyindító) csillagpontos föld és táplálás kell. Ha nem csillagpontban viszed a földet (és a tápot) hanem csak elhúzol végig egy vonalat akkor ez lesz belőle. |
Bejelentkezés
Hirdetés |




,találtam egy rajzot,hátha valakit feldob! 
) 




UCC 2808 -as IC-t sem sikerült még beszereznem de itthon találtam egy SG3524N-t és ha jól tudom ez is pont jó lenne teljes hidas vezérlőnek . 




