Fórum témák
» Több friss téma |
Fórum » Csöves erősítő készítése
Ne feledd betartani a fórum viselkedési szabályait, és a topik megmaradásának feltételeit. [link]
A téma átmenetileg fagyasztva lett, hozzászólni nem tudsz!
Most tudok szerezni zománchuzalt. 6C4C kimenőjéhez milyen vastag huzalt használjak? addig eljutottam, hogy primernek 0,25-0,30 között a szekunder meg olyan 0,60-as körül. Azt hiszem 0,28-as van szerintem az jó lesz, de mi a helyzet a másikkal? Hogy számoljam ki?
Akkor elvileg a vékony lemezvágó korong a sarokcsiszolóban pont megfelelő lenne. A légrés csökkentésél mit csináltál? összehúztad a gyűrűt, vagy egy trafólemezt tettél a résbe?
Ezzel a táblázattal elég jól kiszámolható a huzal vastagság is. Innen van:Bővebben: Link
Igaz, ez elsősorban hálózati trafókhoz, és kapcs. üzemű tápok trafóihoz jó.
Köszi! Ezzel sajnos nem tudom kiszámolni. Hálózatihoz tényleg nagyon jó lehet!
Helló! mindenkinek.
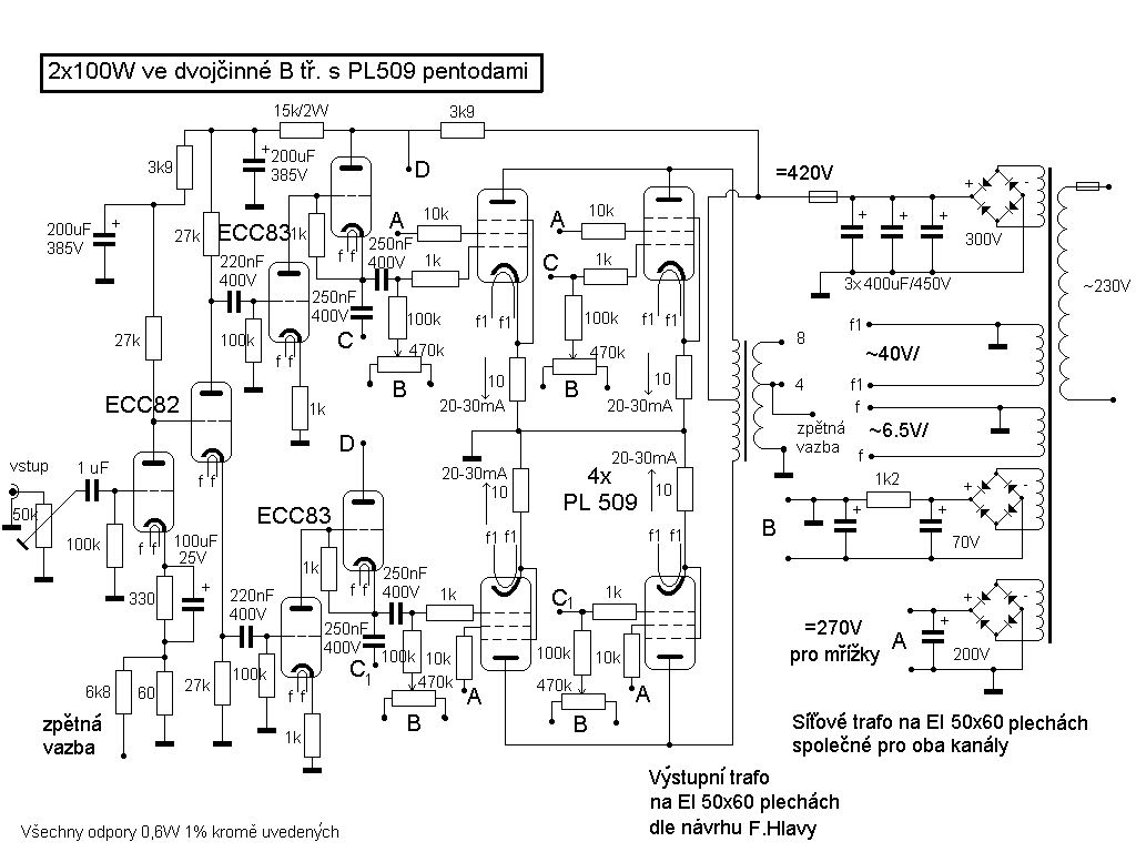
Azt szeretném meg kérdezni tőletek,hogy kinek van PL504/PL509 csőhöz erősítő kapcsolás?Max még egy két ECC85/ECC88/ECC83 lehet benne. A válaszokért előre is üdv.
A Rádiótechnika 1979 Évkönyvének a 136 oldalán nagyon kellemes PPP végfokot közöl, de vigyázni kell, mert a rajzon van egy könnyen észrevehető hiba
Van 2 is raktáron.
Egyébként Djhans tervez egy PL504 PP-t a közeljövőben. Bár bokros elfoglaltságai között kevés ideje van erre, de garantáltan előbb kész lesz vele, mint én a PL509 PP-mel (már szól az EL84-6Sz3P SE, semmi nem sürgős
).
Na azért lehet, hogy előbb halljuk meg a PL509-ek hangját.
Én most nem tervezem deszkán összerakni a kapcsolást. Megcsinálom egyből a dobozba a véget, és a meghajtó fokozattal fogok majd kísérletezni. Az úgyis külön panelen lesz. A másikon meg a 4 végcső lesz. Mósosított AV760/C doboza lesz a sztereo erősítőnek.
Szerénykedik a fiú, ne hallgassatok rá ilyenkor.
A PL509-eket gyakorlatilag 1 nap alatt hallgathatóvá lehetne hozni, az E88CC-s meghajtással + 6Sz3P-EV előfokkal megoldva. [OFF]De holnap nem nagyon fogok ráérni, a kisebbik lányom süt.
Ilyen "megátalkodott" lesz az ember, ha már van némi "rálátása" a dolgokra. A mostani SE-met "kapásból" csináltam, azaz nem volt még kapcsolási rajz sem hozzá, "csak fejből" egyből elkezdtem tervezni a panelt (milliméter papírra), és két példányt legyártottam (mono blokkok, tehát mindegyikben ott a tápegység kondenzátorai is). Egészen véletlenül "beindult", már hetek óta hallgatom.
Sziasztok. Elkészült teljesen a végfokom. Bekerült a varázsszem a lábak a hangeröpoti. Sajna megfelelő fényviszonyok hiányába csak ilyen képek lettek, de ha egyszer kisüt a nap, biztos lesz jobb fotó. Tudom hogy már láttátok de ez a végkifelylet.
Szép lett , gratulálok !
Már a doboza is sugallja a torzítatlan , szép szinusz átvitelt .
Nem egészen ide tartozik, de tud valaki megoldást arra, hogy a Miniszkóp-3 érzékenységét lehet-e növelni valamivel?
Elé kapcsolsz egy nagyobb érzékenységű szélessávú mV mérőt.
Húúúú, ezt az erösitőt még nem láttam. Ez gyönyörű! Amugy kényszerböl szedtem ketté, mert ott a két EZ81.
Érthető , csöves egyeniránítás sem hátrány .
Ez a verzió volt amit legutóbb láttam nálad?
Csinált már valaki 6P6S-ből PP-t? Valami vélemény? Csak mert van itthon néhány db, gondoltam "összedobnék" belölük valamit.
Ha lenne...
De ötletnek jó. Lehet, építek egy csöves előtétet, annak legalább jó nagy a bemeneti impedanciája. ECC85 megfelelő lenne hozzá szerintem. Vagy inkább ezen rajz szerinti legyen?
Dupla tetródából csináltam. Ez szerintem ugyanolyan jó.
Ez nem sokat javítana, ilyen egyszerű kapcsolás (2 fokozat) nem ad akkora erősítést, ráadásul nincs is kimenete. Ezt így nem tudod használni. Jobb szkópok általában 1mV/osztás érzékenységűek, a mV-mérők is hasonló (vagy jobb) értékekkel bírnak.
|
Bejelentkezés
Hirdetés |





).
Én most nem tervezem deszkán összerakni a kapcsolást. Megcsinálom egyből a dobozba a véget, és a meghajtó fokozattal fogok majd kísérletezni. Az úgyis külön panelen lesz. A másikon meg a 4 végcső lesz. Mósosított AV760/C doboza lesz a sztereo erősítőnek.






