Fórum témák
» Több friss téma |
Fórum » PC táp átalakítás
Helló
Tehát akkor amiket eddig írtál semmi sem biztos? még a rövid-zár védelme sem? Még jó hogy nem próbáltam ki,... Akkor várom valaki mástól a megoldásokat továbbra is! Azért köszönöm a segítséget! Helló
MIlyen tipusu ATX-s tápod van? Csak annyit irtál, hogy 300W.
Találtál a net-en rajzot? Ha TL 494 vagy az ennek megfelelö xx494 van benne, akkor az is stabilizált, de csak a +5V és a +12V feszültségre. A tulfeszvédelem minden fajta tápegységben, és minden feszültségre aktiv. A rövidzár védelem általában csak a +5V és a +12V. de jó lenne tudni a tipusát.
Helló
Köszönöm hogy segítesz! Hát a neten sok mindent lehet találni de erről semmit sem találtam, főleg nem kapcsolási rajzot! A típusa: Mercury Model: KOB AP4300XA És 300 Wattos! A chipet nem tudom milyen van benne de holnap meg tudom nézni,... Így elsőre nem ismerős esetleg? Köszi hogy segítesz! Helló
Helló
Megnéztem a chipet ezek vannak rá írva: 2003 BA200070452H Köszi a segítséget! Helló
A túlterhelés és zárlatvédelem még mindig szinte biztos. Ha nem gagyi kínai táp, akkor van benne. Az enyém sem egy nagy minőség, de túlterhelés esetén lekapcsol.
Az ATX tápokban ha jól tudom csak a vezérlő IC más.
Hello
100%-hogy tulfesz és zárlat esetén védve van a tápod. Sajnos az IC-röl semmit sem találtam a net-en, igy egy kicsit nehezebb lesz átalakitani. A TL494-el felépített tápokat ismerem, azokkal már sokat foglalkoztam. Mit szeretnél csinálni ebböl a Mercury-ból?
Az "5" láb körül érdemes keresgetni. Jellemzően szerintem is van zárlatvédelem, legalábbis a panelon ki van alakítva, az más kérdés hogy éppen csak az alkatrészek hiányoznak belőle.
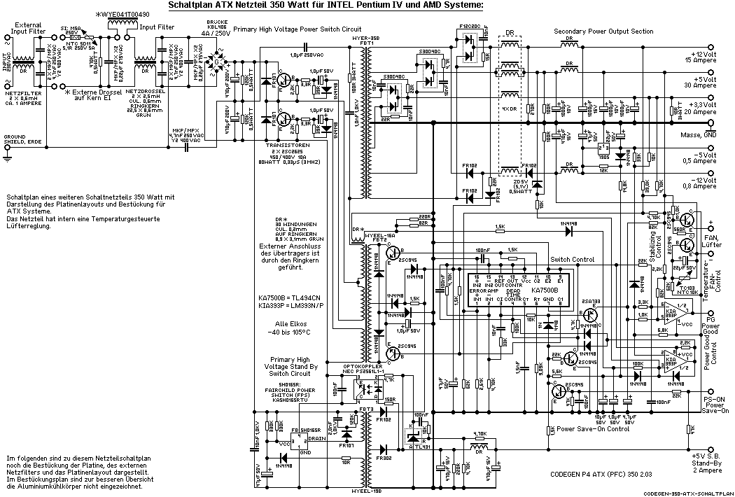
Kapcsolási rajzokat a fórumon biztos találsz, ha visszalapozol. De pl egy: Bővebben: Rajz
Helló
Hát labor tápot, de a feszültségeket nem akarom variálni, jó nekem az 5 Volt, és a 12 Voltos kimenet! Amit akartam az a rövidzárlat védelem, de ha ezek szerint van benne akkor az sem kell,... Amit még szeretnék az az hogy az áramot tudjam szabályozni ezen a 2 kimeneten,... Remélem tudtok segíteni! ha1drp: Köszi a rajzot, valami ilyesmi lesz a táp, mert 3 trafós, és az ic is stimmel, majd jobban átnézem hogy mennyire egyezik,... Köszi hogy segítetek! Helló
Hello
szerintem a rajz, amit a Kolléga csatolt megfelelö a kezdéshez. A kimeneten +5V, +12V, 3,3V a rendelkezésedre áll. Ha a max áram meghaladja a 8A-t a táp leold.Ha a minusz ágat is akarod használni, akkor ki kell cserélned egy két alkatrészt, hiszen a jelenlegi állapotban csak kb 1A-val terhelheted. Ha áramhatárolást akarsz beleépiteni, akkor egyszerübb egy külön panelre LM317-el összerakni és a +12V-ról meghajtani. A kapcs rajzból is kiderül, hogy a szabályozáshoz szükséges komparátorok is a 2003 IC-ben vannak, mig a TL494-el felépitettekben, ez külön IC-ben vannak
Helló
Tehát ha jól értelmezem, akkor nem is kell belenyúlni a táp áramkörébe, hanem egy külön kapcsolással megoldható az áramszabályzás? Erre hol találok, és milyen néven kapcsolást? olyan kéne ami így tuti működik, mert csak 1 próbálkozásom van, és ha valami nem ok, akkor lehet vége a tápnak,.... Azért mindent csak nem bír ki,... Köszi a segítséget!
Sziasztok! Egy olyan kérdésem lenne hogy, hol mit kell átkötni a codegen tápomon hogy nagyobb feszt érjek el max 14V kell nekem mert autós erősítőnek a végfokját (TDA 7560) szeretném hajtani vele. Mellékelem a kapcsolási rajzot.
Szia. Szerintem (ha az adott kapcsi rajz illik a tápra) akkor két átalakitást kell eszközölnöd:
- KA7500/TL494 1-es lábán találsz egy 62k párhuzamosan egy 2,6k a föld felé, ezt csökkentened kell, vagy a +12 felé menő ágban egy 39k növelned kell. Egyszerübb a 62k II 2,6K helyére tegyél egy 4,7k trimmert és már állithatod is. DE - ne feledd a +12V ágban kicserélni a szürőkondit legalább 25V-ra. A 16V kondit nem hagynám 14V dolgozni. Vigyázz mert az összes fesz el fog mozdulni, tehát a - 12 V ágban is van egy 470u az is 16V-os.
Köszi! Ha lessz időm megcsinálom. Gondolom érdemesebb nagyobb kapacitásút is raknom min.2200uf ra gondoltam, van itthon 25V 5000uf orosz is csak az nem fér bele a tápba. Majd írok hogy, lett e füst vagy nem.
Üdv!
Ez nem igazán fedi a valóságot: Idézet: , ugyanis álltalában ugyanaz (TL494/KA7500 ill. LM339) vezérli. A lényeges különbség a segédtáp, ami folyamatosan üzemel, és ezzel indítod be a táp többi részét. „Az ATX tápokban ha jól tudom csak a vezérlő IC más” Nagyából... Itt a fórumon is van rengeteg AT-s ill. ATX-es táp rajz, hasonlíts össze 1-1-et.
Idézet: „Gondolom érdemesebb nagyobb kapacitásút is raknom” Erről már nagyon sokszor esett szó ezen a fórumon is. Ha állandó folyamatos terhelésed van semmiképp! Erősítőkhöz, azonban meg lehet próbálni, de a nagy kapacitással csak azt éred el, hogy a táp még csak el sem indul. Illetve csak "Low ESR" ill. min 105C kondikat próbálgass.
Szia. Nem érdemes akkora kondi begyömöszölni a tápba. ne felled el, hogy a szürő kondi a táp brummot hivatott csillapitani, hogy tényleg egyen feszed legyen. Ha 50/100Hz dolgozol, akkor a kondinak kell a félperiodusokban nagy áramfelvétel esetén az áramot pótolni. Ezért van a klasszikus tápokban 4700- 10000µF betervezve.
A kapcsi tápnál a szürökondi sokkal sürübben van töltve, hiszen az egyenirányitás nem 50/100Hz kap, hanem 40-80kHz-t. A 2200µF böven elég csak nagyobb feszültségüt tegyél bele: pl 25V-t. Ha az erösitőt sokat szállitod haver> haver ne feledkezz el az alkatrész rögzitéséről. Mechanikailag ültesd le a panelra, hogy ne lötyöghessen. és jó minöségüt vásárolj.
Üdv Degus
Ha még él ez a topik va egy jó hírem a SZÁMITÓGÉP tápban van trafó és majdnem gyufásdoboz nagyságú . Ez egy úgynevezett PORVAS .Akár Mhz nagyságu jellel kapcsolj a FET a 230 Voltra az az 350-360 Volt egyenfeszre és 500W 1000 W _ra képes .Hobbi célra készült hegesztő 2-3KW és 5-10 Kgr.Na bumm fejlődik a technika. Idézet: „Na bumm fejlődik a technika” ...igen és hogy repül az idő ! Gyorsan elszállt az a 4 év a hozzászólás óta ..... :yes:
Üdv Izsak13
Néztem a két 7107 rajzot letöltöttem! Ha az árammérő részt nézem gond van még pedig a következő fix mérésnél és persze méréshatár váltásnál az IC pápá.Abban a pillanatban mikor vált a kapcsoló az IC 30 és 31 lábán 12V a fesz 10Kohm soros ... Javaslom az 1 Ohm-os ell... kösd össze az in ponttal a rajzon az in_töl jobbra 1Cm vízszintes vonal. Kérdezheted többi méréshatár??? Én kérdem ?,hogy áll össze az 5A? Az IC 1999 kijelzés.2 A és 20 A oké. A tőbbi méréshatár csal de úgy érzem 5%-körül marad,mivel párhuzamosan lesz kacsolva az 1 Ohm_mal az 1/10 és 1/100 _ad része. .nem szaporitom az írást mert a procibol kifogy a tinta. Üdv János
Üdv!
Ebben a topicban rengeteg kérdés és válasz van. Én speciel rengeteget olvastam mire feltettem az első kérdésem és már nagyon belemerültem az átalakításokba. A trafó két széle alaphelyzetben is használva van, csak 12v jön ki belőle. Mindenképpen át kell alakítanod a cikkhez hasonlóan: Bővebben: Link. De a 10 ampert biztos bírni fogja. A többi ág nem lessz attól stabil, hogy megterheled az 5v-ot, ugyanis a tápok többsége az 5v-ot figyeli a többit nem. Amelyik ágat akarod használni (terhelni) arra hell a figyelést átkötni és a stabil feszültséget beállítani. A PWM vezérlő azt fogja stabilan tartani és a többiág feszültsége annak az ágnak a terhelstégéhez képest fog változni. Szerintem elég erős átalakításokra lessz szükség ha mindenképpen kell a 3.3, 5, 12 és a 24 V is. Én megelégedtem a +-50V és +-15V-al. (Trafóáttekercseléssel természetesen)
Sziasztok.
Nekiálltam egy AT tápnak az átalakításának. Szerintem a legegyszerűbb fajtából való . Egy KA7500B és néhány tranzisztor van benne . Mivel még nemnagyon nyúlkáltam ilyen kapcsitápokban , inkább kérdeznék mint valamit kidurrantsak az arcomba. Első lépésként a védelmet iktattam ki. Nem találtam azt a bizonyos feszültség osztót , hanem az enyémben egy 12k-s ellenállással van a gnd-re kötve valamint a 4-es lábra jön egy vezeték ami egy diódára és egy kondira kapcsolódik.Ezt a vezetéket átvágtam ,és a 12k-s ellenállás helyére egy átkötőt tettem. Tulajdonképpen eléggé sok AT táp kapcsolást keresgéltem a neten , de olyan nem találtam ahol az a bizonyos feszültségosztó meglett volna. Inkább ez a diódás, kondis a jellemző. A képen látszik a ténykedésem. Második lépés az lenne ,hogy a figyelést az 5V-os ágról áttegyem a 12V-os ra. Az a különös nekem ,hogy szerintem mindkét ág figyelve van. A nyákon jól követhető. Most szerintetek mit tegyek? Egy erősítőhöz szeretném majd használni , valószínű, hogy egy tda 2030-as hidalt valami lesz.Esetleg a végtranyós kivitel. Azonkívül van egy ellenálás beforrasztva alulra is gyárilag. Ide kell majd tennem a 22K-s trimmert? Egyenlőre ennyi.Csak akkor tudok ,merek továbblépni ,ha ezek a kérdések megoldódtak. Köszi.
Üdv!
Szerintem vágd el a fóliát az IC 1-es lábánál. Ezután tegyél egy pot.métert a majdani** pozitív kimenet, és a föld közé, a középső kivezetése pedig az IC 1-es lábára csatlakozzon. Ez a leg egyszerűbb (szerintem). HOgy fog -e működni is, arra már garanciát nem tudok vállani. **Szerintem ne belezz még szét semmit, inkább lépésenként haladj: Ellenőrizd, hogy a feszültséget tudod-e állítani, aztán jöhet pl. a negatív tápfesz előállítása. Talán a rövidzár védemet sem kellett volna kiszedni, így az elején biztosan nem! És mégvalami: A TDA2030-at senkinek, semmire nem ajánlom! Ha már IC-s, akkor legyen TDA2050, abban még erő is van, és majdnem van olyan minőségű, mint a TDA2040. Viszont a TDA2030-nál mindkettő klasszisokkal jobb!
Sziasztok!
Lenne egy kérdésem, van itthon egy régi pc táp és azt szeretném vele csinálni, hogy a PIC-t ellátsa stabil 5v-tal a pc táp 5v-os kimenetéről és ez így működne, ha simán rákötöm a PIC VDD lábjára az 5v-t és a GND-t a VSS-re. Nem kell közé semmit rakni? (ellenállás vagy valami) smrtln A figyelés mindkét ágra be van kötve, ezzel mi legyen? A szabályzást a 2-es lábon fogom megoldani ,majd egy fix ellenállással. Mint ahogy a leírásban is van. Közben azon gondolkodtam ,hogy mivel az 5 voltos ágat nem fogom használni annak a diódáít is felhasználhatnám a -12V ágban. Vagy valahova szükség van az 5V-ra? Ha ebből indulok ki akkor az 5 voltos ág figyelését kiiktathatom.
Üdv Buburobi
Olvastam a hozzászólásod lenne egy kérdésem! A trafó milyen menetszámú 3V 5V 12V? még ilyent nem tekertem le de fel sem ! Most kaptam pár tápot és én is szeretném átalakítani Tőltő kettős táp Puffer töltő 48V 4 Db aksi elektromos kerékpár . Köszi a segítséget. Üdv János
Szerintem ne ragaszkodj annyira a cikk minden apró részletéhez. Ha az 1-es kivezetéssel oldod meg a szabályzást, az is tökéletes, és nem kell semmit kötögetni (azt hiszem, hogy ) a 14-es lábról.
AMúgy ha elvágod a fóliát az 1-es lábon, akkor mindjárt meg is oldódik, hogy melyiket figyelje az IC. Mert azt fogja figyelni, amelyiet pl egy potin keresztül (vagy 2db sorbakötött ellenállásal) leosztasz. Az álltalam javasolt megoldás is jó, mert erősítőnél ugysem fogod percenként állítgatni a kimeneti feszültséget. Az 5V -os ág diódáit szerintem ne akard mindenképpen felhasználni, mert nem biztos, hogy bírja azt a feszültséget, amit bírnia kell , ha a nagyobbik feszültségű szekunder kivezetésre teszed. (Tapasztaltam egy "PHOTRON" schottky dupladiódával.) 5V -ra nincs szükség a tápegység működéséhez.
Szia fater0827
A tápban az 5V hoz 3menet tartozik, a 12V-hoz pedig még 4 menet. Az 5V tekercset általában 3x 0,7 vagy 0,8 huzalból van megtekercselve, a nagyobb terhelhetöségű 4x huzalból. A közösített szekunder föld vezeték "jön" ki a trafó tetején, és egy müa csöbe huzva van a testre kötve. A 12V hoz tartozó tekercs általában 4 menet 0,8 huzalból. A 3,3V hoz nincs külön szekunder (én nem találkoztam vele), általában az 5V kivezetésre két gyürüferrit, mint fojtó majd az egyenirányitó következik. A tekercsek szét vannak osztva, tehát a primer is két fél tekercsből áll össze. A fluxuseloszlás miatt a primerek után egy menet réz fóliát találsz, ha ujra tekered a trafót, nehogy rövidre zárd a két végét. Lásd a kolléga cikkét. Sok sikert
Hali mindenkinek
Következő a kérdésem. Van egy békebeli keverőm és az vele a problémám hogy nincs hozzá meg a tápom, de szeretném használni a következő adatok vannak rá írva: BEAG PKP-11 , 2* 12V~ , 4VA , IP 10. A kérdés pedig a következő : Hogy számítógép tápegységével nem-e lehetne megtápolni vagy simán vagy valamilyen megoldással, alakítással, mert az van nekem néhány a padláson Válaszotokat várom vagy egyéb ötleteket. Üdv: Petya |
Bejelentkezés
Hirdetés |




A kimeneten +5V, +12V, 3,3V a rendelkezésedre áll. Ha a max áram meghaladja a 8A-t a táp leold.

Nagyából... Itt a fórumon is van rengeteg AT-s ill. ATX-es táp rajz, hasonlíts össze 1-1-et.
.







