Fórum témák
» Több friss téma |
Fórum » Csöves erősítő készítése
Ne feledd betartani a fórum viselkedési szabályait, és a topik megmaradásának feltételeit. [link]
A téma átmenetileg fagyasztva lett, hozzászólni nem tudsz!
Szia luki ! szép ez az erősítő , de tudod a belvilág ! én mindig arra vagyok kiváncsi ? Meg csak egy apró észrevétel , ilyen szép erősítőre azért szebb power kapcsoló, és poti tekerentyű illene , de csak ezt ugy mondom .
Ja egyébként én is csak ilyen filléres kapcsolókat használok ezért mondtam hogy csak mondtam , nem kell komolyan venni ? Bővebben: Link
Szia Pityu, végre újra látlak itt.
Luki, szép a 6P3Sz SE-d!
[OFF]Azért lehet olcsóbban is tekertetni kimenőket pl 10-alatt ezek a huszon ezrek nagyon irreális árak.
Hiába a Mester tudja ezt a legjobban! Örülünk, hogy néha Te is "hallatod a hangod"!
Szia Laci,
...az a bizonyos belvilág amivel adós vagyok, csak hogy betehesd a picasas oldaladra! Jó régen beszéltünk, az "ügyed" folyamatban van
Szia !
Rosszul fogalmaztam.Tehát a két SM trafó,és a tekercselés együtt ennyi.(legalábbis itt Vas-ban) A két mag 8-10E, a tekercseltetés szintén ennyi. Üdv! Luki
Kössz szépen Barna az utólagos engedelmeddel egy képet akkor elmentek az albumba . De mi az a számtalam piros bogyó ott belül ? Te aztán nem sajnáltad a kondikat tőle . Nincs semmi zavaró alapzaj, brumm STB ? Végülis a trafók hogyan maradtak ott ahol vannak , azt látom hogy csavar az nincs / csak nem bevált a trükk amit mondtam ?/
Szia !
Akkor tessék, nehogy kilyukadjon az oldalad! Köszönöm az építő jellegű kritikát, de sajnos abból kellett dolgoznom, ami itthon beszerezhető volt. A kapcsoló Japán, habár kivitelre ugyanolyan mint a kinai gagyik.A gombok a Farnell-tól vannak, ez volt még a legnormálisabb. Volt akinek a visszajelző izzó nem tetszett, de hogy nézne ki egy csöves erősítő leddel? Na mindegy , a következő már jobb és szebb lesz! Üdv!
Szia !
Köszi,igyekszem. A következő már jobb lesz, tanulva az előző építés hibáiból. Üdv! Luki Idézet: Bocs hogy a belvilágot reklamálom de nekem a külcsin az csak másodlagos , ami belül látható az annál érdekesebb szokott lenni ! De a te esetedben ez is szép rendezett , miért nem mutathatnád meg semmi kifogásom nincs az alkotásodban amit az előző hozzászólásomban mondtam azt is csak megjegyzésként mondtam nem kritikaként .Egyébként meg mindenki abból építkezik amiből tud , meg a lehetőségei megengedik ! Számtalan esetben én is a bontásból származó anyagokat ujra hasznosítom , kapcsolóként is azt a 200 forintos kis kütyüt szoktam beépiteni , több okból kifolyólag is. De led - et azt nem csövesben semmi keresni valója . „Akkor tessék, nehogy kilyukadjon az oldalad”
A piros bogyó Wima MKP4-es fóliakondi 100nF / 630V. Minden elkóval párhuzamosan tettem egyet ahogy annó javasoltad és a hangerő poti és a ECH21 G1-e között is ez van és csatolókondinak is a két fokozat között, mert elég jó minőségűnek mondják még túlzás is az elkókhoz :yes:
Tökéletesen zajmentes a szerkezet Végül a te módszered szerinzi ragasztással lett rögzítve a kimenő :yes:
Szia !
Semmi gond, maximálisan egyetértek. Sajnos itthon elég gyatra a választék, ha nem kommersz alkatrészek,hanem annál jobbak kellenének. Én is rengeteg bontott alkatrészt használok, ahogy tapasztalom, néha még jobbak is mint az új alkatrészek.(pl:régi Wima Durolit kondik) Üdv! Luki
Szép a cucc ! Nekem nagyon tetszik a hálózati trafód !
Hol lehet ilyen "lábas kupakot" venni ? (e-tronic partson kívül ! Ott van jó drágán, de csak 3 féle méret .. )Én ilyen kupakos trafó fan vagyok, gondolom a hangszererősítők miatt ...
Pont meg akartam kérdezni !
És a potik, meg az elkók is oda vannak akkor ragasztva ? Amúgy jó kis cucc lett ! Idézet: Vagy akár lehet csinálni is az adott méretre ! „ilyen "lábas kupakot"” Na igen, aki tud, az tud ! De én nem tudok Egyszer kétszer nyákból, vagy bakelitből ragasztottam, de azoknak csak esztétikai / érintésvégelmi szerepük van ... Egyébként ezzel tudnál bizniszt csinálni, mert keresik nagyon , bár EI-66-ra való most a nagy kereslet, meg EI104, 92, szóval bővített ablakméretű vasak, illetve nem szabványos méret, vagy ha olcsóbban tudnád ezeket kivitelezni, mint az e-tronik Partsos húzott cuccok, akkor EI-106, EI-96. ár azok feketék, vagy horganyzott, én úgyis valamilyen lehetetlen színre festeném őket
Szia !
Nem tudok itthoni beszerzési forrást. Ezt a trafót bontásból szereztem, egy régi amcsi műszerben volt. Volt vele meló, mire szétszedtem, csévetestet gyártottam, stb. Mint látod CIROKL kolléga megoldotta, de ehhez már kell fémipari tudás. Üdv! Luki
jelenleg Magyarországon itt lehet kapni , újonnan . Talán még Elimexnél, iletve kifjejezetten transzformátor, és "hozzávaló" forgalmazó cégnél . Talán Eximtrade a neve egy ilyennek ?
Ja, és az E-tronik cuccai állítólag már átvehetők személyesen is Cegléden :nemtudom:
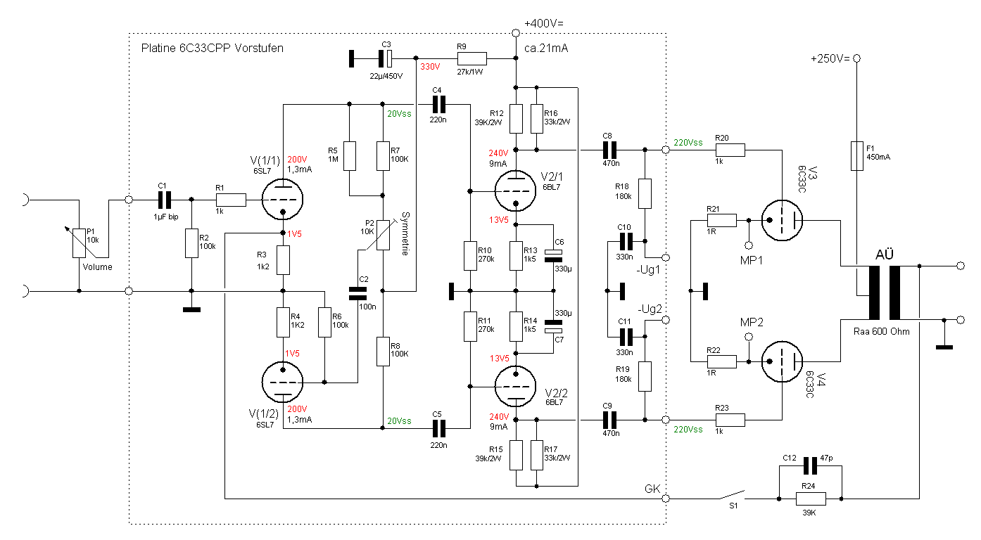
ECH81-et én nem használnám erősítőbe, max ha nem lenne semmi más csövem és nem is tudnék szerezni. Nekem ez a kapcsolás több szempontból sem jön be ettől eltekintve sem.
Hát nem olcsó mulatság a trafó kupak. A belinkelt oldalon is elég drága. Ha lenne jó áron akkor én sem rejteném búra alá a trafóimat.
Szia !
Ezt a céget ismerem, már rendeltem tőlük csőfoglalatokat. Sajnos komplett trafójuk nincs, a kupakok meg nem jók arra, amilyen trafóim vannak. Marad a külső trafóburkolat.Ezt legalább én is el tudom késziteni, lemezhajlitógép elérhető számomra, az oldallap meg lehet fa, vagy vastag alu lap. Üdv! Luki
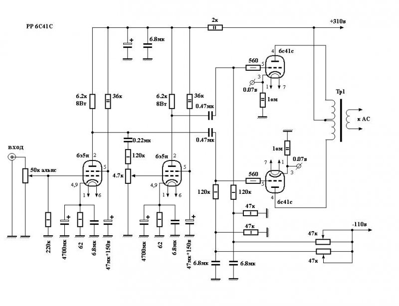
Valaki tudna nekem használható 6С19П Push Pull kapcsolást? Én nem találtam semmi jót… Köszi előre is!
Köszönöm, Loctal Project néven épült be a köztudatba. Igen ami ratgasztottnak látszik az ragasztva is van!
De miután hozzá vannak forrasztva az alkatrészek akár öntartó is lehet a dolog, a kimenőt kivéve persze
Ez szerintem egy ügyes kapcsolás.
Ez sem rossz, 2, 4 vagy 8 vagy 10 db 6C19P-vel a 6C33C helyén.
Na a végére, még egy... egyszerűbb. A 6C41C helyére mehet paralell a 6C19P, de singliben is, persze a kimenőt hozzáigazítva ekkor ( ezt az előzőnél is kell, ha 2*4-nél kevesebb 6C19P van a 33C ek helyén).
A 6N13 P -vel épített PP-knél is jó a 6C19P.
Milyen ragasztó az, ami a hőnek is kitett szerelőlapon képes megtartani ekkora súlyú "lógó" kimenőt?
Nekem már a felfogató-fül nélküli olajpapír-kondik megfelelő ragasztása is gondot okoz...
Köszi szépen! Az első felépítése tetszik, viszont az utolsónál jó, hogy 6Э5П-vel hajtja, azokkal rendesen meg lehet őket húzni. Már csak a kettőből kéne egyet komponálni
|
Bejelentkezés
Hirdetés |


Ja egyébként én is csak ilyen filléres kapcsolókat használok ezért mondtam hogy csak mondtam , nem kell komolyan venni ?







Egyszer kétszer nyákból, vagy bakelitből ragasztottam, de azoknak csak esztétikai / érintésvégelmi szerepük van ... Egyébként ezzel tudnál bizniszt csinálni, mert keresik nagyon , bár EI-66-ra való most a nagy kereslet, meg EI104, 92, szóval bővített ablakméretű vasak, illetve nem szabványos méret, vagy ha olcsóbban tudnád ezeket kivitelezni, mint az e-tronik Partsos húzott cuccok, akkor EI-106, EI-96. ár azok feketék, vagy horganyzott, én úgyis valamilyen lehetetlen színre festeném őket







