Fórum témák
» Több friss téma |
Én inkább úgy fogalmaznák, hogy csak akkor használj stab kockát, ha a költségvetésen van a hangsúly. A kapcsoló üzeműeket is ki lehet jól szűrni, hogy ne zavarjon be egy MCU-nak, vagy RF modulnak.
Elkészültek a tervek, trafót is megtekertem (életem első házilagos trafója
--csak működjön is....), és az összes alkatrészt is beszereztem (szerencsére nagyrészt volt 'raktáron').Nemsokára nekirugaszkodom a panelnek.
Mindenesetre az első indításnál egy izzólámpás áramkorlátozást érdemes lenne használni.
Jók a tervek!
Yes-Sir....
Úgy lesz. Ha jól sejtem egy 10-20W (12V-os) izzó pont meg fog felelni.
Valami olyasmire gondoltam én is. A FET-ek áramához mérten.
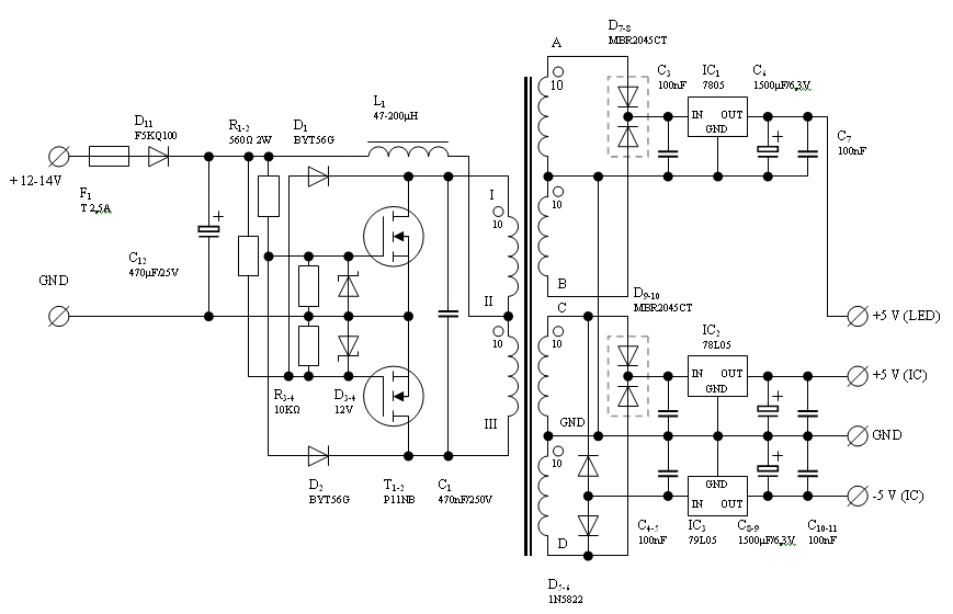
Még annyit, hogy a kimeneti pufferkondikat a stabkockák elé tedd (1500 uF), a diódák után, persze jóval nagyobb feszültségűeket. A kimeneti pontokra egy pár mikrofarádos elkót rakj a kerámiák mellé. Érdemes kis ESR értékű elkókat használni.
Kááár, csak mert (1500µF/6,3V) azok LOW ESR (alaplapról proci mellől valók)
Majd guberálok valami nagyobb feszkós LOW ESR-es hasonló (1000-2200µF/25V-os) kondit. Köszi a tanácsot.
Ráküldted volna a lüktető egyent a stabkockákra? Az nem lett volna egy egészséges művelet
Igaz, igaz... mintha csak magam mondtam volna...
Hüjjje kínaiak, a kicsi kondikra már nem írják rá hogy LOW ESR Sajnos így csak tippelni tudom, hogy amit bontottam (jórészt kapcs.üzemű cuccokból) azok azok. A nagyobbakra részint rajta szokott lenni, bár lehet hogy újabban már csak valami kóddal jelölik ezt is
Sajnos csak két 25V-os LOW ESR-es kondit találtam, 16V-ost meg nem szeretnék oda tenni, mert nem vagyok benne biztos hogy nem lesz-e ott több/annyi.
Így annyiban változik a helyzet, hogy az IC szimmetrikus részére teszem ezt a két 1000µF/25V-ost (stab kocka elé, utánna meg 1000µF/6,3V), a LED-es ágba meg beszerzek egy 2200µF/35V-os újjat az elektroartból Azért szomorú, hogy itt vagyok Szegeden, és mégis Orosházára (>>60km) kell 'intézkednem', hogy beszerezzek egy ilyen nem-is-olyan-speciális alkatrészt. Még jó hogy apámék ott élnek...
Nem életbevágóan fontos ESR-kondit használni. Próbára jó lesz a sima is. Kíváncsi leszek az oszci frekvenciájára.
Na, arra én is, de remélem multiméterrel is meg tudom mérni, mert szkópom nincs :no:
Az egyik 20KHz, a másik 200KHz-es méréstartományt tud kezelni
A kis méretű vas miatt szerintem olyan 40-70 kilohertzre lenne jó belőni a frekit. Majd meglátjuk.
A próféta szóljon belőled :yes:
mindjárt elkészülök a módosított nyáktervvel, de kezdek megborulni
Hősies küzdelem árán megrajzoltam a módosítottat Épp amikor éjfélt ütött az óra...Holnap nekirugdosom magam a panelrajzolásnak.
Találtam egy két változtatni valót.
Piros kör: elkópolaritás. Zöld kör: a gerjedésgátló kondikat közvetlenül az IC lábai mellé kell tenni. Narancs átkötés: A GND-ket érdemes rövid úton összekötni. Lehet, hogy van még...
Ezek szerint nem is hősies volt az a küzdelem, hanem inkább szélmalom szagú...
Köszi az ellenőrzést, javítom. Az átkötéseket nem szeretem, ezért húztam a hosszabb úton, de akkor átkötés lesz (akkor gondolom a 'hosszabb útvonal', a trafó alól elhagyható, ugye? Vagy hagyjam meg azt is?)
Újabb változtatást szükséges eszközölnöm:
Ahogy elkezdtem a mérőegységeket rajzolni, rájöttem, hogy az árammérő résznek nem lehet közös tápja (GND pontja) a feszültségmérővel , mert a negatív ágat nem tudom mérni (az autóban az önindító áramát nem tudom/akarom mérni, de annak is van külön testkábele...).Így arra jutottam, hogy az árammérő külön tápot fog kapni, a kijelzőivel együtt. Legfeljebb a kijelzők külön stabkockáról kapják. Sajnos egyelőre nincs jobb ötletem.
Kiegészítettem még egy külön szekunder résszel a tápegységet-tervet, igaz a trafón nem volt több forrpont, úgyhogy az újabb tekercsek kivezetéseit simán a rézhuzallal hoztam ki. Majd kapnak egy-egy színes zsugorcsövet, és azokat lerögzítem, hogy ne kódorogjanak el...
A trafón a primer 0,5-ös, a szekunderek 0,3-mas rézből vannak. Itt Szegeden bementem a Szatellit elektronikai bóótba, megkérdeztem (mert kérni nem mertem) hogy tartanak-e LOW ESR-es kondit, válasz: nem nagyon... Ez ennyire ritka madár?? Ja, és az 1N5822-es diófákat kicseréltem RG10-es gyors diófákra (helytakarékosság)
Szegeden a RET-be menj, ott tartanak LOW ESR kondit (meg very-low és ultra-low ESR-t is), én is onnan rendeltem.
Hááát, igen, bevallom őszintén, hogy az sima ragasztószalag, papír alapú (festők használják a szélek levédésére. Tudom hogy nem hőálló, de sajnos nincs más jelenleg. Mondjuk reménykedem benne hogy nem lesz túlzott hőtermelése.
Kendre256: Jaja, csak az nem esik útba. Legrosszabb esetben az van. Illetve, ha nem sürgős, akkor apámékkal Orosházáról az Elektroartból hozatok cuccokat.
Ha csak ennyi a probléma: lefújom akril lakk-kal, mármint ha minden kész és működik is...
A másik meg az, hogy porózus....
Talán jobban jársz, ha szigszalagot használsz, olvastam például, hogy cimopata tápjai igy készültek. Ez sem jó, de legalább nem üt át.
Hali mindenkinek.
Szeretnék építeni egy PWM DC-DC 12V/400V-os konvertert. Valaki tudna nekem kapsolási rajzban segíteni? Nagyon megköszönném.
Hello!
Gyakorlatban, a feszültséghez mindig teljesítmény, vagy áram is tartozik.. üdv! proli007
Hehh hogy ne 'hát'-tal kezdjek, kiderült egysmás. Például hogy nem olvastam utánna rendesen az ICL7107-nek. És most hogy rajzoltam az áramköreit, akkor döbbentem rá, hogy a GND-je össze van kötve direktbe a táp GND-jvel..
Merthogy, ha szimmetrikus tápfeszről járatjuk ezeket (7107/7106), akkor lehet közös... Szóval a 4 műszerből 3 nak nem is kellene dc-dc konverter Persze, megkerülni akkor sem tudom, hiszen az árammérésnél már nem tudom összekötni (csak a pozitív ágban tudom mérni az áramot az autóban).Tehát egyszerűsödik a tápegység, de ha lehet a trafót már nem bolygatnám. Ha üres(terheletlen) tekercsek vannak rajta az bezavarhat?
Szabadon ne hagyd a tekercsvégeket. Valami minimális terhelés kell, különben a kapcsolási tüskék zavart okoznak. Tegyél rájuk ellenállást, pár mA terhelést okozzanak.
Köszi, akkor (ha marad szabadon, csak mert most filózok a továbbiakon...) teszek rájuk 1-1 10Kohm -os ellenállatot.
|
Bejelentkezés
Hirdetés |




--csak működjön is....), és az összes alkatrészt is beszereztem (szerencsére nagyrészt volt 'raktáron').




Úgy lesz. Ha jól sejtem egy 10-20W (12V-os) izzó pont meg fog felelni.


, mert a negatív ágat nem tudom mérni (az autóban az önindító áramát nem tudom/akarom mérni, de annak is van külön testkábele...).



Persze, megkerülni akkor sem tudom, hiszen az árammérésnél már nem tudom összekötni (csak a pozitív ágban tudom mérni az áramot az autóban).




