Fórum témák
» Több friss téma |
Mielőtt kérdezel, a következő két dolgot ellenőrizd!
I. A helyes tápfeszültségek megléte.
II. A kimeneten van-e egyenfeszültség.
Élesztés.
Olyannyira szubjektív megítélés tárgya a minimalista, vagy wattomán hangosítás szükségessége egy HB-n, hogy ebben, itt úgy sem jutnának közös nevezőre a két csoport tagjai.
Rengeteg a befolyásoló tényező. Terület, hatásfok,akusztika, környezet, életkor, kedv és még sorolhatnám. Nem kellene egyszerűen csak úgy kijelenteni egyik félnek sem az igazat, hiszen az csak a saját szemszögéből vett igazság, ami igencsak hely, helyzet, technika függő.
Köszönöm a válaszokat mindenkinek!
Ennek így működnie kell. Így nem a menetszám, hanem az átmérő duplázódik, tehát a kivehető teljesítmény.
Sajnos nem működne. Rövidre zártad a trafót. A két végén ellentétes fázisú lesz a feszültség, így a feszültségkülönbség 2x26V (ahogy a leírásában is szerepel). Ezt nem kötheted össze.
Szerintem a te verziód így lenne működőképes.
Kezdőt a kezdődővel a végzőt a végződővel ! Ez az ábra nem jó amit betettél ez igy biztos robbantás , 2X26 volt =52 volt tuti zárlat ez szép égési nyomokat hagyna .
Így lehet csak összekötni, de ehhez a közepét szét kéne választani.
Ú tényleg! Amivel én ezt csináltam, az nem középcsapolt, hanem két szekunderes!
Én erről próbáltam beszélni, és példaként hoztam hozzá a gitáros dolgot, ahol csak 30 meg 50 watt az erősítő teljesítménye.
Igen ráírják a berendezésekre a magas wattszámot. El kell adni.
Félre értesz, nem kekeckedni akarok csak próbálom megértetni hogy nem a wattok számítanak. Pedig én is süket vagyok, nem a zenéléstől, hanem 30 év a műanyagiparban. Na de hagyjuk a dolgot, igazad van ne való a 2x15 watt házibuliba. Helyette a 2x8 wattos SE vsöves 6l6gc már kielégiti az igényeket
Csak annyit mondok hogy meg kell hallgatni és utána véleményezni
Ebben van valami.
Volt egy gyári 2.1 esem elvileg 2x5W+1x15W os kellett, hogy legyen. Mikor szétszedtem, megnéztem a végfok ick adatlapját és erre jutottam: 2x2,5+1x5W os volt a 2.1 es de szerintem nem is volt teljesen kivezérelve max hangon sem... Szóval ne jöjjön itt nekem senki sem azzal, hogy gyári erősítő x Wos és kevés. Én mostmár felét sem hiszem el annak amit ráírnak... Csak az a biztos amit te megépítesz!!!
Kicsit több pár tizeddel az eredő 36V-nál mellékelem a helyes bekötést. Arra kell figyelni ne forditsuk a meneteket szembe egymással párhuzamositáskor.
Nekem meg van egy ócska 5.1-em. Dobozán nagy büszke számokkal: 3600w PIMPÓ, közben 12v 1.2A-s trafó van benne. A szatelitek 3w-os szórókkal vannak szerelve, a mély pedig 10w-os.
Sziasztok!
Erősítő építésén gondolkodom, és olvastam hogy nagyon sokan megelégedéssel használják az LM3875 ic-re épülő gainclone nevű erősítőt. Nekem itthon olyan hangfalam van ahol a mélyközép 8 ohmos, de a magas 4. Az LM3875 viszont csak 8 ohmot tolerálja. Működne szerintetek a dolog a 4 ohmos magassal? A magas hangszóró ugye csak kb 10-15%-át veszi el a bementőteljesítménynek, ezáltal az átlag impedancia inkább a 8 ohmhoz van közel, tehát eszerint működnie kellene. És még annyit hogy ha ki akarom vezérelni a teljes 56 wattját akkor mekkora tápfeszt igényel? Előre is köszi!
Sziasztok! Nem vagyok nagyon hozzáértő a témához, és a segítségeteket szeretném kérni! Az érdekelne, hogy a mellékelt kapcsolásban van bármiféle védelem?
A hangdobozban van egy un. hangváltó is, ami illeszti a különböző impedanciájú hangszórókat, és az eredő impedanciát ennek a bemenete adja.
Nagy baklövés lenne csutkára járatni egy végfokot! A torzítás, melegedés a gyors elhasználódáson túl, kellemetlen hangélményt is nyújt. Tehát csak ésszel! Itt láthatod a görbéket, adatokat.
Igen. Figyeli a kimeneti emitter ellenálláskon /R14-R16/ eső feszültséget, és ha egy beállított értéket meghalad, akkor /T8-T9/leszabályozza a meghajtók bemeneti feszültségét.
Köszönöm a gyors választ! A hangfalat én építettem, a hangváltót is, ezért is mondtam hogy szerintem az eredő impedancia 8 ohmhoz van közelebb. Azért lett volna jó az 56 watt, mert a hangfalam az olyan 60-70 wattot igényel maximum, és jó lett volna ha közel a maximumig tudnám vezérelni, de persze otthoni zenehallgatásra tökéletes ha 30-35 wattot kapok, elég érzékenyek a hangszórók. Hangoskodni meg esetleg építenék egy TDA7294-et. Tehát akkor működne ebben a 8-4 ohmos felállásban? És a TDA7294 lényegesen gyengébb hangminőséget produkál?
Köszönöm!
A hangváltó feladata, nem csupán a keresztezési frekvencián történő, megfelelő meredekségű vágás, hanem az eltérő impedanciával rendelkező hangszórók impedancia illesztése is. (rengeteg más dolgon kívül)
(Tehát ezt Neked kell tudnod hogy tettél-e Zobel tagot a magas hangszóródhoz.) A megfelelő hangváltó elkészítése hiperbonyolult feladat, az egyszerűsége ellenére. Az hogy miért kell határadatokhoz közeli értékeken járatni egy készüléket, én inkább az életkori sajátosságnak tudom be. Általában a kor előrehaladtával, csökkenő tendenciát mutatnak a határértékek, wattok. Ha otthoni jobb minőségű zenehallgatás a cél 20m2-es helyiségben, akkor elég az Általad választott IC teljesítménye. Persze a vázolt "korszorzó" figyelembevételével elképzelhető hogy kevés.
Hát el is töltöttem vele nem kis időt mire megfelelően szólt. Én általában nagyon kis hangerőn hallgatom a zenét, szóval megfelelne kisebb teljesítmény is. Akkor úgy teszem fel a kérdést hogy mi az a maximális teljesítmény, amit még ki lehet megfelelően kis torzítással venni az ic-ből és ehhez mekkora fesz kell? Valamint a gyári adatlapon szereplő kapcsolás megépítése az megfelelő-e vagy érdemes bonyolítani?
Most találtam egy kis infót az LM3876-ról ami gondolom nagyban hasonlít a 3875-höz, ezt is High--End-nek írják, és ott az áll hogy 40 wattos kivezérléshez maximum +-30 V-ot lehet használni. Ennek a gyári adatlapján szereplő kapcs rajz elég egyszerű, de ha jó, akkor ezt építeném meg: lm3876. De persze ha van ennél jobb kapcsolás is akkor örülnék ha valaki megosztaná velem, sajnos elég kezdő vagyok iylen témában és egy visszacsatolásos fejlesztgetés meg egyebek amiket itt olvastam nem menne nekem.
Sziasztok!
Beag aet-227 ről mi a véleményetek? Érdemes rendbe hozni vagy alkatrészek ki a többi pedig kuka? Másik kérdésem, hogy van-e valakinek rajza hozzá? Üdv!
Szia
Konkrétan nem tudom melyik típus ez. Félvezetős vagy csőves?Bár szerintem ez tranzisztoros. Jó állapotban van? Esetleg ha tudnál róla képeket küldeni.
Az un. High-End meghatározást, (mivel semmilyen specifikált adatsor nincs ami behatárolná) már lassan mindenre ráírják.
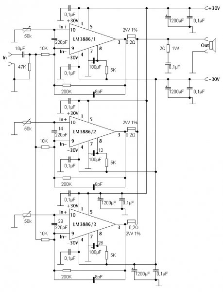
Létrejöttét pont az inspirálta, hogy a HI-FI DIN 45 500 szabvány elavult paramétereit már rég túlhaladta a technika, és szükség volt arra hogy a jóval magasabb színvonalat képviselő készülékeket valahogy megkülönböztessék ezektől. De mivel nem specifikálták, szabványosították, ezért sok mindenre ráírható, mondható hogy "High--End", és ezt a gyártók meg is teszik. Egyetlen specifikált, és elfogadott szabvány a "THX", ami azonban mint a neve is mutatja, a házi mozi őrületnek szánták Lukács Gyuri bácsiék. Az LM családnak viszonylag jó hangja van a hírek szerint. Az adatlapon szereplő tesztkapcsolás, csupán mérési célokat szolgál, semmilyen gerjedés csökkentő, stabilizáló elemet nem tartalmaz. A 3886-nak találtam egy rajzot, ezt nézd át.
Szia! mekkora tápról hajtod meg? A rajzon minden kondi azaz 3 db 100uf 100v elkó! és nem 63v
Én alapból ezzel szereltem mert ha jól emlékszem +-55 volton is kipróbáltam. Tesztelni én nem nagyon tudtam mert szinte mire kész lett el is vitték. A bordát cseréld ki! Szkóp nélkül hagyatkozz a füledre! ![]() A kimeneti 0 ill pár milivot van és 70-100 mA a nyugalmi áram akkor tesztelheted is zenével! Nem fogsz csalódni nagyot szól!
Szia!
Valóban 4 Ohm terhelés mellett kb 10W után összeomlik az lm3875-ös! Ez elég érdekes tulajdonsága ennek az IC-nek! De ez csak akkor fordul elő ha +-35Voltról járatjuk ahol 8 Ohmra 56W-ot írnak (és ezt tudja is!), de 4 Ohmra -hát eltűnik a görbe a grafikonról... 6 Ohmra is hasonló a helyzet! A megoldás az LM3886-os! Ez a 3875-ös nagytestvére, szintén GainClone, van aki szerint ez a szebb, van aki szerint ez a "kevésbé jó" hangú, de hogy tudásában jobb az biztos! 4-6-8 Ohmra is stabil +-35 Volt mellett, DE persze a belső védelme "vigyáz" a 4 illetve a 6 Ohmos terhelésnél nehogy túlterheljük az IC-t! Teljesítményileg tudja amit a 3875-ös, stabil 4 és 6 Ohmra és van MUTE funkciója is (sajnos)! Szóval hogyha valamiért nem jó a 3875 akkor ez kell neked, egyébként még olcsóbb is!
Valamiért csak 3886-os hoz találtam pár hónapja anyagot viszont nagyon jó tulajdonságai vannak.
És egy kicsit komolyabb LM3886-al ami engem érdekelt, a minősége, és hidalhatósága miatt.
De tervezem még komolyabban beleásni magam a témába 600w-os kivitelhez, ugyan ezt a minőséget csak teljesen digitális megfizethetetlen végfokokkal érhetnénk el. És valóban szépen szól, STK-nak szeretem a hangját de az LM-sorozat nagyon jó, és egyszerű kivitel. A mellékelt képeken két 150w-os végfok van hidalva 294w-os tkimeneti teljesitménynél a THD: 0.0017% azért ez valami. Kapcsolásom melléleltem ha esetleg nagyra vágysz. :yes:
Sajnos valóban nem egy kiforott kapcsolás a + táp-ra egyből egy 1000µF dukál és a bemeneti jel nagyon le van folytva 2,2µF kellene 220 Ohm - 22 Kohm így az alsó tartomány kicsit szebben szól.
De akár 4,7µF is lehet nem szabad megfolytani had szárnyaljon!
A pufferelést nem ez az elkó, hanem a tápban lévők hivatottak elvégezni. 35V-os tápfesznél egyébként egy 1000µF os kondi is csak 0,61W-ot tárolna. A Bemeneten ha kiszámolod az alsó freki 1,59Hz-re adódik a megadott értékekkel. Ez szerintem bőven elég.
|
Bejelentkezés
Hirdetés |



















