Fórum témák

» Több friss téma
Fórum » PIC - Miértek, hogyanok haladóknak
Lapozás: OK   719 / 1320
(#) Attila86 válasza Attila86 hozzászólására (») Ápr 7, 2010 /
 
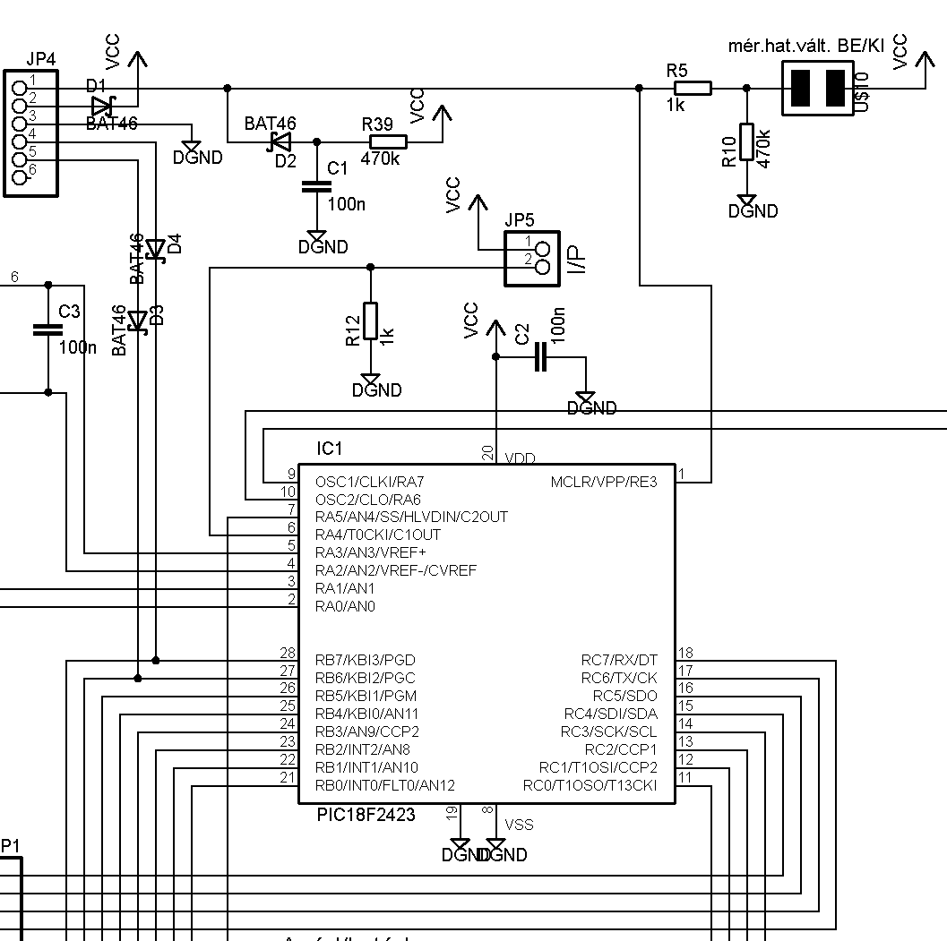
Így van bekötve a PIC:
(#) szilva válasza Attila86 hozzászólására (») Ápr 7, 2010 /
 
Milyen PK2-d van, gyári vagy valamilyen klón? Troubleshoot-ot végignézted, ellenőrizted a PK2 működését?
(#) Attila86 válasza szilva hozzászólására (») Ápr 7, 2010 /
 
Gyári PK2-m van. Mi az a "troubleshoot? A PK2 működését úgy ellenőriztem hogy rádugtam a laminálómra (abban PIC18F2520 van) és azt megismerte.
(#) szilva válasza Attila86 hozzászólására (») Ápr 7, 2010 /
 
A PGD és PGC jelekben minek van a dióda? A rajzon nem látszik, de valahol vannak még le- vagy felhúzó ellenállások a PIC PGD és PGC lábain?
(#) szilva válasza Attila86 hozzászólására (») Ápr 7, 2010 /
 
A PICkit2 progi (talán) tools menüjében van egy troubleshoot pont. Ott wizard-szerűen végigmehetsz egy, a PK2 működését ellenőrző méréssorozaton. Kell hozzá egy voltmérő és nem árt egy frekimérő, amivel a 30kHz körüli kimenőjelet meg tudod mérni.
(#) Attila86 válasza szilva hozzászólására (») Ápr 7, 2010 /
 
A PGD és PGC lábakra jelenleg abszolút semmi nincs kötve. Majd ha működni fog a PIC akkor oda LED kijelzők szegmensei mennek majd (az egész B portra).
(#) szilva válasza Attila86 hozzászólására (») Ápr 7, 2010 /
 
Ha nincs még semmi odakötve, akkor zárd rövidre a két Schottky-t, és szerintem máris menni fog!
(#) icserny válasza Attila86 hozzászólására (») Ápr 7, 2010 /
 
Ha a D4 ott van az áramkörödben, akkor csoda lenne, ha működne a PIC felismerés. A PGD vonal kétirányú...
(#) Attila86 válasza szilva hozzászólására (») Ápr 7, 2010 /
 
Na, és megismerte!
(#) vicsys válasza Attila86 hozzászólására (») Ápr 7, 2010 /
 
Attila! Már régóta meg akartam kérdezni, hogy miért raksz mindenhova diódákat? Valamiféle védelmi célt szolgál?
(#) Attila86 válasza vicsys hozzászólására (») Ápr 7, 2010 /
 
A legelső PIC-es áramköröm egy fejlesztőpanelszerű valami volt és azóta arról másolgattam a dolgokat. Azon pedig mindenhova ilyen diódás védelmeket tettem, innen maradtak meg.
(#) vicsys válasza Attila86 hozzászólására (») Ápr 7, 2010 /
 
Szerintem nem kellenek, én csak nagyon indokolt esetben használom. Hála Istennek a PK2 jól bírja a kiképzést! (majdnem, hogy "hülyebiztos")
Kíváncsian várom a készülő projekted!
(#) Attila86 válasza vicsys hozzászólására (») Ápr 7, 2010 /
 
Idézet:
„Kíváncsian várom a készülő projekted!”

Ő lesz az: Bővebben: Link

-------------------------------------------------------

Debuggolok a PK2-vel. A View/File Registers-nél nem lehet manuálisan átírni pár regiszter tartalmát? Olyan jó lenne!
Ha nem, akkor az MPLAB SIM szimulátornál sem?
(#) potyo válasza Attila86 hozzászólására (») Ápr 7, 2010 /
 
Átlehet. Kettőt kattintasz az értékére, aztán azt írsz oda, amit akarsz. Legalábbis ICD2-vel így működik.
(#) Attila86 válasza potyo hozzászólására (») Ápr 7, 2010 /
 
Nem gondoltam hogy ilyen egyszerű, ezt meg se próbáltam.
(#) watt válasza Attila86 hozzászólására (») Ápr 7, 2010 /
 
Csak most keveredtem ide, és hüledezve látom mit alkottál!
Azért örülök, hogy nem ment tönkre a PIC! Jól megvédted! :- )
(#) trudnai válasza Attila86 hozzászólására (») Ápr 7, 2010 /
 
Ez a Te oldalad?
(#) Attila86 válasza trudnai hozzászólására (») Ápr 7, 2010 /
 
Igen, az enyém. Nemrég vettem.
(#) Attila86 hozzászólása Ápr 7, 2010 /
 
Ugye ez jó, tehát innentől tölti fel a táblát?
Mert 0C2-ig telerakosgatja szépen, de közte van olyan amihez tartotik "Symbol Name". Például a 7F-es címnél ez a symbol name van: _CPD_ON_5H. Ez valami kitüntetett regiszter lenne? Nem baj hogy ott van és az én táblafeltöltő rutinocskám felülírja?
Az A0 címen pedig "TablSize" symbol name van, ennek így kellene lennie?

tábla1.png
    
(#) icserny válasza Attila86 hozzászólására (») Ápr 7, 2010 /
 
Idézet:
„Például a 7F-es címnél ez a symbol name van: _CPD_ON_5H”
Ezt konstanként definiálja a P18F2523.INC (vagy amilyen MCU-t használsz) definíciós állomány. Abszolút módban fordított programoknál az MPLAB szeret ilyen vicceket csinálni, hogy a kontansokat is megjeleníti változónévként. Ennek az lehet az oka, hogy az EQU-val vagy CBLOCK-kal definiált "változókat" is konstanként definiálod (ahogy tegnap Trudnai kolléga mondta), így a fordító nem tudja megkülönböztetni a konstansoktól a változókat.

Ha rászoknál a linker scriptek használatára, és udata vagy udata_acs direktívával foglalnál memóriát a változóidnak, akkor nem lenne ilyen kavarodás.
Idézet:
„Az A0 címen pedig "TablSize" symbol name van, ennek így kellene lennie?”
Hát ha 160-nak definiáltad, akkor jó helyen van. Egyébként nem kellene így lennie - lásd föntebb!
(#) Attila86 válasza icserny hozzászólására (») Ápr 7, 2010 /
 
Hát most elvesztettem a fonalat...
mit hogyan és hol kellene definiálnom?
És mi az a linker script?
Itt a forrás:
(#) t-dani válasza Attila86 hozzászólására (») Ápr 7, 2010 /
 
Keresőbe beírva: linker script

Pár oldalt lapozva, az eredmény: Bővebben: Link
(#) ZPKing hozzászólása Ápr 7, 2010 /
 
Sziasztok!
Szükségem lenne nekem egy RS232 es JDM
PIC Programozó kapcsolási rajzra amivel IC prog szoftverrel meg tudok írni egy PIC16F628 at.
egy meglévő hex fáljt akarok beletolni.
Ha van rajta ellenőrzési lehetőség az sem baj.
Bocsánat hogy nem keresek utána de nagyon
sűrgősen kellene egy 100% működő kapcsolás.
Előre is nagyon köszönöm.
PeTi
(#) icserny válasza ZPKing hozzászólására (») Ápr 7, 2010 /
 
Nincs 100 %-os JDM!
Bővebben: Link

Kérj meg valakit, hogy írja be neked PICkit2-vel!
(#) icserny válasza Attila86 hozzászólására (») Ápr 7, 2010 /
 
Az MPASM Template/object könyvtárban találsz keretprogramot mintának. Az MPASM Help-ben az uadata-ra vagy udata_acs-re keresve is találsz mintapéldát.

Trudnai Linker Script Easy c. írását is érdemes elolvasni!
(#) ZPKing válasza icserny hozzászólására (») Ápr 7, 2010 /
 
Nekem egyszeri alkalomra kellene csak és sajnos nem tok senkit aki győrben megírná nekem.
szóval valami amivel egyszer meg lehet írni.
amit mellékeltem azzal próbálkoztam de sztem nem írja meg.
vég fut az ic prog hibát sem ír ki de amikor beteszem ahova kell nem azt csinálja amit kellene.
Köszi
(#) icserny válasza ZPKing hozzászólására (») Ápr 7, 2010 /
 
Hát pl. nem látom, hogy az RB4/PGM láb le lenne húzva földre...
(#) trudnai válasza ZPKing hozzászólására (») Ápr 8, 2010 /
 
Igy aztan nagyon konnyu segiteni Merthogy pontosan beidezted a hiba uzeneteket, mellekelted a celaramkor kapcsolasi rajzat is es leirtad mit kellene vagy mit nem kellene csinalni amihez kepest mit csinal vagy mit nem csinal... Szoval most akkor gondolkodhatunk mi is lehet a hiba, van par lehetoseg
(#) watt válasza ZPKing hozzászólására (») Ápr 8, 2010 /
 
Idézet:
„Nekem egyszeri alkalomra kellene csak”

Ha nem működik, akkor egyszer sem fog. Az egyetlen próbát, amit megér az áramkör, már megtetted, ha nem megy, el kell felejteni. Nézz körül az oldalamon, hátha az LPT portod jól működik az égetőmmel(WLPT mini+WPB_F18)), ha van a gépeden LPT. Ha nem, akkor marad a soros(COM), de az is van(nem JDM), csak kicsit bonyolultabb(A Vpp-t előállító részt le lehet hagyni esetleg, ha van külső táp, bár engem még nem tudtak meggyőzni arról eddig, hogy az egyszerűbb megoldás, főleg használni...), viszont működik.
Egyébként mi az hogy tok? Minek a tokja? A shifted nem működik megbízhatóan? És a vessző lekopott? Persze majd mi kisilabizáljuk mit is akarsz írni, nem számít...
(#) icserny válasza Attila86 hozzászólására (») Ápr 8, 2010 /
 
Attila! Mellékelem a módosított programodat.

A változókat UDATA_ACS direktívával az Access bank-ba raktam, a táblázatodat pedig az UDATA direktíva következtében most 0x100-tól kezdődően helyezi el a linker program.

A programot a CODE direktíva után írhatjuk. A kódot és RESET/Interrupt vektorokat különválasztottam. A vektorokat természetesen abszolút címre kell elhelyezni.

A forráskódon kívül (amelyik becsatolja a p18f2423.inc állományt) a projekthez hozzá kell adni a 18f2423.lkr állományt is (ez az MPASM LKR almappájában lakik).

Volt egy kis gond az utolsó elemcímének kiszámításával, a fordító sokallotta a két műveletet (összeadás és kivonás) ezért bevezettem egy LastIndex szimbólumot is (TableSize-1). Definiáltam egy utolsó_elem (= minta_tábla+LastIndex) szimbólumot is, ennek használata nem kötelező.

panelmero.asm
    
Következő: »»   719 / 1320
Bejelentkezés

Belépés

Hirdetés
XDT.hu
Az oldalon sütiket használunk a helyes működéshez. Bővebb információt az adatvédelmi szabályzatban olvashatsz. Megértettem