Fórum témák
» Több friss téma |
Fórum » PC táp átalakítás
Gondolom az IC, nem engedi tovább de, hol kel változtatni a kapcsolásban, hogy ne oldjon le
Az én véleményem az hogy bizonyos tápoknál nem terhelhető a minusz ág valszeg a PWM szabályzás miatt (de majd a nálam okosabbak kijavítanak ha nincs igazam) ilyen esetben szerintem a tekercselés a megoldás. Ha van hely akkor a trafó szétszedése nélkül , ha nincs akkor ...
Na ez nem jó hír
Azt hitem, hogy a gyűrű magos tekercset vastagabb huzalból és a diódákat kicserélem, és az IC-nél módosítok és kész
Nem a PWM tehet róla, hanem sok esetben a -12V a nagyáramú ágak közös stabtekercséről "jön". A CG eme modelljéből létezik vagy 3 féle, amiben KA7500/TL494 van, tudja fene, melyikben hogy van megoldva.
Éppen ez az általam gondolt lényeg , hogy ugyanarról a tekercsről a plusz rész terhelhető a minusz nem , tehát a jelalak nagyon nem szimetrikus. Ami az érdekes, hogy ha közvetlen a trafót terhelem akkor dióda nélkül semmi probléma, minusz ágasan simán leáll. Ezért gondoltam hogy azért nem bírja a minusz terhelést mert ahhoz a pluszt nagyon meg kéne emelnie és ezért leold. Ezért tartom megoldásnak a minusz ág tekercselést. Én egyenlőre itt tartok a kisérleteimben...
Power good akar lenni szerintem. Ha nem írtam el. Ezen a vezetéken jelzi az alaplapnak a táp, hogy mikor stabilizálódtak a feszültségek, és akkor kezd indulni a gép, ez a másodperc tört része alatt megtörténik. Egy kis késleltető az egész. Hogy az indulási tranziensek ne érjék a rendszert, mikor kezd indulni, mert sok információ veszhetne, összeomlana.
rrekt táp supervisor IC-je figyeli a stabil kimeneteket és ekkor indítja a jelet. Ha 300ms-on belül nem jelenik meg, az alaplap a tápegység hibáját jelző rövid füttykóddal jelez és a POST nem fut le. Codegennynél ha van, akkor egy sima időzítés, de gyakori, hogy egyszerűen az 5V-ra van húzva, aztán kit érdekel..
De nem kell mínusz ágat tekercselni, csak a 12V-os tekercsről egyenirányítani a "másik" irányban is.
Hát az úgy pont nem , legalábbis az én kisérletemben lásd fentebb...
A probléma ott lehet, hogy a PC táp a +5 és a +12 volt terhelését figyeli, ezek alapján állnak be a feszültségek. Azonban a túlfeszültség-védelembe be vannak vonva a negatív ágak is. Ennek működése során a + és a - ágak összessége állítja elő a hibajelet. Előfordulhat, az, hogy a negatív feszültség csökken (mivel nem szabályzott direkt), ezáltal az összegzett feszültség már elég lehet ahhoz, hogy a diódán keresztül már tiltsa az áramkört.
Erről volt már szó valahol itt: Bővebben: Link Némely PC tápban nincs ilyen védelem, illetve más is okozhat gondot, csak egy ötlet volt ami nálam bevált.
Ez nem így működik. Ha terheled a kimenetet, a szabályozás kitöltési tényezőt fog növelni, hogy több energia menjen át a trafón. Ha nem megfelelő a szimmetria és a csatolás a két ág között (gyűrűmag), akkor a pozitív terhelésekor a negatív nagyon megszalad, illetve a negatívon fellépő áramra nem fog válaszolni a szabályozás, az egyszerűen beesik a terhelés hatására.
Ha a negatív ágat tökéletesen szimmetrikusra megcsinálod a pozitív ág mintájára, akkor annak mennie kell. A szimmetriába beletartozik az ágakon lévő fojtótekercsek egyformára cserélése (vagy egyáltalán beépítése, mert a negatívban sokszor nincs), illetve a gyűrűmagon a -12V-os ágban lévő tekercs ugyanolyan vastagságú huzallal és menetszámmal megtekerése, mint ami a pozitív ágban van. Egy pár tápegységet már átalakítottam így és mindegyik rendben ment. Ami gondot okozhat, az az, ha a negatív ágat is a túlfeszültség-védelembe drótozták, mert a negatív ágon mindenképpen nagyobb lesz az ingadozás, mint a pozitívon (a szabályozás közvetlenül csak a pozitívokról szokott visszacsatolást kapni). Ha nem használjuk a nagyáramú +5V-ot, akkor azt ki lehet írtani a tápból, és a +5V-os pontra a +12V-ból egy 47 ohm + 33 ohm ellenállásosztóval kell feszültséget adni. Ekkor a szabályozás kizárólag a +12V-ról fog hibajelet kapni, és azt fogja rendkívül stabilan tartani. Egy jól szimmetrizált, 19V köré megemelt feszültségű tápegységnél 6-7A, csak a negatív ágra tett terhelésre 1V-on belül maradt a feszültségesés, miközben a +12V atomstabilan állt. Fordított terhelésnél a -19V szintén 1V-on belül maradt, közelítve a -20V-ot. Ennek az eltérésnek még a túlfeszültségfigyelésnél is jónak kell lennie, 5% körül van.
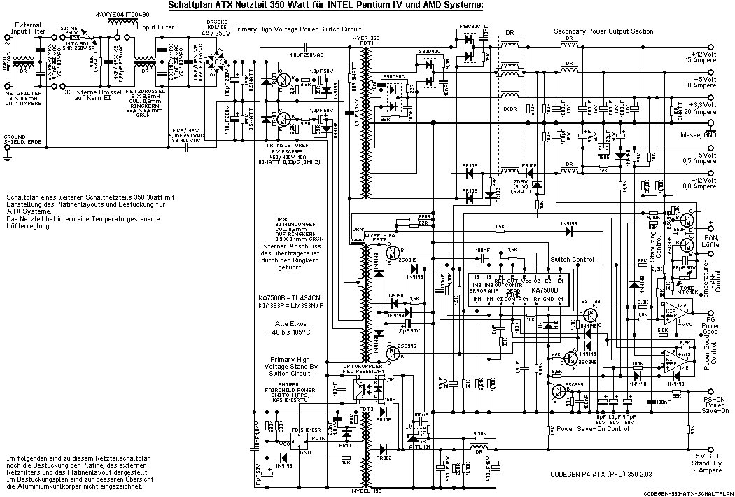
Ebben az eszmefuttatásban csak az a hiba, hogy ha a trafónál terhelem a minusz ágat, az pont akkora feszültség kell legyen mint a plusz ágé, ha 50% a kitöltési tényező. De nem annyi. És a kisérletemben az 5-ös lábra menő figyelést lazán kiiktattam mást meg nem látok minuszban. Én mercury 2003-as ic -vel szerelt példányokat nézek, meg 2005 -ös icvel szerelt egyéb tápokat. A mercuryk gyakorlatilag megfelelnek a rajznak, a 2005 -ösök már nagyon meg vannak csavarintva, ott még a 3.3volt is külön szabályzón van, és a -5 meg a -12 is figyelve van
De itt nem a jelalak a lényeges, hanem a vasmag által közvetített energia. Hogy ezt milyen irányban veszed ki belőle, az tökmindegy.
A kitöltési tényezőnek ehhez semmi köze. Azt a trafón átviendő energiától függően változtatja a szabályozás. A szekunder oldal egy középleágazásos tekercs, ezt kétutasan egyenirányítod, amikor az egyik végpont negatív, akkor pozitív a másik, és fordítva.
OK. El kell fogadnom hogy a jelalak kiesik a középleágazásos egyenirányítás miatt. További kisérleteimről beszámolok majd ( ha valakit érdekelne
)
Szia
Tegnap kezdtem neki egy PC táp nagy átalakításnak meg csináltam a dióda cserét Gyűrű trafó tekerése és ki szedtem az +5V ágból a fojtott hogy ne legyen kapcsolat a figyeléssel így idáig jól csináltam? Nagyon nem értek hozzá azért kérdem hogy a (47 Ω + 33 ellenállásosztóval kell feszültséget adni) le tudod nekem rajzolni, ha van időd? Köszönöm
Nehéz ám igent vagy nemet mondani, mert sajnos szinte nincs két táp, ami egyforma. Muszáj a belenyúlás előtt kicsit feltérképezni a dolgokat, ezt csak te magad tudod elvégezni.
Amit leírtál, az jónak hangzik, de pl. a +5V-os kimenetről - ha van - ki kellene szedni a gyári műterhelést is (pártíz ohm), és akár az elkókat is. A +12V-os ágból egy 47 ohm + 33 ohm osztóval 4.95V-ot tudsz előállítani, ezt kellene az eredeti +5V-os kimenetre visszavezetni, így az onnan a szabályozáshoz elmenő jel a +12V-tal lesz teljesen szinkronban.
A megfejtés a következő:
Az ERL-35-2005 -ös trafóval szerelt táp a +5 voltról táplálja a 12 voltos tekercsét, tehát a plusz négy menet közepe kerül +5 voltra ! Szóval ezért nem lehet minusz ágat készíteni ez esetben...
Szia
Az ellenállok, bent vannak de a 12V ágakon terhelés nélkül is csak 10.3V mérhető rajtuk
Szia Szilva
Kezdem az elején az (+5V) 5.50Vmértem és 470ohm kötöttem, oda a (47+33 ohm helyére) hogy ki jöjjön ez a feszültség +12V - GND nincs terhelés 10.60V -12V - GND nincs terhelés 10.67V +12V - GND van terhelés 10.30V -12V - GND van terhelés, NEM tudtam mérni le kapcsolt a táp + és – 12V egyszerre terhelve 11.38V Így mértem + 6.3V és – 5.6V Próbáljam meg 5 voltra lehúzni az ellenállásokkal?
EI 33 ASG trafó leírása:
Primer: 40+ 40 menet kb. 0.3-as huzalból Szekunder: 3+3 menet 4X kb.0,6-os huzalból a +5 volthoz, a középcsapolás a test az 5 volt végeitől még 4 menet 0.6-os huzalból a +12 volthoz ERL 35-2005 trafó leírása: Primer: 20+20 menet kb 0.3-as huzalból Szekunder: 3+3 menet 6X 0.3-as huzalból a +5 volthoz, a középcsapolás a test az 5 volt közötti kivezetéstől 4+4 menet 6x0.3-os huzalból a +12 voltnak (ez az egyenirányított +5 voltra lesz kötve a +5 volt végeitől még négy menet 0.3-as huzalból a - 12 voltnak Az ERL35-2005 szétszedése nem sikerült törés nélkül. A tekercstest nagyon vékony, a mag meg nagyon össze van ragasztva. Remélem hasznos információk minden vállalkozó kedvűnek
Üdv Mugab
Több topikban Hsz olvastam a témát de ennyire részletes tán nem is volt.Köszi Én is akarok valami tápot de mivel csillag műhelyem van így igen időjárás függő. Üdv
Szia Szilva
Szerinted, hol lehet a hiba? Ma átnéztem, amit csináltam rajta De elsőre nem tűnt fel semmi
Bocs hogy belekotyogok, tudnál feltenni a tápról alkatrész és fólia oldali képet?
Szia
Igen készítek fotókat Ez egy Codegen szörnyeteg
Sziasztok!
Nem nagyon szoktam ATX tápokkal foglalkozni,de most muszály lenne és sajnos nem értek hozzá. Szóval nem rég jutottam hozzá egy hp típusu fekvőházas géphez,aminek nagyon nagy elönye h összesen egy 185 W-os ttáp van benne,és nagyon keveset fogyaszt. Olyat szokott produkálni a táp,hogy vagy nem kapcsol be a pc(az alaplapi készenléti led se világít már),vagy ha be is kapcsol pár napi pihenés után,csak ideig óráig megy,esetleg 5 percenként újraindul. Az már tuti h táp hiba mert más táppal(ami sajnos nem megy bele a házba )müködik a pc. Ráadásul elkezdtem méricskélni,és ha jól emlékszem a lila vezetéken mérhető készenléti 5V az nincs.Vagy van.Mikor mi.Kontakt hiba kizárva mert átnéztem.Mi lehetne még ami okozhatja ezt a jelenséget? Fontos lenne,mert ebbe a házba másfajta táp nem megy bele(alak miatt)és szeretném ha beindulna végre. Előre is köszi a segítséget.....
Ha a mellékelt rajz a te tápegységedre illik, akkor azt elrontani sem nagyon lehet. Eleve kétutas a -12V egyenirányítása, a diódák közös ágában lévő harmadik diódát nem is értettem soha, hogy mi célból teszik oda, de ha azt az ágat a pozitív mintájára megerősłted, akkor annak kell bírnia a több amperes terhelést is.
Hát én elsősorban a meleg helyen levő elkókat nézegetném, helyesebben cserélném újra. Ha netán rajzod is van akkor a készenléti táp környékén levőket meg mindenképp...
|
Bejelentkezés
Hirdetés |




)






