Fórum témák
» Több friss téma |
Fórum » RTC óra Nixie csövekkel
Szia!
Egy cső 0-tól 9-ig képes számokat megjeleníteni, nem csak1-től 6-ig.
Szia, a csövek alávilágítását úgy oldottam meg, hogy a tető és a panel között annyi hely még van, hogy csövenként két oldalról egy egy 5mm-es LED elférjen fekve, így oldalrol éri a fény a csövet, az üvegbúra pedig felvezeti. Majd pár napon belül írok még többet is a kérdéseiddel kapcsolatban, csak most nem sok időm volt.
Üdv.
Üdv!
PIC mindenképp kell, ez a lelke az egésznek. Az RTC "csak" az idő múlását számolja, tárolja. A PIC kommunikál vele, feldolgozza a kapott adatot, majd megy a kijelzés.
Szia, köszi az infót, ügyes megoldást találtál a csövek megvilágítására!
Ezeknek a csöveknek nem találtam foglalatot, úgyhogy beforrasztottam. Ónszippantóval lehet azért cserélni. Majd meglátom, meddig bírják. A ZM1000 amúgy hosszú élettartamú cső. Az elemes működés úgy néz ki, hogy csak az óramű jár elemről is néhány uA fogyasztással. A kijelző természetesen csak akkor megy, ha van hálózat is. Egyszerű CMOS IC-k ből áll az egész. Osztók, számlálók, különféle kapuk. A nixie csöveket MPSA42 smd tranzisztorok hajtják katódonként. A LED-ek sorba vannak kötve az anódokkal (anódonként 2db), mert pont jó az áramuk is, és nem is jelent így többletfogyasztást.
A kapcsolási rajzot esetleg fel tudnád tenni? Igen ezek a ZM1000-esek tényleg hosszú élettartamúak, azt láttam az adatlapjában, hogy 200.000 órát kibírnak. Nálunk is van egy ilyen csövekből felépített óra, még keresztapám építette, kb 30-35 évvel ezelőtt, és azóta folyamatosan megy. Már azért kezdenek halványulni a csövek. De hogy kapcsolsz át elemes üzemről hálózati meghajtásra?
Hamarosan teszek fel rajzot is, bár nem teljes, az óramű rajta van. A nixie csöves rész nincs, mert azt fejből terveztem egyből a NYÁKra , de utánanézek, mik vannak, most nem tudom. Két paneles, ezek tüskesorral és aljzattal vannak összeillesztve.
Megköszönném, ha az óraművet feltennéd, a nixie rész nem gond, mert van néhány meghajtó IC-m, csak össze kell kötözgetni. Át kell kapcsolni az elemes működésre, vagy mindig rá van kötve az óraműre? És ha elmegy a hálózat, akkor egyszerűen nincs semmi átkapcsolás, hanem csak az elem hajtja tovább?
Felteszek egy rajzot, de inkább ötletadónak, a 40097-ek nincsenek jelölve, a bemenetei a 4017-ekre, a kimenetei a nixie panel felé mennek az MPSA44-ek bázisellenállásaihoz. Lehet, hogy maradt benne "csont", bár élesztésnél igyekeztem az esetleges hibákat kijavítani. Elemről megy néhány uA fogyasztással, a hálózati feszültség automatikusan "rááll", ha megjelenik.
180V-ról van megoldva egyszerű zenerrel, mert nagyon kicsi a fogyasztása. Ha elmegy a hálózat, akkor a 40097 lábai a kimeneteken átbillennek 3. állapotba (HiZ), hogy a bázisellenállások se fogyasszanak elemes üzemmódban.
Üdv! Nixie rajongók!
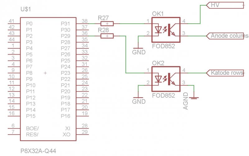
Nekem egy mártix vezérlés jutott az eszembe és találtam egy ilyen optocsatolót hozzá: FOD852 az adatlapot belinkelem FOD852 azt számoltam hogy kb 35ms-40ms időnként jó is lenne a frissítés valahogy igy képzelem (diagram) amit adatlapon néztem az úgy ehez kb stimmel is de mivel külföldről kéne beszerezni és a szállítás miatt akkor már az összeset be kéne vásárolni(tudom-tudom optotemető lesz belőle) ha valaki valami kifogást talál a dologban(több szem többet lát) kérem jelezze hogy ne ugorjak bele.Nincs kedvem utánna ha mégsem működik FOD852-őt árulni.
Hali
Nem tudom miert jo a nixiet matrixban vezerelni, de ha esetleg a kevesebb labszam miatt gondolod hasznalni, akkor inkabb a shift regiszteres megoldast ajanlanam, a kimeneten valami nagyfesz meghajtoval. Pl a 74HC595 egyszeru megoldas. 3 vezeteken lehet vezerelni akarhanyat is. Egyeduli hatranya, hogy 8 bites, nem 10.
pont ez a lényeg hogy belefér a lábszám..
egyrészt másrészt meg ha shift regiszterrel csinálom akkor még mindig kell a nixie és 595 közé "valami" tehát vagy tranzisztor temetőt csinálok vagy optokaput vicc de a propeller mikro I/O lábain könnyebb megcsinálni a mártixot mint 595 shiftelni. ha az 595 közé tranyót rakok pl MPSAxx akkor ha esetleg összeég valami miatt a tranyó az tuti viszi magával az 595-öst is (meg még az is lehet hogy a mc.-t is. Engem az érdekel talál e valaki valami problémát ezen a FOD852 csatolón ami miatt nem fog működni. De azért kösz.
Szia!
Az adatlap szerint minden remény megvan arra, hogy működjön. Azért nem árt számolni egy kicsit: Egy 4 csöves órához 14, egy 6 csöveshez 16 db kell belőle darabonként kb. 250 Ft -ért. Az optocsatolók ára összesen 3500 illetve 4000 Ft. Az MPSA42 / MPSA92 -vel vezérelt anódú és MPSA42 vel vezérelt katódú Nixie mátrixhoz 4 csőre 18 db, 6 csőre 22 db tranzisztor kell darabonként 25 Ft -ért. Azaz a tranzisztorok ára összesen 450 illetve 550 Ft. Az árkülönbözetból egy propeller chip biztos kijön... Mivel a Nixie csövek a 0..9 szimbólumokat tudják csak megjeleníteni, a katódokat lehet egy közös SN74141 nagyfeszültségű BCD dekóderrel vezérelni kb. 280-500 Ft. Ekkor csak a 4 vagy 6 anódot vezérlő tranzisztorok maradnak a tervben: 480-700 illetve 580-800 Ft. Ennek a megoldásnak az az előnye, hogy a Nixie be- és kikapcsolt katódai között nem lesz akkora a feszültség különbség, mivel a SN74141 kimenetein egy-egy zener található. A DCF77 óra Nixie-csövekkel topikban leírt meghajtással sokan felépítettük már az azóta is jól működő órát MPSA tranzisztorokkal. Hagyj nekik hosszabb lábat beforrszatáskor, ügyelj a szigetelési távolságokra, minimum 300V -ot is elviselő 1Mohm -os ellenállásokat (2W -os) alkalmazz. A OVERKILL - A DCF77-es Nixie óra cikkben egy jól múködő, kapcsoló üzemű anód táp kapcsolást is találsz. A D1 dióda ultra-fast, 1000V -os (pl. UF4007 - 75ns), a C3 100pF/1000V, az R5 és R7 is 2W -os teljesítményű legyen.
Persze teljesen igazad van.De azért a propeller mert
az órán kivűl még lesz benne pár funkció..(rádiójelek vétele..motorvezélés stb..)Az mpsa volt nekem is az első de ha az zárlatos lesz akkor a propellernek is annyi.A bcd kódot is kb annyi megírni mint a mátrixot vezérelni.(bár az már megvan)Igen a kapcs. tápot már próbára megépítettem az kivállóan működik benne is lesz a végleges nyákba.Viszont a nixie katódjai közötti feszkülömbséget nem értem.A tüskékre gondolsz?A FOD-ban is van dióda. Vagy áthúz két katód között a nagy feszkülömbség miatt?
Sziasztok!
Egy ilyen Nixie órának mennyi lehet az átlagos élettartama? Folyamatosan lehet működtetni? Megmondom miért kérdezem... van nekem itthon egy jó régi, gyárinak kinéző (West Germany) darab, fa dobozban. Működik, de nem tudom, hogy lehet-e folyamatosan üzemeltetni. Van a hátulján egy billenő kapcsoló, azzal le tudom állítani (pause) az időt, de a csövek továbbra is működnek. Van még két másik gomb, az egyikkel az órát, a másikkal a percet állítom. Belenéztem, 4 db AA akku is van benne, de már rosszak voltak. Feltételezem, hogy ez ahhoz kell bele, hogy memorizálja az időt ha kihúzom. Kicseréltem újakra az akkukat, de áramtalanítás után még így is elfelejti az időt, jobban mondva 20.10.14-re áll be. Gondolom van valami egyéb hibája is a rossz akkukon kívül. hanolfe
Hello!
Az élettartam függ pl. a feszültség, áramerősség valamint attól, hogy multiplexálva vannak-e a csövek vagy sem. Nálam IN8-2 csövek pörögnek multiplexálva (170V-on, 1-2mA-el) kb. 5 éve. Semmilyen elhalványulást vagy egyébb katód oxidációt nem tapasztaltam eddig (bár ez utóbbit, szabad szemmel lehet észre sem lehet venni). Szerintem meg kellene nézd milyen alkatrészek vannak benne RTC vagy egyébb. Üdv, Csabi
szia!
Köszi a választ! Tele van cuccal az óra, IC rengeteg van benne. Majd lefotózom és felteszem. Üdv: Feri
Itt vannak a képek az óráról.
Szép nixie óra.
Úgy néz ki nincs multiplexálva, de ez nem probléma. Lemérned és követned kellene az akksi szálait, hogy lásd mihez van bekötve. Az áramkörben, valószinű számláló ICk vannak, amelyekhez az akksi táp ha elér, szerintem tovább kellene, hogy számoljanak hálózati tápfesz nélkül is. Bővebben: Hasonló nixie projekt, akksi nélkül
Szia!
Nekem is tetszik az óra, sőt a legnagyobb meglepetésemre a nejemnek is tetszik. Pedig általában nem szokott örülni a különféle dolgoknak amiket hazaviszek. Kivéve a HUF, annak örül ![]() Igen, valószínű az akksinál lesz a gond, mert amikor kicseréltem újakra, akkor vettem észre, hogy a pozitív szál igencsak el van oxidálódva. Azzal kezdem, hogy azt kicserélem. Egyébként a töltést megnéztem, az van rendesen. Üdv.: Feri
Üdv mindenki!
Segítséget szeretnék kérni tőletek 6 csöves óra projektben. A csövek Z566m névre hallgatnak. Nagyon szépen köszönöm
A DCF óra nixiecsövekkel topikban található Mule v2 óránál szerepel a z566m-csövekhez készített csőpanel. Lábkiosztás A kapcsolások között megtalálod ezt az órát és a z560m-hez készült paneltervet abból ki tudsz indulni. Z560 helyett z566-tal hátrafelé néz, működik, de a katódokat a z 566m eltérő lábkiosztása (katódsorrend) szerint kell bekötni. Ha összerakod, valami ilyesmi lesz belőle Z566m mule v2-vel
A hozzászólás módosítva: Okt 19, 2012
Készen van az én rtc-s nixi-m programja (16f877re) a szimulációban tökéletes (az elődjét teszteltem lcd kijelzővel élőben) már "csak" a nyáktervezés építés van hátra
Az rtc DS 3234 a szimulációra beállított idő 23:47:29 A hozzászólás módosítva: Nov 16, 2013
Üdv minden topiklakónak!
Nemrégiben hozzájutottam egy békebeli ruszki nixies számológéphez. Sajnos a számológépet nem tudom megmenteni, de a csövek egész jól működnek még benne. Már régóta szemezgetek egy nixie-s órával, mert jól néznek ki, de óraépítéssel még nem foglalkoztam. Olvasgattam a cikkeket, meg a topikokat is, de nem lettem sokkal okosabb. A csöveimhez ennyit találtam, ami ugyan nem sok, főleg, mert nem értek oroszul, de már adatlap. Ahogy elnézem nem gyakori a 10 szegmenses cső. Nincsenek nagy igényeim, be lehessen állítani, járjon, és lehetőleg jelezze a másodpercet is. Tudnátok segíteni, hogy merre induljak el?
Szia. Ez vfd-cső, nem nixie. Ezért a vfd-s topikokban kellene keresgélned. A meghajtásához csak magamat tudom ismételni: Iv-18-as óra, iv-6-os óra (a Mybuster féle is), persze, hogy a 10 szegmens ki legyen használva, a programokat módosítani kell. Érdemes felrajzolgatni, milyen speciális illetve a szokásos 7 szegmensestől eltérő karaktereket szeretnél vele megjeleníteni. (hasonló probélma pl. az iv-2 meghajtása, a többit a vfd-s topikban...)
A hozzászólás módosítva: Máj 11, 2014
Sziasztok! Lehet nem ide tartozikde leírom.Ha valaki tud és segít megköszönöm.Szeretném ezt: https://youtu.be/WM_MeWHoI-c megépíteni.Valaki tud esetleg meghajtö áramkört ami 15 mm es rézcsőbe belefér?Köszi a válaszokat.
Taylor féle táp lehet ez se fér bele... Ez igen kicsi, karórába szántam.
Szia! Esetleg van neked ebből?
Hello, már be van épitve, csak a karora még nincs kész.
|
Bejelentkezés
Hirdetés |











Kivéve a HUF, annak örül
Az rtc DS 3234 a szimulációra beállított idő 23:47:29 





