Fórum témák
» Több friss téma |
Fórum » Labortápegység készítése
Értem, úgy látom 2n3055 lesz a vége. Valahogy próbálok szerezni L idomot, mik a pontos méretek?
Semmilyen "munkafájt" nem teszek fel sehová, elvi okokból.
Ha van rá igény, akkor inkább én rajzolnám át, jobban bízok a saját gondolataimban. "L" profilt itt tárgyaltuk ki, ebben a fórumtémában. Ha nem találjátok belinkelem szívesen.
Nekem most sikerült szereznem 50x50x4-es méretű L profilt. A 40x40x4-es is bővel elég. Alkotó is ez utóbbi méretűt használta/használja, ha jól tudom. Egyébként a "Metallo-globus"-nál lehet venni ezeket az alumínium "cuccokat"
Én megköszönném, egyébként Borsodi vagyok itt a közelben nem tudom merre lehetne.
Mettalo-globus Nyíregyházán is van egy üzletük a Metro mellet közvetlenül...
ez és után még jópár hozzászólás
Én itt vettem 2x1m-es darabot, kb. 2200Ft körüli áron.
Le vagyok nyűgözve a konstrukciótól és a kiviteltől.
(Sönt a panelon van -nem tudtam megtalálni a fotókon-?)
Huhú! Azért egy vágásért elkérni 300+Áfa-t kicsit sok 40x40 szögalu esetében....
Van talán 10másodperc is.
Nyíregyházára nekem nem érné meg elmenni. Többe kerülne az út mint az idom.
Ha jól látom át az árképzést, akkor nem csak a vágási időt kell nézni. Kivesz, beállít, levág, újra elpakol, nem hinném, hogy sok érte.
Viszonyitva a szögalu Ft/kg árához soknak találtam....
Harmadrésze! Amúgy meg iszonyat mennyiséget daraboltam különböző alu profilokból egy időben, ott célszerűen egy helyen tartózkodott a daraboló, és az anyag is. Gondolom felszámolják a gépidőt, áramfogyasztást, élőmunkát, az anyagmozgatást, de inkább az a cél, hogy egész szálat adjanak el...
Értem, akkor ha lesz egy kis időd berajzolhatnál nekem egy plusz tranyót (de nem tudom szerinted van értelme mondjuk 4A miatt 4db tranyónak? Vagy így kisebb felületű hűtőborda is elég ami nagy előny lenne, esetleg a hőmegfutás sem jelentkezne annyira nagy mértékben? A pufferfeszt még mindig nem mértem, de kb. 35V 4A-nél 140W 4db tranyóra pont 35 az már elég korrekt nem? Annyit ki kéne bírni nekik huzamosabb ideig is).
Az L aluval gondban leszek, mert Debrecen van hozzám közel és ahogy néztem arra felé nem nagyon vett senki (bár lehet, hogy tévedek). (Egyébként ma megjott a táphoz kellő elektronikai dolgok nagy része amint lesz egy kis időm belevágok a tápba.)
[OFF]Nekem azt mondták, hogy nekik (mármint az eladóknak) 2 méternél kisebb darab nem maradhat meg. Erre én próbáltam komoly képpel megkérdezni, hogy kellene 2 méter, de úgy hogy 25cm-enként elvágják. Erre a válasz: Semmi gond, megcsináljuk! Ekkor esett le az állam. :eek2:
[OFF]
Szándékosan nincs rajta sönt, mert a labortáp belső söntjét méri. (Így elég egy sönt, kevesebb a veszteség, kevesebb a melegedés, és a szabályozás is jobb.)
Nem tudom, mert elröhögtem magam, és bevallottam, hogy csak vicc volt és valójában 2 db 1 méteres szálat kérek az 50x50x4mm-es profilból. kb. 3000 Ft-ba került vágással együtt. Utána az eladó is röhögött egyet, de azt mondta, ha valóban úgy kértem volna, akkor megcsinálták volna, mert náluk a vevő az úr. Egyébként nem hiszem, hogy (sokkal) többet kértek volna érte.
Sziasztok!
Egy 0-50V-ig ill. 0-5A-ig szabályozható labortápegységet szeretnék építeni. Hagyományos áteresztőtranzisztorosra tervezem, ami terheléssel rengeteg hőt fejleszt. Gyakran van szükségem viszonylag alacsony feszültség mellett több amper erősségű áramra. A főtrafón van 24 ill. 16 voltos tekercs. Az elképzelésem az lenne, hogy a 16 V-os tekercs csak akkor kapcsolódna be az áramkörbe, ha 24V-nál nagyobb feszültséget állítok be. Így kevesebb hő termelődne a tranyókon, és a trafó is kevésbé melegedne. Szerintetek kivitelezhető? Épített már valaki hasonlót? A mellékelt rajz csak sematikus ábra.
Nem értem miert kellene ezt a váltást a készülékre bízni, egy kétállású kapcsolóval egyszerűen megoldható és ez indokolt is ha hagyományos áteresztőtranzisztoros tápot építesz.Elég húzós 50 V járatni a tápot mikor csak 5 V-ra van szükség!
MFeri
Szia!
Mostanában én is godnolkodtam ilyen megoldáson áteresztőtranyós táppal kapcsolatban. Én ugy gondoltam,hogy ha építenék egy ijet, akkor relés előszabályozóval csinálnám, miszerint tekercselnék magamnak egy olyan trafót, melynek szekundere tudja a szükséges áramot(pl: 5A), és ezt a szekundert ugy tekerem meg, hogy készítek leágazásokat 5-10-15-20-25-40-50V-nál, és ezeket a leágazásokat kapcsolják a relék sorban,a szükséges feszültség függvényében. De ha te nem szeretnél külön trafót tekerni,akkor én a helyedben ugy csinálnám,hogy először használnám a 16V-os tekercset,és ha attól több feszültség kell,akkor kapcsolnám rá a 26V-os tekercsre a tápegységet, így a disszipáció jelentősen csökken a tranzisztorokon, a kimenő áram pedig megmarad,de sztem ha van egy kis időd,akkor érdemes megpróbálni azt amit én gondoltam ki,de lehet hogy vki más aki nálamnál tapasztaltabb fog tudni neked jobb ötletet adni, és esetleg az enyémet is elbírálja!!! ![]() Üdv Erik!
A 2.7.1-es labortápban hogy tudom mérni az áramerősséget (legegyszerűbben)? Ugye a söntök bentvannak hozzá, de konkrétan egy PM438ashoz hogy tudom kiszámolni az osztóellenállások értékét?
Sztem ki tudod számolni,hogy maximális kimeneti áramnál menniy feszültség esik a söntön, és ha ez megvan, akkor a panelmérő adatlapján ott van,hogy bizonyos feszültség-mérés határokhoz milyen Ra és Rb ellenállásértékek tartoznak.
Üdv Erik!
Szerintem meg éppen, hogy "alap", hogy a készülék kapcsolgat, mint egy gyári labortáp ami a (többfordulatú) potméter minden ~360°-os fordulatánál máshova kapcsol!
Egyáltalán nem örülnék, ha nekem kellene!
Az a baj az elgondolásoddal , hogy egy relétemető lesz, és a relék sem fognak örülni annak az áramnak, ami ahhoz kell, hogy pufferkondik hirtelen magasabb feszültségre töltődjenek.
Már Alkotó is kérdezte mi az én elgondolásom, most vázolom: Van két különböző feszültségű, egymástól független tekercsünk a trafón, mindkettőt külön Graetz és kondi felhasználásával egyenirányítjuk. Az egyes tekercsről 10 volt egyenfeszt, a másikról 20 volt egyenfeszt. vehetünk le. -10 voltig csak az egyes tekercset használjuk -20 voltig csak a 2est -30ig mindkettőt sorbakapcsolva Legegyszerűbb megvalósításhoz szükséges 2 dióda, és 2 relé/tranyó/fet kell. A kapcsolóelemek vezérlését két komparátor végezné. Természetesen ez tovább bővíthető, vagy más feszültségszinten is alkalmazható az arányok betartásával.
Az én elgondolásom is vmi hasonlón alapul,csak nem volt még időm teljesen végiggondolni
![]() De nagyon tetszik az ötleted. Mivel most csináltam egy tápegységet a konstrukciós versenyre,ezért most egy darabig tuti nem alakitom át erre a relés előszabályzásra. A tápegység terveiért pedig ismét köszönetet mondok Alkotó Úrnak,mert egy nagyon jól működő,és könnyen utánépíthető eszközt sikerült létrehoznia! Üdv Erik!
Alábecsülitek a reléket, nálam a megadott paraméterein túl vannak hajtva, rengetegszer kapcsol 150W-okat (rövidzár) ki és be másodpercek alatt (miattam), kutya baja, pedig egyenáram. És megoldható a relé váltásakor keletkező szikra elnyomása, aki nagyon félti.
Amúgy meg 4 tekercs (pl.:10-20-30-40VAC) kapcsolása 2 relével megoldható, és +10V az emelkedés, ami nem nevezhető túlságosan megerőltetőnek mondjuk egy relének!
Alubecsülés....én örök életre szoktam tervezni, vagy annál is többre.
Nem az a 10 volt a sok, hanem az az áram, ami addig folyik át a relén, amíg nullára csökken a 10voltos fesz különbség. Ezt a 4 tekercses, 2 relés dolgot kifejthetnéd bővebben, mert most (így fáradtan) nem áll össze a kép !
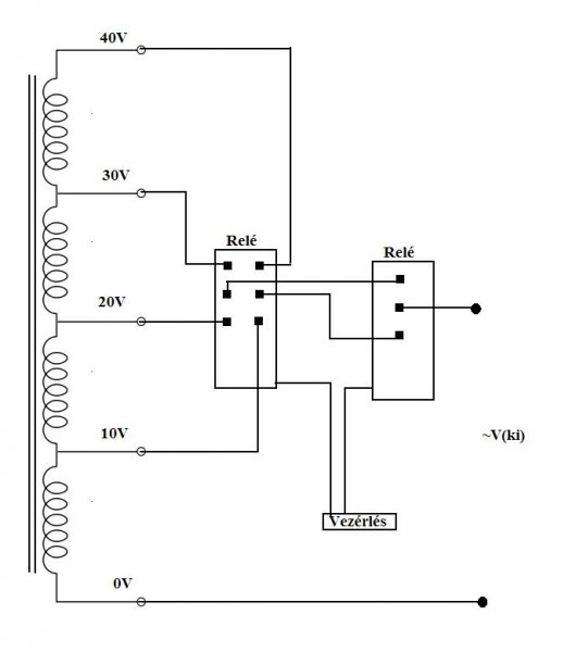
Paintben megrajzoltam mire gondolok!
Ennél lehet ügyesebben is!
De nem árulhatom el hogy hogyan mert akkor lelőném a poént a készülő labortápom előszabályozójáról.
Lelőhetem én ? :eplus2:
Azért ez is ügyes megoldás.
Ez nem rossz megoldás ! A vezérléséhez azért több kell mint 2 komparátor.
Bár én nem favorizálom a reléket, mert sokkal lassabbak a félvezetőknél, ill átkapcsoláskor megszakad az áramkör ami nálad nem gond, mert a pufferkondi áthidalja. De nálam egyenirányítás után lenne a váltás. De ez még nagyon képlékeny dolog, mert lehet hogy kapcsolóüzemű lesz a trafó és az előszabályzás is. Attesz ! Kíváncsi vagyok mit álmodtál meg ! Bár ha kapcsolóüzemű táp lesz benne akkor minek még relékkel bonyolítani.. |
Bejelentkezés
Hirdetés |




[OFF] 


De nem árulhatom el hogy hogyan mert akkor lelőném a poént a készülő labortápom előszabályozójáról. 




