Fórum témák
» Több friss téma |
Fórum » TV hiba, mi a megoldás?
SZia ,bekapcsoltam a tv-ét és a képernyőn nem nyillik ki körbe elmarad vagy 5cm is,minden kondit cseréltem,van csere alkat részem csak jok legyenek belé,és még fehér csikok jelenek ,meg rajta,az eredeti hibája egyszer ment el a kép egyszer a hang meg forrosztási ,hibák voltak .
Vajon attol ,lett ilyen a tv , hogy véletlenül forditva tettem vissza a Saa5254p-ét ,de ki is kapcsoltam azonnal ,és nem melegszik a trazistor 2sd 1555.
Lehet, hogy valami tönkrement javítás közben. Nézd át figyelmesen a forrpontokat, nem folyt-e össze ón. A sorvégfok tápfeszültsége jó?
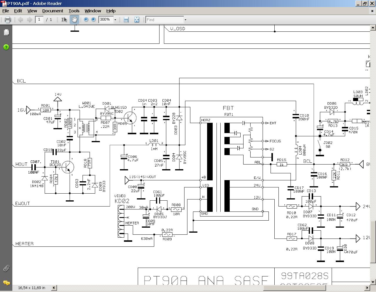
Sajnos rajzot nem találtam hozzá.
Nos hát most értem el ahhoz a ponthoz hogy ezt a készülékjavítást feladom.Valóban a képcső áramkörével volt a probléma.Most ár megvan a 180 volt is.Amikor enyhe fényt tapasztaltam a képcsövön elő bírtam varázsolni a menüt is.A fény és kontraszt állítása lehetetlen volt,és ekkor kipattant a szikra,hogy vizsgáljam meg jobban a képcsövet.Nem volt alaptalan a gyanúm,mert valóban a cső volt az egész hibának a létrehozója.A piros és zöld ágyúja között kb 1megaohm ellenállást tudtam mérni míg a kék és piros vagy zöld között végtelent.Megpróbáltam a regenerálást is.A piros és zöld a csőben zárlatos,a kék jó.Úgyhogy csak képcső csere után lehetne tovább javítani,de ez már nem éri meg.Megpróbálkoztam a csatorna hangolással is ,a kereső végig is ment de a 40 csatornából,ami a kábelen van eggyet sem talált.Úgy döntöttem,hogy nem foglalkozom vele tovább.Megköszönöm ,hogy segítettél.Ez a téma lezárva.
Sajnálom
Azért ne dobd ki. Alkatrésznek még jó lesz.
SZia a forrasztások rendben vannak, jó állapotban van az alaplap ,mit gondolsz proci (ctv 322s )hibábol ,is csinálhatja ezt a defektet cseréljem ki azt is,a sor táp az 195v-t.
A sortápfeszültség nagyon magasnak tűnik. A többi tápfeszültség mekkora? A képcső 200V-os tápfesze mekkora?
Bocs a képcső táp fesszre gondoltam, jobb ha le irnád hogy, kb mennyik kellene legyenek, a többit nem mértem.
Nem tudom a pontos értékeket, mert nincs rajzunk. Valahogyan jó lenne beazonosítani a készüléket. Magyar Orion vagy koreai? Valami normális sassziszám?
Holnap reggel megnézem,igazábol én sem tudom el dönteni pontosan ,de inkább koreai ,amugy tele van TDA-val ami philips,alkatrész de holnap adig is ,köszi mindent jo ét.
Szia Kadarist! A VTGY Kékes tévében tönkrement a nagyfesztekercs.. kis idő után izzottak a PY82-esek és leállt a sor.. vele együtt fokozatosan az egész tv. Kimentem guberálni a garázsba,és nagy meglepetésemre találtam egy (1965 május 22.-i) Orion AT611 (Budapest tv) sorkimenőt.. beépitettem a gépbe és próbaként szelént tettem a DY helyére.. az eredmény a képen látható,és a jóhir hogy huzamosabb (20perc) üzem után sem terhel be semmi.. szerintem a sorvégcsövek cseréjével javulhat az állapot.. mi a véleményed? Azt szeretném kérdezni hogy PL36 helyett PL500 betehető-e,mert lilásan világit az egyik oldala.. PY 83-helyett betettem 88-at,mert olvastam hogy "próbaként" betehető,és egyébként is a PY 83-as meg csúnyán okádta a szikrákat
Szia!
PY83 helyett jó a 88, de más a fűtőfeszültsége, úgyhogy nem igazán csereszabatosak. A PL-eknél megint csak fűtőfeszültség-gondok vannak. Persze próbából mehet a csere, de a többi cső ennek nem fog örülni, még soros NTC-vel sem. A sorméret-problémán a sorkimenőre kötött cső-kerámiakondenzátorok értékének változtatásával lehet javítani. Ezekkel rezonanciára lehet hangolni a sortrafót, így több áramot lehet kicsalni belőle.
Oké köszi.. holnap megnézem a dolgokat,csak azt tudnám hogy a sorkimenőt miért paszirozták annyira a sarokba.. ott nehéz lesz bármit is babrálni..
Szia!
Esetleg nem tudod a kondik értékét mert egy ismerösöm tv je is igy járt, a tranyo helyettesitöjét vagy beszerzési helyét. (ORION T2930 tv röl van szó)
Szia!
A készülék sorvég rajza a mellékletben. A tranzisztort itt megkapod: Bővebben: Link
SZia ,az orion tv-be valami eszi a feszűlcséget, mert 145v van a leg nagyobb,ée nincs fűtésem a képcsőbe a táp kondin is csak 245v van.
Gorenje tv, a sassi 11ak30a11 nem reagál ,a kézi vezérlésre,a gombokat lemértemazok jok , az 5v-is meg vande semmi.
készenlétiben mennyi van a hálózati pufferkondin? Esetleg nem lehet, hogy rossz sorkimenőtrafót tettél bele?
Amúgy Te tévészereléssel foglalkozol?
Szia most ott tartok hogy kiforasztottam a sortrafót és megszünt a zárlat a tranzisztor colector és emiter lábai között viszont a bázis és az emiter közt még mindig zárlat van
Nincs a bázison zárlat, csak a meghajtó trafó szekunder-tekercselése nagyon kis ellenállású.
Kár volt kiforrasztani a trafót. Biztosan nem azon keresztül záródik testre a sortápfeszültség. A rajz alapján keresd meg a zárlatos alkatrészt. Akár még a sortápfeszültség egyenirányító diódája is lehet zárlatos. Vagy egy kis kerámiakondi, elkó, stb... A sortranzisztor nem zárlatos, igaz?
Koszi szepen a segitseget, atneztem az egeszet nagyitoval es atforrasztottam a gyanus forrpontokat, de semmi valtozas.Tavkapcsra nem reagal, csak ha a Power-tol kikapcsolom aztan be de akkor ugyanugy viselkedik. Szerintem komolyabb a baj.
A tranzisztorokat kicseréltem tehát azok jók méregetek tovább
találtam egy rossz diódát by584 csak nem találok itthon tehát csak holnap látom hogy jó e csere után
Üdv!
Hogy lehet kimérni a szakadt kondenzátorokat? Pl. multiméter kapacitás mérőjével? Kösz előre is!
Köszönöm a választ holnap megveszem aztán meglátom
SZia vilanyszerelö cégnél dolgozok de már régotahobbibol mikor van időm javitok elektros cuccot, amugy távirányitorol csak gombrol nem elsször bontottam ki a saját tv-m.
[OFF] Oké! Csak kíváncsi voltam
Amúgy szakmám szerint én is épületvillamossági szerelő vagyok, egy szakmunkásbizonyítvánnyal.[OFF]
Távirányitorol műkodik minden , az asszony volt ithon mikor be döglött,én mostanában nem vagyok itthon. sajnos
csak hétvégén, a mosogéppel kaptuk a tv-ét vagy 5 éve,mikor lessz időm még irok ,ha nem harakszol ,ok szia . . |
Bejelentkezés
Hirdetés |






csak hétvégén, a mosogéppel kaptuk a tv-ét vagy 5 éve,mikor lessz időm még irok ,ha nem harakszol ,ok szia . 