Fórum témák
» Több friss téma |
Mielőtt kérdezel, a következő két dolgot ellenőrizd!
I. A helyes tápfeszültségek megléte.
II. A kimeneten van-e egyenfeszültség.
Élesztés.
Szia!
Akkor van értelme, ha a terhelő impedanciát (hangszóró ohm) is csökkented. Különben nem történik semmi, nem fog több áram kijönni az erősítőből akkor sem, ha párhuzamosítod a tranyókat.
És esetleg valamilyen kisebb átalakítással se lehet megoldani?
Ha a tranzisztorokat párhuzamosítod, a teljesítmény nem nő, de jobban bírja a kisinpedanciás terhelést. Ha nagyobb teljesítményt akarsz, növeld a feszt, persze ennek is van határa, nem tudom ennél a tranzisztornál mi a max ami még elfogadható. DE ha tényleg nagyobb hangerőt akarsz használjál nagy érzékenységű hangszórókat, vagy válassz másik tranzisztort vagy Fet-et. Esetleg vannak jó íc-k is
Üdv!
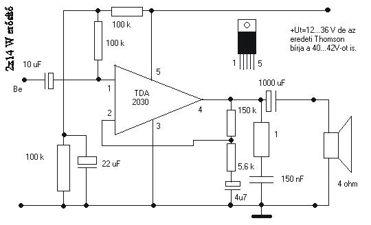
Beleszeretnék kezdeni egy erősítőbe. (melléklet) De viszont lenne egykét kérdésem: -Ennek a bemenetére köthetek pl: egy mp3-lejátszót -Nem kell +- tápellátás ? -Miért 2x14W?
Hol a melléklet?
Igen, köthetsz. Nem árt egy hangerőszabályzó (bár az MP3-ason van, de alacsony hangerőre állítva leromolhat a jel-zaj viszonya (sistereg).
Csak 3 táp kell. Nem 2x, ez csak 1x14W. Ha sztereó kell, csináld meg ugyanezt még 1x.
Köszönöm a választ!
-Hangerőszabályzót hogyan oldhatnám meg? -Milyen 3 táp? Bocs hogy ennyit kérdezek de nem csináltam még erősítőt.
Elnézést, nem 3 táp, hanem + táp, nem "sikerült a másik billentyűt is megnyomnom.
Erre találsz sok ábrát, pl. így. Ahogy ennél.
Táp feszültség rendben van amint írtam is. A tranyók is rendben akkor mi lehet a bibi?
Ha a táp rendben, akkor már írták hogy a végtranyók nincsenek, hiába írod hogy igen. Ha kiveszed a végtranyókat, és úgy nem veri ki a biztit, akkor elhiszed?
Vagy jókora zárlat van valahol az áramkörben. De ehhez látni kellene, vagy legalább rajzot mutatnál róla. amint írtam is. (privátba nem válaszolok kérdésekre, ezért van a fórum)
Azokat még nem de megmérem azonnal!
Bocsi szamóca nem tudtam!
Szereztem egy "nagyáramú" trafót. Arra gondoltam valami erősítőt kellene csinálni. 5 db 13,6 voltos kimente van váltóáramon. Nem csapolásos ,függetlenek egymástól a kimenetek. Legalább 7-800W -os körüli az összteljesítménye ,de lehet ,hogy több. Ti milyen erősítőt építenétek vele? Gondoltam arra ,hogy 2x2 kimenetet sorbakötve 2x27,2 V váltó egyenirányítva +- 38 V kb.
38 volt kb tda7294-hez elég, ebből 7-8 -at elvinne.
de ha nagyobb teljesítményt akarsz, akkor a tda-kat hídba kötöd, és kb 150 watt kijön, ebből 4 csatornát elvinne a trafód. Szerintem add el vagy cseréld el, és vegyél kisebbet. vagy csináljál 2x400wattos monstert kdmester félét.
Kössz a tippet. A gyári adat 8 ohm -on hídbakötött 7294 -nél +- 25 V-on 150W. Más megküldte nagyobb feszültséggel +- 43V ott már több mint 300W -ot mértek. +-38 V -on kb mennyi lehetne max? Azt a MONSTER-t hol találom?
Na azt azért nehezen hiszen el,hogy a hídba kötött verzió tartósan elviselne +-43V-ot.
Van kereső is: monster
Nekem is "érdekes" de még nincs ezzel a tipussal tapasztalatom. Lehet ,hogy kipróbálom és megírom ide a észlelt dolgokat. Valójában nincs rá szükségem. Van két gyári erősítőm meg egy pár saját. De valamit építeni kell
. Lehet ,hogy a +-38 at még bírná. (a remény hal meg utóljára )
Ha rám hallgatsz akkor megnézed ezt és nem mész +-25 főlé,csak annyival amekkora feszültség esni fog majd rajta az kb:2-3V tapasztalatom szerint.
16 Ohm-ra írnak max. +-35V-ot. Ez a költségtakarékos megoldás,ám te tudod.
Köszönöm a segítséget. Az adatlap megvolt nekem is és néztem. Az a helyzet ,hogy ezt így árulják kittként ,ahogy a link mutassa. Azért is érdemes lenne megcsinálnom ,hogy kipróbáljam és itt közzétegyem az eredményt. Ha nem működik a dolog akkor figyelmeztetni lehetne másokat a nemkorrekt adatokra. Ha működne akkor sokan számíthatnának erre a teljesítményre és a trafómnak is lenne értelmes felhasználása
.Bővebben: Link
Én tekernék rá egy 6. tekercset, 2x40V rol már sok komoly vég közül válogathatsz.
Igen egy 6.tekercs tényleg újabb lehetőségeket kínálna. Úgy van tekercselve ,hogy az 5szál teljesen együtt van feltekerve ,de zománcszigeteltek így 5 független tekercsként használhatom. Én nem merem visszatekerni ,hogy egy 6.szállal újratekerjem
. Túl kevés az ilyesmiben a gyakorlatom . És hát valjuk be toroidot tekercselni főleg ilyen sok és ilyen vastag szálakkal (én esetemben először még letekerni) nem egy fákjásmenet. Azért köszönöm ,az ötlet jó.
Hali! Valaki nem tud BD250-249 típusú tranzisztor párra valami bevált erősítő rajzot. Megköszönném!
Ez igy kevés.
Igénypont ? hangszoró ohm ? Watt ? alkalmazás ( ottholi, hangositás, minőségi, biztonsági faktor és még nagyon sok szempont) ? Még az se mindegy hol használod !
Szia! Hangszóró Ohm az mindegy. Olvastam hogy ezekből még akár 100W-ot is ki lehet csikarni. Otthoni célra kellene unalom űzésből.
Tessék Lacika ez garantáltan beválik.-->Vidi
Otthonra meg nem kell 100W,minek?
Köszi szépen. Szinte ugyan ez van meg nekem most ami vacakol. Legalább kijavítom.
Üdvözlet mindenkinek! Segítséget kérnék egy erősítő javításában vagy hiba meghatározásában! Adott egy yamaha r-500-as tuner amibe van egy STK2040-es végfok.Először csak nem szólt majd elkezdett piszkosul melegedni.Füstölgött is egy kicsit a szagáról ítélve de komolyabb égés nélkül.Biztit kiverte.Még soha nem volt javítva.Most ha bekapcsolom egy biztosíték csere után csak forrósodik a végfok.Rátettem egy hangszórót és megsegítettem a relét a végfoknál de sajna a hangszóró is füstölt.Ebből biztos hogy elszállt a végfok.De miért? Nem is volt hajtva !Esetleg tud valaki egy helyettesítő ic-t mondani?üdv Ottó és előre is köszönöm a segítséget! Közben megmértem hogy a végfokon mi jön ki és nem csodálkozom hogy lefüstölt a hangszóró mivel 40voltot adott le.
Ilyenkor a STK és a hűtőborda közötti szilikon hővezető kiszáradt és emiatt a végfok és környezete magasabb hőfokon dolgozott, aztán már nem! Ennek oka a szűrőkondik elöregedése a nagyobb hőfok és az idő múlása miatt, és a végfok meghibásodása, a relét ilyen esetben nem szabad erőltetni de erre már magadtól is rájöttél.
STK-ból utángyártott lesz helyette, de vigyázz TDA-ban is létezik 2040, fotót küldhetnél a betegről. |
Bejelentkezés
Hirdetés |





. Lehet ,hogy a +-38 at még bírná. (a remény hal meg utóljára
)
. Túl kevés az ilyesmiben a gyakorlatom
. És hát valjuk be toroidot tekercselni főleg ilyen sok és ilyen vastag szálakkal (én esetemben először még letekerni) nem egy fákjásmenet. Azért köszönöm ,az ötlet jó.





