Fórum témák
» Több friss téma |
Nekem kicsit bizarrnak tűnik nem hiszem hogy működne úgyhogy én nem próbálnám.
Rendben, nem próbálom ki és köszönöm szépen a segítséged.
Az erősítőt kapásból kinyirná! Ráadásul a glimm meg ugyanúgy benne marad a gyújtókörben, tehát nem sok értelme van. Viszont találsz kapcsolást Opto csatival illetve leválasztó trafóval is
Egy kis számolgatás után rájöttem, hogy nem teljesen használom ki a villanócsövet.
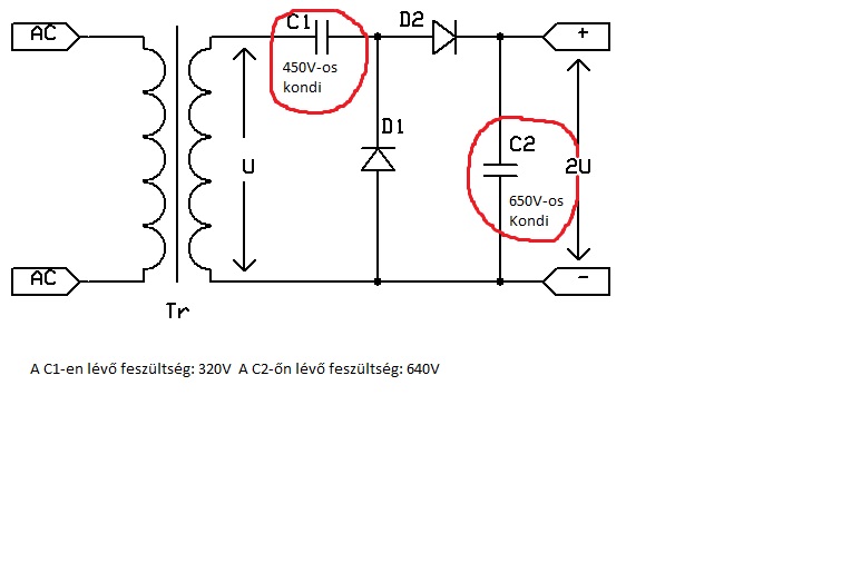
Képlet alapján: C*U(a négyzeten)*f Nálam: C=12uF, U=640V f=15Hz Ez alapján: 0,000012*409600*15=73Ws Ha a puffer kondit megnövelem 40µF-ra akkor már közel vagyok a névleges teljesítményéhez. Csak az a baj, hogy 2db16µF/450V és 1db 500V/50µF-os kondiaim vannak. Ha az 500V-os ra ráadom a 640V ot, nagyon felrobban??? Motorindító kondi lenne.
500V-osra ne add rá a 640-et
Csak azért kérdeztem, mert ezen a kapcsoláson a puffer ágba érdekes a kondi feszültsége. :whistle:
Üdv mindenkinek!
Át akarom építeni a strobibat, a cső adott, XOP 15 már érdeklődtem utánna. De akadt egy kis probléma. A konim ami van az 200wv 470µF feszkétszerezősre akarom. Kérdésem a 200wv-s kondira rákötöm a 230-at fogja bírni szerintetek? Sajnos eddig két kapcsolást építettem meg mind a kettő megadta magát, ezért gondolkozok a kondis megoldáson. Még az érdekelne, ha egy alap kapcsolást átépítek, tehát nagyobb kondit teszek bele stb, akkor fog működni szerintetek? A válaszokat előre is köszönöm!
Ha kétszerezni akarsz akkor a kaszkád kapcsolást ajánlom neked.
1.Ha a 200wv-os kondit beteszed felrobban. 2.Természetesen átalakíthatod a csö paramétere szerint a kapcsolás. Nagyobb teljesítményhez növelni a kapacitást, csökkenteni az előtétet és működni fog. Ha bármilyen kérdésed van tedd fel nyugodtan, 640V nem játék. A kapcsolásba beleírtam milyen feszültségek vannak a kondikon. Természetesen a tekercs nem kell a kapcsolásba, ha csak le nem akarod választani teljesen a hálózatról. A kétszerező rajz:
Köszönöm a segítséget, a 640v-al tisztába vagyok, meg van egy pár megépített strobi a hátam mögött, csak most kiváncsi vagyok, hogy az XOP cső kondival mennyire fog bevállni, mert az eddigi elektronika megadta magát (dragon 1700 és a bika strobi) úgy gondolom egy próbát ez is megér.
A kondi lesz még kérdés, hogy honnan szerzek, mert ezek PC tápból vannak (4db)
Mikor én az XOP15-tel játszottam nem tudtam annyi kondit összekaparni, hogy kielégítő fényerőt kapjak..
Mi múlt ki az elektronikákban??
Inkább úgy fogalmaznék: ....sokszáz mikrót...
Nekem nem volt olyan gondom, hogy begyújtva maradt volna, viszont 320voltról nem volt stabil az indulása, kellett neki a 600volt. Ez a begyújtva maradás nem a feszültség függvénye, hanem hogy mekkora töltőáram folyik mikor kisütötte a kondikat. Ha ez elég ahhoz, hogy égve maradjon a cső, akkor kapunk egy lámpát.
..akinek van helye akkora trafót elásni...
Nálam is motor kondikról ment főleg.. (nem indító kondiról mert az fekete, és kicsit gyengébb minőségű, olcsóbb, hanem a fehérről, annak a neve üzemi kondi )
Igen ezeket én is figyelembe vettem. Jelenleg a problémám az, hogy a Bika kapcsolásnál a strobi néha villan, a fényerő potival kell játszani, lecseréltem ugyan ez a helyzet. A kondis dologról olvastam visszább, ha jól rémlik 470 mikronál már izzik az elektróda. Még gyüjtök egy kis infót aztán majd lesz valami. Köszönöm az eddigi segítségeket!
Udv mindenkinek,nekem az lene a kerdesem , hogy honan lehetne beszervalni egy XOP15-t.Meg epitetem egy bikat de naluk SCGben nem tudok csovet beszerezni hoza.Most egy 120w-os csovet gyepalok rajta,egy bulit kibir a cso.
Lehet hogy a végét járja a cső és azért gyújt már be csak néha és a kapcsolás működik. Ha Omnilux Xop-15-os csöved van, akkor ne is csodálkozz, mert azok csak bohóckodni jók. Milyen régi a cső? Esetleg nem feketedett a két szélén a cső? Nálam ha elöregedett a cső, már csak nagyon ritkán villant vagy ha be is villant kisebb fényerővel, vagy csak kis halvány ív van a csőben.
Simpi látom te nagy fényforrás hozzá értő vagy. Hoztam gyakorlatról egy villanócső szerű valamit Egy cipős dobozban találtam. 3 kivezetése van, középen nincs izzószál és a két végén olyan mint ha elektródák lennének. 10cm hosszú és 1cm a az átmérője. Ha te vagy esetleg valaki tudna ebben segíteni megköszönném.
Első ránézésre ez egy kvarclámpa Nyák levilágításra tökélates csak megfelelő előtét (fojtó) kell hozzá. Stroboszkóphoz nem jó.
Köszönöm a választ. Egyébként tényleg az amit mondtál. Higanygőzlámpa, mert tegnap beleraktam a strobiba és gyújtótekercs nélkül is világított folyamatosan, szép halvány kéken. Egyébként az áramszolgáltatótól hoztam. Gondoltam is hogy ott nem igen tartanak villanócsövet, inkább valami HGL-lehet. Akkor keresek hozzá folytót és majd lesz belőle valami.
Most olvasom a kérdésedet, tegnap egy kicsit fáradt voltam, ezért nem válaszoltam, a cső 3 éves, alig használt nincs elkormolódva egyáltalán. Külső gyujtójelről egyből elsül, de jó lenne szinkronba tartani a hálózattal. Szerintem most is az elektronika beteg. Nekem eddig az omniluxxal nem volt bajom
Csakhogy ezt a higanygőz lámpát nem igazán volna alkalmas használni strobi áramkörrel!
Ezt a higanygőzlámpát nem arra találták ki hogy villogtasd, mástrész a higanygőzlámpa nem szereti ha ki-be kapcsolgatják az áramot! Csak azt ne mond hogyha szereztél neki egy fojtót és rákötöd a strobira?? Nem is tudom milyen eredményt várhatnál tőle ha ezt megteszed! Talán egy robbanást vagy kitudja! De nem ajánlom hogy ezt kipróbáld, arra a strobi elektronikára strobi villanócsövet rakj és semmi mást! Üdv!
Azért már van közel egy évtized gyakorlatom az elektronikában és villanyszerelésben
. Én csak feltételeztem, hogy villanócső és bekötöttem a strobiba, majd 1 másodpercig működtettem. Nem kellett sok hogy rájöjjek nem villanócső és kikapcsoltam azonnal. A fojtó beszerzése után pedig szerintem nyáklevilágításra fogom használni, nem pedig stroboszkópba.Üdv!
Megvan a jelenlegi felállás. A Bika strobi esetében, az opto mellett a LED villog de a cső nem gyújt, a trafó nem kattan, ha a 4n25-re külső jelet adok direktbe, akkor működik.
Hali!
Az miért van ha a cső (kis 120W-os, oroszt vaku volt még anno) néha éppen hogy csak bevillan, alig lehet látni... ? szerk.: azt hiszem azóta csinálja, mióta kicseréltem a 22µF-os kondit 47µF-osra ![]() szerk2.: bár lehet az a baja hogy, mivel PIC hajtja, túl rövid ideig ad jelet hogy kisüljön a kondi...
Helló!
Ma elkészültem legújabb projektemmel, egy hang vezérelt stroboszkóppal. A villanást egy 60Ws-os villanócső szolgáltatja. Puffernek egy 50µF-os üzemi kondenzátort használtam, a doboza pedig egy vasút állomásról származó hangos bemondó lett. A stroboszkópot az erősítő hangfal kimenetére kell csatlakoztatni. A bemenet után van egy fefül áteresztő szűrő, egy potméter majd egy leválasztó transzformátor. Így nem az erős dübbenésekre, hanem a tapsra vagy magas dobra villan. A cső elektronika része az oldalon is megtalálható 250Ws-os csőjé. Tökéletesen működik. Szerintem nagyon jól sikerült. Itt van pár kép:
sziasztok!
Volt nekem egy autók gyújtásvizsgálatához való stroboszkópom , a baj az volt hogy egy olcsó piaci 20 éves valami. Egy érdekes cső volt benne ami éppen hogy csak vöröslött , egyszerűen csak a gyújtókábellal kellett sorba kötni és gondoltam átalakítom . Csináltam egy ledes stroboszkópot a dobozába , de nem működik tökéletesen . Mivel nem tudtam rendesen megszűrve a jelet levenni a gyújtókábelról,és attól is tartottam hogy ha sok a félvezető akkor késik időben és nem ott villog ahol kell ,ezért a gyári csövet hagytam ,csak beljebb toltam,elé ledek kerültek (9 darab nagy fényerejű fehér) és egy fotoellenállással és 2 darab tranzisztor segítségével a ledek villognak ahogy a cső is villog. szépen villog , viszont egyszerűen nem látni a fehér jelet amit a forgó lendítőkerékre festettem a motoromnál. Tejesen körbevillogtattam ,de sehol sem látom a festést , pedig fényerő van . mindegyik leden 20 mA folyik . Szerintetek mi lehet az oka annak hogy nem látni a jelölést? Idézet: „attól is tartottam hogy ha sok a félvezető akkor késik időben és nem ott villog ahol kell” Ezt mire alapozod? Maximum a fotoellenállásod késik, ha nem megfelelően csatoltad a tranyókhoz. Amúgy meg feleslegesen bonyolitottad a dolgot, de nagyon. Az is lehet, hogy a felvillanások időtartama túl hosszú, és ezért nem látod a jelet. Egyébként, ha adhatok egy tanácsot: a jelet úgy érdemes felfesteni, hogy, ha több henger van, akkor az első dugó felső hotponti állásában a festés jól látható helyen legyen. Tedd fel a rajzot, hátha tudunk segíteni. Egyébként ebbe a topicba találsz ledes rajzot, watt mester tollából...supán.
Igen láttam azt a kapcsolást amit Watt készített ,csak nem tudtam hogy azt valaki kipróbálta-e.Olvasgattam kicsit de nem derült ki hogy kipróbálta-e valaki.
Sokféle módszerrel próbálkoztam kivéve az induktív lakatfogót mert az tulajdonképpen egy transzformátor és biztos voltam benne hogy késne, ráadásul úgy gondolom hogy elvileg dupla jelet is adhat mert kialakul a mágneses mező , majd összeomlik. Iskolába egy régebbi Bosch műszeren is induktív lakatfogó van ,de mikor ráraktam a gyújtókábelra akkor villant párat majd kicsit várt és akkor kezdett el villogni amiből én arra következtettem hogy mikor várt akkor dolgozta fel a pillanatnyi fordulatszámot és úgy működhet hogy megkapja a jelet és nem rögtön villan , hanem kiszámolja hogy mennyivel kell késleltetnie a jelet ahhoz hogy a következő villanás jó helyen legyen. Ez csak elmélet persze. A kapcsolási rajzot felrakom ,csak lerajzolom és lefényképezem, mert gépen nem szoktam rajzolni. Nincs programom.
Az induktiv lakatfogó is pontos, az a minimális késleltetés amit belevisz elhanyagolható. Amilyen kivitelt én láttam (javítottam) annak kettő U alakú ferritmagja volt, az egyiken helyezkedett el a tekercs.
A dupla jelet kivédeni egyszerű, csak egy dióda kell hozzá. Nem véletlenül volt a fogón feltüntetve a gyújtókábelra való felrakás iránya! A szóbanforgó klipsz egyik oldalán a gyertya szimbóluma volt, értelemszerűen ezt az oldalát kellett a gyertya irányába forditani, ekkor volt a kis trafó által levett jel megfelelő polaritású,vagyis a szikra képződése elején adott pozitív impulzust. Ha fordítva raktad fel, vagy nem villant, vagy késve a szikra lecsengésének végén. Pozitív testelésű kocsinál viszont forditva kell feltenni, akkor ad helyes időben vezérlőjelet.
itt az említett kapcsolás amit csináltam. a villanócső gyári és sorba kell kötni a gyújtókábellal
|
Bejelentkezés
Hirdetés |






A kondi lesz még kérdés, hogy honnan szerzek, mert ezek PC tápból vannak (4db)












