Fórum témák

» Több friss téma
Fórum » Erősítő mindig és mindig
Mielőtt kérdezel, a következő két dolgot ellenőrizd! I. A helyes tápfeszültségek megléte. II. A kimeneten van-e egyenfeszültség. Élesztés.
Lapozás: OK   534 / 2575
(#) (Felhasználó 54221) hozzászólása Máj 11, 2010 /
 
tehát nem duplázódik meg ha összekötöm? hogyan kell megoldani akkor?
(#) nagy_david1 válasza (Felhasználó 54221) hozzászólására (») Máj 11, 2010 /
 
Nem duplázódik meg, talán annyi történhet, hogy ha mindkét csatorna egyforma jelet kap akkor lehetne kisebb impedanciáju hangszórót illeszteni a kimenetre. A híd kapcsolás erre a megoldás -keress rá- de én sem látom nagy értelmét. Persze attol is függ, hogy milyen felépítésü erősítőd van.
(#) zenetom hozzászólása Máj 11, 2010 /
 
Hali!
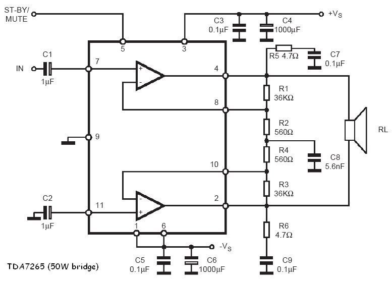
A csatolt kapcsirajzon az 5,6nF-os kondinak mi a szerepe? Helyettesíthető 4,7nF-al?
(#) suhanc hozzászólása Máj 11, 2010 /
 
Sziasztok.
Olyan kérdésem lenne hogy egy gyenge (4*6wattos[TDA7372A]) erölködö tápját akarom "brum" mentesé tenni.Csak hát ez nem az a táp ahol két seconder tekercs van csak egy (magyarul csak két darab kivezetése van a trafónak a seconder oldalon.).Hogy tudom stabil 12v-ott varázsolni ide? A kondik alapba az erősítő résznél is vannak (kb össz. töltésük 4000uF)
Köszönöm a segítséget előre.(ha lehet kapcsolást is köszönöm)
Üdv.: Suhanc
(#) (Felhasználó 54221) válasza nagy_david1 hozzászólására (») Máj 11, 2010 /
 
De nem értem, tehát 2db 10W az nem lehet 20W összekötve, érdekes, de úgy látszik én vagyok a hülye hogy ilyen eszembe jutott
(#) janimester hozzászólása Máj 11, 2010 /
 
Sziasztok , mostanában én is erősítő megszállott lettem és már túlvok egy két sikeres erőlködőn , az lenne a kérdésem hogy a következő áldozatom egy sztereóban megépítendő 2 x TDA7294 es erősítőt épített itt e már valaki ? tudtok róla nekem véleményt és tapasztalatokat írni (kapcsolás stb..nem kell már +van) És különösen arra lennék kíváncsí mekkora (váltó vagy egyenírányított) feszültségű és teljesítményű szimmetrikus tápra van szükség hogy a maximum teljesítményt ki tudjam belőle hozni. És mekkora kondenzátorokat tegyek rá , és mekkora hűtést ajánlatok rá. jah és még annyit hogy hallotam ojat hogy az előerősítő részének stabil 5 v ot kell adni ha ez igaz kérlek titeket eben is világosítsatok fel .

DSC08204.JPG
    
(#) hapro válasza suhanc hozzászólására (») Máj 11, 2010 /
 
Ha van egy szekunder tekercsed, aminek a végén egy diódahíd van, majd annak plusz illetve mínusz kivezetésén puffer kondi, akkor az brumm mentes. Talán tehetsz még párhuzamosan a puffer kondikkal 22-100nF fólia kondit. A brumm nem valószínű, hogy innen jön.
(#) nagy_david1 válasza (Felhasználó 54221) hozzászólására (») Máj 11, 2010 /
 
Mint írtam híd kapcsolásban durván véve valóban duplázódik, de ehez úgy kell átalakítani az erősítőt, hogy ellenütemben működjenek. És csak akkor hülyeség amit írtál ha a hangszóró impedanciája marad. Ha felezed akkor a teljesítmény duplázódik. Egyszerűen valahogy így működik.
(#) nagy_david1 válasza zenetom hozzászólására (») Máj 11, 2010 /
 
Igen, helyetesíthető. Nem tudom amit most mondok már mennyire helytálló, de az egyenáram leválasztásában van szerepe.
(#) zenetom válasza nagy_david1 hozzászólására (») Máj 11, 2010 /
 
Köszi.
(#) nagy_david1 válasza janimester hozzászólására (») Máj 11, 2010 / 1
 
Szia!
Ezt a topicot böngészd át.
(#) janimester válasza nagy_david1 hozzászólására (») Máj 11, 2010 /
 
szia ,köszöntem
(#) suhanc válasza hapro hozzászólására (») Máj 11, 2010 /
 
kérdés akkor mi okozza?... minden mást lekötök csak tisztán az erölködö hangja..
(#) hapro válasza suhanc hozzászólására (») Máj 11, 2010 /
 
:photo: kéne róla, talán akkor tudok segíteni.
(#) suhanc válasza hapro hozzászólására (») Máj 11, 2010 /
 
Mielőtt mondanád hogy úr isten megjegyezném hogy ez egy olyan panel ami akkor készül ha nincs otthon mindenféle panel készítő cucc.
Azaz ha minden van csak rendes panel nincs de vlmiért anno mikor megépítettem először panelra akkor is ezt csinálta. (minden ugyan ez volt).
Ja mellesleg 3 panelből áll eböl kettő van használatba mert a 3. volt a digitális hangerő szabályzó csak meghalt az ic és így ki lett kötve teljesen.
(#) hapro válasza suhanc hozzászólására (») Máj 11, 2010 /
 
Ne haragudj de így nem fogok tudni segíteni. Nem látom mi micsoda, és mi hol van, mi mihez van kötve, stb...
Vaktába tudok lövöldözni, ami vagy bejön vagy nem.
Talán földhurkod van valahol, talán rossz a potid, talán rosszak a puffer kondijaid, talán rosszak a becsatoló kondijaid, talán ha jól látom dugasztápról működteted és az vihet valami zavart be, talán valami nincs a földre kötve pedig oda kellene kötni, vagy épp mondjuk két vezeték összeér...stb.
(#) suhanc válasza hapro hozzászólására (») Máj 11, 2010 /
 
itt a leírás ennek a mintájára van megépítve.Link
(#) suhanc válasza hapro hozzászólására (») Máj 11, 2010 /
 
És igen megoldottam.
A lényeg nem a "hot ponton" volt a kondi hanem az erőlködőnél a panelen így bezavart kikötöttem és betettem a csatlakozóhoz egy 2200µF 50V és olyan csöndes mint éjszaka és szépen is szól.
Üdv. Köszi mindent.
Suhanc
(#) hapro válasza suhanc hozzászólására (») Máj 11, 2010 /
 
Örülök. Szívesen. Ügyes vagy.
(#) Mayan hozzászólása Máj 12, 2010 /
 
Létezik hogy a dunaudio evergreen a30-ban tda1554-ek vannak ? Nagyon úgy néz ki ez a 4 ic... mintha.
A táp is erre utal szimpla, 166000 uF, 15V-os kondi.
Hm. Hallott már valaki ilyet szólni ?
(#) Mayan válasza Mayan hozzászólására (») Máj 12, 2010 /
 
Vagy nem is szimpla táp ? Inkább sorba vannak ezek kötve... akkor nem igazán értem hogy lehet...
(#) hapro válasza Mayan hozzászólására (») Máj 12, 2010 /
 
Attól, hogy szimmetrikus tápja van, mert úgy látom az van neki, szerintem símán lehet használni egyenként a két oldalt, mármint a táp két oldalát szimpla feszültségként.
Persze az sem biztos, hogy olyan IC van benne amit írtál és akkor az mindenre magyarázat lenne. Vagy egy olyan dolog a magyarázat amire nem is gondolunk.
(#) CIROKL válasza Mayan hozzászólására (») Máj 12, 2010 /
 
Simán csak +- a képről ez jön le , csak a trafó kivezetései azok kivül vannak összekötve, 2 különálló szekunder.
(#) J-O-E válasza Mayan hozzászólására (») Máj 12, 2010 /
 
Inkább LM IC-k +/- tápról, alacsonyabb feszültségen hajtva, de csak tippelek.
Ha a minőség fontos szempont volt akkor nem TDA-at használtak, főleg hídba!
De tényleg csak szimpla táp! Akkor passz!?!
(#) highand válasza Mayan hozzászólására (») Máj 12, 2010 /
 
Ahhoz képest, hogy én terveztem, tiszta ciki, hogy nem emlékszem, mi van benne.

Az biztos, hogy belsőhurkos, soros hibajavítós áramkör, beállítható soft clippinggel. A végfokIC gyakorlatilag bármilyen mono lehetett, ami a tápfeszt kibírta.
(#) DB Thündér hozzászólása Máj 12, 2010 /
 
Mi az a moszfet technológia? Az IC nél valami újabb vagy mi lehet? Egy végfok adatlapján láttam!

Ezek az adatok voltak még oda írva:
• Maximális kimenő teljesítmény (1 kHz; THD < 1%):
2x 240 W @ 4 ohm
2x 120 W @ 8 ohm
• Számlált kimenő teljesítmény (20 Hz-20 kHz; THD < 0.5%):
2x 110 W @ 4 ohm
2x 75 W @ 8 ohm
• Táp: 230 V ~ 50/60 Hz
• Méretek: 483x88x242 mm
• Súly: 8,8 kg

Ezeket a teljesítményeket képes lenne szerintetek leadni?


Mellékeltem egy képet a végfokról >>
(#) CIROKL válasza DB Thündér hozzászólására (») Máj 12, 2010 /
 
A Mosfet az egy tranzisztor fajta :Bővebben: Link A vele épitett erősítőket hivják mosfet-es technológiának , röviden ennyi !
Idézet:
„teljesítményeket képes lenne szerintetek leadni”
Ehhez tudni kéne a dobozon belül mik vannak , trafó kapcsolás technika STB... így külsőleg nem igen lehet megállapitani hogy hány Watra képes ,ha lehet hinni az adatok valóság tartalmában akkor akár még igaz is lehet.
(#) DB Thündér válasza CIROKL hozzászólására (») Máj 12, 2010 /
 
Köszi a gyors választ!

Akkor valószínű megveszem és mikor meghozza a futár szétkapom és lefotózom!
Árba egyébként: 27ezer 1 év garival! Szerintem korrekt!
Kivezérlés jelzővel ellátva, clip LED, beépített hűtő, lágy indító stb
(#) szamóca válasza DB Thündér hozzászólására (») Máj 12, 2010 /
 
Kérdezd meg a maximális teljesítményfelvételét a hálózatról!
Ha ez 600VA felett van, akkor igaz.
(#) saraha hozzászólása Máj 12, 2010 /
 
Üdv.
Az itt található erősítő nyugalmi áramának beállításában kérnék egy kis segítséget.
Mivel egy tápfeszen van a két erősítő, így a tápágban nem tudok mérni nyugalmi áramot mert akkor nem biztos,hogy szimmetrikus lesz a két fele.
20mA nyugalmit szeretnék beállítani az alkalmazott tápfesz +-70V.
Esetleg valamelyik ellenálláson eső feszültségből ki lehetne számolni?
Következő: »»   534 / 2575
Bejelentkezés

Belépés

Hirdetés
XDT.hu
Az oldalon sütiket használunk a helyes működéshez. Bővebb információt az adatvédelmi szabályzatban olvashatsz. Megértettem