Fórum témák
» Több friss téma |
Fórum » Labortápegység készítése
10A?
:wow3: Az már nem egészséges, mert a vezetéken is esni fog a feszültség, és melegedni is fog. Meg miért növelnéd ezzel a táp belső ellenállását.
Hát jó akkor én is ezt ajállom!
A trafóvezetékek, és kábelek terhelhetősége egészen eltérő dolgok. Ezeket nem szerencsés összemosni.
Mellékeltem mi az előírás "villanyszereléshez".
Ajállom is hogy jobb legyen!
Ha egy rendes labortáprol beszélünk akkor az a kimenő ( vagy esetleg a kábel vég) feszültségét figyeli és ezáltal lényegtelen a tranzisztorokon és egyéb alkatrészeken történő feszültségesés !
De ha átesünk a lo másik oldalára az sem vezet sehová ezért jobb ha számolunk vagyis már ezek a dolgok mind le vannak írva
Elkészítettem az egyik panelműszer nyákját. Alkotó mester nyákterve alapján átrajzoltam SprintLayout-ban. Nem volt bőr a képemen megint lötstop maszkot kérni Alkotótól.
Na meg kiváncsi voltam, hogy a SL progi hogy csinálja a maszkot. Ilyen lett. Vannak még apróbb gondok, de alapjában véve jó.
Szia.
:wow1: :wow1: Szerintem marha jó lett, ügyes vagy nagyon. Be is van aranyozva?Vagy micsoda az?Egyébként meg,hogy kell csinálni ilyen maszkolt vagy milyen panelt?
Aztamindenit! Ez csodaszép lett! Nagyon gartula hozzá!
Hi
Nincs aranyozva. A fényképezőm tud ilyen "természetes" színeket. A lötstop az a forrasztásálló réteg. Vettem az Octamextől ilyen fóliát. OCTAMEX Lötstop fólia (Német) Ez egy fényérzékeny fólia, úgy kell előhívni, mint a fotózásos eljárással készített nyákokat. Ehhez kell egy maszk, ami kitakarja azokat a részeket, amik nem fognak kelleni. Rá fotózod, előhívod, és kész. Mutatok képeket a maszkról.
Köszönöm a felvilágosítást.
Valószínűleg ki fogom próbálni,ha sikerül itthonról ilyen fóliát szereznem valahonnan.
Nos alkottam kézzel egy elvi kapcsolást. Ha valaki hibát találna az elvemben, az kérem jelezze még mielőtt összerakom. (Mondjuk úgyis deszkamodellen fogom elsőnek tesztelni.) Nem teljesen szabványos, de szerintem minden érthető róla.
Hoppá egy dolgot kihagytam, a BC 182 bázisát fel kell húzni 15V-ra egy kb. 100k-s ellenállással, mert amúgy nem indul be a szabályzás.
Inkább több megcsapolásos trafót használj mint triakot. Persze én használom majdnem ezt a kapcsolást előszabályzásnak, hegesztőhöz, szénkefés motorokhoz, lámpákhoz.
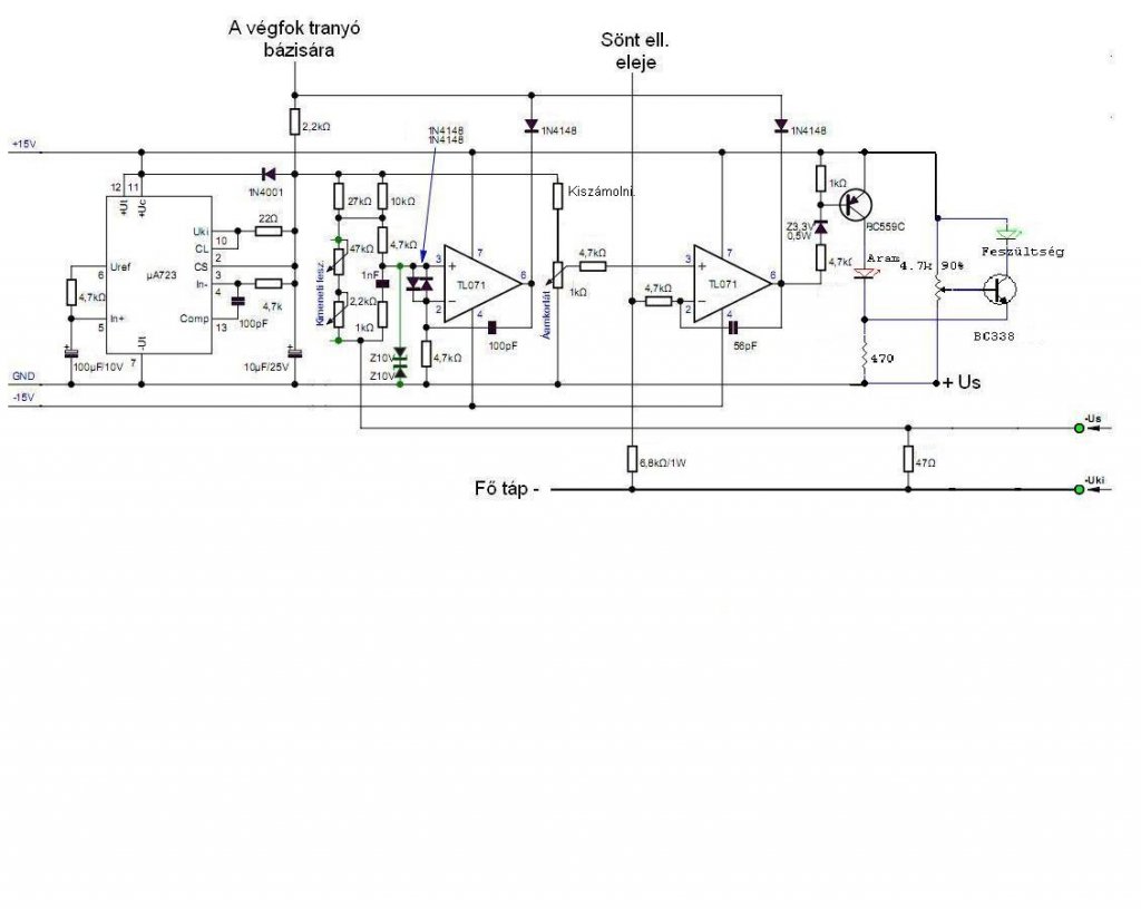
Szerintem nem jó ha a 723-ast direkt kötöd nagyobb tranyóra. Én ajállom hogy egy BC182 vagy hasonló tranyó alkalmazását vagy esetleg lekoppinthatod a rajzról amit felraktam valamikor. Mégtöbbret mondhatnák ha látnám mi minden van a bekerített részben.
Azért köbüki mert ilyet akartam csak annyira lusta voltam inkább hogy túrtam a méhtelepen egy többleágazásos trafót táphoz. Bánta a pénztárcám de legalább lett vagy 10 trafóm. A lustaság félegészség.
Abban egy "Alkotós táp" van egy kicsit átalakítva. És persze a 723 nem közvetlenül hajtja meg a fokozatot. (Mert a végfokhoz kerül + egy tranyó, csak azt nem írtam hozzá, de az ugyanarra a hűtőbordára kerül.) Ill. még egy fontos dolog, amit az előbb írtam hogy kell egy kb. 100k-ás ell. a BC 182 bázisára. Na meg elé egy dióda, mivel a műv. erősítő 0-ban tartaná, ha nem lenne ott. De csatolom inkább a képet kiegészítve. A bekeretezett részeket is majd megrajzolom, de ott még ki kell számolgatni az értékeket. Gyorsban kivágtam az Alkotós tápból azt a részt amit használni akarok, de még ezt lehet átalakítom a saját kedvem szerint. Még az ellenállásokat át kell számolni, mivel 10A-re tervezek. Meg még jön hozzá egy nagyon primitív kis komparátoros ÁK, ami a ventilátort fogja kapcsolgatni. De lehet hogy arra nem is lesz szükség.
Össze hekkeltem a tápom egy részét.
Dobok föl képeket. A végleges megoldásom az lenne, hogy erre a hűtőbordára tennék 3 darab Alkoto 2.7.1 tápot. Ebből 2 darab 0-50V-os lesz, és egy pedig 0-30V. Hátulról fogja hűteni 2 db 10 centis ventilátor. Persze csak akkor, ha 65 fok fölé megy a borda. A kérdés az, hogy ha erre a bordára ráteszem a másik két tápot, akkor elég lesz-e ez a hűtéséhez. A venti mennyit tud hűteni? Meg terheltem a tápomat a kimeneten 1.2V-ot állítottam be, és a max áramot 4A-t Rövidre zártam, és vártam. kb 10 perc után elérte a tranzisztorok kupakja a 70C°-ot. A szögalumínium 6 mm vastag, és jól át tudja adni a hőt a nagy bordának. A bordám túlsó oldala 45C° -ra melegedett. A ventim még nincs kész hozzá, tehát nem tudom még hűteni. Szerintetek mi legyen? A panel felől is hűtsem? Vagy jó lesz ez így? Esetleg nagyobb hűtőt tegyek bele? Jól jönnének az ötletek, tapasztalatok.
A legjobb hőleadás érdekében a bordák függőlegesen álljanak. És ha minden táp 5A-t tud, akkor az összesen 900W (rövidzárban.) Ezt nagyon kétlem hogy tartósan el tudja fűteni egy ekkora borda, még aktív hűtéssel is kétséges. Mivel labortápnál úgy kell méretezni, hogy ha +50°C-os külső hőmérsékletnél is ott hagyod mondjuk egy napig, akkor annak azt is ki kell bírni. Én ezért kezdtem bele, hogy a nyers teljesítményt szabályozom és így lecsökken az eldisszipálandó teljesítmény értéke.
Nem lehet hogy szegény tirisztor nem volt megfelelően vezérelve ill. védve a túlfeszültségtől? És ezért kellett foltozgatni?
4 A -t tudnak a tápok. 2darab 50V-os, és 1 darab 30V-os lesz rajta. Az össz teljesítmény 520W Hogy a tranyó mennyit disszipál, azt ki kéne számolni.
Abban igazad van, hogy úgy kell méretezni, hogy ha kint meleg van, akkor is bírja a táp, és ne melegedjen túl. A hűtőbordánál honnan lehet tudni, hogy mekkora a hő ellenállása? Hogy lehet kiszámolni? Nem ismeretes a bordám adata. Az egyik cimborámnak van egy gyári labortápja, ami olyan elven működik, mint a te ötleted, de azzal nam vagyok elégedett, mert ha 13.8V-ra állítod, és megterheled, akkor ide-oda kapcsolgat, és ingadozik még a feszültség is. Akkor az milyen labortáp?
Abban szerintem több megcsapolás van és egy komparátor segítségével kapcsolja a szekunder megcsapolásról a nyers feszültséget. De azok is nagyon jól működnek, ha jól van beállítva a komparálási szint. (Azt lehet csak kicsit át kellene nézni és akkor az is nagyon szuperül működne.) Nekünk még anno a bánkiban volt egy hasonló táp és az is nagyon jól bírta a strapálást. Amúgy az én tápom nem kapcsolgat, mivel ő a 230V-ot adott fázisszöggel mindig levágja. És folyamatos a szabályozás. A rajzon most úgy van belőve, hogy a kimeneti és a nyers fesz. között 5,1V a differencia. De ezt még kiszámolom, hogy az Elkó 100Hz-es brummal képes-e eltárolni annyi + energiát, hogy ha hirtelen (10ms) alatt megnő a terhelés 0-10A-re. Akkor még képes fenntartani a beállított fezsültséget. És ehhez fogom méretezni a feszültség differenciát. (Amúgy 2 kondi van beépítve a tápomba egy 33000µF és egy 10000µF-os párhuzamosan.) Pont volt annyi hely és még belefért. Mivel már kész a táp, már csak ez a szabályozó hiányzik belőle. De nagyon trehányul néz még ki, mivel se lefestve nincs még, össze vissza van jelölgetve, meg iyesmik.) De ha vége a vizsgaidőszaknak akkor jön a gyakorlati építés.
Nem könnyű tisztán látni, és szinte minden érvelés mögött húzódik valamilyen "okosság", de éppen az a LÉNYEG, hogy megtaláld a saját utad az útvesztőben. Olyan nincs, vagy ha mégis akkor elképesztően sok energia és költség árán, hogy minden körülmények között, végtelen hosszú ideig képes egy labortáp a legszélsőségesebb terhelések elviselésére is. (itt elsősorban azért az "áteresztős" tápokra gondolok, és nem a kapcsolóüzeműekre, mert azok sok helyre nagyon ideálisak, de talán akusztikai eszközökhöz nem a legideálisabbak)
Ez kicsit nyakatekert lett, de nem kell mindig mindent a "végtelenül ostoba" felhasználókra méretezni. Főleg nem ha magadnak készítesz valamit. Ha túlmelegszik, akkor beindul a ventillátoros hűtés, ha meg még jobban, akkor lekapcsol (tehát vigyáz magára). Egyedül az a fontos, hogy hirtelen ne tudjon megfutni a tranzisztorokban lévő félvezető lapka hőfoka. Ha ez megvan, akkor a védelmek már ellátják a feladatukat. (Az én tápom már közel egy éve üzemel, napi használatban van, és még egyszer sem indult be a kényszerhűtés.) Az a borda a fotókon elég nagynak látszik, de elég kevés rajta a "borda". A látszat az nem elég, számold ki jó közelítéssel a felületét. Az a tapasztalatom, hogy kb. 1000cm2 felület, már optimális tápegységenként, tehát neked kb. 3000cm2 kell összesen. (Ez az általam használt profilból 6,5cm magasságot jelent -1000cm2-enként-.) Fontos! Az a kapcsolás, amit te használsz, csak nagyon körülményes módon használható különböző (kapcsolt) váltófeszültségekhez. Ennek a rajznak nem ez volt a célja, nincs különválasztva a vezérlés, nincs kialakítva benne semmi, ami függetlenítené a vezérlés stabilitását a "fő"- feszültségtől. Éppen fordítva, kimondottan cél volt, hogy ne kelljen hozzá spec. trafó, hanem simán egyetlen szekunderről is tudjon menni.
Meg saccoltam a hűtőbordám felületét. Azért mondom, hogy saccoltam, mert egészen pontosan nem lehet kiszámolni.
kb a hűtőbordám darabja 750-800cm2. Ebből van 4 darab. akkor az 3000-3200cm2 Pont jó A ventilátorhoz van valami számítás? Honnan lehet tudni, hogy ventilátorral mekkora hűtést kell méretezni egy alkatrésznek?
Ismét ötleteket várok a PIC-es panelmérővel kapcsolatban.
Az áramkörhöz csatlakoztatható egy kapcsoló/nyomógomb amivel a panelmérő kijelzése feszültség/áram-ról átvált teljesítmény/ellenállás mérésre. Azonban a panelmérő egy egészen speciális üzemmódjában (ami tegnap jutott eszembe és nem árulom el hogy mi mert szerintem nagyon innovatív ötlet és komoly meglepetés lesz ) ez a nyomógomb más funkciót kaphat. A kérdésem az, hogy milyen funkció legyen ez? Én mondjuk a digimultikon is megtalálható "HOLD" funkcióra gondoltam, amikor is a gomb nyomva tartásának idejére a kijelzés 'lefagy' és nem jelez ki új mintát a gomb felengedéséig. Ha van esetleg más, jobb ötletetek akkor szívesen várom őket!
Nem rossz, nem rossz...
De egy labortápnál ennek nem igazán van értelme. Idézet: „De többet nem árulhatok el..” Idézet: „kellene bele egy nagyon gyors reset, ha kikapcsolod, ne maradjon lengés benne” Ezt nem értem. Miben ne maradjon benne?
Szerintem mindkettő elférne benne. A HOLD funkció hasznos tud lenni, de teljesítmény-ellenállás kijelzés is. Most egy gomb ide vagy oda már nem befolyásol olyan sokat szerintem. De lehet ez bonyolultabb mint ahogy én hiszem
|
Bejelentkezés
Hirdetés |




:wow3:
Na meg kiváncsi voltam, hogy a SL progi hogy csinálja a maszkot. Ilyen lett. Vannak még apróbb gondok, de alapjában véve jó. 








) ez a nyomógomb más funkciót kaphat. A kérdésem az, hogy milyen funkció legyen ez? Én mondjuk a digimultikon is megtalálható "HOLD" funkcióra gondoltam, amikor is a gomb nyomva tartásának idejére a kijelzés 'lefagy' és nem jelez ki új mintát a gomb felengedéséig. Ha van esetleg más, jobb ötletetek akkor szívesen várom őket!





